高温机械密封
机械密封的工作温度超过80℃时就作为高温机械密封(有的密封公司以工作温度>90℃为界限),在高温下,密封主要间题有下列几项:密封端面液体汽化,摩擦副的热应力和热变雍,组合件、镶嵌件可能因配合不当而松脱,辅助密封圈因高温引起的老化、龟裂、粘结和弹性消失,弹簧疲劳和强度降低,材料的腐蚀和磨损加快.
一、高温机械密封的要求
1.选用耐高温的密封材料
在高温下,材料的耐温性能显得特别重要,合理选用密封材料可使一般结构的机械密封仍能适用于高温工作条件,简化手续,节省开支.表10 -1列出不同密封材料的使用极限温度.

2.采用金属波纹管型机械密封或金属波纹管与普通机械密封相结合的密封结构
从耐热性能来看,辅助密封圈是机械密封上最薄弱环节,当温度超过80℃时普通橡胶已不适用,温度超过230~250℃,聚四氟乙烯也不能使用.此外,由于高温、易燃介质的裂解物沉积会使弹簧阻塞.所以,当温度超过220℃时就应采用金属波纹管型机械密封,或者采用金属波纹管与普通机械密封相结合的密封结构.
3.采取冷却措施
在高温下,为了使密封可靠运行,尽可能对机械密封进行冷却,要避免在干摩擦状态下工作.必须保持密封间隙中的温度在密封液的汽化温度以下.
冷却措施就是对密封进行温度控制,常用的温度控制有冲洗、阻封、加强液体循环等(详见第七章第一节温度控制装置)。在高温下,还可采用以下措施:
(1)用Diphy1(二苯及二苯氧化物的混合物)作为阻封液,它是冷态无压的换热剂(阻封液由泵效螺旋输送);
(2)在超高温下或者没有适当的液体时,也可通人氮气、氩气,以防止空气引起的氧化.
4.镶嵌摩擦副问题
密封环镶嵌是充分利用端面材料和基体材料的特性,提高材料使用价值,一般对高温密封采用热镶法.但是,由于端面耐磨材料和基体材料的热胀系数有差异,在高温下使用时会产生摩擦环松动、脱落。因此,对镶嵌结构的摩擦环采用的温度应予以特别注意.热镶结构产生松动、脱落的原因,除了与使用温度有关外,还与轴径尺寸有关.当摩擦副环基体为不锈钢、高镍合金、钦合金时,热镶硬质合金的允许使用温度对不同轴径的关系如图10-9所示.

5.摩擦副环与轴之间的许用间隙
高温条件下,由于摩擦副环与轴两者的热胀系数的差异,会出现摩擦副环与轴之间间隙趋近于零的现象,因而导致摩擦副环浮动性消失导致密封失效。所以在设计时必须合理和正确选择摩擦副环与轴之间的间隙。

二、高温机械密封实例
1.布格曼公司的HSHF+MFL型密封
芳烃装置循环油泵GA-102AB.功率1650kW,转速6748r/ min,输送介质为汽油,操作温度262~284度,进口压力0.87MPa,出口压力~175MPa,机械密封采用布格曼公司HSHF+MFL混合结构,这是适合高温、高压和高速工作条件下的密封。这里HSHF是单端面、流体动压式带泵效螺旋结构MFL是单端面金属波纹管结构.HSHF和MFL都是弹簧静止式,以适应高速运转的要求.该密封从结构上布置成串联式,装于油泵的吸人端和排出端,因HSHF带有泵效螺旋,它与轴的旋转方向有关.在吸入端的泵效套(12A)是右螺旋,泵效外壳(25A)提左螺旋;在排出端的泵效套(12B)是左螺旋,泵效外壳(25B)是右螺旋,安装时按图上要求装配不能搞错.,
图10-10为HSHF2/ 103+MFL65 / 88的结构图.

2.Y4D型金属波纹管密封(图3-22)
Y4D型金属波纹管密封是Eagle公司用于低压((0.5MPa以下),温度-200~+400℃密封。波纹管采用Inconel 718材料,这种合金的耐氧化性能可达980℃,在-196℃的低温下屈服强度可达1426N/mm2.因此,Inconel 718在高低温条件下都适用.尤里卡装置中凡高温的减压渣油,KSK油,轻、重瓦斯油的密封都采用Y4D型金属波纹管机械密封.
3. 59B型密封(图3-10)
虽然59B型密封的使用温度范围为-50~十230℃,如果泵送介质借助于输送装置,通过冷却器再进人密封,则59B型密封仍可用于介质温度大于230℃的场合.例如,芳烃装置釜液泵GA-116AB的介质温度为290℃,就是采用外冷却的59B型密封.
4.上海水泵厂605系列波纹管机械密封介绍
上海水泵厂引进美国EG&G SEALOL公司技术,已生产多种系列的密封,其中605系列是焊接波纹管机械密封,它的型号、规格和使用性能如表10-2所示.

高压机械密封
通常认为,当机械密封的工作压力超过4~5MPa时就视作高压,有的密封公司把工作压力达到3MPa就作为高压;有的公司以PV值大小来衡量;有的公司则将压力和温度一起考虑.
一般认为在高压下,由于机械和热变形危害机械密封的功能和可靠性,压力越高,危害性越大.所以,用于极高压力的密封比标准型密封要求设计改进,不仅在开启力和闭合力之间有严格比率,而且要求整个密封结构经得住高压而不变形,此外,还要维持稳定的液膜以保证密封性能.
一、高压机械密封的要求
1.增大密封零件截面
对转动零件的截面要加大,静环也相应有较大的截面,不要在静环外径上有台阶或开槽.但要注意,随着密封面宽度b的增加,热变形和磨损也随之增加,同样要增加压盖的厚度以防变形和能承受压力.使用重载荷弹簧,使用较大直径的销子以适应较大的启动扭矩.
2.提高密封零件的加工精度
(1)压盖底部装静环的幢孔面要保证高的平直度,因为在高压下,任何表面上的高出点会传给静环而引起泄漏;
(2)提高密封面内外径和宽度的加工精度,因为在高压时,,密封内外径和宽度的精度对比压的变化有明显的影响.密封端面研磨、.抛光后的粗糙度为Ra0.05~0.025(▽12~▽13),平直度必须限制在1个光带以内.此外,摩擦端面的垂直度和轴的精度也要相应提高.

注意在高压下因不同介质所导致的冲刷腐蚀和磨损,图10-12 (a), (b)表示不同摩擦副材料在不同的转速下介质为烃和水及水溶液时压力与密封尺寸的关系.

5采用流体动压式机械密封
流体动压式(也称流体动力式,热流体动压式)机械密封是考虑在高压和摩擦热的情况下,密封缝隙中的润滑膜稳定性而研制成的新型密封面结构,图10-13(a), (b)是热流体动几式机械密封槽的布置图,这种结构类似形式很多(见图4-8),它的热流体动力效应是在密封上形成,在密封环旋转的时候,槽能使液体强烈地冷却距它较远的密封表面。进行这种冷却时,在密封环的初始表面上形成与槽数相等的流体动力楔和高压区.由于切向流和压力降,在每一个槽后形成慧星状润滑楔(图10-14).因此,随着密面上载荷与滑动速度的增加,摩擦系数反而减小(图10-15).


二、布格曼公司HSHF型高压机械密封介绍
芳烃装置加料泵液力透平GAT-101A,功率968kW,转速6748r/ min,输送介质为烃类,使用温度43~39度,进口压力15.33MPa,出口压力1.9Mpa,机械密封是布格曼公司HSHF型高压密封,其定型产品为单端面、流体动压式带泵效螺旋的结构.原工作参数P = 5(14) MPa, t = 300'C , V < 50 m / s,因单端面密封结构不能满足使用要求,所以采用双端面结构,由一个动环对两个静环,结构比较紧凑,它是筒形结构,安装比较方便之(图10-16).
用于液力透平进口端密封是HSHF D3/95规格,泵效套(6A)是右螺旋,泵效外壳(16A)是左螺旋;用于出口端密封是HSHF D4/95规格,泵效套(6B)是左螺旋,泵效外壳(16B)是右螺旋.因此,这两套密封与旋转方向有关,进出口端不能装错,泵效套也不能互换。

高速机械密封
当线速度超过25~30m/s时,可视为高速,有的密封公司把滑动面速度高达33m/s,才作为高速机械密封.’我国ZBJ22-001-88规定密封端面平均线速度为25~100m/s时为高速机械密封,密封端面平均线速度大于100m/S时为超高速机械密封.
在高速时,由于离心力的影响,导致振动和不平衡度,高速如同高压一样,产生热变形、热应力裂纹及磨损物、沉淀物引起泄漏损失,而且这种损失将随滑动速度的增加而强烈地增加.
一、高速机械密封的要求
1.减少转动件的重量(质量),提高动力平衡度
高速时,离心力的影响使弹簧扭曲和偏离销孔中心,因此,弹簧必须是静止式。这样减少了转动件的重量及由此导致的不平衡度。
2.及时排除摩擦热
加大冷却介质的流量,高速泵为10~20L/min,有的高速密封的冲洗量达50~100 L/min。
用油作阻封液时,为了使气体的溶解度和结焦尽量小,应选用粘度低的油。如摩擦副处于高温条件下工作时,要尽一切可能使密封液在蒸发时不留残渣,所以使用聚乙二醇这类合成介质作阻封液,
3.及时检查滑动端面磨损量
当端面磨损量达到0.005mm时,就要对端面进行研磨,并重新检查端面粗糙度和平直度。
二、9AB型高速泵机械密封。
用于压缩机的高速机械密封的直径较大,而用于高速泵的机械密封尺寸一般都在2in左右.高速泵用的机械密封以美国约翰克兰公司(John Crane Packing Company)的9AB型密封最为典型[图10-17(a), (b)],这种密封常用在美国Sundstrand公司高速泵的齿轮箱和泵体的密封上.
为了节省空间并获得较高的重量与功率比,无论泵的结构和机械密封结构都很紧凑,一般石油化工公司都引进这种高速泵‘,目前扬子石油化工公司有关装置使用51台(见表3-41),中国石油化工总公司系统使用近200台。 图中60C用于齿轮箱密封,60A或60A+60B用于泵叶轮端密封.

低温机械密封
一般低温机械密封是指工作温度在0~-50℃的密封,API-610的低温含义指温度低于-29℃,国内通常以密封腔温度低于-20℃为低温.
实际上,低温范围较宽,可以划分为:
低温:-20~-50℃
中低温:-50~-100℃
极低温:-100~-196℃
超低温:<-196℃
泵送低温介质主要指液化气体和易挥发的液体,如液态氮、液态氧、甲烷、乙烷、乙烯等液化气。
关于氮、氧、空气等液化气体的物理性能如表10-3所示.
关于乙烯、丙烯、甲烷、乙烷、丙烷的物理性能如图10-18(a)、(b)、(c)、(d)所示·


一、低温机械密封的要求
1.材料要求
金属材料随着温度降低,其抗拉强度和硬度增加而韧性下降.
塑料和橡胶的低温性能比金属材料更为敏感.一般情况下,塑料和橡胶只能在-50℃以上的温度范围使用。对于低温泵,资料[13]介绍:丁睛橡胶的使用温度限为-60℃氯丁橡胶为-65℃,硅酮橡胶为-80℃,氟化橡胶为-45℃,聚四氟乙烯为-79℃,并认为使用以上这些材料作填料的机械密封以-70℃为使用极限。如果介质温度在-70℃以下,则使用波纹管型机械密封或者双端面机械密封.
资料[6]介绍聚四氟乙烯在氦的沸点(-268.9℃)还能保持一点柔软性,适宜做低温材料,但聚四氟乙烯的膨胀系数大,所以在-50~-100℃温度使用时,常采用四氟填充石墨或玻璃纤维,而不用纯四氟材料.此外,在低温时,V形圈装到轴套上后,动环往往不能浮动。因此,要注意V形圈的组装尺寸。
关于低温机械密封及低温泵材料如表10-4所示。低温时PTFE的机械性能如表10-5所示。


2.结构要求
在一般的0~-50℃低温下,常采用单端面机械密封,有非平衡或平衡型结构,但多数选用平衡型结构,这是因为密封端面的液休经摩擦后温度升高,液膜压力随之升高而将密封面推开,泄漏加剧。因此,低温时的端面比压要选高值。
在液温低于-70℃时,则采用波纹管密封或双端面密封.不过使用双端面密封时,要将轴封部分的温度设计为0℃,这时用作气体密封,密封圈可用普通O形或V形密封圈。
密封结构是与泵体结构相适应,常用的低温泵采用立式结构.
3.辅助装置
(1)要尽可能加大冲洗量,加强冷却措施,或提高密封腔内压力,来控制液温升高所引起的气化现象,要绝对避免从泵出口端装冲洗管线来冲洗密封端面,因为在低温下,这种冲洗管线内液体会气化.所以,一般采逆流冲洗方式.
(2)防止单端面密封在泵停转过程中大气中水分与密封接触使边缘结冰,可用甲醇等化冰剂加以溶解,阻封部分也可通人氮气干气加以保护.
总之,既要充分冷却又要采取保冷措施。
(3)在高于密封面的部位装设排气管线,这样,如果产生气体也可从排气管线逸出。
有关低温泵的辅助装置见第七章第一节低温泵辅助系统。
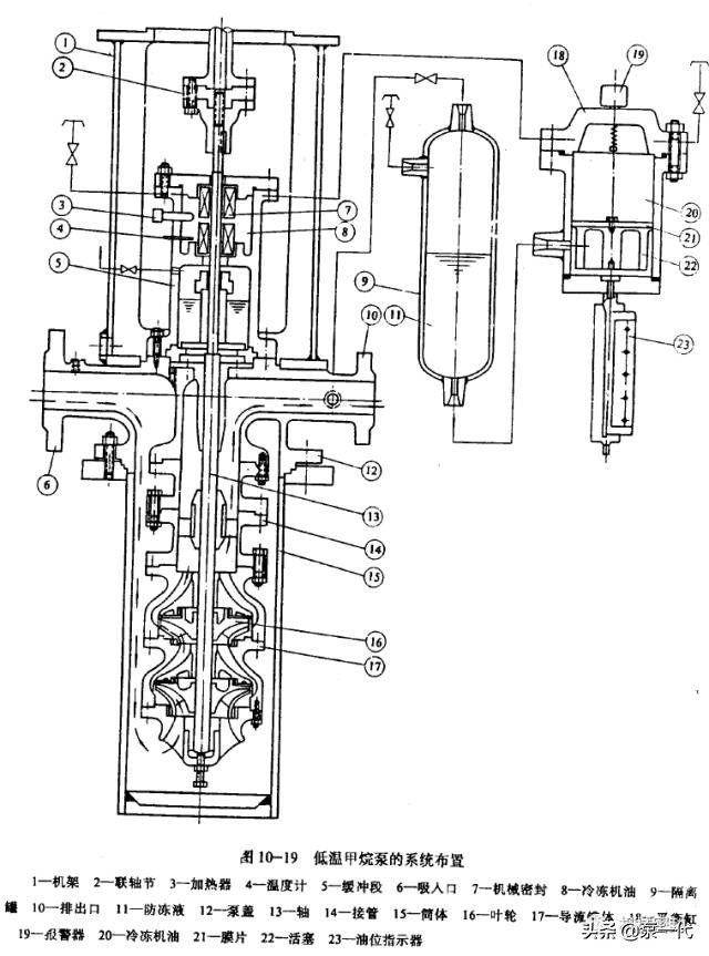
二、低温甲烷泵机械密封
低温泵通常是立式结构,密封腔设在泵的上部,密封结构为双端面平衡型机械密封。低温泵的结构及布置如图10-19所示。
1.低温泵的结构特点
(1)筒形结构,不必担心低温时发生变形.
(2)第一级叶轮位于底部,通过增减柱形筒体的长度(图10-19中的叶轮只列出二级,实际有十多级),.来适应叶轮级数的变化。
(3)液体从上向下进人叶轮,由吸人端排气从而起到有效的气体分离器作用。
(4)立式结构排气顺畅,气体不会在泵的中部滞留·
(5)无轴的弯曲问题,轴封可远离泵体,减少热的影响。电机安装架为遮风结构,所以电机的温升对泵几乎没有影响。
(6)泵壳埋于地下,易于保冷.
所以,石油液化气用的低温泵常用以上这种结构.
2.低温甲烷泵机械密封
甲烷液化气在-99℃时的蒸汽压接近3MPa.乙烯装置脱甲烷塔底泵在-53℃时出口压力近似3MPa,采用双端面串联式机械密封,它是比拉公司BB81-K7+BB81B-S7型,尺寸为45 x 39与50 x 45(图10-20)。


耐腐蚀机械密封
在腐蚀性介质中,机械密封的零件受到介质的强烈侵蚀,摩擦面同时受到.腐蚀和磨损,这种现象称为“磨蚀“,其腐蚀速度约为无摩擦时的10~50倍.某些结构材料具有优良的耐蚀性能,耐磨性能却较差;而另一些结构材料虽具有良好的耐磨性,耐蚀性却很差.因此,摩擦副应选择既要耐腐蚀又要耐磨,辅助密封圈、弹挤和结构件也要有良好的耐蚀性能.
在设计耐腐蚀机械密封时,一般采取以下一些措施:
1.结构上的隔离措施
采用外装式结构,经过适当的选择,外装式密封可以做到无金属件与工艺介质接触,小的零件如弹簧、销子可不受工艺介质腐蚀.外装式有普通型机械密封和波纹管型机械密封两种,’以波纹管型密封结构较好(图10-21).如密封件材质耐蚀能力许可,也可采用内装式结构.实际上,引进装置工艺泵的机械密封绝大部分为内装式密封.输送危险性大的介质,可选用双端面密封结构,并引人隔离液保护.此外,也可采用弹簧带有保护层的措施.例如,弹簧外加套塑料软管或喷涂一层防腐层,图10-22为弹簧加保护套的密封结构.
2.材质上选用耐腐蚀材科
优选耐蚀材质,这是最根本出路.石油化工引进装置所用.的机械密封大部分从材质上解决了耐蚀问题,·所以在国外大的密封公司的样本或手册中都备有不同介质所对应的密封型号选定表.
3.对泄漏的腐蚀性或有毒的介质进行收集、安全排放或处理后排放.例如,有的带回收液盘,有的装排放管线,图上标明排放至安全区域.
扬子石油化工公司引进装置应角的机械密封大部分为耐腐蚀的密封,典型的如英国克兰公司的59U、59B和10T型,日本比拉公司的BB8型和Eagle公司Y4D。型,西德布格曼公司TF型和Wernert公司橡胶波纹管(Concertina Walls)型密封.
国内用于耐腐蚀泵用机械密封有:151、152、153、154型.结构如图10-23、10-24、10-25、10-26所示.





含有磨料介质和高粘度介质的机械密封
密封介质一般总有杂质,所以要经过处理,就是经过处理的介质也会在工艺过程中产生结晶、凝固和反应物析出,有时密封介质本身就是各种悬浮浆液,这些介质中的颗粒对密封起着磨料作用.
高粘度介质常指粘度大于0.7 Pa·s(700c P)的介质.
一、含有磨料介质的机械密封
实际生产中经常遇到液一固两相或气一固两相介质的密封问题,而机械密封的大敌是含有固体颗粒的溶液.
磨料介质包含以下几种情况:
1.处理物料是浆液;
2.在机体和管线内有杂质混人;
3.由于温度变化有结晶析出或有凝固物产生;
4.在密封端面内有溶解物析出;
5.由于化学反应有固体物质产生;
6.由于电化学作用在密封端面内析出和附着金属物质.
普通单端面机械密封遇到磨料介质时产生下列故璋:
1.密封端面早期磨损;
2.动环因间隙阻塞和密封圈摩擦力增大而不能动作;
3.密封圈不能起缓冲作用;
4.弹簧被杂质阻塞不能动作;
5.轴不能旋转;
6.整个密封失效.
对含磨料介质的密封应采取以下措施: 1.加强冲洗冷却措施,防止杂质在密封腔内淤塞,如单端面密封应加注液润滑,双端面密封则加阻封液或阻封液和辅助注液合用;
2.摩擦副材料选用硬对硬配合,常用硬质合金对硬质合金(或陶瓷);
3.尽童采用大弹簧,减少颗粒阻塞机会;
4.如用波纹管密封代替普通机械密封,建议用橡胶波纹管和焊接金属经过喷涂或合成橡胶包夜的波纹管,因为一般金属波纹管对处理砂浆液能力差,不太适用.
5.采用杂质过滤辅助装置,象旋液分离器分离杂质效果较好,结构简单(见第七章第三节杂质过滤装置).
二、离粘度介质的机械密封
通常液体的比重在0.65以上就具有润滑性质,足够对大多数密封混合.液体的比重低于0.65则要求平衡型密封.
粘度如同比重一样,是表示液体的润滑性质,液体具有较高枯度常常具有较好的润滑特性.液体粘度低于0.7Pa·S时用标准设计,不要进行什么修改.
对于粘度为0.7~1.6Pa·S的液体,要求密封有可靠的驱动设计一重载荷承压装置,这是为了补偿在粘稠环境下的在密封面上增加的剪切力.另外,还要加强周围环境控制,对密封面进行适当润滑.当摘送高粘度介质时,密封面之间无液膜存在,必须采用单端面密封带外冲洗,单端面密封带外润滑或双端面密封带外封液.
扬子石油化工公司各引进装置工艺介质在使用温度下的粘度都没有超过0.7 Pa·S,只有燃料油的粘度在0.1~0.4 Pa·s之间,其它介质的粘度很少超过0.1Pa·S.