移相全桥拓扑原理分析 (ahb拓扑工作原理)

三种基本的非隔离开关电源

最简单的拓扑学原理,电源拓扑结构及工作原理

三种基本的隔离开关电源

最简单的拓扑学原理,电源拓扑结构及工作原理

反激变换器(Flyback)工作原理 (电流连续模式)

最简单的拓扑学原理,电源拓扑结构及工作原理

最简单的拓扑学原理,电源拓扑结构及工作原理

最简单的拓扑学原理,电源拓扑结构及工作原理

最简单的拓扑学原理,电源拓扑结构及工作原理

最简单的拓扑学原理,电源拓扑结构及工作原理

最简单的拓扑学原理,电源拓扑结构及工作原理

反激变换器(Flyback)优缺点

最简单的拓扑学原理,电源拓扑结构及工作原理

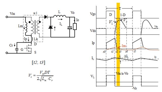
谐振复位正激变换器

最简单的拓扑学原理,电源拓扑结构及工作原理

最简单的拓扑学原理,电源拓扑结构及工作原理

最简单的拓扑学原理,电源拓扑结构及工作原理

最简单的拓扑学原理,电源拓扑结构及工作原理

谐振复位正激变换器优缺点

最简单的拓扑学原理,电源拓扑结构及工作原理

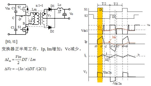
有源钳位正激变换器

最简单的拓扑学原理,电源拓扑结构及工作原理

最简单的拓扑学原理,电源拓扑结构及工作原理

最简单的拓扑学原理,电源拓扑结构及工作原理

最简单的拓扑学原理,电源拓扑结构及工作原理

最简单的拓扑学原理,电源拓扑结构及工作原理

最简单的拓扑学原理,电源拓扑结构及工作原理

最简单的拓扑学原理,电源拓扑结构及工作原理

最简单的拓扑学原理,电源拓扑结构及工作原理

最简单的拓扑学原理,电源拓扑结构及工作原理

有源钳位变换器优缺点

最简单的拓扑学原理,电源拓扑结构及工作原理

桥式变换器

最简单的拓扑学原理,电源拓扑结构及工作原理

最简单的拓扑学原理,电源拓扑结构及工作原理

最简单的拓扑学原理,电源拓扑结构及工作原理

最简单的拓扑学原理,电源拓扑结构及工作原理

最简单的拓扑学原理,电源拓扑结构及工作原理

最简单的拓扑学原理,电源拓扑结构及工作原理

最简单的拓扑学原理,电源拓扑结构及工作原理

桥式变换器优缺点

最简单的拓扑学原理,电源拓扑结构及工作原理

几种隔离式变换器之比较

最简单的拓扑学原理,电源拓扑结构及工作原理

AC/DC Application Block Diagram

最简单的拓扑学原理,电源拓扑结构及工作原理

- END -

电子工程师学电源必看

《精通开关电源设计(第2版)》

现在免费送~

最简单的拓扑学原理,电源拓扑结构及工作原理

观看“工业自动化和汽车电源”直播

即可参与直播间送书

京东“电子与通信销量榜 第 12 位”

定价:99元(共6本)

最简单的拓扑学原理,电源拓扑结构及工作原理

限时免费200人,已报名133名

(识别下方二维码即可观看&参加活动)

(点击阅读原文也可观看&参加活动)

本次直播精彩主题

1、汽车电子与领域新技术与新方案案例分享

2、霍尔效应位置编码器与电机驱动基本原理及典型案例分享

3、DCDC的EMI原理及对策

4、MPS的DCDC电源技术趋势及电源控制方法介绍

点击阅读原文,可直接报名看直播,参与送书!