世界五大学习方法之跨界学习法(思维网之正反馈)
思维网包括广义动量定理和系统思考两种方法,系统思考包括负反馈和正反馈两种模型,这两种模型广泛的存在于世界的方方面面。正反馈中包括输入、控制、输出、反馈等要素,输入和反馈是同号的,正反馈是趋于加强的系统。本节将讲解正反馈模型在《道德经》和《圣经》、生活(口口相传、淘宝网好评和平台理论)、控制理论(原*弹子**的链式反应和核反应堆原理)、生物学(病毒传染和排尿反射)、电工学(自激振荡电路)、军事学(集中兵力和军备竞赛)、管理学(比尔盖茨的正反馈理论、复利和巴菲特的滚雪球理论)、经济学(索罗斯的反身理论)和学习(学习的正反馈)中的应用(如图0所示)。

图0 系统思考之正反馈思维导图
(1)正反馈在《道德经》和《圣经》中的应用
《道德经》的损不足以奉有余,以及《圣经》中的马太效应都是描述富者愈富的现象,现在的积累优势使得下一次容易成功,下一次的成功又会返回来增加再下一次成功的可能。
《道德经》的损不足以奉有余
老子是中国古代著名的思想家和哲学家,也是道家学派的创始人。他说“天之道损有余而补不足”,本质是负反馈,而“损不足以奉有余”的本质则是正反馈(如图1所示)。

图1 老子的损不足以奉有余
老子在《道德经》第七十七章写道:“天之道,其犹张弓与!高者抑之,下者举之,有余者损之,不足者与之,天之道损有余而补不足。人道则不然,损不足以奉有余。”
老子的意思是说:自然的道,岂不就像拉弓一样吗?弦位高了,就把它压低,弦位低了,就把它升高;弦长了就把它缩短,弦短了就把它加成。但是社会的法则却不是这样,而是剥夺不足来供奉有余。
老子用张弓来类比自然的道,通过对实际情况的调整,使得弓箭被合适使用,也被称为“张弓效应”。网上有关于张弓效应的漫画,我稍微改了下,这样大家更容易形象的理解(如图2所示)。

图2 张弓效应漫画
人道则不然,损不足以奉有余。这句话讲的是社会法制是剥夺不足来供奉有余,也就是劫贫济富,这样就出现了穷者愈穷,富者愈富的现象,这种现象在经济学上被称为二八定律,20%的人占用80%的社会财富(如图3所示)。

图3 损不足以奉有余漫画
天之道损有余而补不足,这句话讲的是一个负反馈过程,老子举了张弓的例子,漫画比较形象的表现了老子的意思。比如对于“高者抑之”,在张弓射鸟的漫画中老者张弓瞄准飞鸟,箭的瞄准高度高于飞鸟,然后通过向下调整箭的高度来瞄准飞鸟。在这个“高者抑之”的过程中,目标是瞄准飞鸟,而实际结果是箭的方向高于飞鸟,老者观察到了这个情况,和瞄准飞鸟的目标做对比,发现了偏差,所以采用“高者抑之”的方法向下调整箭头高度,这样就能瞄准飞鸟,完成闭环控制(如图4所示)。

图4 张弓效应的方框图
损不足以奉有余,这句话讲的是一个正反馈过程。有两个人经过自己的奋斗,一个获得的结果多,也就是有余,一个获得的结果少,也就是不足。而社会的法则却是谁多就补谁,就是用结果少的那个结果多的那个,这样结果多的那个就会越来越多,形成正反馈(如图5所示)。

图5 损不足以奉有余方框图
《圣经》中的马太效应
《道德经》中的“损不足以奉有余”会使得有余的越来越有余,也就是富者愈富,这是一个正反馈现象,而《圣经》中的“因为凡有的,还要加给他,叫他有余;没有的,连他所有的也要夺过来。”被称为马太效应,也是富者愈富,也是正反馈现象。
马太效应是圣经里的一则寓言,用来阐述一旦获得一点优势,这个优势就会不断扩大,取得的成果也会越来越大,是一种正反馈现象。
马太效应(Matthew Effect)来自圣经《新约·马太福音》中的一则寓言:
天国又如同一个人要往外国去,就叫了仆人来,把他的家业交给他们。按着各人的才干,给他们银子。一个给了五千,一个给了二千,一个给了一千。就往外国去了。那领五千的,随即拿去做买卖,另外赚了五千。那领二千的,也照样另赚了二千。但那领一千的,去掘开地,把主人的银子埋藏了(如图6所示)。

图6 国王给三个奴仆本金
过了许久,那些仆人的主人来了,和他们算账。那领五千银子的,又带着那另外的五千来,说:“主阿,你交给我五千银子,请看,我又赚了五千。”主人说:“好,你这又良善又忠心的仆人。你在不多的事上有忠心,我把许多事派你管理。可以进来享用你主人的快乐。”那领二千的也来说:“主阿,你交给我二千银子,请看,我又赚了二千。”主人说:“好,你这又良善又忠心的仆人。你在不多的事上有忠心,我把许多事派你管理。可以进来享用你主人的快乐。”那领一千的,也来说:“主阿,我知道你是忍心的人,没有种的地方要收割,没有散的地方要聚敛。我就害怕,去把你的一千银子埋藏在地里。请看,你的原银在这里(如图7所示)。”

图7 三个奴仆赚到了不同的利润
主人回答说:“你这又恶又懒的仆人,你既知道我没有种的地方要收割,没有散的地方要聚敛。就当把我的银子放给兑换银钱的人,到我来的时候,可以连本带利收回。夺过他这一千来,给那有一万的(如图8所示)。”

图8 国王将赚到最少的全部给了赚到最多的
因为凡有的,还要加给他,叫他有余;没有的,连他所有的也要夺过来。
马太效应因取自圣经马太福音25章中耶稣的有关才干比喻的这一节著名经文而得名。1968年,美国科学史研究者罗伯特·莫顿归纳“马太效应”为:任何个体、群体或地区,一旦在某一个方面(如金钱、名誉、地位等)获得成功和进步,就会产生一种积累优势,就会有更多的机会取得更大的成功和进步(如图9所示)。

图9 马太效应的方框图
马太效应是一种正反馈现象,这一次的成功(输出)会增加此人的某种能力(输入),从而使下一次成功的可能性增大,而下一次的成功又会促进再下一次的成功,从而使此人的成功越来越大。
网上也有关于马太效应比较形象的漫画,漫画中两个人虽然站在同一起跑线,但是一个人是站在汽车上,另一个人用平板车拉着两个老人,明显的站在汽车上的人能赢得比赛的胜利,他的积累优势是已有的汽车,这使得他在比赛中更容易获胜(如图10所示)。

图10 马太效应的漫画
马太效应从经济学来说,它是二八定律,20%的人占用80%的财富,从数学角度来说,它符合幂率分布,从系统思考的角度来说,它的本质是正反馈。
(2)正反馈在生活中的应用
许多新产品都从“口口相传”开始其市场增长的历程。产品口口相传就能有滚雪球效应(大众汽车的甲壳虫车型和苹果公司的iPod都是如此),满意的顾客告诉别人去购买产品,更多满意的顾客又告诉更多的人(如图11所示)。

图11 正面的口口相传
正面的口口相传是一个正反馈的过程,我们可以分析一下对应的系统要素。其中商品的最初价值是系统的输入,卖家的销售对应于系统的控制,销售的数量是系统的输出,然后正面的口口相传是反馈回路增加商品的销售量,而这个正面的口口相传就是正反馈。在《第五项修炼》中,彼得·圣吉使用循环图来表现正面的口口相传,其中圆圈中图是向下滚动的雪球,用于表示输出在加强(如图12所示)。

图12 正面的口口相传循环图
我们可以将正面口口相传的系统要素套用到正反馈框图中,就可以得到正面口口相传的方框图(如图13所示)。

图13 正面口口相传的方框图1
由于商品的价格也会影响销售数量,并且和销售量负相关,即价格越高,销售量越低,那么就可以将价格也添加到正面口口相传的方框图中(如图14所示)。

图14 正面口口相传的方框图2
淘宝网好评
在淘宝网买东西,很多人都会碰到给买的商品写好评,淘宝卖家给返现金。淘宝卖家为什么要好评返现呢?
我们可以使用口口相传的正反馈来分析。淘宝买家因为是在网络上进行购买,不能当场查看产品的质量如何,而别人的评价就成了影响他决策的重要因素,产品的好评越多,购买的倾向就越大,对应的销售量也就越大,而如果因此好评越来越多,那么反过来还会促进销量,这就形成了正反馈(如图15所示)。

图15 淘宝网好评返现
淘宝网虽然禁止好评返现,但是卖家总是通过各种方式来增加好评,除了好评返现,还有邀请朋友购买给好评,或者通过给QQ和微信群的群友福利等做假订单来刷好评。
差评的威力比较大,可能一个让人信服的差评胜过100个好评,差评则降低了消费者购买的欲望,所以很多卖家对于已给差评的客户使用各种手段,让其取消差评,好一点的有返现或给福利来让客户取消差评,差的就是天天电话骚扰等,逼迫客户取消差评。
大部分人购买商品都会优先选择销售量最大的商品,那么如何才能成为销售量最大的商品呢?
一般销售量最大的几个商品都会有一个通过低价和促销来冲量过程,因为价格是购买的阻力,减少价格可以增加购买量。在冲量时,价格甚至可能低于成本价,并且需要配套的好评反馈,这样就会形成正反馈,然后将销售量不断放大,成为排名前几的商品,且好评度高,然后在恢复原价。这样别人在购买此种商品时,它被选中的可能就大大增加了,从而盈利。
从淘宝平台运营的角度看待商品的正面的口口相传来说,它可以增加消费者选择淘宝平台而不是其他平台的可能。但对于好评返现而获得的好评来说,这又会出现劣币驱逐良币良币的效应,质量稍差且成本较低的产品有着更多的利润和动机来刷好评,这样就使得好的产品被逐渐驱逐了,这降低了大家对淘宝本身的评分。这是淘宝平台运营需要考虑的事情,应该以哪种严格的程度来执行禁止好评返现。
平台理论
淘宝网本身也是利用正反馈理论打败其他对手的,淘宝网的这种理论被称为平台理论。淘宝网本身的价值会吸引一些卖家在这个平台上卖商品,然后也会吸引一些买家在上边买商品,卖家越多,提供的商品数量和种类就越多,吸引的买家也就越多,这样就形成了卖家数量和买家数量相互促进的正反馈,从而不断壮大,打败其他竞争对手(如图16所示)。

图16 淘宝网的正反馈方框图
淘宝网是如何打败强大的易趣的呢?易趣网当时收取商品交易费用等,而淘宝网宣布免费,这样加入淘宝网的成本就低于易趣,这样就吸引了较多的卖家和买家,然后更多的卖家和买家增加了平台的价值,进而吸引更多的卖家和买家,从而形成正反馈而打败易趣网,成为购物平台的领导者,然后就可以赚钱了。
免费还不是平台竞争激烈形式,更激烈的是直接补贴,比如美国贝宝和其他支付平台进行竞争时,只要注册贝宝账户就给你10美元,介绍一个人注册就再给你10美元。贝宝可能是平台烧钱大战的鼻祖,也是最先认识到梅特卡夫定律的一群人,即赢者通吃。贝宝的成功也使得贝宝成员日后更容易成功,有点像马太效应,这些成员在硅谷创立了一堆成功的公司,被称为贝宝黑帮,皮特•泰尔和埃隆•马斯克就是贝宝黑帮的成员(如图17所示)。

图17 梅特卡夫定律
国内的滴滴和快滴进行出行大战时,则是两边补贴,不仅补贴出租车,还补贴消费者。补贴就需要有大量的资金,所以都需要不断的融资才能进行烧钱大战(如图18所示)。

图18 滴滴和快的的烧钱大战
绝大多数平台战争的玩法都是类似的,建立一个平台之后,然后免费甚至补贴平台用户,然后形成初始的平台优势,通过这个优势不断的反馈加强,最终成为行业领导者,达到赢者通吃的局面,进而赚到巨额财富。在这种平台的战争中,平台本身的优劣是相对次要,而谁的正反馈更强,谁才更容易赢得胜利。比如赢得操作系统大战的是微软的PC-DOS,而不是苹果的系统,或者CP/M-86和UCSD Pascal P-System。
乔布斯则将平台理论发展出了另一种玩法,就是将一种产品做到极致,然后通过配套的软件等来完成正反馈模型。比如当时满地廉价的MP3*放播**器,苹果则推出了极致但价格高很多的Ipod,并且将歌曲整合到了itunes,这样使用Ipod的客户越多,在itunes中歌曲就越赚钱;而itunes中的歌曲越多,Ipod的价值就越大,这就形成了Ipod的正反馈。同理,Iphone卖得越多,给Iphone做配套APP的价值就越大,而APP越多,Iphone的价值就越大,这就形成了Iphone的正反馈(如图19所示)。

图19 乔布斯的平台理论
小米的模式和乔布斯的模式类似,小米最先将定制的MIUI手机系统不断迭代做到极致,然后这增加了小米手机的销售量,而小米手机的销售量越多,小米可以得到的反馈就越多,就越可以进化MIUI,然后进一步增加小米的销量。小米不断迭代MIUI使用的是精益创业的理论,核心包括最小化可行产品和快速迭代,精益创业的核心是最小成本快速试错,本质是负反馈。万物基于MIUI虽然是一句夸张的话,但是没有追求极致的MIUI,就不会有现在的小米。当然,小米同时还使用了微软或者淘宝使用的方法,低价吸引最初的消费者,产生最初始的竞争优势。
在可以预见的未来,烧钱大战的平台战争还会层出不穷的出现,如何更省钱更快速的建立正反馈,这是更核心的问题。
汽油危机、粮食抢购、银行挤兑、口罩抢购和手纸抢购等也都是正反馈。比如手纸短缺的消息传出去之后,到超市买手纸的人就增加了,人们看到超市的别人都在抢购手纸,也相信手纸会短缺,也开始囤积手纸,这就导致本来家里还有挺多手纸但是又囤积了很多,这样超市的手纸就被抢购完了,这又增加了手纸的短缺程度,手纸抢购的正反馈就开始了(如图20所示)。

图20 卫生纸抢购
绝大部分趋于加强的系统都是正反馈系统。正反馈本身并没有好坏之分,它只是一种模式,但是正反馈产生的影响有好坏之分,我们要加强好的正反馈,削弱坏的正反馈。
(3)正反馈在控制理论中的应用
原*弹子**的链式反应
当一个中子引起铀核裂变时,同时放出2个~3个中子,如果这些中子再引起其他铀核裂变,就可使裂变反应不断地进行下去,这种反应叫作链式反应。这种链式反应可以使用系统思考的正反馈模型进行表述(如图21所示)。

图21 原*弹子**的正反馈效应
一个中子轰击了一个铀核,产生了Kr,Ba(也可能产生其他类似物质),2个中子以及201MeV的能量。

如果产生的中子继续轰击了2个铀核,就又产生了Kr,Ba,4个中子以及402MeV的能量,通过轰击铀核,中子不断产生,进而引起核裂变的链式反应,释放出巨大的能量。这就是原*弹子**爆炸的原理(如图22所示)。

图22 链式反应
铀核链式反应的必要条件是裂变产生的中子数大于入射中子数,这叫作中子数增殖。如果中子数太少,就不足以维持链式反应。通过增加中子数量可以加强链式反应(如图23所示)。

图23 原*弹子**爆炸
通过核裂变计算出反应前后的质量亏损Δm,就可以通过质能方程ΔE=Δmc2计算出核裂变释放的能量ΔE,1kg铀如果全部裂变,可以释放8.2×1013焦耳的能量,相当于2700吨优质煤的能量。
核反应堆原理
核裂变不仅能制造原*弹子**,也能用来发电而造福人类。由于链式反应中,中子数量决定了链式反应的速度,所以通过控制中子的数量就能控制链式的反应速度,核反应堆就是采用这个原理。核反应堆主要有4部分组成,包括铀棒、铬棒、减速剂和防护层(如图24所示)。

图24 核反应堆结构
第一部分是燃料棒,即铀棒,这是反应物。插入的铀棒越多,中子轰击到铀核的可能性越大,则反应越快。第二部分是控制棒,即铬棒,铬棒具有吸收中子的作用,插入的铬棒越多,吸收的中子就越多,链式反应就越慢。第三部分是减速剂,由于核裂变产生的中子速度快,能量大,铀核很难捕捉到这个快中子,需要使用减速剂来降低快中子的速度和能量,从而利于链式反应。减速剂可以是石墨、重水和轻水等。第四部分是水泥防护层,用来阻挡链式反应产生的各种射线,用来保护工作人员(如图25所示)。

图25 核电站原理
反应堆产生的热能可以加热水而产生蒸汽,蒸汽推动汽轮机进行发电,而从而达到利用核能发电的目的(如图26所示)。

图26 核电站反应正反馈
核反应堆和原*弹子**的反应原理是相同的,但是原*弹子**链式反应开始后便不能进行控制了,而核反应堆则增加了对链式反应的控制方法。在中子轰击铀核的过程中,可以轰击的铀核越多,链式反应越剧烈,核反应堆通过控制铀棒的插入量来控制参与反应的铀核数量。在轰击铀核释放中子后,中子越多,链式反应越剧烈,核反应堆通过控制铬棒的插入量来控制吸收中子的数量,进而控制链式反应的速度。
(4)正反馈在生物学中的应用
正反馈在生物学上也是一个常见的模式,病毒传播、排尿、排便、分娩、凝血和射精等都是正反馈。
病毒传播
病毒通过某种途径(比如动物)传播到人的身上,人感染病毒之后向外界传播病毒,传给了更多的人,更多人向外传播出更多的病毒,形成了正反馈效应(如图27所示)。

图27 病毒传播正反馈
2020年流行的新冠肺炎导致了全世界几百万人感染,几万人死亡。一个新冠肺炎的病人传播的病毒会把好几个人传染,然后被传染的人又会继续传播病毒,导致更多的人传染,这和原*弹子**的链式反应很像,病毒就像链式反应中的中子。
截至2020年4月24日,网易新闻报道,全球累计确诊2744503,累计死亡191191人(如图28所示)。

图28 世界新冠肺炎疫情地图
病毒传播的过程和原*弹子**的链式反应很像,病毒就像链式反应中的中子,而人就像铀核。我们知道正反馈是趋于加强的,既然链式反应都可以通过控制而产生核反应堆这种应用,那么病毒也可以通过类似的手段来寻找应对的方法。在病毒的正反馈框图中,系统的输入是病毒,控制是传染给人、输出是病人和病毒、正反馈是病毒。
我们可以将病毒正反馈拆分成4个部分,进行分而治之。
首先针对病毒的输入,我们要想办法减少病毒的输入,这样传染的人数就会减少。国家间采用分而治之的方式,每个国家控制病人的输入,这样就能减少输入性新冠肺炎。国家内部也采用分而治之的方式,每个省控制病人的输入;分而治之的方式一直可以分下去,每个市、每个区、每栋楼,分而治之有效降低了控制的难度。
针对传染给人,需要减少病毒传染给人,这要从病毒和人两方面进行控制,一方面是减少病毒的传染力,一方面是增加人的抵抗力,这就好像打仗,减少敌人实力和增加自己实力都利于获得胜利。减少病毒传染力包括但不限于戴口罩、消毒等。增加人的抵抗力包括研制疫苗、增加锻炼等。
在核反应堆的控制中,减少燃料棒的插入数量,可以减少被中子击中的概率,也就可以减少核反应的强度。对应于病毒传播传播路径上人的数量,也可以有效减少被病毒击中的概率。比如减少去医院、火车站、商场等人员聚焦的地方,那样就相当于减少了燃料棒的插入数量,也就减少了传染的人数(如图29所示)。

图29 减少病毒传播正反馈
针对系统的输出,要减少系统输出的病人数量和病毒数量。对病人进行及时治疗可以减少病人数量,对病人碰过的物品进行消毒处理,可以减少病毒的输出数量。
针对系统的反馈,这也是正反馈中最重要的,一旦反馈大幅减弱,正反馈的威力就会大大下降,减少病毒二次传染是最重要的。在核反应堆中,插入的控制棒越多,吸收的中子越多,核反应越弱。如果能发明吸收病毒的方法,那么病毒的传播就会得到有效的控制。比如发明某种设备可以吸收病毒,或者发现某种物品可以吸收病毒。
在核反应堆中,减速剂来降低快中子的速度和能量,从而利于链式反应。我们可以找一种类似的物品,减少病毒的传染力和成活时间,降低链式反应。
在核反应堆中,防护层是用来阻挡射线,保护工作人员。在病毒的治疗中,负压病房、防护服等也是用来保护医护人员的。
我们还可以针对病毒输入,增加一个抵消病毒输入的干扰,来减少病毒的影响。
系统也都会存在延迟,我们增加病毒传播过程中的每一个环节的延迟,也可以有效降低病毒的传播效率。比如疑似患者的14天隔离就是一种延迟。我们也可以在减少每一个病毒治疗过程中的延迟,比如快速检测病人、发现病人快速隔离、快速治疗,对于检测盒和疫苗,要使用精益创业中的方法,快速迭代试错,研制出检测速度更快更准确的检测盒,早日研制出疫苗。
排尿反射的分析
以排尿反射为例,当膀胱尿量充盈到一定程度时(400-500ml),内压骤增,膀胱壁的牵张感受器受到刺激而兴奋。冲动沿盆神经传入,到达骶髓初级排尿中枢;同时,冲动也到过脑干和大脑皮层的排尿反射高位中枢,并产生排尿欲。当大脑确定环境允许时,产生排尿命令,命令下传到骶髓初级排尿中枢,冲动沿盆神经传出,引起逼尿肌收缩、内括约肌松驰,于是尿液进入后尿道。这时尿液还可以刺激尿道壁感受器,冲动沿阴部神经再次传到脊髓排尿中枢,进一步加强其活动,于是尿注被强大的膀胱内压驱出。尿液对尿道的刺激可进一步反射性地加强排尿中枢活动,这是一种正反馈,它使排尿反射一再加强,直至尿液排完为止(如图30所示)。

图30 排尿反射原理图
尿液进入后尿道,刺激尿道壁感受器,信号反馈到骶髓初级排尿中枢进一步加强排尿活动,这是正反馈模型,可以使用方框图来绘制排尿反射的正反馈过程(如图31所示)。

图31 排尿反射正反馈方框图
小儿大脑发育未臻完善,对初级中枢的控制能力较弱,所以小儿排尿次数多,且易发生在夜间遗尿现象。
在排尿过程中,任何一个环节出现问题,都会导致排尿反射不能正常进行。比如传入神经断了,就不能向骶髓初级排尿中枢传输信号,膀胱再胀也感受不到,导致膀胱胀大也就导致了无张力膀胱。骶髓初级排尿中枢的传出神经断了,排尿的所需的逼尿肌和括约肌不受控制,导致有尿排不出,就是尿潴留。骶髓初级排尿中枢和大脑之间的信号传输出现问题,大脑便不能控制什么时候排尿,就会出现尿*禁失**。每个环节出问题都有对应的病症,清楚知道了排尿反射过程,医生才能根据病症对症下药进行治疗。
(5)正反馈在电工学中的应用
激荡电路广泛的应用于无线电通讯、广播电视、高频感应炉、超声波发生器、正弦波信号发生器、半导体接近开关。震荡电路是正反馈电路。
自激振荡指的是放大电路在无输入信号的情况下,就能输出一定频率和幅值的交流信号的现象。
当开关S在1时是无反馈放大电路,放大倍数为A,输出Uo=AUi。
当开关合在2时,变为有反馈电路,输出Uo=AUf。去掉Uf=Ui,那么去掉Ui仍有稳定的输出(如图32所示)。

图32 自激振荡正反馈方框图
由于
Uo=AUf
Uf=FUo
得到Uo=AUf =AFUo
自激振荡的条件是AF=1,即|AF|的幅值为1,相位条件是A和F的角度和为2nπ。
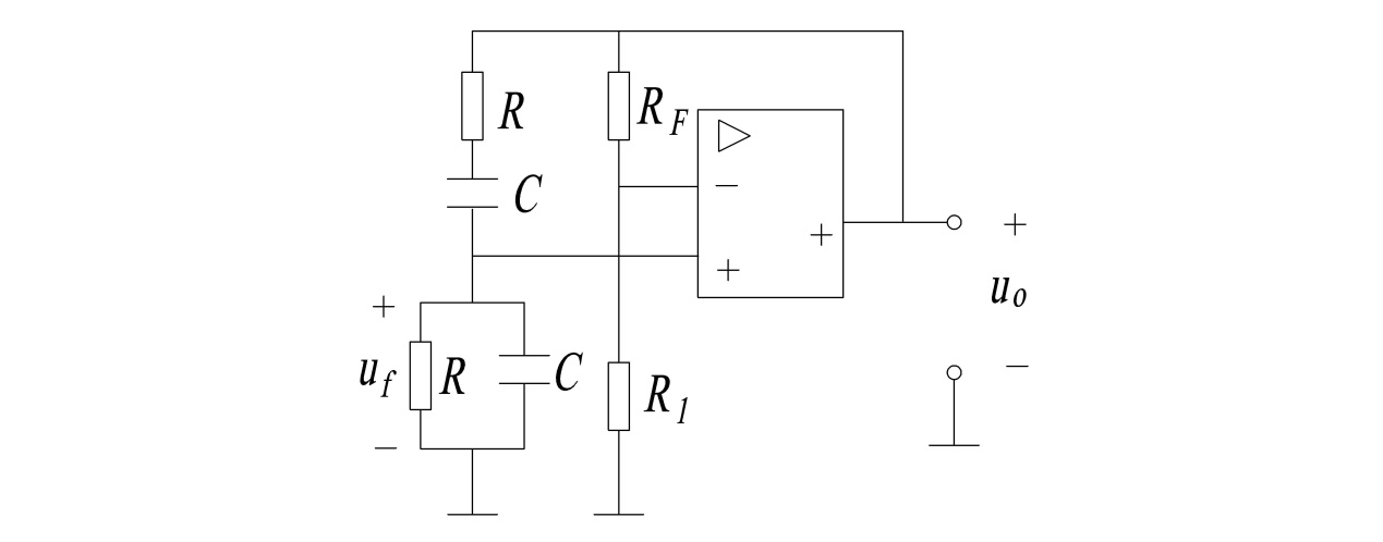
正弦波振荡电路用来产生一定频率和幅值的正弦交流信号。它的频率范围很广,可以从一赫以下到几百兆以上;输出功率可以从几毫瓦到几十千瓦;输出的交流电能是从电源的直流电能转换而来的。下图是常见的RC震荡电路(如图33所示)。

图33 RC震荡电路
输出电压uo经正反馈〈兼选频〉网络分压后,取uf为同相比例电路的输入信号ui。
下图为自激振荡的起振过程(如图34所示)。

图34 自激振荡的起振过程
下图为自激振荡的稳幅过程(如图35所示)。

图35 自激振荡的稳幅过程
常用的正弦波振荡器除了有RC震荡电路,还有LC震荡电路和石英晶体震荡电路。
(7)正反馈在军事学中的应用
正反馈在军事学上也有着很多应用,比如军事学的“集中兵力”和“军备竞赛”都是正反馈。
集中兵力
假如A队有9名士兵,B队有6名士兵,双方每人中3颗*弹子**便死亡,双方都是以尽可能多的消灭敌人为目的(如图36所示)。

图36 两队枪战前兵力对比
A队有50%的数量优势。人数可以是9个人对6个人,也可以是90人对60人,或者9000人对6000人。不管到底是多少,其中的原则是相同的。
第一次火拼后,战局发生了戏剧性的变化。A队打出9发*弹子**,打死3人;B队打出6发*弹子**,打死2人。A队由9:6的优势转变为7:3的优势。A队50%的兵力优势变为大于100%。随着战火的燃烧,这种致命的算术递增仍在继续(如图37所示)。

图37 枪战第一轮兵力对比
第二次交火后,A队打出7发*弹子**,打死2人,并且剩余人中有1人中1枪,B队打出3发*弹子**,打死1人。兵力对比会变为B队以6:1占绝对优势(如图38所示)。

图38 枪战第二轮兵力对比
第三次交战后,A队打出6发*弹子**,将B消灭,B队打出1发*弹子**,未打死1人。A队就被彻底歼灭了(如图39所示)。

图39 枪战第三轮兵力对比
再来看一下双方的伤亡情况。A队伤亡3人,B队伤亡6人,优势兵力(A队)的伤亡人数仅是劣势兵力(B队)的一半。
两队第一轮开始战斗前兵力对比优势是9:6,第一轮战斗后的对比优势变为7:3;第二轮战斗开始前的对比优势是7:3,第二轮战斗战斗后的对比优势变为6:1;第三轮战斗开始前对比优势是6:1,第三轮战斗后的对比优势变为6:0。每一轮战斗后的对比优势都会反过来加强下一轮的战斗,使得对比优势变大,形成正反馈。初始的优势是系统的输入,两队的战斗过程是系统的控制,两队剩余人数和兵力对比是战斗的输出,而兵力对比又会反馈到下一轮的战斗中,增加兵力对比优势。这也就是为什么军事学强调要集中兵力,就是要获得对比优势,然后以较小的伤亡获取更大的成果(如图40所示)。

图40 兵力优势正反馈方框图
在9人和6人的战斗中,第一轮A队用2人死亡换取了敌人3人的死亡,第二轮战斗中,A对用1人的死亡换取了敌人2人的死亡,自己付出的伤亡越来越小,获取敌人的伤亡越来越大。
集中兵力可以产生对比优势,对比优势会随着战斗的进行而增加,这样就可以以越来越小的伤亡换取敌人越来越大的死亡。集中兵力几乎是所有兵书的第一原则,兰切斯特第二法则在理论上验证了集中兵力的重要性。
军备竞赛
军备竞赛指的是和平时期敌对国家或潜在敌对国家互为假想敌、在军事装备方面展开的质量和数量上的竞赛。第一次世界大战之前的列强军备竞赛导致了一战,二战后美苏的军事竞赛导致苏联解体。一个国家由于某种原因(比如感觉受到威胁)增加了自己国家的军事实力,这使得对手感受到了威胁增加,也增加了自己的军事实力,而对手增加军事实力又使得这个国家感觉威胁增加,然后进一步增加自己的军事实力,从而形成了军备竞赛,也就是正反馈。商业上的恶性价格战和军备竞赛类似(如图41所示)。

图41 军备竞赛正反馈方框图
一般军备竞赛都是以战争或者经济崩溃而结束,还有一种方法可以结束军备竞赛,就是各国增加互信,均减少军备。
(8)正反馈在管理学中的应用
正反馈理论在管理学中也有着广泛的应用,趋于加强基本上都是正反馈,好的正反馈威力惊人,甚至使得比尔·盖茨长期蝉联世界首富。
比尔·盖茨的正反馈理论
比尔·盖茨在《未来之路》中介绍了他是如何通过正反馈理论打败所有竞争对手,使微软系统成为行业标准的。微软系统的低价策略使得比其他竞争对手卖出更多产品,而卖出的产品多,给他做兼容软件的厂家就多,从而增加了微软系统的影响,进而促进更多人购买微软系统,形成正反馈效应。
比尔•盖茨通过正反馈理论击败苹果操作系统和UNIX等众多实力强大的对手,使微软系统称为行业标准,自己也成为世界首富。
比尔·盖茨在他的书《未来之路》中写道:“事实标准常常通过经济机制在市场上发生演变,这种经济机制与推动商业成功的正向螺旋的概念十分相似,它使一个成功推动另一个成功,这一概念叫做正反馈,它说明事实标准之所以常常出现在人们寻求兼容性的时候的原因。
在一个发展的市场上,只要存在一种稍微优于竞争对手的做法,这时正反馈循环就开始了。这种情况最容易发生在下面这种高技术产品上,这种产品可以大量制造,而成本却很少增长,其一部分价值来源于他们的兼容性。家用录像游戏系统就是一个例证。这是一种有特殊目的的计算机,安装有一张供特殊目的用的操作系统,该操作系统形成了游戏软件平台。兼容性的重要性,还在于可利用的应用程序(例如这里的游戏程序)越多,则机器本身对用户来说就越有价值。同时,用户购买的机器越多,软件开发者就会为它开发越多的软件。一旦一台机器的推广到达了一个高水平,销售量就会不断上升。这时,正反馈循环就开始了。
计算机行业学到的最重要的教训之一是,计算及对其用户的价值大小取决于质量和可供计算机使用的各种应用软件。
但是最初的IBM个人计算机实际上可以选择装入3个操作系统——即我们的PC-DOS,CP/M-86和UCSD Pascal P-System。我们知道三个系统中只有一个能够成功,从而成为标准。我们需要向VHS录像带推入每一个录像带商店那样的同一类的力量,使MS-DOS也成为一个标准。我们看到有三种方法使MS-DOS名列前茅。
第一种就是要使MS-DOS成为最好的产品。第二种就是帮助别的公司编写以MS-DOS为基础的软件。第三种是要确保MS-DOS价格便宜。
我们和IBM做了一笔令人难以置信的交易——即只交低廉的一次性费用,就使该公司在所销售的许多计算机上使用微软公司的操作系统。这就使得IBM有了动力去推广MS-DOS,廉价地销售它们。我们的策略成功了。IBM以大约450美元的价格出售UCSD Pascal P-System,以175美元出售CP/M-86,而以60美元出售MS-DOS。
我们的目的不是要直接从IBM那里赚钱,而是要从出售MS-DOS特许权赚钱,有的计算机公司想要提供或多或少的与IBM个人计算机兼容的机器,我们就把MS-DOS的特许权出售给这些公司。IBM可以免费的使用我们的软件,但是它对未来的升级版软件并不能享有独占使用权和控制权。这使得微软公司做起了把软件平台的特许使用权出售给个人计算机工业的生意。结果IBM放弃了UCSD Pascal P-System 和CP/M-86的升级版本。
用户们充满信心的购买IBM个人计算机,在1982年,软件开发者们开始抛出在这一DOS下运行的应用程序。每一个新的应用程序都增加了IBM个人计算机作为潜在的工业界的事实标准的实力。
一个正反馈的循环开始趋动个人计算机市场。一旦开了头,成千上万的应用程序出现了。不计其数的公司开始制造内置卡或‘附件卡’,这些卡扩展了个人计算机的硬件能力,软件和硬件的珠联璧合所带来的好处使个人计算机的销售量远远超了IBM的预期销量——成百上千万地增加。正反馈循环为IBM循环出数十亿美元。有好几年,所有商用个人计算机中的半数以上是IBM的产品,其余的大多数产品也与它兼容。
在三年内,几乎所有的个人计算机竞争标准都消失了,唯一的例外是苹果公司的苹果二型(Apple II)和Mac机(Macintoch)。惠普,DEC,德州仪器和施乐公司,尽管在技术声望和用户方面都有很强的实力,但在80年代初期的个人计算机市场上均告败北。原因在于它们的机器缺乏兼容性,而且没有对IBM内部结构提供足够的重大改进。”
比尔·盖茨在《未来之路》中,详细的介绍了微软利用正反馈原理打败所有的其他操作系统而成为行业标准。
比尔·盖茨的正反馈思路是当微软的操作系统在市场上有较多一些份额,和其他操作系统相比,给微软系统编写软件意味着更多的受众,所以就有较多的软件开发者为微软的操作系统编写应用软件,这样微软的操作系统的价值就会提高,就会有更多的人购买微软的操作系统,然后又有更多的软件开发者为微软系统编写应用程序,增加微软系统的价值,从而又再促进销售。最后形成正反馈,打败所有其他对手,成为行业标准。
比尔·盖茨提出三种方法来增加微软操作系统的市场份额的方法:“第一种就是要使MS-DOS成为最好的产品。第二种就是帮助别的公司编写以MS-DOS为基础的软件。第三种是要确保MS-DOS价格便宜。”
“我们和IBM做了一笔令人难以置信的交易——即只交低廉的一次性费用,就使该公司在所销售的许多计算机上使用微软公司的操作系统。这就使得IBM有了动力去推广MS-DOS,廉价地销售它们。我们的策略成功了。IBM以大约450美元的价格出售UCSD Pascal P-System,以175美元出售CP/M-86,而以60美元出售MS-DOS。”
在物理学中,我们知道:“合外力决定成果”。商品给消费者带来的利益是消费者购买的动力B,价格是消费者购买的阻力C,二者的合外力B-C决定了销售量这个成果Q,合外力的转化率为K。Q=K(B-P)是《可以量化的经济学》中提出的需求定律公式。微软使用了4种方法来增加销售量Q(如图42所示)。

图42 微软成功的4种方法
“第一种就是要使MS-DOS成为最好的产品。第二种就是帮助别的公司编写以MS-DOS为基础的软件。”这两种方法增加了消费者购买MS-DOS系统的利益B,第一种是微软自身完善软件而增加的消费者利益,第二种是兼容软件增加的消费者利益B,通过Q=K(B-P)可知,增加B会而使销量Q增加。
“第三种是要确保MS-DOS价格便宜。”第三种方法降低价格,降低了消费者购买的成本P,通过Q=K(B-P)可知,降低P会而使销量Q增加。
通过与IBM这个巨头合作,获得了全世界的推广,增加盈余转化率K,通过Q=K(B-P)可知,增加K会而使销量Q增加。微软作为初创公司,负担不起全球推广这样巨大的营销费用。如果最开始微软没有和IBM进行合作,那么占据初始优势而最后形成正反馈效应的公司就不会是微软了。微软允许IBM以很低的费用使用微软的操作系统,从而使IBM有动力去推广微软的操作系统而不是其他家的。而由于IBM在个人商用电脑上的巨大成功,使微软的操作系统成为了行业标准。
微软通过将操作系统的特许权出售给其他IBM的兼容机厂商赚钱。
在这里作者以系统框图来分析微软的正反馈,并且介绍一条作者要在经济学中讲的重要原理:消费者盈余决定购买数量;而不是价格决定购买数量。
消费者盈余=消费者利益-价格。消费者利益指消费者购买某种产品或服务所获得的利益,也就是商品价值。消费者盈余与购买数量正相关,消费者盈余越多,购买数量越多(如图43所示)。

图43 比尔·盖茨的正反馈模型
第一种方法是微软通过自身完善产品来增加消费者可以获得的利益,从而增加消费者盈余。第二种方法是帮助兼容商编写以微软系统为基础的软件来增加消费者利益,从而增加消费者盈余。第三种是通过低价来增加消费者盈余。
而比尔•盖茨同时使用了三种方法,则消费者盈余会变的很大,购买量会增加很多,从而推动MS-DOS成为了行业标准。
在这三种方法中,微软允许IBM以很低的价格在其计算机上使用微软的操作系统,促使电脑界的巨人有动力去推广微软的操作系统,借着IBM的成功,而使自己的操作系统迅速成为行业标准,从而打败所有其他的操作系统。苹果系统,UNIX系统和其他操作系统的失败都是因为他们的兼容性不好,甚至于苹果公司自己的系统都不兼容,从而降低了消费者的利益。
复利
爱因斯坦说:“复利是人类的第八大奇迹。”
复利的本质是:做事情A,会导致结果B,而结果B又会加强A,不断循环往复的正反馈效应。
复利的计算是对本金及其产生的利息一并计算,也就是利上有利,也被称为利滚利。
复利的公式为:
F=P*(1+i)^n
其中F为本利和,P为期初金额,i为利率,n为计息期数。
比如利率为i,年初投入金额为P,那么一年后和本息和为P*(1+i)。第二年投入的金额就变成了P*(1+i),两年后的本息和就变为了P*(1+i)*(1+i)。
复利的本质是正反馈,可以使用系统思考进行分析,输入是期初金额P,控制是1+i,输出是本利和F,反馈的是本利和F,其中期初金额只输入1次,并且第一次无反馈(如图44所示)。

图44 复利正反馈方框图1
我们可以拆分这个复利的负反馈框图,第一次开关S和1相连通,输入为初始金额P,输出F=P*(1+i) (如图45所示)。

图45 复利正反馈方框图2
第二次和以后,开关S从1打到2,变为和2连通,输入和上一期的本利和,输出为上一期的本利和*(1+i),即复利公式F=P*(1+i)^n(如图46所示)。

图46 复利正反馈方框图3
复利的正反馈框图和自激振荡电路有点类似。
影响本利和F有3个要素,期初金额P,利率i和计息期数n。增加P、i和n就能增加最终的本息和F。
如果期初金额P为0,那么无论利率有多大,计息期数有多大,最终结果都是0,也就是说必须有期初金额,没有鸡怎么生蛋,穷人就是因为没有所以没有办法得到蛋。
巴菲特的滚雪球理论
巴菲特的滚雪球理论是一个正反馈效应,他将源源不断的资金流投入股票市场,而他所投资的股票的公司都是经过他严格筛选的,具有增长潜力的。这样投入的资金会有较大的增值,然后他再将增值的资金再次投入较高成长公司的股票,从而利用正反馈,赚到巨大财富。
巴菲特使用滚雪球理论,使自己成为最赚钱的投资大师。
巴菲特说:“人生如滚雪球,重要的是找到很湿的雪和很长的山坡。”
1994年10月10日巴菲特在内布拉斯加大学的演讲中说:“复利有点像从山上往下滚雪球。最开始时雪球很小,但是往下滚的时间足够长(从我买入第一只股票至今,我的山坡有53年这么长),而且雪球黏得适当紧,最后雪球会很大很大。”
湿雪,指的是在合适的环境中投入能不断滚动增长的资金。长坡,指的是能让资金有足够的时间滚大变强的企业。
其实巴菲特是用滚雪球比喻通过复利的长期作用实现巨大财富的积累,雪很湿,比喻年收益率很高,坡很长,比喻复利增值的时间很长(如图47所示)。

图47 巴菲特的滚雪球理论
巴菲特1963年写给合伙人的信中说:“我们的合伙基金存在的根本原因就是要以高于平均水平的收益率复利增长,而且长期资本损失的风险比主要投资公司更低。”
巴菲特是通过复利而赚到如此多的财富的。在2020年福布斯全球财富榜上,沃伦·巴菲特以894亿美元排名第4位。
巴菲特不是一次性投入一定数量的钱,然后通过复利而赚到如此财富的。巴菲特拥有一家全资的保险公司—伯克希尔哈撒韦。保险公司的性质决定了客户存入保险的金钱都是长期的,所以这家公司每年为巴菲特的投资提供巨大的长期资金流,从而使巴菲特有足够的资金投入到股票当中,进而赚到如此财富的(如图48所示)。

图48 巴菲特的滚雪球模型
巴菲特的滚雪球理论是一个正反馈效应,他将源源不断的资金流投入股票市场,而他所投资的股票的公司都是经过他严格筛选的,具有增长潜力的。这样投入的资金会有较大的增值,然后他再将增值的资金再次投入较高成长公司的股票,从而利用正反馈,赚到巨大财富。
在复利的公式F=P*(1+i)^n中,我们知道影响本利和F的有三个要素:期初金额P、利率i和计息期数n,这三个数越大,本利和F越大,那么如何使得这三个数字最大呢?
首先是期初金额,巴菲特本身并没有多少钱,他开始是通过帮助别人理财来获得期初金额,也就是借鸡下蛋,后期是通过伯克希尔哈撒韦这家公司的收入来获得源源不断的期初金额,本质也还是借鸡下蛋。
银行的钱更多,为什么巴菲特不收购一家银行而是选择了保险公司呢?这里边有3点很重要,第一点是保险公司的钱都是长期的,而银行的钱很多都是短期的,长期的钱才能匹配较长的计息期数n,也就是巴菲特可以运用这部分钱的时间很长;第二点是保险公司产生挤兑的风险很小,倒闭的风险很小,这就使得这些资金都是低风险的资金。第三点,即使是保险公司的理财产品的利率也要比银行低,也就是说即使你拿着保险公司的钱什么投资也不做,只是存在银行里也可以获得利差,也就是说使用保险公司的钱的成本更小。通过分析我们可以得到,保险公司可以为巴菲特提供长期的、低风险、低成本、巨额的资金流。
对于利率i,如何使得它最大化,这是巴菲特的核心能力,也就是他能找到高于平均收益率的投资项目。
巴菲特不是一次性投入期初金额,而是不断的投入期初金额,因为保险公司可以给他带来持续的资金流,换句话说,巴菲特不是在滚一个雪球,而是在滚很多雪球。
(9)正反馈在经济学中的应用
反身理论分析
索罗斯的反身理论是一个正反馈模型,索罗斯使用反身理论,*击狙**英格兰银行,引发亚洲金融危机,是世界上最有力量的投机大师。主流预期是投机者购买的合外力,合外力决定了金融产品的价格涨跌,而金融产品价格的涨跌又影响主流预期,二者相互加强,形成正反馈效应。
乔治·索罗斯的核心投资理论就是所谓“反身理论”。简单来说,反身理论是指投资者与市场之间的一个互动影响。索罗斯认为,金融市场与投资者的关系是:投资者根据掌握的资讯和对市场的了解,来预期市场走势并据此行动,而其行动事实上也反过来影响、改变了市场原来可能出现的走势,二者不断地相互影响。因此根本不可能有人掌握到完整资讯,再加上投资者同时会因个别问题影响到其认知,令其对市场产生“偏见”。
在现实中,股票价格上升,购买量也上升,需求定律无法解释,并且供需曲线也并没有如均衡价格曲线那样达到一个均衡点,而是处在非均衡的状态。金融家索罗斯通过反身定理和金融经历对经济学的均衡模型提出了挑战。
经济学上用羊群效应来解释股票市场的价增购买量增多,并且认为是不理性的行为(与人是自利的假设冲突),这是用现象解释现象,缺乏解释力。经济学家也试图通过将股票市场的价升需求量上升定义为不理性的行为来回避与需求定律价升需求量应下降的矛盾。羊群效应是指不去思考的从众效应,而金融投机者整天在做的事情就是思考投机哪只股票,以及何时投机。
索罗斯提出反身理论来解释这种非均衡现象,并对传统的均衡经济学理论提出质疑。
在控制理论上有2种基本模型,分别为负反馈模型和正反馈模型。马歇尔的均衡价格论是负反馈模型,负反馈是趋于稳定的;而索罗斯的反身理论是正反馈模型,正反馈是趋向于加强,非稳定状态的。负反馈与正反馈一同构成完整的经济学模型。
索罗斯是第一个提出完整顿论来挑战经济学的均衡,并通过股票和外汇等金融市场的实例来支持其理论的人。
所以为了理解的方便,此处将对索罗斯的理论进行简要的介绍,其内容来自于他的著作《金融炼金术》。
“参与者的偏向
参与者的思维和所参与的情境之间的联系可以分解成两个函数关系,我将参与者理解情境的努力称为认识的或被动的函数,把他们的思维对现实世界的影响称为参与的或主动的函数。在认识函数中,参与者的认识依赖于情境;在参与函数中,情境受参与者认知的影响。可见,这两个函数从相反的方向发挥其功能,在认识函数中自变量是情境,而在参与函数中自变量是参与者的思维。
两个函数同时发挥作用时,它们相互干扰。函数以自变量为前提产生确定的结果,但在这种情境下,一个函数的自变量是另一个函数的因变量。确定的结果不再出现,我们所看到的是一种相互作用,其中情境和参与者的观点两者均为因变量,以致一个初始变化会突然同时引起情境和参与者观点的进一步变化,我称这种相互作用为‘反身性’。运用简单的数学,反身性可以表述成一对递归函数:
y=F(x) 认识函数
x=Φ(y) 参与函数
所以
y=F[Φ(y)]
x=Φ[F(x)]
这就是我的方法的理论基础。两个递归函数不会产生均衡的结果,只有一个永无止期的变化过程。这个过程从根本上区别于自然科学研究的过程,在那里,一组事件跟随另一组事件,不受思维或认知的干扰(尽管在量子物理学中,观察引入了不确定性)。当一个情境包含思维参与者时,事件的因果联系不再是由一组事件直接导向下一组事件,相反,它以一种类似鞋袢的模式将事实联结于认知,认知复联结于事实,由此,反身性概念产生了一种历史的‘鞋袢’理论。
反身性理论对均衡概念的批判
将反身性的讨论引回到经济理论,我们发现,正是参与者的偏向导致了均衡点的不可企及。调整过程所追求的目标中混入了偏向,而偏向在这个过程中又是可变的,在这种情况下,事件进程的指向将不再是均衡,而是一个不断移动的目标。
为便于讨论,可以将事件分为两种类型:总是能够为参与者所正确预见并且不会在他们的认知中激起变化反应的日常习惯,以及独特的影响参与者偏向并导致进一步变化反应的历史事件。第一类事件适于进行均衡分析,第二类却不行,它只能作为历史过程的一部分加以理解。
在日常事件中,只有参与函数发生变化,认识函数是给定的。就独特的历史事件而言,两个函数同时发生变化,参与者的观点和与之相关的情境两者均无法保持相互独立的状态,而是在相互影响的同时不断进行变化,因此才形成了所谓历史性的发展。
均衡分析由于略去了认识函数而取消了历史性的变化(事件),经济理论采用的供求曲线仅仅是参与函数的曲线表达,认识函数为完备知识的假说所取代。如果考虑到认识函数的作用,市场上发生的事件就可以改变需求和供给曲线的形态,并且永远不会达到经济学者信誓旦旦的均衡。
删除认识函数所导致的影响究竟有多大?换句话说,因漠视参与者的偏向而导入的失真严重到什么程度?
在微观经济分析中,这种失真可以忽略,参与者的偏向容易得到说明。第一步,参与者的偏向可以视为给定的,这提供了一个静态均衡的图式。为使分析更富于动态性,参与者偏向的变化可以逐一地引入以作出修正,其表述则为消费习惯或生产方式的变化。在这种零打碎敲式的做法掩盖下的,则是供求曲线内部各种变化间的可能联系,不过,这种删除并未导致微观经济分析中试图确立的结论失去效力。
在金融市场中,这种失真变得严重起来了。参与者的偏向是确定价格的一个因素,市场行情的任何一个重要变化无不受到参与者偏向的影响。寻求均衡价格的行为必然是徒劳无益的,而关于均衡价格的理论本身却有可能成为参与者偏向的一个极其丰富的来源。转述J·P·摩根的话就是,金融市场将继续波动。在试图描述宏观经济运行时,均衡分析就完全不适用了,它主张参与者的决策以完备的知识为基础,再也找不出比它更远离现实的假设了。在现实生活中,人们只能在他们所能找到的随便什么路标的帮助下摸索着预测未来,而事件的结果常常和预期相左,从而导致不断变化的预期和不断变化的事件结果,这是一个反身性的过程。
股票市场中的反身性
我就用另外两个主张取代了‘市场永远正确’的迷信:
1)市场总是表现出某种偏向;
2)市场能够影响它预期的事件;
市场中存在着为数众多的参与者,他们的观点必定是各不相同的,其中许多偏向彼此抵消了,剩下的就是我所谓的‘主流偏向’。
在此我将引进第二个简化概念。假定存在着一个无论投资者是否意识到都将影响股票价格变化的‘基本趋势’,其对于股票价格的影响及程度,视市场参与者的观点而定,绝非一成不变。以这两个概念作为基础,就可以把股票价格的运动趋势拟想成‘基本趋势’和‘主流偏向’的合成。
这两个因素如何相互作用呢?请读者回忆一下前边提到的两种函数关系:参与函数和认识函数。基本趋势通过认识函数影响参与者的认知,认知所引起的变化又通过参与函数影响情境。在股票市场中,首当其冲受到影响的就是股票价格,股票价格的变化又反过来对参与者的偏向和基本趋势同时施加影响。
存在着一种反身性的关系,其中股票价格取决于两个因素——基本趋势和主流偏向——这两者又反过来受股票价格的影响。股票价格和这两个因素之间的相互作用不存在常数关系:在一个函数中的自变量到了另一个函数中就成为因变量。常数关系不存在,均衡的趋势也就无从谈起。市场事件的序列只能解释为历史性的变化过程,其中没有一个变量——股票价格、基本趋势、主流偏向——可以保持不变。在一个典型的市场事件序列中,三变量先是在一个方向上,接着又在另一个方向上彼此加强,繁荣与萧条的交替,就是一个最简单而又最熟悉的模式。
首先,定义几个概念。如果股票价格的变化加强了基本趋势,我们称这个趋势为自我加强的,当它们作用于相反的方向时,则称之为自我矫正的。同样的术语也适用于主流偏向,可能自我加强,也可能自我矫正。理解这些术语的意义是很重要的,当趋势得到加强时,它就会加速,当偏向得到加强时,预期和未来股票价格的实际变化之间的差异就会扩大;反之,当它自我矫正时,差异就缩小。至于股票价格的变化,我们将它们简单地描述为上升的和下降的,当主流偏向推动价格上涨时,我们称其为积极的;当它作用于相反的方向时,则称为消极的。上升的价格变化为积极的偏向所加强,而下降的价格变化为消极的偏向所加强,在一个繁荣/萧条的序列中,我们可以指望找到至少一个上升的价格变化为积极偏向所加强的阶段和一个下跌的价格变化为消极偏向所加强的阶段。同时一定还存在着某一点,在这一点上基本趋势和主流偏向联合起来,扭转了股票价格的变化方向。
现在已经可以建立一个初步的繁荣和萧条的交替模型了。首先假设存在着尚未意识到的基本趋势——尽管不能排除未折射在股票价格中的主流偏向存在的可能性,这意味着,主流偏向在开始时是消极的。起初是市场参与者意识到了基本趋势,认识上的变化将(通过投资决策)影响股票的市场价格,股票价格的变化可能影响也可能影响不了基本趋势,在后一种情况中,问题到此为止,无须进一步讨论在前一种情况里,我们进入了自我加强过程的起点。
加强的趋势可能在两个方向上左右主流偏向,它将导致进一步加速的预期或矫正的预期。如果是后者,经过股票价格变化的矫正,这个基本趋势可能继续也可能终止;如果是前者,则意味着一个积极的偏向发展起来,它将引起股票价格的进一步上涨和基本趋势的加速发展。只要偏向是自我加强的,预期甚至比股票价格还要升得快。基本趋势愈益受到股票价格的影响,与此同时,股票价格的上涨则愈益依赖主流偏向的支撑,从而导致基本趋势与主流偏向两者同时滑入极其脆弱的状态,最后,价格的变化无法维持主流偏向的预期,于是进入了矫正过程。失望的预期对股票价格有一种消极的影响,不稳定的股票价格的变化削弱了基本趋势。如果基本趋势过度依赖股票价格的变化,那么矫正就可能成为彻底的逆转,在这种情况下,股票价格下跌,基本趋势反转,预期则跌落得还要快一些,这样,自我加强的过程就朝相反的方向启动了,最终,衰落也会达到极限并使自己重新反转过来。典型的情况是,一个自我加强的过程在早期会进行适度的自我矫正,如果在矫正之后趋势仍然得以持续,这一偏向将有机会得到加强和巩固,且不易动摇。当这一过程继续下去时,矫正行为就会逐渐减少,而在趋势顶点逆转的危险则增大了。
我在上面勾划了一个典型的繁荣/萧条的序列过程,它可以用两条大致同向的曲线加以描述。一条代表股票价格,另一条代表每股收益,将收益曲线拟想成基本趋势的一个标度,这是很自然的,两条曲线之间的差距则是主流偏向的标示。具体的关系当然复杂得多。收益曲线不仅融合了基本趋势,也融合了股票价格对该趋势的影响。主流偏向仅仅部分地由两条曲线之间的差距得到表示,其他部分折射在曲线本身当中。由于其表征的现象只能部分地观察到,这些概念在操作上困难极大,这也是为什么选择了可观察的和可定量的变量的原因——虽然,后面将会谈到,每股收益的可定量性是颇具迷惑力的。为了眼下的目的,我们假设投资商感兴趣的“基本因素”就可以恰当地以每股收益来衡量。
这两条曲线的一个典型走向可能如下图所示(如图49所示)。起初,对基本趋势的认定将是在一定程度上滞后的,但该趋势已经足够强大,并且在每股收益中表现出来(A—B)。基本趋势被市场认可后,开始得到上升预期的加强(B—C),此时,市场仍然非常谨慎,趋势继续发展,时而减弱时而加强,这样的考验可能反复多次,在图中只标出了一次(C—D)。结果,信心开始膨胀,收益的短暂挫折不至于动摇市场参与者的信心(D—E)。预期过度膨胀,远离现实,市场无法继续维持这一趋势(E—F)。偏向被充分地认识到了,预期开始下降(F—G)。股票价格失去了最后的支持,暴跌开始了(G)。基本趋势反转过来,加强了下跌的力量。最后,过度的悲观得到矫正,市场得以稳定下来(H—I)。

图49 股票市场中的反身性
应该强调,这只是一条可能的路径、产生于一个基本趋势和一种主流偏向之间的相互作用。在现实中,基本趋势可能不止一个,偏向内部也会有各种微妙的差别,事件的序列过程也可能会有迥然不同的路径。关于模型的理论结构还可以说上几句。我们感兴趣的是参与者的偏向和事件实际过程之间的相互作用,然而参与者的偏向并没有直接出现在模型中,两条曲线都是实际事件过程的表现。主流偏向部分地融入了这两条曲线之中,部分由它们之间的差异体现出来了。
这个结构的主要价值是它采用了可定量化的变量。股票价格充当了同参与者的偏向有关的情境的方便代表。在其他历史过程中,同样存在着通过认识函数和参与函数与参与者的认知发生内在联系的情境,但辨别和定量化的研究则困难得多。度量上的方便,使股市成为研究反身性现象的一个非常有效的实验室。”
通过引用这么长的一段话,作者希望大家对反身理论有一个了解,基本趋势和主流偏向影响股票价格,而股票价格反过来也影响基本趋势和主流偏向。假设市场中的主流偏向认为某一股票的价格会上涨,投机者会进行购买,从而引起股票的进一步上涨,导致更多的投机者购买,价格继续上涨;当投机者认为股票不会继续上涨后,会停止购买,股票价格会不变或下降;当投机者认为股票会下降时,会出售股票,导致股票价格下降,股票价格下降,导致更多的投机者出售股票,导致股票价格的进一步下降。投机者购买股票的动机是希望在股票上涨趋势中低价购买,高价卖出,获得利益;在股票下降趋势中出售是希望在高价出售,减少损失。
反身理论描述的是一个典型的正反馈,股票价格的上升(下降)对未来股票价格的上升(下降)是一个促进作用(如图50所示)。

图50 索罗斯的股票反身理论模型
基本趋势和主流偏向影响投机者对股票的购买和出售。假设现在的主流趋势认为股票价格会上涨,他们会购入股票;由于他们购入股票,股票的价格上涨,从而加强了投机者认为股票会上涨的主流趋势,从而使投机者增加了对这只股票的购买(投机者希望在股票上涨的趋势前期低价购入股票,在股票价格下降前出售股票,赚取差额)。而进一步的股票购买会使股价进一步上升,从而又对投机者认为股票价格上涨的趋势是一个加强的作用。从而完成股票价格上升的正反馈过程。
由于股票的价格不可能无限上涨,股票价格和基本趋势会减弱投机者认为股票会上涨的主流趋势,最终导致主流趋势的逆转,主流趋势开始认为股票价格会下跌,开始出售股票,从而导致股票价格下降;股票价格下降会增强投机者认为股票价格下跌的趋势,从而出售更多的股票,导致股票的价格进一步的下跌。从而完成股票价格下跌的正反馈过程。
股票的价格会对投机者有2个反馈作用,其中一个是正反馈作用,增加投机者的投机趋势。一个是负反馈作用,减少这个趋势,符合需求定律的价格升高减少购买。
当股票价格上升时,价格的正反馈会使投机者认为股票价格会进一步上升,从而有增加购买的趋势。而当股票价格上升时,获得同样股票的代价上升,股票的相对价值下降,会对投机者的购买有减弱的趋势。投机者是在价值和投机上做权衡取舍,而大多数时候,投机行为所发挥的作用更大。
(10)正反馈在学习中的应用
为什么打游戏容易上瘾,而学习却不容易上瘾?就像最简单的单机版俄罗斯方块,很多人也会上瘾。游戏让人上瘾有很多原因,包括及时的反馈和适度的增加难度。
人们最开始有着某种动力想去打俄罗斯方块,然后投入精力和时间进行游戏,你打得好或者坏的成绩及时反馈给你,加上逐渐升级的难度,就会使得你容易上瘾,然后投入更多的精力和时间进行游戏,这就形成了打游戏上瘾的正反馈(如图51所示)。

图51 打游戏上瘾正反馈方框图1
难度太大或者太小的游戏会使得人们易于放弃。
游戏厂家为了使得你对他们的游戏更上瘾,不是简单的将成绩反馈给你,而是还会对你进行正向激励,比如奖励你装备等,它会使你产生更多的热情,然后投入更多的精力和时间进行游戏,形成了打游戏上瘾的正反馈(如图52所示)。

图52 打游戏上瘾正反馈方框图2
企业家史玉柱总结了游戏玩家的四大需求:光荣、目标、互动和惊喜。其中目标就是在游戏中设定要完成的目标,玩家完成后给奖励,也就是正向激励,惊喜指的是随机惊喜,也是种正向激励。
游戏上瘾的正反馈也可以用于学习之上,你由于某个初始的动力,投入精力和时间进行了学习,学习的成绩挺好,得到了老板的奖励,这使得你的热情增加,投入更多的精力和时间来学习(如图53所示)。

图53 学习成绩好正反馈方框图
某些学习好的人的正反馈是这样建立的,他的学习成绩挺好,其他不会的同学就向他请教问题,他在给别人讲问题的时候更深刻的理解了这个知识,如果他也不会,他会投入更多的精力和时间把这个知识学明白,然后获得更好的成绩,给别人讲知识是一种以教促学的方法,也就是费曼技巧。通过给别人讲解,不仅使得自己更深刻的理解了知识,还得到了同学尊重的正向激励,这使得他的热情更高,投入更多精力好时间进行学习,从而形成学习的正反馈。
无论是打游戏还是学习,都需要投入精力和时间,精力越旺盛,时间越长,获得的成果越好,这是力在时间上的积累效应,也就是动量定理。如果我们再使用广义动量定理进行分析的话,力不仅包括大小,还有方向和作用点,改变方向和作用点也能改变成果。所以无论是打游戏还是学习,除了精力的大小和时间外,改变方法和聚焦也能增加成果,这也就是学习方法的重要性。比如使用费曼技巧或者番茄工作法进行学习,可以提高学习的成果。
著名学者普林斯顿心理学博士亚当·阿尔特在《欲罢不能:刷屏时代如何摆脱行为上瘾》一书中列举了六项行为上瘾的构成要素,分别是:
1)诱人的目标;
2)不可抗拒的积极反馈;
3)毫不费力的进步;
4)逐渐升级的挑战;
5)未完成的紧张感;
6)令人痴迷的社会互动。
史玉柱在《史玉柱自述:我的营销心得》写道游戏策划八字方针:光荣、目标、互动、惊喜。
对比阿尔特的上瘾要素和史玉柱的八字方针,我们会发现两者有很多共同点,比如都包含目标,并且这个目标不能太难也不能太简单,完成目标要给以正向的反馈。《欲罢不能》中直接提出了积极反馈,而史玉柱的反馈是包含在目标里的。游戏中的光荣可以对应于学习好受到尊重,或者给别人讲解难题获得的自我满足。两者都包括互动,《欲罢不能》中说:“点赞是我们时代的*卡因可**”,facebook、推特、抖音、微博、朋友圈,几乎所有流行的社交软件都有点赞功能,这也是正向的反馈。
我们还可以通过一种更科学的方法来解释,它就是心理上的“操作性条件反射”。操作性条件反射由美国著名的心理学家斯金纳命名,是一种由刺激引起的行为改变。
我们来看看斯金纳的实验。斯金纳抓了一只老鼠放进箱子里,箱子里有一个杠杆,一压杠杆就有个开关打开,有食物倒入食槽,老鼠见到食物就吃掉。一开始老鼠四处乱转,转的过程中无意中碰到了杠杆,出来了食物,老鼠就吃掉了食物。老鼠又乱转碰到了杠杆吃到了食物,老鼠放学会了压杠杆来获得食物(如图54示)。

图54 斯纳金箱中的老鼠试验
老鼠碰到杠杆而获得食物的强化反馈,这使得老鼠学会压杠杆。同样的,学生的学习成绩好,得到了正向激励,这会使得学生更努力的去提高成绩。
强化有很多种方式,比如变比率式强化。它是不按套路出牌,强化的出现与反应次数的比例是变化的。例如,第一次小鼠按压二十次杠杆出现食物,第二次按压三十次杠杆出现食物,第三次按压十次出现食物……小老鼠按杠杆的学习行为没有变化,小老鼠仍然会不停按按钮,持续很久一段时间。这种强化有利于学习者的不断提升。老*机虎**就是变比率式强化,拉下手柄后每次获得的结果不同,有时会获得奖励,这和史玉柱所说的惊喜类似,都是不确定的强化。史玉柱说:“惊喜就是随机性。有随机性才是好游戏,比如麻将,比如德州,比如俄罗斯方块。但也要有努力,纯随机也不行,就如打牌,大家都发完牌后,大家都亮牌,谁点高谁赢钱,虽然随机但不好玩,因为它不需要努力。”史玉柱所说的努力类似于小老鼠按压杠杆,惊喜就是变比率式强化的食物。
斯金纳通过实验发现,动物的学习行为是随着一个起强化作用的刺激而发生的。斯金纳把动物的学习行为推而广之到人类的学习行为上,他认为虽然人类学习行为的性质比动物复杂得多,但也要通过操作性条件反射。操作性条件反射的特点是:强化刺激既不与反应同时发生,也不先于反应,而是随着反应发生。
我们可以通过使用八大思维图示法中的桥形图来类比学习和斯纳金箱中老鼠的关系。学校中的学生就像斯纳金箱中的老鼠,学习就如同于老鼠压杠杆,正向激励类似于食物,学生学会知识类似于老鼠学会压杠杆。在老鼠学会压杠杆的过程中,食物的正向强化非常重要;而在学生学会知识的过程中,正向的激励也非常重要,这些激励可能是老师的表扬、同学的尊重、奖学金等等。如果这个正向激励是自我产生的,而不是外部赋予的,那么学习的正反馈更容易持久(如图55所示)。

图55 学生学习和老鼠压杠杆的类比
有机体必须先作出所希望的反应,然后得到“报酬”,即强化刺激,使这种反应得到强化。学习的本质不是刺激的替代,而是反应的改变。斯金纳认为,人的一切行为几乎都是操作性强化的结果,人们有可能通过强化作用的影响去改变别人的反应。在教学方面教师充当学生行为的设计师和建筑师,把学习目标分解成很多小任务并且一个一个地予以强化,学生通过操作性条件反射逐步完成学习任务。斯金纳认为学习是形成刺激和反应之间的联结,人类绝大部分行为都属于操作*行为性**,学习的过程就是操作性条件反射的形成过程。
斯纳金的操作性条件反射也对程序教学起到了重要的影响,程序教学是指一种能让学生以自己的速度和水平,学习自我教学性材料的个别化教学方法。程序教学有四个原则,分别是:1)积极反应原则;2)小步子原则;3)即时反馈原则;4)自定步调原则。积极反应原则就是学生产生一个反应,要给予强化以巩固这个反应,并使学习者做出进一步反应,这也就是操作性条件反射。小步子原则就是拆分教材,一步一步完成,两步之间难度相差很小。即时反馈原则是要让学生立即知道自己的答案是否正确。自定步调原则是允许学生按照自己的情况来确定学习速度。
程序教学的四个原则中有些和上瘾的要素是类似的,比如积极反应原则和不可抗拒的积极反馈是类似的,小步子原则和毫不费力的进步以及逐渐升级的挑战是类似的。游戏的设计和程序教学的四个原则也是类似的,游戏中会有积极反应的原则,比如打死怪兽给奖励;也有小步子原则,即设计的升级过程是一步一步的,难度是逐渐加大的。即时反馈就是你打怪兽,你能看到它在掉血而不是经过很久才反馈怪兽的状态。自定步调是允许你按照你自己的情况进行游戏,而不是只能按照一种情况进行游戏。
通过分析我们会发现,建立学习的正反馈,必须有正向的激励,并且这个激励是随机激励最好。
正反馈广泛的存在于各个领域,学会了正反馈模型就可以触类旁通,减少学习的成本,并且也可以使用正反馈思维对系统进行分析和优化。