PC电脑电源简介
(标准 功率 电压 线路图)

PC电脑电源是电脑各部件供电的枢纽,是电脑的重要组成部分。把220V交流电(全球不同国家电压不同,做到80V-264Vac全球通用),转换成直流电,分别输送到各个部件供电。
PC电脑电源分类
1. PC/XT电源
IBM最先推出个人PC/XT主板时制定的标准。
2. AT电源
也是由IBM早期推出PC/AT主板时所提出的标准,当时能够提供192W的电力供应。
3. ATX 电源
ATX规范是Intel公司于1995年提出的一个工业标准,ATX是英文AT Extend的缩写,可以翻译为“AT扩展”标准,而ATX 电源就是根据这一规格设计的电源。目前市面上销售的家用电脑电源,一般都遵循ATX 规范。标准尺寸为150x140x86mm。
4. BTX 电源
BTX(Balanced Technology eXtended)电源是也就遵从BTX 标准设计的PC 电源。可以理解为是intel为了品牌机厂商生产便利的一个变通。BTX 电源兼容了ATX 技术,其工作原理与内部结构基本同ATX相同,输出标准与目前的ATX12V 2.0 规范一样,电源输出要求、接口等支持ATX12V、SFX12V、CFX12V和LFX12V。这种电源与以前的电源虽然在技术上没有变化,但为了适应尺寸的要求,采用了不规则的外型。目前定义了220W、240W、275W 三种规格,其中275W 的电源采用相互独立的双路+12V输出。BTX相对于ATX并不是一个革新性的电源标准。
5. EPS电源
EPS电源和紧急供电系统(UPS)是完全不同的概念。2002年开始随着数字化时代的发展,出现了为新生的工作组(WorkStation)和服务器机箱供电的SSI EPS标准。ATX电源的标准ATX2.03规定的主板电源是20pin,CPU电源为4pin。而EPS的特点是主板电源24pin,CPU电源8pin。所以现在经常看到的主板电源为20+4pin,CPU电源为4+4pin的ATX电源其实是ATX电源的扩展,正确名称应该为“ATX/EPS”。
家用台式机主板CPU电源经常会有8pin的接口,普通的ATX电源上的4pin就可以完全满足其用电量(剩下4pin)。ATX电源上会有8pin接口这样的出现是因为intel的至强系列CPU被要求必须有8pin的供电—现行普通CPU的耗电量已经达到了70W以上,这样服务器双CPU就会超过140W,用12V换算的话就是超过12A以上的电流,4pin的四根细线线很明显对主板供电会不稳定,而且这也会导致安全隐患。ATX的20pin也是一样的道理,考虑到向更远的未来发展,主板厂商在普通家用主板上首先推出了24pin主板,而后ATX的单CPU上也出现了8pin接口,完全兼容了EPS标准。而这样的主板使用标准ATX电源也是完全可以的,不过出于安全考虑,最好把所有的线都接上。
6.WTX电源
WTX电源(Workstations TX)就是工作站电源,介于服务器和家用台式机之间,也可以理解为ATX电源的加强版本。当时由于PentiumIII Xeon(Slot2)的出现而提出的标准。尺寸上比ATX电源大,供电能力也比比ATX电源强,常用于服务器和大型电脑。WTX电源属于IA服务器电源的架构之一。
7.SFX、CFX、LFX电源
SFX电源、CFX电源、LFX电源同WTX电源一样,都可以说是ATX的变种,都在尺寸、功率上都有各自的规范,都同BTX电源一样兼容现在ATX系列主板。这些电源都是为了适应现在小型机箱没有独立显卡,体积小的特点而规定的标准,以方便个人组装电脑时选购不同的机箱等配件。CFX12V 适用于系统总容量在10~15 升的机箱;而LFX12V 则适用于系统容量6~9 升的机箱,目前有180W 和200W 两种规格;SFX电源尺寸125x100x63.5mm。
电源连接线颜色与代表的电压
对于不同定位的电源,它的输出导线的数量有所不同,但都离不开这9种颜色:黄、红、橙、紫、蓝、白、灰、绿、黑。完整的PC电源中都具备这9种颜色的导线(目前主流电源都省去了白线,因为新的主板没有这组电压的需求)。
黄色:+12V(标准范围:+11.40~+12.60V) 供电主板、CPU、硬盘、光盘、软盘、散热风扇
蓝色:-12V(标准范围:-10.80~13.20V) 供电主板
红色:+5V(标准范围:+4.75~+5.25V) 供电主板、硬盘、光盘、软盘
白色:-5V(标准范围:-4.50~5.50V) 供电主板
橙色:+3.3V(标准范围:+3.14~+3.45V) 供电主板、内存
黑色:GND(接地线)
绿色:P-ON(电源开关端)
灰色:P.G信号线

主要接头20P 24P线序对应电压
PC电源电源的功率
个人电脑主配古董级:200W 230W 250W 300W 350W(超级老的主板 2005年前)
个人台式电脑主配: 400W 450W 500W 550W 600W 650W 700W
服务器台式电脑主配:750W 800W 900W 1000W 1100W 1200W 1300W 1500W 1600W 1800W
挖矿机电脑主配: 2000W 2400W 3000W 3500W 4000W
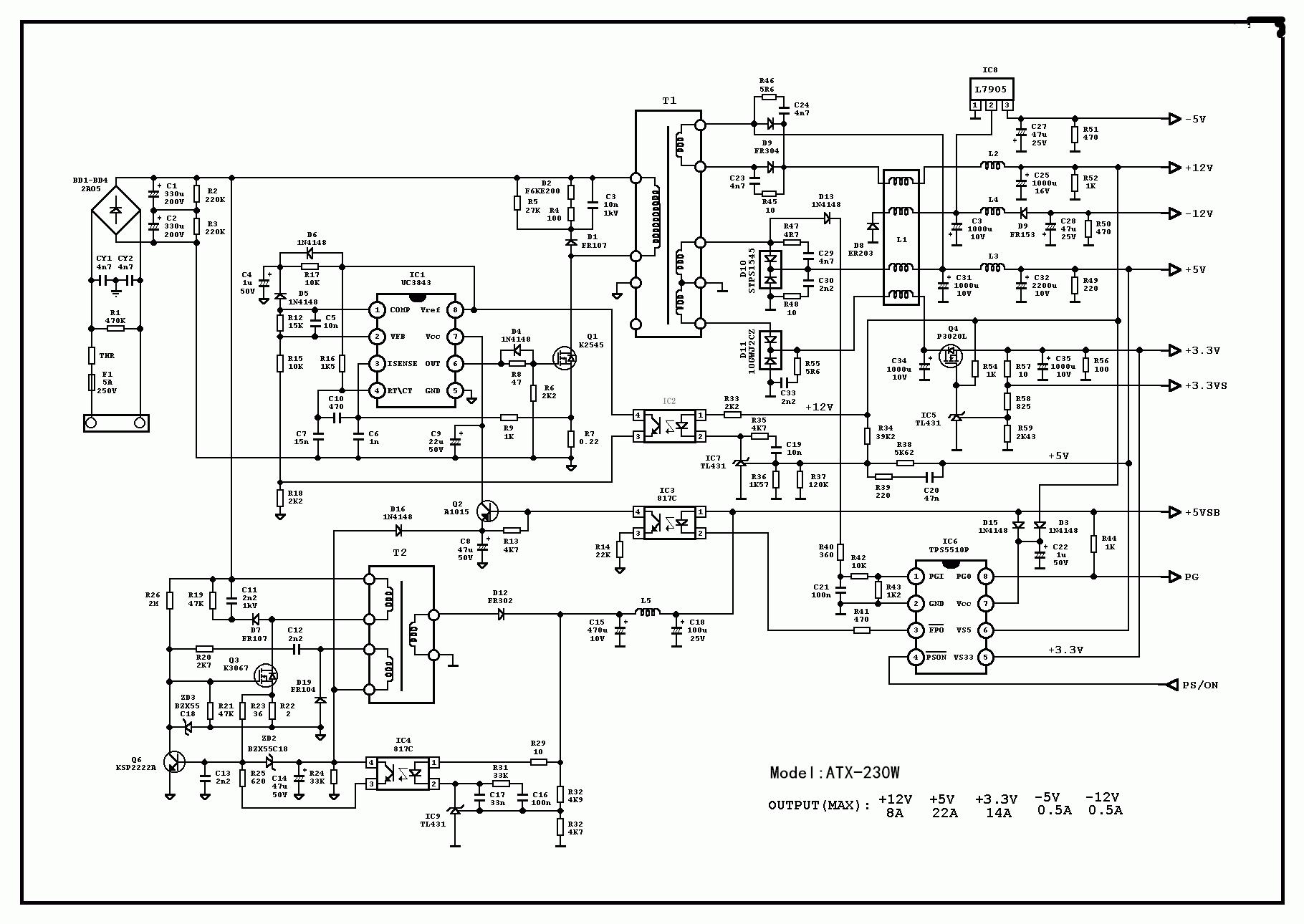
附件 电脑电源线路图
附图PC电脑电源ATX2.0标准 230W线路图,给电子科技产品、电脑电源爱好者学习参考。

PC电脑电源ATX2.0标准 230W线路图
