此次为大家带来的是关于一些PLC编程控制入门常用到的实例,以此为借鉴,让学PLC的进度条缩短,加大掌握程度。里面包含的知识点是较为齐全的,如:I/O分配表、PLC接线图、梯形图程序等。
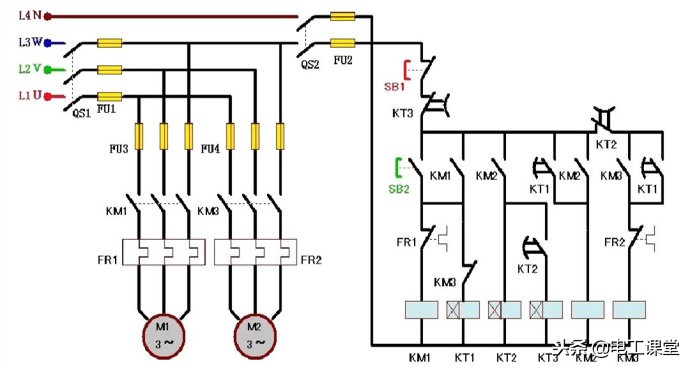
一、电动机顺序启动、顺序停止控制(I/O分配表、PLC接线图、梯形图程序)




二、 电动机的顺序启动、同时停止(I/O分配表、PLC接线图、梯形图程序)




三、电动机的顺序启动、逆序停止(I/O分配表、PLC接线图、梯形图程序)




四、电动机延时启动、停止控制(I/O分配表、PLC接线图、梯形图程序)




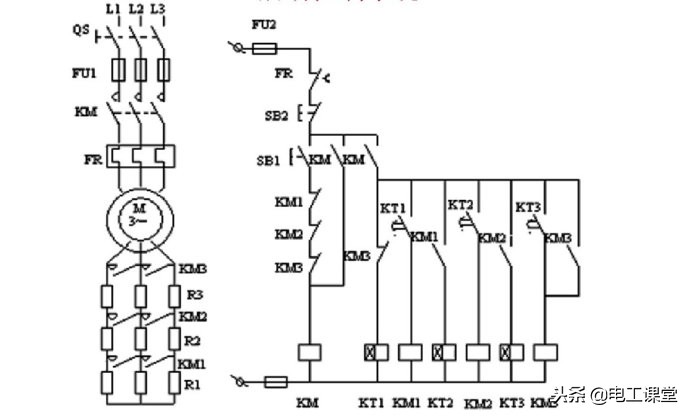
五、笼型感应电动机定子绕组从串电阻降压启动控制系统(I/O分配表、PLC接线图、梯形图程序)




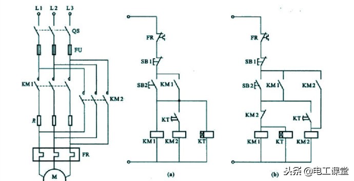
六、三相绕线感应电动机转子绕组串电阻降压启动控制系统(I/O分配表、PLC接线图、梯形图程序)




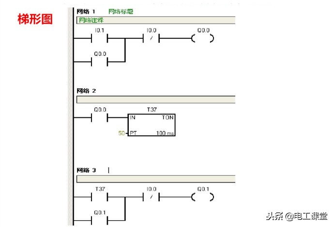
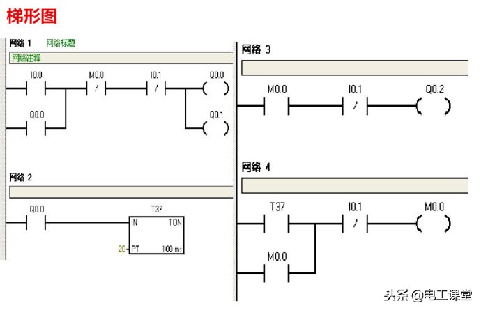
七、Y-降压启动控制系统(I/O分配表、PLC接线图、梯形图程序)
Y-降压启动控制(1)




Y-降压启动控制(2)




八、自耦变压器降压启动控制系统(I/O分配表、PLC接线图、梯形图程序)



