上周,福居库发布了关于农村化粪池做法的文章“ 农村自建房化粪池怎么设计?化粪池怎么做?做化粪池多少钱? ”,文中存在不合理及与国家设计规范不符的地方,为此小编特地查询了砖砌化粪池设计规范及标准图集并将相关图纸放置在下文,希望大家在设计及搭建化粪池时能有规范参考。
名词解释:
覆土,就是覆盖土下有建筑(建筑不显于地面),下文建筑既是化粪池。
一、1~5号砖砌化粪池结构尺寸一览表


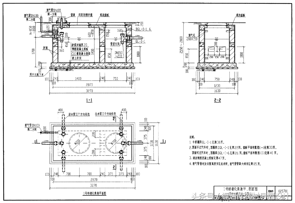
二、1号砖砌化粪池平、剖面图
1、无覆土

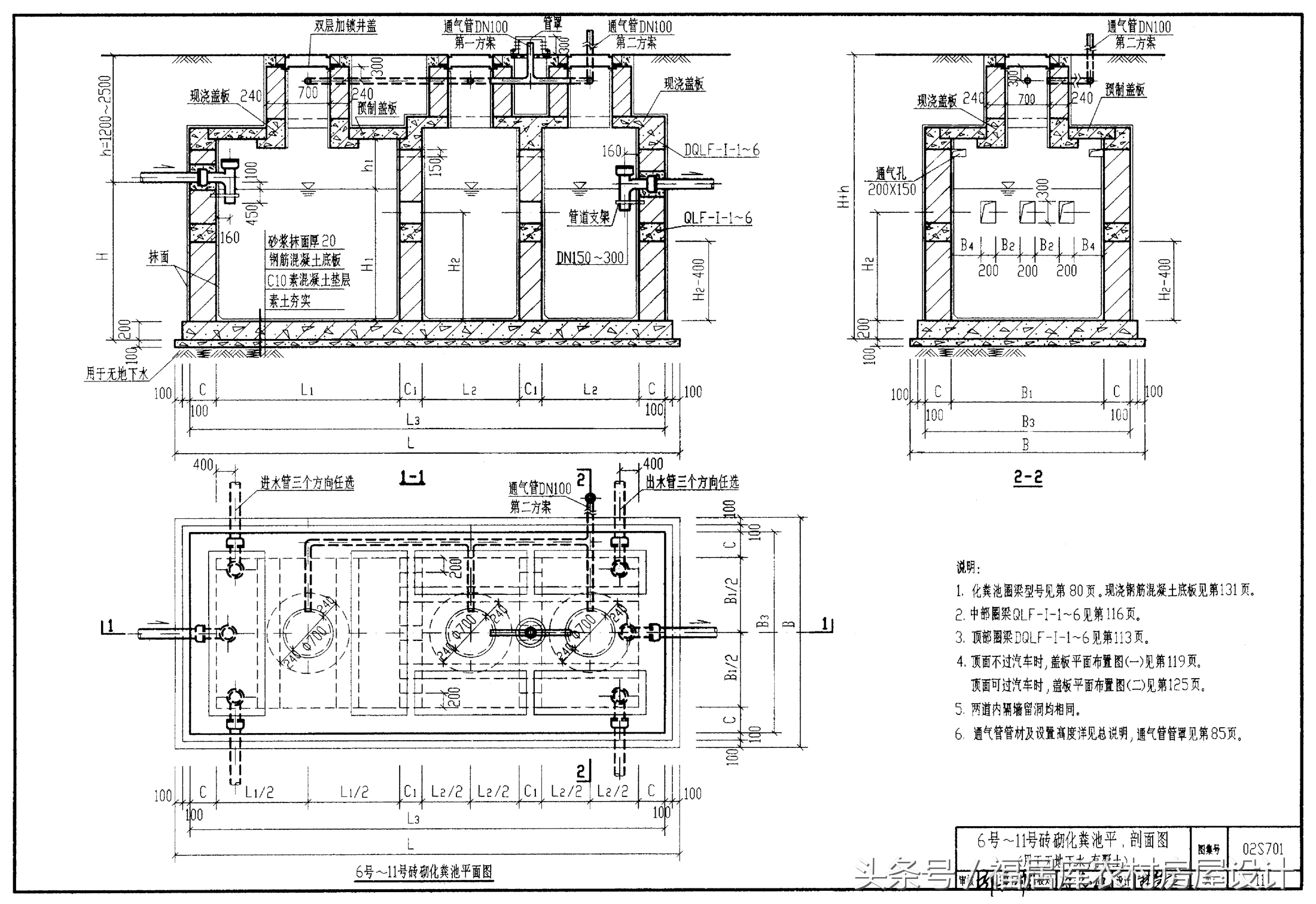
无地下水、无覆土

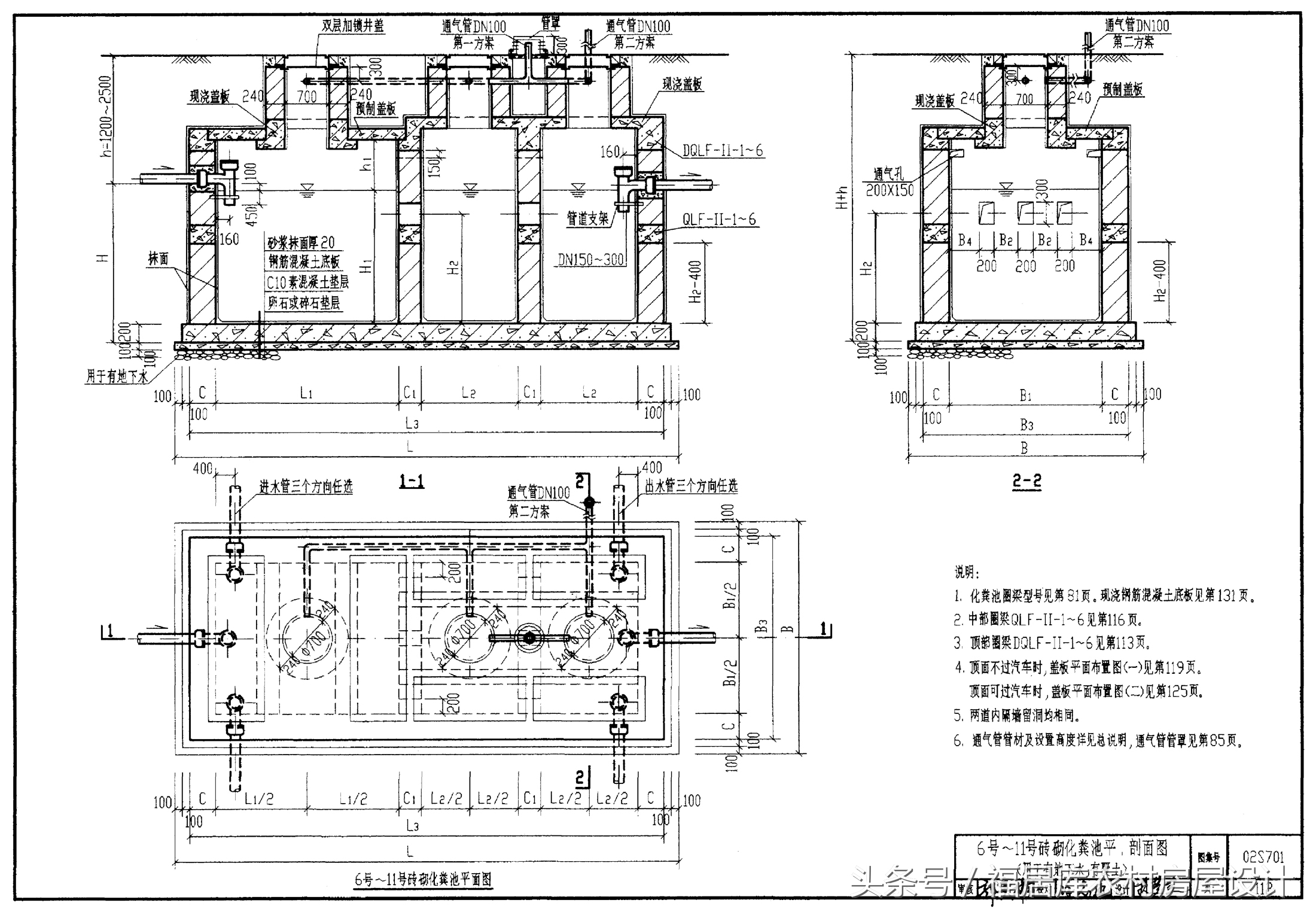
有地下水、无覆土
2、有覆土

无地下水、有覆土

有地下水、有覆土
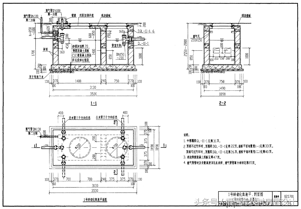
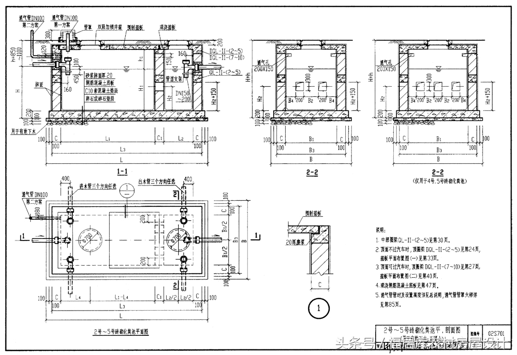
三、2~5号砖砌化粪池平、剖面图
1、无覆土

无地下水、无覆土

有地下水、无覆土
2、有覆土

无地下水、有覆土

有地下水、有覆土
四、6~11号砖砌化粪池结构尺寸一览表


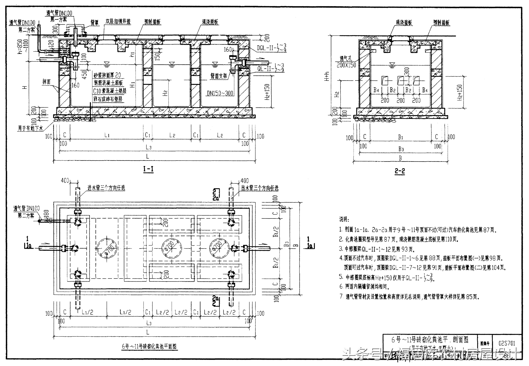
五、6~11号砖砌化粪池平、剖面图
1、无覆土

无地下水、无覆土

有地下水、无覆土
2、有覆土

无地下水、有覆土

有地下水、有覆土
六、9~11号砖砌化粪池1a-1a/2a-2a剖面图

无地下水、无覆土

有地下水、无覆土
七、12/13号砖砌化粪池平剖面图

无地下水、有覆土

有地下水、有覆土

用于无地下水及有地下水,有覆土
八、图集说明


二、粪便污水与生活废水合流排入化粪池设计总人数表



三、粪便污水单独排入化粪池设计总人数表

福居库提醒:
文中图片均被压缩,像素可能不够清晰。本文仅上传部分图纸,配筋图等图纸未上传。可先将图片另存然后使用看图工具放大查看。
福居库微信公众号:福居库(fujuku)。
文图图片来源于2002年02s701砖砌化粪池图集,如有侵权请联系我们予以处理,文中内容及图片仅供参考并以相关规范为准,实际操作时请咨询专业人士,经其验证后再行操作。
如果大家有不明白或文中有错误的地方,可以在下文评论留言,福居库会及时回答您的问题。
觉得有用,请收藏,没准什么时候就用到了!