1.识读有线电视系统工程图
有线电视系统工程图主要包括有线电视系统图和有线电视平面图两部分,二者用于描述有线电视系统的连接关系及系统施工方法。系统中部件的参数与安装位置在图中都已标注清楚。
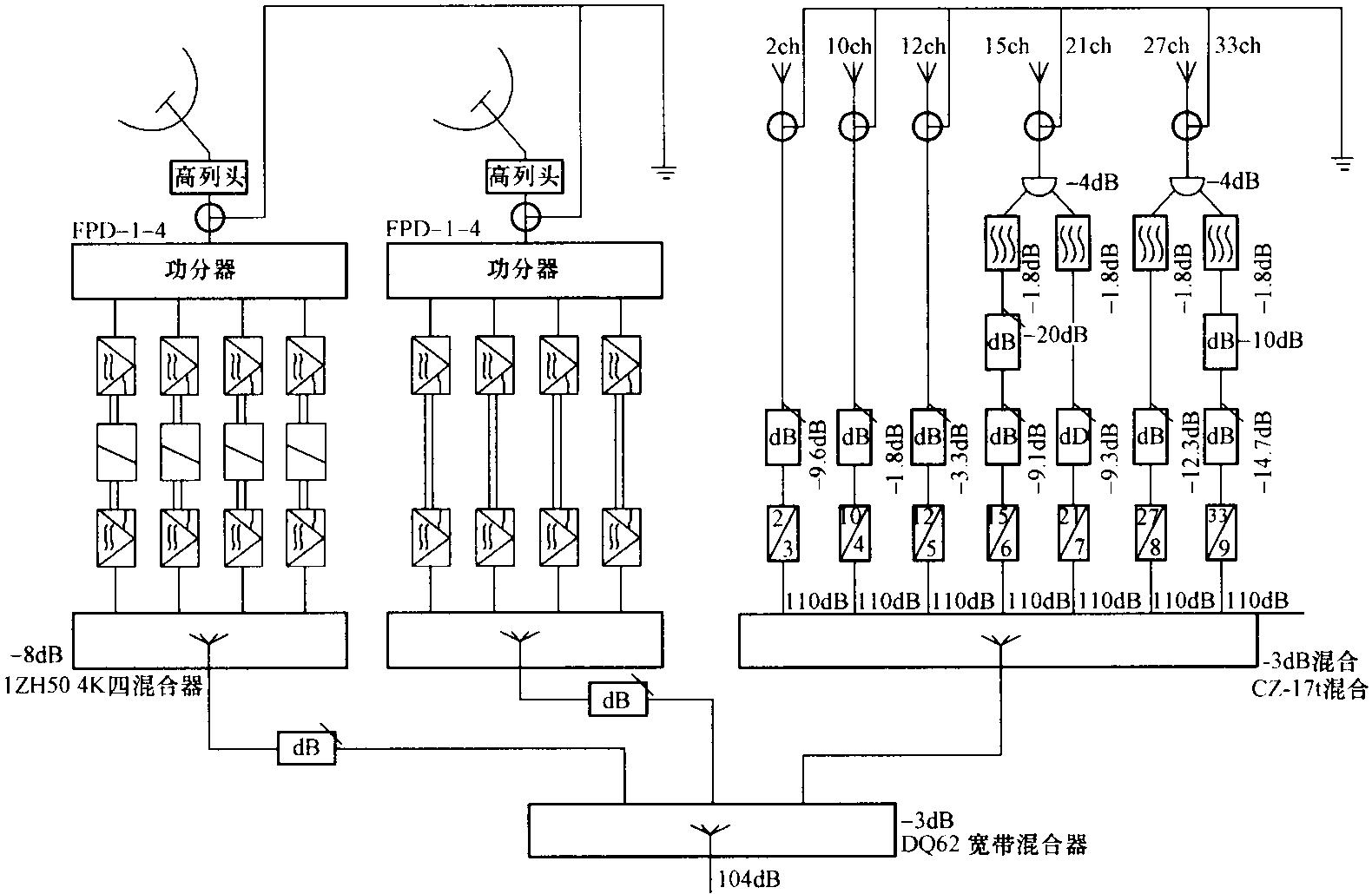
某小区1#住宅楼有线电视前端系统,如图7-1所示,该系统接收2频道、10频道、12频道、15频道、21频道、27频道及33频道共计7个频道(ch)的开路电视节目。其中,15频道与21频道共用一副天线、27频道和33频道共用一副天线,经分配器分路,并用滤波器分离出各自的信号。所有开路电视频道的电视信号都用频道变换器作了频道转换,以防接收图像上出现重影干扰。系统还接收东经105.5°及东经100.5°两颗卫星的电视节目,其中接收的105.5°卫星电视节目为NTSC制式,不同于我国标准彩色电视制式PAL,所以在卫星电视接收机后加入了电视制式转换器,以使有线电视系统中传送的电视信号统一为我国标准彩色电视制式。前端输出的电平为104dB。

图7-1 某小区1#住宅楼有线电视前端系统图
某小区1#住宅楼有线电视干线分配系统图。如图7-2所示,来自系统前端的信号被送至12层楼的分配箱的干线放大器,将信号放大25dB后,再由二分配器分配经SYWV-75-9型同轴电缆送至1号住宅楼及其他住宅楼。1号住宅楼的电视信号用三分配器分成三路分别向三个单元进行输送。单元每层楼的墙上暗装有器件箱,器件箱内有分支器等器件。为使各层楼的信号电平一致,所以四层楼分为一组,每层楼装有一个四分支器与一个二分支器。分支器主路输入端与主路输出端串联使用,由支路输出端经SYWV-75-5型同轴电缆将信号送到用户端。

图7-2 某小区1#住宅楼有线电视干线分配系统图
2、识读电话通信系统工程图
(1)住宅楼电话系统工程图 某住宅楼电话系统工程图如图7-3所示。
从图中可以看出,进户使用HYA-50(2×0.5)型电话电缆,采用50对线电缆,每根线芯的直径为0.5mm,穿直径50mm的焊接钢管埋地敷设。电话分线箱TP-1-1为一只50对线电话分线箱,型号STO-50。箱体外形尺寸为400mm×650mm×160mm,安装高度距地0.5m。进线电缆在箱内同本单元分户线和分户电缆及到下一单元的干线电缆连接。下一单元的干线电缆为HYV-30(2×0.5)型电话电缆,电缆为30对线,每根线的直径为0.5mm,穿直径40mm的焊接钢管埋地敷设。
1、2层用户线从电话分线箱TP-1-1引出,各用户线使用RVS型双绞线,每条的直径0.5mm,穿直径为15mm焊接钢管埋地、沿墙暗敷设(SC15-FC-WC)。从TP-1-1到3层电话分线箱用一根电缆,为10对线,型号为HYV-10(2×0.5),穿直径25mm的焊接钢管沿墙暗敷设。在3层与5层各设一只电话分线箱,型号为STO-10,箱体的外形尺寸为200mm×280mm×120mm,都为10对线电话分线箱,安装高度为0.5m。3~5层也使用一根电缆,电缆为10对线。3层和5层电话分线箱分别连接上下层四户的用户电话出线口,都使用RVS型双绞线,每条直径0.5mm。每户内有两个电话出线口。
电话电缆从室外埋地敷设引处,穿直径50mm的焊接钢管引入建筑物(SC50),钢管连接至1层PT-1-1箱。到另外两个单元分线箱的钢管,横向埋地敷设。
单元干线电缆TP从TP-1-1箱向左下到楼梯对面墙,干线电缆沿墙从1层向上到5层,3层与5层分别装有电话分线箱,从各层的电话分线箱引出本层及上一层的用户电话线。

图7-3 某住宅楼电话系统工程图
(2)综合楼电话系统工程图 某综合楼电话系统工程图如图7-4所示。
综合楼电话系统工程图中没有画出电缆的进线,首层的电话分线箱(型号为STO-30)F-1为30对线,箱体外形尺寸为400mm×650mm×160mm。首层有三个电话出线口,箱左边线管内穿一对电话线,箱右边线管内穿两对电话线,到第一个电话出线口分出一对线,再向右边线管内穿剩下的一对电话线。
2、3层分别为10对线电话分线箱(型号为STO-10)F-2、F-3,箱体的外形尺寸为200mm×280mm×120mm。每层有两个电话出线口。电话分线箱间使用10对线电话电缆,电缆线型号为HYV—10(2×0.5),穿直径25mm的焊接钢管埋地、沿墙暗敷设(SC25-FC,WC)。到电话出线口的电话线都为RVB型并行线[RVB-(2×0.5)-SC15-FC],穿直径15mm的焊接钢管进行埋地敷设。

图7-4 某综合楼电话系统工程图
3、 识读有线电视系统图。
图7-7为有线电视系统图,从图中可以看出:
(1)该建筑物的有线电视信号引自市有线电视区域网,是用HYWY-75-9型号的同轴电缆穿直径为32mm的钢管引来,先进入2层编号为ZS1接线箱中的二分配器(如果电视信号电平不足,可在二分配器前加线路放大器),再分配至ZS1接线箱中的四分配器和安装在5层编号为ZS2接线箱中的三分配器。
(2)ZS1接线箱中的四分配器又分成四路,编号为WV1、WV2、WV3、WV4,采用HYWY-75-7型号的同轴电缆穿直径为25mm的塑料管向2层~4层配线。
(3)ZS2接线箱中的三分配器也分成三路,编号为WV5、WV6、WV7,向5层~层配线。
(4)在WV3分配回路接有4个四分支器和两个二分支器,分支线采用HYWY-75-5型号的同轴电缆穿直径为16mm的塑料管沿墙或地面暗配,分别配至电视信号终端(电视插座)。

图7-7 有线电视系统图
4、 识读多层住宅电话配线图。
图7-8为多层住宅电话配线图,从图中可以看出:
(1)由图中的1单元可以看出,在各单元的各层均设置电话分线箱,室外电缆引入处设置一个100对电话分线箱,其他单元的一层设置一个30对电话分线箱,所有单元二层设置一个30对电话分线箱,三层、四层各设置一个20对电话分线箱,五层、六层各设置一个10对电话分线箱。从室外电缆引入处电话分线箱引至每个单元一层电话分线箱一根30对电话电缆,一层电话分线箱引至二层电话分线箱一根25对电话电缆,二层电话分线箱引至三层电话分线箱一根20对电话电缆,三层电话分线箱引至四层电话分线箱一根15对电话电缆,四层电话分线箱引至五层电话分线箱一根10对电话电缆,五层电话分线箱引至六层电话分线箱一根5对电话电缆,再经各层电话分接箱将电话线分配至各住户的电话插座上。
(2)由图中的2单元可以看出,在各单元的各层均设置电话分线箱,室外电缆引入处设置一个100对电话分线箱,在其他单元的一层设置一个30对电话分线箱,所有单元的五层各设置一个20对电话分线箱,其他各层各设置一个10对电话分线箱。从室外电缆引入处电话分线箱引至每个单元一层电话分线箱一根30对电话电缆,从各单元一层的电话分线箱引至五层的电话分线箱一根15对电话电缆,从各单元一层的电话分线箱和五层电话分线箱引至其他层的电话分线箱各一根5对电话电缆。再经过各电话分线箱将电话线分配至各住户的电话插座上。
(3)由图中的3单元可以看出,除室外电缆引入处设置一个100对电话分线箱以外,其他各单元各楼层均不设置电话分线箱。从室外电缆引入处电话分线箱将电话线直接引至各住户的电话插座上。
(4)由图中的4单元可以看出,在室外电缆引入处设置一个100对电话分线箱,其他单元的一层设置一个30对电话分线箱。从室外电缆引入处电话分线箱引至其他单元一层电话分线箱各一根30对电话电缆,经各单元一层电话分线箱将电话线分配至各住户的电话插座上。多层住宅楼电话配线系统的第四种方案如图所示中的4单元。

图7-8 多层住宅电话配线图
5、识读视频安防监控系统图
①、某宾馆的视频安防监控系统图。如图7-11所示为某宾馆安防监控电视(CCTV)系统图。共有20台CC-1320型1/2inCCD固体黑白摄像机,其最低工作照度为0.41x,水平清晰度400线,信噪比为50dB。电源由摄像机控制器CC-6754来提供,使用"CS"型接口镜头。
②、该工程CCTV系统的监控室与火灾自动报警控制中心及广播室共用一室,使用面积为30m2,地面采用活动架空木地板,架空高度0.25m,房间门宽为1m,高2.1m,室内温度要求控制在16~30℃,相对湿度要求控制在30%~75%。控制柜正面距墙净距大于1.2m,背面与侧面距墙净距大于0.8m。CCTV系统的供电电源要求安全可靠,电压偏移要小于±10%。

图7-11 某宾馆视频安防监控系统图
6、识读可视对讲防盗系统
是一种兼备图像、语言对讲和防盗功能的可视对讲防盗系统,目前在一些高级公寓(高层商住楼)或住宅小区已得到应用。可视对讲防盗系统原理图如图7-14所示。
该系统主要由主机(室外机)、录像机、分机(室内机)管理中心控制器、电控锁以及不间断电源装置组成。它能为来访客人与住户提供双向通话(可视电话),住户通过显示图像确认后,便可遥控入口大门的电控锁。同时还具有向治安值班室(管理中心)紧急报警的功能。如图7-15所示为该系统的安装接线图。

图7-14 可视对讲防盗系统原理图

图7-15 可视对讲防盗系统安装接线图
7、识读火灾自动报警系统平面图
如图7-21所示为某大厦二十二层火灾报警平面图,在消防电梯前室内装有区域火灾报警器(或层楼显示器),主要用于报警及显示着火区域,输入总线接到弱电竖井中的接线箱,再通过垂直桥架中的防火电缆接至消防中心。整个楼面装有27只地址编码底的感烟探测器,采用二总线制,用塑料护套屏蔽电缆RVVP-2×1.0穿电线管(TC20)的敷设,接线时应注意正负极性,走廊平顶设置了8个消防广播喇叭箱,主要用于通知、背景音乐及紧急时广播,用2×1.5mm2的塑料软线穿φ20的电线管于平顶中敷设。走廊内共设置了4个消火栓箱,箱内装有带指示灯的报警按钮,当发生火灾时,只需敲碎按钮箱玻璃便可报警。消火栓按钮线采用4×2.5mm2的塑料铜芯线穿φ25电线管,沿筒体垂直的敷设至消防中心或消防泵控制器。D为控制模块,D221为前室正压送风阀控制模块,D222为电梯厅排烟阀控制模块,从弱电竖井接线箱敷设φ20电线管至控制模块,穿BV-4×1.5导线。F为水流指示器,通过输入模块与二总线相连接。SA为消火栓按钮箱;B为消防扬声器;SB为指示灯的报警按钮,含有输入模块;Y为感烟探测器;ARL为楼层显示器(或区域报警器)。

图7-21 某大厦二十二层火灾报警平面图
传播房地产知识,展现建设者风采,更多内容敬请关注步行者6616!