本文从设备选型、控制原理、安装、参数设置几方面介绍了FS-ZDⅡ抗晃电再启动继电器的应用案例,为解决晃电导致的电动机跳闸停机提供参考。
许多企业对生产连续性要求很高,特别是石化行业,许多由交流电动机驱动的关键设备在工艺流程上是不允许跳闸停车的,这些关键电动机一旦跳闸停车,将会导致整个系统非计划停运,给企业带来很大的经济损失。然而,在实际运行中有很多不确定因素引起电网晃电,导致电动机控制元件接触器释放电机停机进而导致整个装置停车。
为了避免晃电导致的不必要的损失就需要对电机拖动系统容易受晃电影响的环节进行新技术应用和改造,增强整个电力系统抵抗晃电的能力。本文从晃电对接触器的影响入手,通过部分电机防晃电改造实例详细介绍了FS-ZDⅡ抗晃电再启动继电器在接触器防晃电方面的具体应用。
1 防晃电设备选型
交流接触器在低压电动机控制系统中应用非常广泛,占了相当大的比例。由于工作原理的特点,当电网出现晃电时会导致其合闸线圈短时断电或电压过低,导致线圈对铁芯的吸力小于释放弹簧的弹力而使接触器释放。要解决晃电对交流接触器的影响,需要采用一些具备防晃电功能的元器件对原有控制电路进行改造。市场上防晃电产品有很多,结构原理及技术特点各不相同,常见的有以下几种:
1.1 节能型交流接触器
节能型交流接触器特点是有比较低的保持电压,如CJ20J系列交流接触器标称的控制电源吸合电压范围为85%~110% Us、释放电压范围为20%~75% Us。
1.2 FS防晃电交流接触器
FS防晃电交流接触器接线图和外观见图1, 其操作接通、分断与常规接触器完全相同。电源正常状态下,控制模块处于储能状态。接触器的启动与停止与常规接触器一样,当有“晃电”发生使电压降到接触器的维持电压以下时,控制模块开始工作,以储能释放的形式保持接触器继续吸合,避免交流接触器跳闸。当电源电压恢复后,控制模块又转入储能状态 。
FS防晃电接触器和普通接触器接线有区别,如图1所示,在停止按钮SB1断开发出分闸指令的同时短接FS接触器的A1和A3端子释放储能,FS接触器才能迅速分闸,如果线路接错接触器会出现分闸不成功的情况。

图1 FS防晃电交流接触器控制原理图和外观图
1.3 FS-MD延时模块的控制电路
FS-MD延时模块可以通过面板设定延时时间0.3秒~6.6秒(时间等级为0.3秒),使交流接触器按设定时间延时脱扣,抵抗“晃电”。FS-MD延时模块见外形及控制原理图见图2。

图2 FS-MD延时模块外形及控制电路
图2中FS-MD延时模块,#1、3端子输入220~V交流电源,#5、6端子输出100V直流电压,实现交流接触器的直流无声运行。延时模块的内部控制电路一旦监测到#1、3端子输入的交流电源发生晃电,则根据预先设定的延时时间维持#5、6端子输出的直流电压,确保接触器不会释放,起到防晃电的作用。
1.4 FS-ZDⅡ抗晃电再启动继电器
FS-ZDⅡ抗晃电再启动继电器如图3所示。该继电器采用单片机控制,用于控制220V或380V交流接触器再次启动的控制器,它可以通过面板设置所有参数且使其可视化并实现以下功能。
1.4.1 延时再启动设定时间:0.5秒~30秒,晃电结束电压恢复后,按照这个时间进行延时启动。
1.4.2 闭锁不启动设定时间:0.5秒~30秒,当晃电持续时间超过这个时间,将闭锁不启动。
1.4.3 记录并显示启动次数和电网的晃电次数。

图3 FS-ZDⅡ系列抗晃电再启动继电器
图4所示为采用FS-ZDⅡ防晃电再启动继电器的三相异步电动机启动控制线路,当按下启动按钮SB2后,接触器KM吸合,其辅助常开触点闭合完成自保,主触头闭合电机开始运转。当系统发生晃电时,接触器KM释放。与此同时,FS-ZDⅡ自启动继电器通过#8、9电源输入端子监测到线路发生晃电,如果电网在规定时间内恢复正常,则FS-ZDⅡ自启动继电器的#5、6端子按设定的时间延时后闭合自动启动电动机。

图4 采用FS-ZDⅡ防晃电再启动继电器的启动控制线路
笔者对以上4种防晃电产品的功能及技术特点进行了比较,节能型接触器虽然可以防止相当一部分电压骤降型晃电导致的影响。但节能型交流接触器对于电源短时中断的晃电情况无能为力,显然不符合要求。
FS-MD模块可以适用各种类型的晃电,但是一个FS-MD模块只能匹配一台接触器,而需要改造电机的控制回路都比较复杂,有很多联锁条件。线路中除了主接触器外还有一些辅助的继电器协同工作,主接触器线圈中往往串接了这些继电器的辅助触点,因此仅仅主接触器防晃电是不够的,所以FS-MD模块也不能满足要求。
剩下的FS防晃电交流接触器和FS-ZDⅡ系列抗晃电再启动继电器虽然都可以满足使用要求,但防晃电机理上是有区别的,防晃电再启动继电器是发生晃电时先将接触器释放,晃电结束后再合上接触器;抗晃电接触器则是保持接触器不释放来躲过晃电。
FS防晃电交流接触器的缺点是这种控制线路对原有控制回路改动量大,图1所示仅为简单的示意图,实际的电机控制电路更为复杂,不仅有停车按钮还有DCS停车联锁和电气保护联锁,线路改动更复杂改导致本也更高(见图5)。

图5 采用FS防晃电交流接触器的实际控制原理图
相比之下,FS-ZDⅡ抗晃电自启动继电器不仅功能强大、体积小巧,而且线路简单对原有控制回路改动极少改导致本低,更适合于对旧的控制线路进行改造。
2 线路控制原理设计

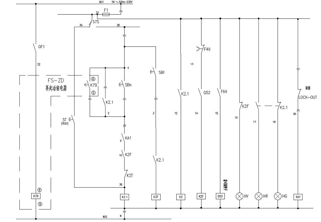
图6-1 FS-ZDⅡ防晃电再启动继电器实际改造电路图
在原有控制电路的基础上,笔者对某企业MP401A/B等8台异步电动机控制电路进行了简单的改造。如图6-1所示,虚线框内为FS-ZDⅡ防晃电再启动继电器,线路防晃电再启动控制原理如下:电网发生晃电时,KA1(仪表DCS闭锁信号)、K2F(电气故障出口中间)、K2.1(主接触器)中任一继电器或接触器受晃电影响释放都会导致电机跳闸。
此时K79(FS-ZDⅡ防晃电再启动继电器)通过8、9号端子监控到了电网发生晃电,通过5、6号端子监控到电机已经跳闸。如果电网电压在设定的时间内恢复正常(3秒内)则5、6号端子按设定的时间延时闭合,再启动电机;如果晃电时间超过设定的时间则闭锁不启动。如果是正常停车或者仪表联锁、保护跳闸则由于K79(FS-ZDⅡ防晃电再启动继电器)8、9号端子监控到电网电压正常,防晃电再启动继电器不会误动作。
3 安装及参数设置
3.1 安装
如图6-2所示,所有FS-ZDⅡ防晃电再启动继电器安装在MNS抽屉柜盘后二次回路外接端子处,其工作电源通过塑壳断路器QF1直接取自母线与抽屉柜单元无关,这样做有以下四点好处:
3.1.1 抽屉柜的停送电操作不影响FS-ZDⅡ防晃电再启动继电器运行,不会因为抽屉柜的停送电操作发生误动作。
3.1.2 所有线路改造在控制回路外接端子上完成,抽屉柜单元及现场操作柱线路无需改动。
3.1.3 QF1有两个作用,一是作为实验开关,通过QF1的瞬时分合能够模拟电网发生晃电,以此来检验FS-ZDⅡ防晃电再启动继电器工作是否正常;二是当FS-ZDⅡ防晃电再启动继电器发生故障或其它特殊情况下需要将FS-ZDⅡ防晃电再启动继电器退出运行时,只要将QF1分断就可以将防跳保护退出。
3.1.4 安装在盘后方便检修人员巡检。

图6-2 FS-ZDⅡ防晃电再启动继电器安装图
3.2 参数设置
“晃电”对于系统的影响,取决于电源电压的下降和持续时间。系统大,输、配电线路对地存在电容,三相导线之间也存在着电容就大,电容作用将延缓电压下降和上升速率。不同系统晃电时电压波也不同(见图7),绝大多数系统晃电持续时间都小于2秒。

图7不同系统晃电后电压下降和恢复曲线
“晃电”持续的时间不长(小于2秒),接触器脱扣。在这个时间内,电机转速虽然开始降低,但由于转动惯量的作用,转速下降的并不明显。电压恢复后,再启动继电器动作电动机电流从零开始上升,并有非周期分量的冲击,然后迅速恢复到运行值(见图8曲线1),生产连续性及电网不受影响。
如果“晃电”持续时间继续增加,则电机转速迅速下降低于额定值的30%,电压恢复后,电动机电流见图8曲线2,此时非周期电流分量和启动电流对电网的冲击及对生产的影响就不容忽视,要考虑采取分批启动的方式进行。由于本次改造涉及电机数量不多,功率也不大,即便同时启动对电网没有影响。所以本次改造所有FS-ZDⅡ防晃电再启动继电器设置都一样,延时再启动时间设定为0.5秒;闭锁不启动时间设定为3秒。

图8 晃电后电流恢复曲线
4 使用效果及注意事项
4.1 使用效果
石化企业经过2年半的运行,FS-ZDⅡ防晃电再启动继电器故障率为零性能可靠,在多次系统发生晃电时及时再启动避免了设备跳闸停机事故,很好地起到了晃电保护的作用。
4.2 改造中需要注意的问题
4.2.1 如果要大范围采用FS-ZDⅡ防晃电再启动继电器,就必须合理设置再启动时间分批启动,避免大量电机同时启动对电网导致冲击。
4.2.2 改造前要考虑好FS-ZDⅡ防晃电再启动继电器的安装位置,不能安装在MNS抽屉单元内,否则不仅不能监控而且抽屉单元的停送电操作会被当做晃电记录下来。
5 结束语
对于使用普通的交流接触器控制回路的抗晃电改造,如何既能实现抗晃电功能,又尽量减少对原有控制回路的改动,使用FS-ZDⅡ防晃电再启动继电器是目前比较理想的方法。
FS-ZDⅡ防晃电再启动继电器通过监测交流接触器线圈工作电压及其自保点的状态,判断电机在晃电过程中的状态变化,在晃电结束后按设定的时间再启动被晃停的电动机。FS-ZDⅡ防晃电再启动继电器具有可靠性高,安装方便,接线简单等优点,而且无需更改原控制柜及现场操作柱的接线。对于连续运行有着严格要求的设备或装置而言,这种抗晃电的模式具有一定的推广价值。
(编自《电气技术》,作者为刘桂霞。)