逆变的概念与整流相对,整流是交流变直流,而逆变是直流变交流。分为有源逆变和无源逆变:
有源逆变:交流侧接电网,如光伏,风电,和去年开始火起来的储能,这些都是交流侧接电网的。后续我们也会慢慢针对光伏、风电、储能等展开讨论。
无源逆变:即交流侧接负载。
两者的主要区别就在于其交流侧的不同,接下来,我们主要以无源逆变展开,因为电网的工况跟常见的负载是有区别的,有的人会说,电网不也可以看作负载吗?这些我们后面再进行展开,这里我们就不论述具体的区别了。
逆变和变频,变频电路分为交交变频和交直交变频两种。交直交变频由交直变换(整流)和直交变换(逆变)组成。
逆变电路的主要应用:
各种直流电源,如蓄电池,干电池,太阳能、风能等新能源行业。变频器,UPS(不间断电源),感应加热电源等电力电子设备的核心都是逆变电路。
02基本工作原理
这里以最简单的单相桥式逆变电路为例来说明逆变的基本工作原理,基本电路图如下:

S1~S4是桥式电路的4个臂,由电力电子器件及辅助电路组成。
当开关S1、S4 闭合,S2、S3 断开时,负载电压uo为正;当开关S1、S4 断开,S2、S3 闭合时,uo为负,这样就把直流电变成了交流电,电路波形如下:

改变两组开关的切换频率,即可改变输出交流电的频率。电阻负载时,负载电流io和uo的波形相同,相位也相同;阻感负载时,io相位滞后于uo,波形也不同。
以上便是逆变(DC-AC)的基本工作原理,有单相的,也有三相的;对于所用开关器件的不同,逆变的相关参数也会有所不同,但是基本的工作原理是不会变的。
03换流方式
换流:电流从一个支路向另一个支路转移的过程,也称为换相。研究换流方式主要是研究如何使器件关断。
换流方式分为以下几种:
①器件换流
利用全控型器件的自关断能力进行换流。在采用IGBT、电力MOSFET、GTO、GTR等全控型器件的电路中的换流方式是器件换流。
②电网换流
电网提供换流电压的换流方式。将负的电网电压施加在欲关断的晶闸管上即可使其关断,不需要器件具有门极可关断能力,但不适用于没有交流电网的无源逆变电路。
③负载换流
由负载提供换流电压的换流方式。负载电流的相位超前于负载电压的场合,都可实现负载换流,如电容性负载和同 步电动机。
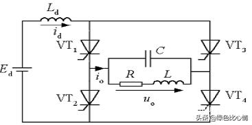
下图是基本的负载换流的逆变电路:

整个负载工作在接近并联谐振状态而略呈容性,直流侧串大电感,工作过程可认为id基本没有脉动。负载对基波的阻抗大而对谐波的阻抗小,所以uo接近正弦波。注意触发VT2、VT3 的时刻必须在uo过零前并留有足够的裕量,才能使换流顺利完成。
④强迫换流
设置附加的换流电路,给欲关断的晶闸管强迫施加反压或反电流的换流方式称为强迫换流。通常利用附加电容上所储存的能量来实现,因此也称为电容换流。
分类:
直接耦合式强迫换流:由换流电路内电容直接提供换流电压。基本电路图如下

当晶闸管VT处于通态时,预先给电容充电。当S合上,就可使VT被施加反压而关断。也叫电压换流。
电感耦合式强迫换流:通过换流电路内的电容和电感的耦合来提供换流电压或换流电流。基本电路图如下

图(a)中晶闸管在LC振荡第一个半周期内关断,图(b)中晶闸管在LC振荡第二个半周期内关断,注意两图中电容所充的电压极性不同。在这两种情况下,晶闸管都是在正向电流减至零且二极管开始流过电流时关断,二极管上的管压降就是加在晶闸管上的反向电压。也叫电流换流。
换流方式的总结:
①器件换流只适用于全控型器件,其余三种方式主要是针对晶闸管而言的。
②器件换流和强迫换流属于自换流,电网换流和负载换流属于外部换流。
③当电流不是从一个支路向另一个支路转移,而是在支路内部终止流通而变为零,则称为熄灭。