打工的,都希望遇到爽快大方的好老板;
维修的,都希望遇到简单好修的电路板。
然而,人生又岂能万事皆如人意?
尤其对于很多新手朋友而言,不仅头疼断线的、屡烧开关管的,对于空载正常,接负载不正常的,也感觉棘手,这不,问题来了。。。
映美FP530k打印机电源板不接主板电压正常,接了主板5V变成1.6了,哪儿的问题呢?
基本维修思路:
1、空载电压正常,99%的情况下,电压反馈部分没有问题。
2、空载,只需要输出很小的电流,维持电路基本运转;带载,需要输出相对大电流给负载。所以,最大的区别,在于电流。所以电流检测电路,应优先考虑。
3、输出端滤波电容如果严重漏电,也会导致此问题(多数情况下,电容会有明显的鼓包漏液,否则,建议代用直接代换法,普通万用表无法准确测量电容好坏。如果有数字电桥的,可以采用数字电桥进行准确测量。)
假设电源正常情况下,空载输出0.5A,负载实际最大电流8A,电源最大输出能力为10A,如果电容漏电5A,则空载情况下,电源输出5.5A,在电源的能力范围之内,所以输出电压正常。带上负载后,负载要8A,加上电容漏电5A,就达到了13A,超过了电源的最大输出能力,所以电源会进入电流保护状态,对于多数电源管理芯片而言,输出电压会下降,因为负载的阻值不变,电压变小,电流自然就算小,将总电流限定在10A范围内。
4、以上为通用维修思路,但是对于一些特殊的电路结构,比如半桥电路,则涉及到的知识点要多出很多,在此不做叙述了哦。
拆机,没有看到电容有鼓包漏液现象,那就先查查电流检测电路。
很多新手会说,没有图纸,我怎么知道电流检测电路在哪里?
1、如果心中有图,能看出基本的电路结构,电流检测电路一般一眼就能看出来。修电源多数情况下没有图纸,也一般不需要图纸。
2、我们更需要的是芯片的DataSheet,需要的是它的引脚资料、公版图资料、内部原理图资料。
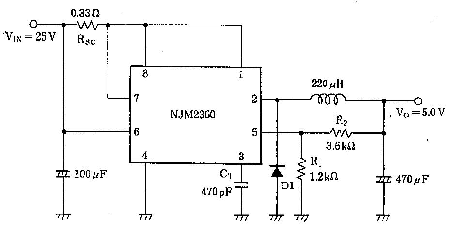
该电源板采用的电源管理芯片是NJM2360,内部原理图与公版图如下:

内部原理图

公版图1

公版图2
这是一个内部集成了开关管的、简单的电源管理芯片,公版图主要2种应用,BUCK和BOOST,芯片内具最大电流保护,同时支持外部电流保护设置。
具体电路原理一言难尽,暂不解释,我想,稍稍有点电源基础的人,应该能一眼看出来,Rsc就是电流检测电阻,典型的前端电流检测方式。
判断是不是电流检测电阻的问题,方法有二个:
1、直接测量电阻的阻值,如果在线无法测量的(比如并联了保护二极管的),需要拆下来测量。
2、直接用镊子短接该电流检测电阻,等于去掉了电流保护功能,如果输出正常了,则确定为该电阻问题,否则,为其它问题
但是去电流保护前,应先排除短路问题,否则可能烧芯片(这个芯片内具最大电流保护,所以不会烧芯片,但别的芯片未必会内具最大电流保护功能,敬请注意)等。
去保护法,有一定的安全隐患,请谨慎使用,尤其是对电路不了解的同志。
沿着芯片6脚、7脚往外跑线,迅速而轻易的找到这个电流检测电阻。阻值为27欧,短接它,输出电压恢复正常,判定电阻损坏。
通知学员原值换掉这个电阻……
电阻换上去,上电又烧了!!!
简单:电流检测电阻,是串联于大电流线路中,流过的电流较大,因此一般都有功率要求,随便在主板上找个27欧换上去是不行的。多数情况下,用3W的来代换,一般没问题。如果没有3W的,至少也要找个外观大小差不多或更大的来代换,如果实在没有,而空间允许的情况下,可以通过串并联的方式来实现。
通知学员搞定它……
这次是真的搞定了。。。
其实,电源电路是通用的,和设备没有关系,不论是打印机还是充电器,或者是工业变频器,或者是几十万的核心交换机,它们的电源部分,都是原理相通的,关键在于它采用了什么电路结构在熟练电路原理的情况下,有很多看似麻烦的故障,其实是可以轻易判断故障点的。因为开关电源应用太广泛了,而故障率是真的高,所以学精它,是非常有必要的。否则,学习上一知半解,维修上一筹莫展!!!
