该电路采用德国大众汽车公司独具特点的纵向排版方式,整个电路上部约1/4部分表示中央继电器板总成,最下面一横线表示接地线,接地线至上部中央继电器板之间从左到右集依次是各种电路元件、开关、连接导线等,接地线下面的数字则把各种电路元件、开关、连接导线在图纸上的唯一位置以数字序号表示出来。在某一序号的位置上通常只对应画一个元件或一根导线。
一汽大众速腾空调电路如图1-图5所示,从左至右按主要部件的工作情况可分成三大部分:第一部分即图1-图2中1~22位置是鼓风机V2的控制电路;第二部分即图2-图5中从16~58位置是压缩机电磁离合器线圈N25及内循环真空电磁阀N63的控制电路;第三部分即图3、图5中从31~45及64~68位置为电子风扇V7、V8的控制电路。三方面电路互相联系,互相渗透,构成较完善的整个轿车空调系统的控制电路。










1. 鼓风机V2的控制电路
鼓风机除了在制冷系统工作时将冷风吹向车厢内各个角落处,还要用于车厢内的通风与暖气以及前风窗玻璃的除霜去雾等功能的吹风,所以它应该在点火开关接通后即可进行控制操作。根据鼓风机工作情况,鼓风电机电路可分为两种工况,分析如下:
(1)点火开关接通后满足通风或去雾除霜功能的电路分析
根据车辆通风或去雾除霜功能的要求,无论发动机处于熄火还是工作状况,都应满足车辆通风或去雾除霜功能的基本操作。为此只要点火开关接通,中央继电器板内X线将有电,这将导致空调继电器的一组触点进入工作状态,即图中J32的3-1脚之间的线圈与对应所控制的触点,其工作状况如下:
合上点火开关,使X线有电,于是X线+→S16→J32/(3-1)→J32/(8-6)+
上式中,X线为中央继电器板中大容量用电设备电源线,当点火开关在启动状态,或熄火,X线都是有电的,用X线右上角加+表示,即X线+;“–”表示某个元件总成内部的连接线;“→”表示各元件之间的连接导线;S16表示第16号熔丝。另外J32/(3-1)分子中J32表示元件名称;分母括号中3与1分别表示J32元件上的3号与1号接线柱;J32右上角的+号表示J32的3-1接线柱之间的线圈得电;而J32/(8-6)+表示J32的8-6脚之间接通;而如果是J32/(8-6)则表示J32的8脚至6脚。以上表示方法在后述文中还常会用到。
上式中由于J32/(3-1)电磁线圈得电,又导致J32/(8-6)+,于是产生如下工作电流:
30号线→S6→J32/(8-6)+→E9/2+
当鼓风机处于任意挡速度运转时,通过操作空调面板上的出风方向控制旋钮,即可改变出风的流动方向,以实现通风、取暖和除霜去雾等不同功能。
(2)空调开关E30接通后鼓风机运转的电路分析
发动机启动后,如果直接接通空调开关E30,而此时如果并没有接通鼓风机开关E9电路,但鼓风机仍将以最低转速自动运转,以保证汽车空调在制冷系统工作后,有循环风吹经蒸发器的散热片及蛇形管的表面,不至于引起因蒸发器表面温度太低而结霜,同时也不至于蒸发器内制冷剂由于吸收不到热量而以液态形式进入压缩机。空调开关E30接通后,鼓风机运转的电路如下:
X线→S16→E30/(5-6)→J32/(2-1)
J32的2-1脚线圈有电,将导致J32/(8-7)+,于是有电流如下:
30号线→S6→J32/(8-7)→N23/(1-4)→V2(1-2)→接地而直接流通鼓风机以最低转速挡自动运转。此时如果操作鼓风机开关E9,仍可改变V2的转速。
对于一汽大众速腾的空调操作开关,由于在E30不工作时,可单独操作E159,即图中16~19位置上,所以在进行取暖或除霜去雾工作时,可进行内外循环工作方式的切换,这一点也是一汽大众速腾在空调操作功能上的独到之处。

2. 压缩机电磁离合器线圈N25的控制电路
这里所述的压缩机电磁离合器的控制部分,是指空调E30开关合上后所控制的所有电路。这些电路可分成四个部分:
(1)空调继电器J32的控制电路
在发动机工作以后,中央继电器板内30号线、15号线与X号线都已有电,此时合上空调开关E30/(5-6)+便有如下继电器的控制电路:
X线+→S16→E30/(5-6)→J32/(2-1)
J32的(2-1)线圈得电,将导致鼓风机以最低转速运转。
此时如果操作鼓风机开关E9,则可改变V2的转速。
(2)内循环真空继电器线圈N63控制电路
当空调开关E30/(5-6)+合上后,则E30/(2-1)+的触点也将同步合上,但是开关的这种功能单从图纸的开关符合上是无法确定的,这也是电路图的遗憾之处,在此必须补充说明。所以当E30/(5-6)+合上后,即有E30/(2-1)+,所以N63控制电路如下:
X线→S16→E30/(2-1)→N63/(2-1)→接地
于是N63接通了控制进气门真空马达的真空气源,真空马达通过拉杆驱动进气风门,使进风门从外循环位置转向内循环位置。
(3)风扇继电器J293的空调开关E30信号电路
当空调开关E30/(5-6)+合上后,就有E30空调开关的信号电流通到风扇继电器J293,电路如下:
X线→S16→E30/(5-6)→E33/(1-2)→F38/(1-2)→F129/(2-1)→F40/(2-1)→J293/T10/3
上式中F38为环境温度开关,大约在2℃以上为接通状态,2℃以下断开状态;E33为蒸发器表面防霜开关。F40为发动机高温开关,当发动机水温在120℃以上时切断,120℃以下则接通,F129是安装在储液干燥器上的复合压力开关,其中1与2号脚是在空调系统制冷剂压力大于0.196MPa及小于3.14MPa时接通,而3号与4号脚则在系统制冷剂压力大于1.77MPa时接通,而小于1.37MPa时又切断;但此时尽管风扇继电器J293的T10.3脚已经收到E30开关的工作信号,然而J293对于压缩机电磁离合器N25的控制信号并不马上在J293/T10/10脚输出,它还要受到另外一个信号的控制,所以有下面第(4)方面的电路。
(4)与发动机电脑J220相联系的控制电路
一汽大众速腾在发动机部分虽稍做改动,但总体上仍采用与时代超人相同的电喷发动机2VQS,所以也采用了相同的发动机控制电脑J220,即BOSCHM3.8.2控制单元。该发动机控制单元J220与空调开关E30相连,还通过安装在发动机舱继电器一熔丝盒内RL2位置上的空调压缩机切断继电器J26与风扇继电器J293/T10/8的脚相连接,对空调实现如下的控制功能。
在发动机正常工况条件下,如果接通空调开关E30,BOSCHM3.8.2控制单元会在接到空调E30信号后140ms内接通压缩机电磁离合器线圈电路,空调便开始工作,由于空调工作要引起发动机输出功率和转速的变化,为此发动机控制单元通过节气门控制部件J338始终维持发动机怠速稳定。另外在下列工况下,发动机控制单元将切断空调压缩机的工作。
当驾驶员急加速把油门突然踩到底时;
当发动机节气门控制器J338处于紧急运行模式时;
当发动机冷却水温度超过120℃时;
为此与发动机电脑J220相联系的控制电路如下:
当发动机工作后,按下空调开关E30,E30通知发动机电脑的信号电流如下:
X线一S16→E30/(5-6)→E33/(1-2)→F38/(1-2)→F129/(2-1)→F40/(2-1)→J220/T80/10
如果发动机电脑不允许空调电路工作,则J220/T80/8脚就会输出低电压信号至J26/86,否则J220/T80/8脚将会输出高电压信号至J26/86,见图中50位置,控制J26的触点保持闭合,其工作过程如下。在电路图的50位置上有。
J220/T80/8→J26/(86-85)+→接地
如果J26/(86-85)+则先前到达J293/T10/3端的空调开关E30工作信号将进一步经过J26/(30-87a)送到J293/T10/8,电流如下:
J293/T10/3→J26/(30-87a)→J293/T10/8
J293/T10/8收到E30/(5-6)+信号后立刻在相应输出端J293/T10/10输出高电压至压缩机电磁离合器线圈N25,使N25,压缩机电磁离合器吸合,制冷系统进行循环工作。
空调电子风扇继电器J293的顶面一端有两个熔丝,都是30A的规格,其中一个是电子风扇V7、V8的短路保护控制,另一个是压缩机电磁离合器线圈N25短路保护控制。

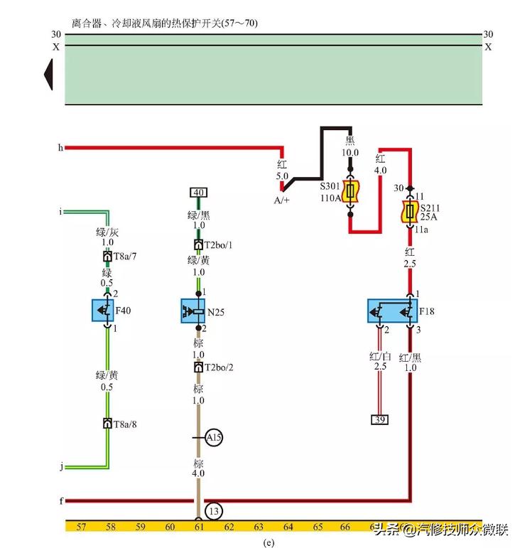
3. 电子风扇的控制电路
在汽车上,电子风扇安装在发动器散热器的后面,电子风扇的运转及对应转速受到发动机冷却水温度以及空调运转及工况的双重控制,桑塔纳3000空调的电子风扇的控制电路在电路图中29~68位置之间,分析如下:
① 当发动机水温达到95℃时,安装在发动机散热器上热敏开关F18的低温挡触点闭合,图中68号位置上的F18/(1-2)+。
V7、V8低速挡的电流路径如下:
A/+→S301→S211→F18/(1-2)+→V7/(2-3)→A/–→V8/(2-3)
式中,A/+分子A表示蓄电池;分母中“+”表示蓄电池正极;相应的A/–表示蓄电池负极;于是电子风扇V7、V8以低速挡运转。
② 当发动机冷却温度达到105℃时,图中67号位置上的F18/(1-3)+,即高速挡触点闭合,于是高速挡电流路径如下:
A/+→S301→S211→F18/(1-3)+→J293/T10/7
图中37-44位置上J293是空调的风扇继电器,主要起到功率的放大与控制作用,用于控制电子风扇V7、V8及压缩机电磁离合器N25。当J293的T10/7脚接到F18/3脚高速挡运转信号后,在37号位置上J293的T4/2,即J293/T4/2输出高电压信号并送至31号位置V8/1脚与34号位置V7脚,于是V7、V8高速运转。
由于仅当发动机冷却液温度足够高,大于等于95℃后,发动机散热器与空调冷凝器的电子风扇就会旋转,所以在高温季节,即使发动机熄火后的较长时间内,电子风扇仍会高速旋转,这主要是发动机冷却水实际温度较高所致,如果发动机实际水温已低于92℃,电子风扇仍在旋转,则可能是F18或风扇电路存在其他故障。
③ 当空调开关E30/(5-6),电子风扇也会低速旋转,分析如下:
在图中19-21号位置上空调开关E30/(5-6)+后,有电流如下:
X线→S16→E30/(5-6)→E33/(1-2)→F38/(1-2)→F129/(2-1)→F40/(2-1)→J293/T10/3
而当J293/T10/3脚接到信号后,J293相对应的J293/T4/3输出端输出高电压信号至V7、V8的2脚,使V7、V8以低速挡运转。以上分析可见,只要空调开关E30合上,电子风扇就会低速运转,以满足空调工作时对冷凝器的散热要求。
④ 运行中的空调系统在高压压力达到1.77MPa时,电子风扇也会高速旋转。分析如下:
如果运行中的空调系统在高压压力达到1.77MPa时,则安装在储液干燥器上的复合压力开关F129/(4-3)+,(图中46号位置上)于是有电流如下:
X线→S216→F129/(4-3)→J293/T10/2
当J293/T10/2接收到信号后,就会控制其相应输出端T4/2输出高电压,该高电压通至V7、V8的1号脚,使V7、V8以高速挡转速旋转,以加大冷凝器的散热速度,直至系统压力下降到1.37MPa时F129的4-3脚断开,电子风扇又恢复低速挡运转。