生活中最常见的一种场景是这样的 ,你下班回来后疲惫不堪,急需上床休息,入门后打开客厅的一盏灯,直奔到卧室休息但还关掉客厅灯,但这时实在不想再跑回客厅关灯,所以可以 采用三控开关 ,共同控制一个电源。
(如果房子不大,自然没有苦恼)

家居和装修常面临灯饰、台灯的线路连接, 三个开关控制一盏灯 ,就是在双控的基础上,将两个开关的连接线中间增加一个双刀双掷开关,也可用双开代替。

一、双控开关的连接方法

1、电源火线分三根线,分别连接到灯饰的三个开关,从每个开关的三个裸线都连接到灯的一端,之后从等的另一端出来的一根线连接到电源的零线上。

这种接线是单联3控,先了解三个开关单开,这种单开要三个连接柱,电源火线介入第一个开关的中间接住才行。
2、使用两个双联开关,将两个开关控制一盏灯的连接方法,之后将两开关之间的2根双联线断开,用一个双刀双接开关将它们全部链接起来,使能通过他的开和关,达到原来2根线回复导通或交叉后导通,之后就可以完成三个开关控制一盏灯链接电路了。

二、常见的照明控制原理图
1、两个双连开关在两地控制一盏灯电路

2、用三个开关控制一盏灯电路

3、将两个功率相同的110V白炽灯接在220V电源上使用的电路

4、低压小灯泡在220V电源上使用的电路

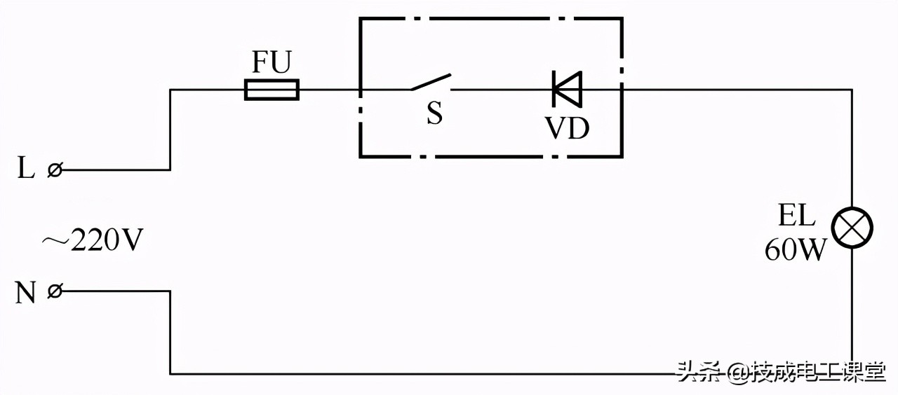
5、用二极管延长白炽灯寿命的电路

6、简单的晶闸管调光灯电路

7、用555集成电路组成的光控等电路

8、无极调光台灯电路

9、路灯光电控制电路

10、照明灯自动延时关灯电路

11、楼房走廊照明灯自动延时关灯电路

12、人体感应延时灯光控制电路

13、晶闸管自动延时照明开关电路

14、门控自动灯电路

15、广告创意16功能彩灯控制电路

16、简易光控路障灯电路

17、自动调光灯电路

18、节日彩灯——满天星霓虹灯电路

19、鸟鸣彩灯串电路

20、声控音乐彩灯电路

21、简易流动闪光灯电路

22、大功率“流水式”广告彩灯控制电路

23、氖泡微光灯电路

24、霓虹灯供电电路

25、霓虹灯闪光电路

26、应急照明灯电路

27、微光调光定时有线遥控器电路

28、电话自控照明灯电路

29、声光控自动照明灯电路

30、双荧光灯户外广告双灯管接线电路

31、荧光灯节能电子镇流器电路(之一)

32、荧光灯节能电子镇流器电路(之二)

33、探照灯、红外线灯、碘钨灯、钠灯接线电路

34、紫外线杀菌灯接线电路

35、高压汞灯接线电路

36、管形氙灯接线电路

电工识图手册 接线图大全(收藏)还看不懂电气图?
电工识图基础+仿真软件拿好,理论实操快速上手!
电气图是电气技术人员和电气工人在工作中经常使用的技术资料, 看懂电气图 、并在实际工作中使用好电气图, 是一个合格的电气技术人员和电气工人的基本技能。
小编今天整顿了 电工识图基础手册、电工常见电路接线图大全、热门仿真软件、电工培训课件。
内容一览
电气识图基础手册
1.电路图的构成
2.阅读电气原理图的方法
3.阅读电气接线图的方法
4.电气仪表及测量原理及接线图
……
电气识图基础 内容包括了电路图的构成、电气图阅读方法、供配电系统电路图等内容。

电气识图基础手册
- PLC控制系统

PLC控制系统
- 电动机控制电路图识读

电动机控制电路图识读
- 工业控制电路图识读

工业控制电路图识读
电工常见电路接线图大全
1.开关控制方式
2.开关接线图
3.接触器与断路器
4.电机运行控制及接线图
……
电工常见电路接线图 包括了开关如何控制灯泡的亮、灭。通过看懂了电路图的结构和原理,便可在实际连线的时候,对具体的器件进行操作。

电工常见电路接线图大全
电工技能与实训仿真系统
1.电工基本常识与操作
2.电工仪表
3.照明电路安装
4.电机与变压器
……
仿真软件 包括了电路安装、电机控制等内容,理论结合实操,上手更快速!


- 电工基本常识与操作

电工基本常识与操作
- 电工仪表

电工仪表
- 照明电路安装

照明电路安装
- 电机与变压器

电机与变压器
▼
电工培训课件
1.电工基础知识
2.电工专业知识
3.电工工具、电工仪表使用与维修保养
4.基本操作技能
……
电工培训课件 包括了电工基础知识、专业知识、电工工具、仪表的使用与维修保养及基本操作技能的综合性培训课件。

电工技能与实训仿真系统
在生产实践中,电工人员都需要接触到各种各样的电路图,这就需要电气技术人员和电工具有扎实的理论基础和丰富的实践经验。
今天分享的电工识图基础手册和仿真软件,将理论与实践相结合,极大程度地降低了电气图的识读难度,非常实用!
