
我们在拟定设备升级改造方案时,很多时候需要更换伺服电机。在这个过程中,我们除了需要确定电机的电气参数,比如额定功率、额定力矩、额定转速等等是否匹配以外,往往还需要确定机械参数,以便确认安装空间是否合适,以及后续机械安装连接部分的设计。
直接入正题,方法有两种:
方法一:查找样本
比较传统的办法,查找样本,我们以西门子1FK7101-2AC71-1RG1为例。我们可以在西门子官网上*载下**到详尽的电机样本。

打开2018版的NC82

确认该样本能找到这个型号的电机,然后找到尺寸图章节:

找到相应电机的型号:

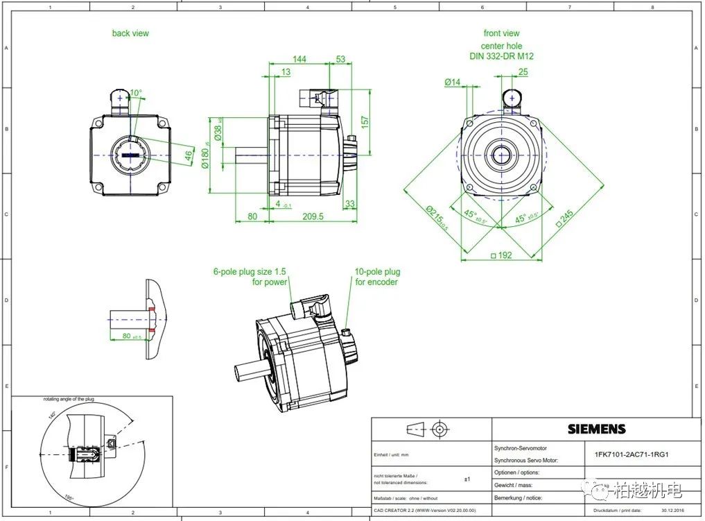
这样子,就可以找到对应的尺寸参数了。
不过,西门子电机系列繁多,样本翻多了免不了眼花缭乱,头昏眼花倒是小事,看错数据选错型那就是大事情了,所以我们提供了第二种方法。
方法二:自动生成
我们可以通过CAD-CREATOR网站快速生成西门子电机尺寸图
登录网站:http://www.cad-creator.com(这个网址得收藏了吧)

输入电机型号1FK7101-2AC71-1RG1,点击Order No. search

选择Synchronousmotor(1FK7101-2AC71-1RG1为同步电机)

点击Continue

根据需要可以选择:尺寸图、二维图、三维图

输入邮箱信息,点击Continue,相应的图纸信息会发送到指定的邮箱中

最后,得到的电机尺寸图示例如下:

另外,西门子有更新的网页可以查询到大部分西门子产品的规格、尺寸,网址为:http://www.siemens.com/dt-configurator,实测确实高能。
怎么样,这个方法是不是方便了很多?而且这个网站也能找到其他西门子器件的尺寸图哦。大家不妨亲自试试。