最近,经常收到后台用户留言说:能不能给大家总结一份关于化工行业流程图、布置图的资料。看到有很多化工朋友对化工流程图之类的内容还是很感兴趣,因此我们给大家搜集了下面的10套化工图资料。有兴趣的朋友,可以*载下**收藏一下:

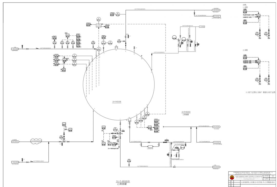
1、乙烯罐区管道及仪表流程图

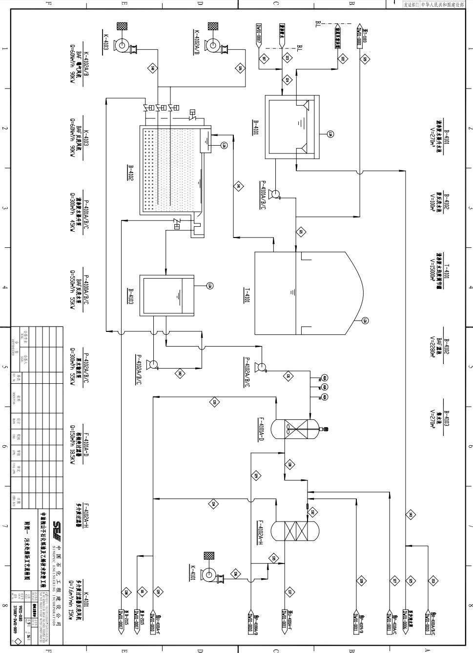
2、污水处理PID工艺流程图

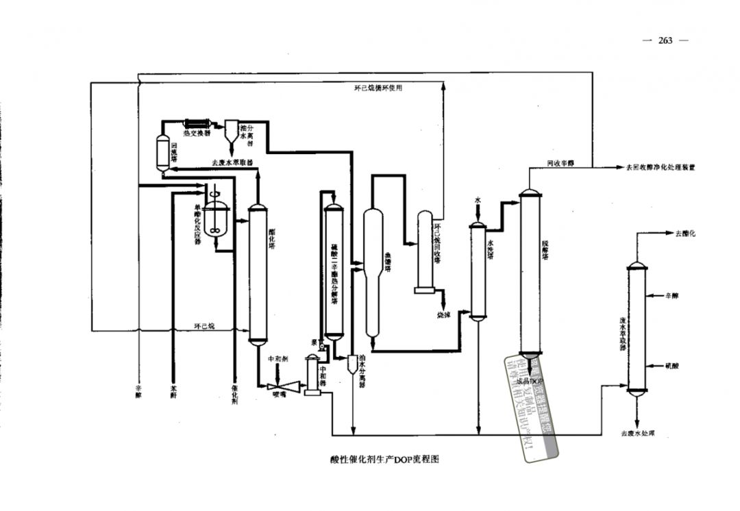
3、精细化工生产流程图解

4、52种化工装置流程图

5、化工生产流程图解(第三版)(上、下册)

6、化工工人技术理论培训教材:工艺流程图与装备布置图

7、丙烯罐区管道及仪表流程图

8、石油化工流程图图例


10、煤化工气化现场设备图

更多化工工程、工艺及BIM资料填加关注后私信发送