ps:如需电子版留言!计算书里还有的插图手机还没编辑[微笑]。
目 录
工程概况......................................3~6
编制依据.......................................6~7
施工计划.......................................7~10
施工工艺技术....................................10~27
施工安全保证措施................................27~35
施工管理及作业人员配备及分工....................35~36
验收要求........................................36~40
应急处置措施.....................................40~49
计算书及相关图纸附件............................49~94
一、工程概况
表1-1-1 项目概况一览表
工程名称:
建设单位:
设计单位:
勘察单位:
监理单位:
总包单位:
建设地点:
结构形式:
建筑面积:
楼号
建筑面积
层数
层高
建筑高度
结构类型
3号楼
35600
地上20层
5.4m、4.5m、
4.2m
96.3m
框架剪力墙结构
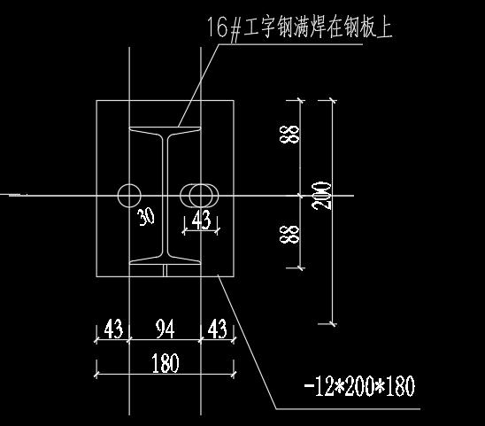
本方案只针对悬挑脚手架方案编制,落地脚手架方案另行编制;3#楼层高4.2米(标准层),板厚100(局部120)最大悬挑高度为17.1m。型钢挑梁采用16#工字钢组成,根据不同用途分为普通型、加长型两种。普通型长度为1.3m、1.6m、1.8m,加长型长度为1.9、2.0m、2.1m。转角阳角处2.0m、2.3m、2.4m、1.6m。花篮斜拉杆由φ20长螺栓杆,中间配有M50的大高强螺母组成花篮螺栓。具体参数详见平面布置图(附图)。
脚手架用于主体结构和装修外墙、保温施工,完成后拆除。
悬挑脚手架设置情况
栋号
(层数)
落地架
第一挑
第二挑
第三挑
第四挑
1#栋(20层)
7层以下
(28.8米以下)
7~10层
(28.8~45.9m)
10~13层
(45.9~62.7m)
14~17层
(62.7~72.5m)
18~屋面层
(72.5~93m)
1、悬挑脚手架搭设采用双排单立杆,立杆距结构距离 0.3m(部分有微调),立杆横距 0.8(部分有微调)m,立杆纵距主要为 1.5(部分有微调)m,纵向水平杆步距 1.8m。
2、悬挑层楼面预埋直Φ25mm钢套管做穿墙螺栓,采用工字钢作为底座(外架立杆座在工字钢上)伸出楼面结构外进行悬挑。悬挑型钢为16#工字钢,工字钢端部与钢板满焊,钢板预留一个圆孔一个腰孔,尺寸及位置详附图;

3、所有挑梁尾端采用M22螺栓锚固,挑梁均采用Φ20的拉杆斜拉,悬挑长度≥1.8m及转角处主梁采用双拉杆,斜拉上锚固点为框架梁或剪力墙;
4、外脚手架是施工用临时结构,它要承受施工过程中的垂直和水平荷载,因此,脚手架必须有足够的承载能力,刚度和稳定性,在各种荷载作用下不发生失稳倒塌,以及超过允许要求的变形、倾斜摇晃或扭曲现象,确保安全。严格控制施工荷载,施工荷载不得大于2kN/m2。
1.1工程特点
1、用此方法悬挑,不影响悬挑层的外墙砌体施工,外墙无需开洞,可大大减少因修补洞口而引起外墙渗漏的隐患。
2、本悬挑架拉杆用花篮套筒紧固拉杆,比钢丝绳更容易保证其受力状态,且拉杆上端预埋铁套筒,无需在模板上开洞。
3、本悬挑架与传统的悬挑型钢固定方式比较,可大大减少型钢用量,而且各构件可定型化制作,可周转次数多,既节省成本,又美观实用。
1.2施工要求
本工程考虑到施工工期、质量和安全要求,故在选择方案时,应充分考虑以下几点:
1、架体的结构设计,力求做到结构要安全可靠,造价经济合理。
2、在规定的条件下和规定的使用期限内,能够充分满足预期的安全性和耐久性。
3、选用材料时,力求做到常见通用、可周转利用,便于保养维修。
4、结构选型时,力求做到受力明确,构造措施到位,升降搭拆方便,便于检查验收;
5、综合以上几点,脚手架的搭设,还必须符合JGJ59-2011检查标准要求,要符合内江市文明标化工地的有关标准。
6、结合以上脚手架设计原则,同时结合本工程的实际情况,综合考虑了以往的施工经验,决定采用花篮拉杆式工字钢悬挑脚手架。
1.3技术保证条件
本方案经施工单位技术部门审核,修改完善后,并经施工单位技术负责人签字后,方可策划实施。
现场施工前,项目技术负责人对施工管理人员及作业人员按批准后的专项方案做好安全技术交底工作,严格按照方案策划施工,不得擅自修改、调整方案内容。
按方案完成悬挑脚手架搭设后,必须由施工项目项目经理、技术负责人、项目总监理工程师、责任工长、安全工程师、质检员进行现场检查并签字确认符合要求后方可进入下道施工工序。
1.4施工平面布置
详见施工平面布置图(附图)。

二、编制依据
2.1为了保证本工程危险性较大的分部分项脚手架工程的施工安全,根据四川省住房和城乡建设厅,川建行规(2018)3号关于印发《四川省危险性较大的分部分项工程安全管理规定实施细则》的通知;及建设部关于《危险性较大的分部分项工程安全管理办法》建质(2018)31号的规定要求;
1、脚手架工程:悬挑式脚手架工程;属于危险性较大分部分项工程。
2、脚手架工程:分段架体搭设高度 20m 以内的悬挑式脚手架工程;属于危险性较大分部分项工程。
3、本工程分段悬挑式脚手架工程最高为 17.1m,采用花篮式悬挑, 属于危险性较大分部分项工程,需编制专项施工方案,不需要策划专家论证。
5、本方案按照以下有关文件编制:
1)《建筑工程施工质量验收统一标准》GB50300-2013
2)《建筑结构荷载规范》GB50009-2012
3)《建筑地基基础工程施工质量验收标准》GB50202-2018
4)《建筑地基基础设计规范》GB50007-2011
5)《建筑施工脚手架安全技术统一标准》GB51210-2016
6)《混凝土结构设计标准》GB50010-2010
7)《钢结构设计规范》GB50017-2017
8)《工程测量规范》GB50026-2007
9)《建设工程施工现场消防安全技术规范》GB50720-2015
10)《建筑施工扣件式钢管脚手架安全技术标准》JGJ130-2011
11)《建筑施工临时支撑结构技术规范》JGJ300-2013
12)《施工现场临时用电安全技术规范》JGJ46-2005
13)《建筑施工安全检查标准》JGJ59-2011
14)《建筑施工高处作业安全技术规范》JGJ80-2016
15)关于《危险性较大的分部分项工程安全管理办法》建质(2018)31 号规定要求
16)品茗施工安全设施计算软件
17)《钢结构工程施工质量验收规范》GB50205-2001
18)本工程结构、建筑、安装全套施工图纸;施工图会审纪要
2.2 编、审、批人员信息
本方案编制人员、审核人员及批准人员相关信息详见表3。
名称
姓名
职务(职称)
编制人员
邹锟
工程技术人员
审核人员
项目技术负责人
审批人员
单位技术负责人
批准人员
总监理工程师
三、施工计划
3.1施工进度计划
1、根据本工程的总施工进度计划、节点施工计划、现场实际的施工进度,进行合理的安排脚手架搭拆时间,确保工期要求。计划搭设及拆除时间见下表:
脚手架计划搭设及拆除时间
楼栋
第一挑
第二挑
第三挑
第四挑
拆除
3#楼
2020.9.25
2020.10.22
2020.11.20
2020.12.18
2021.3
2、挑架层进度计划:预埋螺杆(1d)→混凝土浇筑→型钢支座安装(1d)→脚手架搭设(1.5d);总搭设时间控制在4.5天。
3、根据本工程总工期外脚手架施工严格按照土建工期进行施工。外架施工能够按时竣工,在施工过程中项目部各班组必须相互配合、相互协调,合理安排人力、物力,精心策划,流水施工。
3.2材料及设备计划
3.2.1材料需求计划
进场后,根据施工现场不同施工阶段的要求,及时提出钢管等周转材料的总体需用计划及月度需用计划,项目物资部从我单位材料供应商数据库中选择供货商,在搭设之前材料进场。主体结构每层按施工6天的计划外架钢管、扣件等,提前5天策划材料全部进场。施工现场共安装了4台塔吊,塔吊旋转半径达到全覆盖,以便工字钢垂直运输及安装工作。
主要周转材料配置表
名 称
规格、型号
周转使用方案
投入时间
钢管
Ф48壁厚3.6
外架按全封闭用量计算
开工后陆续进场
安全网
1.8m*6m
外架四面全面围护
开工后陆续进场
安全带
自动锁紧式
/
开工后进场
安全帽
国标
/
开工后进场
扣件
十字扣、活动扣、
对接扣
立杆、横杆、剪刀撑连接
开工后陆续进场
工字钢
16#
悬挑主梁
开工后陆续进场
套筒
Φ25 套管
预埋成孔
开工后陆续进场
拉杆钢筋
φ20 圆钢
拉杆
开工后陆续进场
增加力矩扳手
100N.M
检测
开工后陆续进场
高强螺栓
8.8 级M22
M22 主梁锚固、拉杆钢板锚
固
开工后陆续进场
木跳板
250*50*6000
脚手片,步步铺设
开工后陆续进场
钢板
180*200*12
转角处预埋及型钢端部焊接
开工后陆续进场
顶托
700/800*38mm
上下挑的临时加固
开工后陆续进场
3.2.2材料要求
1、钢管
脚手架选用架设钢管外径48mm,壁厚应不小于3.6mm,(计算按照2.9mm计算)钢材强度等级 Q235-A,钢管表面应平直光滑,不应有裂纹、分层、压痕、划道和硬弯,新用的钢管要有出厂合格证。
钢管质量的检验要求统计表
项次
检查项目
验收要求
新
钢管
1
产品质量合格证
必须具备
2
钢管材质证明书
3
表面质量
表面应平直光滑,不应有裂纹、分层、压痕划
道和硬弯
4
壁厚
≮3.6mm,正负偏差应为10%
5
端面
应平整,端面切斜的偏差<1.70mm
6
防锈处理
必须进行防锈处理,刷防锈漆
旧钢
管
7
钢管锈蚀程度应每年检查一次
管壁上锈蚀的深度,不得超过 0.18mm
8
其它项目同新钢管项次中的3、
4、5 项
同新钢管项次中的 3、4、5 项
9
弯曲度检测
允许偏差2mm/m
注:钢管应无裂纹,两端面应平整,严禁打孔。
2、扣件
(1)本工程钢管脚手架的搭设使用可锻铸造扣件,应符合建设部《钢管脚手扣件标准》的要求,由有扣件生产许可证的生产厂家提供,不得有裂纹、气孔、缩松、砂眼等锻造缺陷,扣件的规格应与钢管相匹配,贴和面应平整,活动部位灵活,夹紧钢管时开口处最小距离不小于5mm。钢管螺杆拧紧力矩达65N▪m时不得破坏。
扣件质量要求统计表
项次
检查项目
验收要求
新扣件
1
产品质量合格证,生产许可证
必须具备
2
专业检测单位测试报告
3
表面质量及性能
应符合技术要求(2)~(6)的规定
4
螺栓
不得滑丝
旧扣件
5
同新扣件的项次 2、3
3、脚手板
本工程采用钢笆网脚手板,钢笆网脚手板主要采用三级钢直径为6mm的短钢筋焊接加工成一定规格的钢笆网片,主要规格为长x宽:900~1200mmx600~900mm,网眼40~80mm具体钢笆网片大小可根据外脚手架横距适当调整。考虑运输搬运问题等,成型尺寸不易过大。
4、安全网
安全网分平网和立网两种,平网采用锦纶材料制成,立网采用密目安全网(绿色),安全网出厂前,必须有国家指定的监督检测部门批量验证和检验员检验合格证。安全网在贮运中,必须通风、遮光、隔热,同时要避免化学物品的侵蚀,搬运时禁止使用钩子, 已使用过的安全网必须经过检查和试验合格后方可使用,超过使用期限的安全网严禁使用。楼侧采用平网防护。
5、定制加工的拉杆、花篮螺杆、型钢端部的连接钢板定制加工质量验收标准
5.1加工制作、跟踪监测及验收
本工程悬挑架材料制作包括上拉杆、花篮螺杆、型钢端部的连接钢板,制作应经过考察后选择信得过的厂家进行加工。并需要厂家提供相应生产加工资质,产品检测报告等支撑资料;因现场加工存在加工质量不可控不稳定等情况,故,杜绝在现场进行悬挑工字钢及相关配件的加工及生产。在产品投入使用之前及厂家生产过程中需不定时对生产过程中的产品进行抽查,检查标准应按照如下标准执行:
加工制作所使用的16#工字钢、厚为12 mm的连 接铁板、20 mm斜拉杆、加工悬挑架的主要材料、零部件、 成品件、标准件等产品的性能、规格、厚度均应进行验收,并 应符合现行国家产品标准和设计要求。
焊接材料的品种、规格、性能等应符合现行国家产 品标准和设计要求。 焊剂不应受潮结块。
连接用紧固标准件为8.8级M20高强螺栓,其品种、规格、性能等应符合现行国家产品标准和设计要求。
钢结构防锈涂料、稀释剂和固化剂等材料的品种、 规格、性能等应符合现行国家产品标准和设计要求。
焊缝表面不得有裂缝、焊瘤等缺陷。 焊缝不得有表 面气孔、夹渣、弧坑裂缝、电弧擦伤、咬边、未焊满根部收缩 等缺陷。 焊缝感观应达到:外形均匀,成形较好,焊道与焊 道、焊道与基本金属间过度较平滑,焊渣和飞溅物基本清楚 干净。 设计要求全焊透的焊缝应采取超声波探伤进行内部 缺陷的检验。
钢零件及钢部件加工切割面或剪切面应无裂缝、 夹渣、分层和大于1 mm的缺陷。制孔孔径允许偏差 + 0.21 mm。
3.2.3设备计划
1、搭、拆架子所需机具主要有架子扳手、吊线,由架子工自备。
2、项目部应配备如下检查工具:
机具及工具准备一览表
名称
数量
用途
扭力扳手
2 把
检查扣件拧紧力度
游标卡尺
2 把
检查焊接钢管外径和壁厚、外表面锈蚀深度
塞尺
2 把
检查钢管两端面切斜偏差
钢卷尺
5 把
检查钢管弯曲程度和搭设中的距离或长度
水平尺
2 把
检查水平杆高差
角尺
2 把
检查剪刀撑与地面的倾角
3.3 劳动力计划
3.3.1现场设置项目经理一名、专职安全生产管理人员两名:
陈奕杉:证书编号 渝150141510950
杨伦全:证书编号 渝1616051000952
程贤义:证书编号 渝1311004025668
3.3.2特种人员:
架工:5人
吴春:证书编号 18510100740300163
杨成:证书编号 鲁A2P2019005869
方国友:证书编号 川A022018002711
方芮: 证书编号18510600140380345
谢祥生:证书编号鲁A2P2019005715
电工:3人
陈本源:证书编号 T511025196307021718
罗军: 证书编号 T511002196606174111
邓礼兵:证书编号川K012017000057
陈泽明:证书编号川K012017000138
3.3.3.具体操作人员见下表10:
表10 操作人员表
序号
工种名称
人数(人)
备注
1
测量工
2人
负责整个工程的测量定位
2
外架工
20
外挑架搭设、检查维护及拆除
3
电 工、安装工
12
管洞预留、预埋及型钢安装、加固等工作
4
普通工
16
材料搬运
3.3.4施工主要作业人员要求
(1)安全员:须持证上岗.熟悉本方案所注意的重点及关键部位,按要求进行安全技术交底;
(2)材料员:须持证上岗,要求熟知材料进场的检验、验收、入库规定;
(3)测量员:须持证上岗,应熟练掌握各类测量工具的操作方法,测量器具的校验周期、计量精度、使用方法等规定,严格控制现场测量成果的精度,随时监测及修整现场偏差;
(4)操作工人:应经过培训,并掌握本专业的技术、安全交底内容.操作熟练
四、施工工艺技术
4.1技术参数
1、悬挑脚手架搭设采用双排单立杆,局部采用三排单立杆,立杆距结构距离0.3m(部分有微调), 立杆横距0.8m,立杆纵距主要为1.5m(部分有微调),纵向水平杆步距1.8m。
2、悬挑层楼面预埋直Φ25mm钢套管做穿墙螺栓,采用工字钢作为底座(外架立杆座在工字钢上)伸出楼面结构外进行悬挑。悬挑型钢为16#工字钢,工字钢端部与钢板满焊,钢板预留螺栓孔(一个圆孔一个腰孔,尺寸及位置详附图)。
3、所有挑梁尾端采用M22 螺栓锚固,挑梁均采用Φ20 的拉杆斜拉,悬挑长度≥1.8m及开口处主梁采用双拉杆,上拉杆点距锚固点为4.2米(层高),有三排或四排立杆位置采用双拉杆,斜拉上锚固点为框架梁或剪力墙板;
4、外脚手架是施工用临时结构,它要承受施工过程中的各种垂直和水平荷载,因此,脚手架必须有足够的承载能力,刚度和稳定性,在各种荷载作用下不发生失稳倒塌,以及超过允许要求的变形、倾斜摇晃或扭曲现象,确保安全。
离墙距离
立杆横距
水平间距
立杆步距
剪刀撑布置
连墙件布置
300mm
0.8m
1.5m
1.8m
4 跨 1 设连续搭设
两步三跨
4.2工艺流程
钢悬挑脚手架搭设的工艺流程为:构件设计制作→施工准备→预埋螺杆→混凝土浇筑→型钢支座安装→脚手架搭设(摆放扫地杆→放置纵向扫地杆→立柱→安装横向扫地杆→安装第一步纵向水平杆→安装第一步横向水平杆→安装连墙件→安装第二步纵向水平杆→安装第二步横向水平杆→安装拉杆→搭设栏杆→加设剪刀撑→铺设脚手板→张挂安全网)→脚手架使用→脚手架拆除
4.3施工方法及操作要求
4.3.1构件设计制作
根据设计图纸和施工现场实际情况,绘制型钢平面布置图,对钢构件连接节点深化设计,确定构件尺寸。详见平面布置图(附图)
4.3.2施工准备
1、在钢构件进场前,策划有关技术人员逐级进行技术交底,确保操作人员熟悉脚手架搭设施工工艺。同时,根据工程总进度计划及工程实际进度合理策划安排持证上岗的脚手架操作工人和普通运送材料小工。
2、在施工现场搭设悬挂脚手架样板,以便操作人员掌握操作要点。悬挂架样板如图所示。

可调拉杆式悬挂脚手架样板
3、将钢构件堆放在指定位置,待使用时搬运至施工场地,要求堆放位置安排紧凑、合理,且在钢构件下垫设木垫或者条石,做好防腐、防潮措施。
4.3.3型钢对拉螺栓套管预埋
在悬挑层楼面边梁或剪力墙结构混凝土浇筑前,对照型钢布置图,复核穿墙螺栓位置。
根据构造要求在建筑物四角用尺量出内、外立杆离墙距离,并做好标记;用钢卷尺拉直,分出立杆位置,并用小竹片点出立杆标记;预埋套管应准确定位后预埋(预埋节点大样详附图)。

穿墙螺栓套管预埋(内高外低)
4.3.4悬挑层结构混凝土浇筑
螺栓套管预埋安装完成,检查复核安装位置,偏差控制在允许范围内。混凝土浇捣过程中,避免振动过大,影响预埋套管定位。
4.3.5型钢支座安装
型钢支座安装时,首先在预埋套管内插入穿墙螺栓,将外墙内侧的螺母拧紧,螺母与外墙间设置垫片。然后将型钢支座顶端的螺栓孔对准穿墙螺栓嵌入,型钢支座顶端加设垫片,并用螺母拧紧;垫片不小于70mm*70mm*8mm。
4.3.6走钢安装
主梁工字钢安装完成且通过验收后进行,进行主梁上走钢(次梁)安装,走钢拟采用14#工字钢,走钢平面布置详见平面布置图,走钢焊接在主梁工字钢上。
4.3.7钢管脚手架搭设
型钢支座安装好后,按照常规方法搭设脚手架立杆、水平杆、扫地杆、连墙件,立杆与水平杆搭设。
1、立杆
(1)双排脚手架必须设置纵、横向扫地杆。纵向扫地杆应采用直角扣件固定在距钢管底端不大于200mm处的立杆上。横向扫地杆应采用直角扣件固定在紧靠纵向扫地杆下方的立杆上。
(2)立杆必须用连墙件与建筑物可靠连接,连墙件设置横向间距为4.5m,即每隔三跨设置;竖向间距3.6m设置,每隔两步设置且每层必须有连墙件。
(3)立杆接长除顶层顶步可采用搭接外,其余各层各步接头必须采用对接扣件连接。对接,搭接应符合下列规定:
1)立杆上的对接扣件应交错布置:两根相邻立杆的接头不应设置在同步内,同步内隔一根立杆的两个相隔接头在高度方向错开的距离不宜小于500mm;各接头中心在主节点的距离不宜大于步距的1/3;
2)作业层设置1.2m高栏杆,出屋面后立杆顶端高出女儿墙1.5m,水平杆间距不大于400mm。
2、扫地杆
离钢挑梁外端100mm 处,工字钢上焊2Φ25×200的钢筋头,可供脚手架立杆插入其中,固定立杆位置。同时在立杆下部不高于200mm部位扣接纵横向扫地杆,以确保脚手架的稳定。
3、纵向水平杆
(1)纵向水平杆设置在立杆内侧,其长度不宜小于3跨。
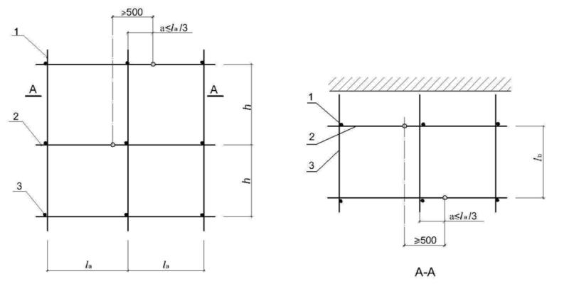
(2)纵向水平杆接长采用对接扣件连接,对接扣件交错布置,两根相邻纵向水平杆的接头不应设置在同步或同跨内;不同步或不同跨两个相邻接头在水平方向错开的距离不应小于500mm;各接头中心至最近主节点的距离不应大于纵距的1/3,如下图所示:

(a)接头不在同步内(立面) (b)接头不在同跨内(平面)
纵向水平杆对接接头布置图
注:1-立杆;2-纵向水平杆;3-横向水平杆
4、脚手板
(1)作业层及水平防护层脚手板必须满铺、铺稳,铺实。
(2)在搭设完毕的外脚手架作业层上,满铺一层事先准备好的成型钢笆网片。钢笆网铺设在横向水平杆上,与水平杆接触处四角及中部用直径为16#的镀锌铁丝缠绕2~3圈固定牢固,防止移动位置。钢笆网铺设时,操作层应满铺、铺稳。按主筋垂直于横向水平杆方向铺设,接缝处对接平铺,绑扎牢固。拐角处两个方向的钢笆网应搭接放置,搭接长度不得小于200mm,避免出现空挡现象,并用镀锌铁丝固定牢靠
脚手板对接、搭接构造

(3)脚手架与结构之间的间隙用水平兜网进行防。
5、剪刀撑及横向斜撑
(1)要求由底至顶连续设置剪刀撑。如下图:


剪刀撑示意图
(2)每道剪刀撑跨越立杆的根数为5~ 7根,每道剪刀撑宽度不应小于4跨,且不应小于6m,斜杆与地面的倾角宜在45度~60度之间;
(3)剪刀撑斜杆的接长宜采用搭接,搭接长度不应小于1m,应采用不少于3个旋转扣件固定,端部扣件盖板的边缘距离不应小于100mm;
(4)剪刀撑斜杆应用旋转扣件固定在立杆上,旋转扣件中心线至主节点的距离不宜大于150mm。
6、横向斜撑应在同一节间,由底至顶层呈之字型连续布置,斜撑的固定宜采用旋转扣件固定在与之相交的横向水平杆的伸出端上,旋转扣件中心线至主节点的距离不宜大于 150mm。施工电梯位置设置横向斜撑。
横向斜撑设置示意图
7、卸料平台
本工程拟计划每层布置两个卸料平台,具体位置详平面布置,卸料平台宽2.1m两侧各预留10公分距离预埋工字钢,卸料平台两侧因需按规范布置双立杆,故两侧布置工字钢方便双立杆搭设施工。
4.3.8拉杆拉结螺栓套筒预埋
在悬挑层上层结构混凝土浇筑前,预埋拉杆穿墙螺栓套筒,方法与预埋连接型钢的穿墙螺栓套筒方法相同,要保证其预埋的位置准确。拉杆穿飘窗时,预先在飘窗部位预留孔洞,预留孔洞与略大于拉杆直径,孔洞与待拆架后进行封堵。
拉杆穿墙螺栓套筒预埋完成后,即可浇筑悬挑层脚手架的上层结构混凝土,浇捣、养护方法,同悬挑层结构混凝土施工。
4.3.9花篮拉杆安装
悬挑层上层结构混凝土施工完成后,开始进行拉杆的安装。
安装拉杆时,先将两头的拉杆通过套筒组件连接好,调整到合适的长度。然后,分别紧固上节拉杆、下节拉杆,并旋转至预紧状态,此时各拉杆预紧拉力要保持一致。最后将销栓穿过型钢支座挑出端的预留孔洞,并在销栓穿出钢板端使用开口销,防止销栓横向移动,使下节拉杆与型钢支座连接紧固。

花篮套筒拉结
4.3.10脚手架搭设和使用
脚手架安装完成,进行安全性能检测,验收合格后,方可进行上一层脚手架搭设。
4.3.11脚手架拆除
(1)脚手架拆除,严格按照先搭后拆、后搭先拆的原则进行。同时,拆除作业应由上至下、逐层拆除,严禁上下同时作业。
(2)拆除前,先全面检查脚手架的扣件连接、拉墙件、支撑体系的安全完全完整性, 并根据检查结果制定完善的拆除方案和安全防护措施,对作业工人进行拆除安全技术交底,清理脚手架上的杂物及未处理垃圾。
(3)脚手架拉接件必须随着脚手架逐层拆除,分段拆除高差不应大于两步,如高差大于两步应增设连墙件加固。对不拆除的脚手架两端应按规定设置连墙件和横向斜撑加固。
(4)脚手架架体完全拆除后,方可进行拉杆拆除。
(5)型钢支座最后拆除。
4.4操作要求及检查要求
4.4.1钢管及焊接钢板选材
1、脚手架外径48mm、壁厚3.6mm焊接钢管(计算采用φ48×2.9),小横杆长 1.5m左右,大横杠和立杆的长度为4-6米左右。变形、锈蚀超过规定的钢管禁止使用。
2、钢板 Q235 钢材,所有焊缝规格二级,焊缝厚度不小于 8mm,焊缝长度不小于120mm,型钢与钢板双面满焊。
4.4.2型钢主梁锚固构造措施
按外脚手架平面及工字钢梁布置图上工字钢梁的设置位置,在起挑层主体砼浇灌前, 在梁或剪力墙上预埋两个水平布置Φ25 钢套管成孔,事先加工与钢板孔位相同的模具, 将螺栓套管精准定位。砼浇灌后将钢梁按照水平标高安放在下层脚手架体上,经位置校订后再用M22 的螺栓拧紧(双螺母,丝牙露出不小于 10mm)。型钢双面满焊在钢板上,钢板通过螺栓固定在结构梁/墙上。(具体详附图)
4.4.3定型斜拉杆的连接措施
1、定型拉杆中间用定加工花篮螺丝预加拉力将斜拉钢筋(φ20)紧固在外挑钢梁上, 每根悬挑钢梁均设置一根钢筋斜拉,钢筋预加拉力紧固。

花篮拉杆上端固定节点





花篮拉杆花篮螺栓节点
4.4.4悬挑架剖面构造节点

剖面构造节点
4.4.5脚手架立杆与悬挑钢梁的连接
立杆的位置处焊接Φ25的短钢筋(长度100mm,间距根据立杆布置),外脚手架搭设时将立杆套在短钢筋头上,然后搭设扫地杆。悬挑梁及架体稳定。

立杆与工字钢连接节点
4.4.6脚手架连墙件
(1)连墙件采用刚性连接,垂直间距为3.60m,水平间距为4.50m。连墙杆用Φ48×3.6钢管,它与脚手架、建筑物的连接采用直角扣件。
(2)在结构外围梁上预埋Φ48×3.6 的钢管,用Φ48×3.6的钢管与脚手架可靠拉结。在结构剪力墙部位可采用直径 14 穿墙螺杆与连墙件钢管焊接的方式进行拉结。
(3)连墙件横竖向顺序排列、均匀布置、与架体和结构立面垂直,并尽量靠近主节点(距主节点的距离不大于 30cm)。连墙杆伸出扣件的距离应大于 10cm。底部第一根大横杆就开始布置连墙杆。
(4)施工电梯开口部位每步设置连墙件,并设置之字形支撑。
(5)本工程连墙件设置方式为两步三跨且每层必须设置连墙件,对于施工电梯及卸料平台等开口部位,两侧需加设连墙件。
4.4.7挑架顶端处理
由于本工程悬挑架采用预埋螺栓锚固加拉杆拉接,在搭设第二挑脚手架的第一层时,楼层结构尚未浇筑完成,无法用拉杆拉接,所以顶部采用顶托支撑:

挑架顶端图
顶托拆除时,螺栓位置砼强度必须达到80%,且不小于C25。
4.4.8防护栏杆
外挑脚手架外侧大横杆与钢笆网片之间按临时防护要求设置二根通长的防护栏杆, 防止作业人员附落和钢笆片上的物料滚落。第一根防护栏杆自上而下离大横杆 0.6 米,第二根防护栏杆离大横杆 1.2 米。
4.4.9安全网
安全网分平网和立网两种,平网采用锦纶材料制成,立网采用密目安全网(绿色),安全网出厂前,必须有国家指定的监督检测部门批量验证和检验员检验合格证。安全网在贮运中,必须通风、遮光、隔热,同时要避免化学物品的侵蚀,搬运时禁止使用钩子, 已使用过的安全网必须经过检查和试验合格后方可使用,超过使用期限的安全网严禁使用。楼侧采用平网防护,具体示意如下图:

平网防护示意图
按规定在脚手架的外侧(外排立杆的内侧)设置密目安全网。密目安全网采用Φ1.2mm 镀锌钢丝网将网边每隔45cm的环扣间距系牢在脚手管上。
施工层以下脚手架每隔10m以及底部用双层网兜进行封闭:

网兜设置示意图
4.4.10大、小横杆设置与杆件搭接
大、小横杆设置:按规范要求在立杆与大横杆的交点处设置小横杆,小横杆就紧靠立杆用扣件与预埋与里外排大横杆扣牢。小横杆两端应固定在立杆上,大横杆搁置在小横杆上固定。
杆件搭接:本工程脚手架的立杆及大横杆的接长全部采用对接方法;剪刀撑接长采用搭接,搭接长度为 1000mm,且保证接头处转向扣件为三只。考虑脚手架的各杆件接头处传力性能差,所以连接应交错排列,不得设置在一个平面内。
4.4.11梁加强处理
考虑到悬挑工字钢在结构梁上进行预埋或者预留洞口对结构有一定的影响,故在结构原设计基础上增设 2A14 腰筋的方法进行补强处理。
4.4.12施工电梯加强处理
处于人货电梯出入口处悬挑架,因荷载较大,必须进行加强;人货电梯必须设置在工字钢1.3m处,此处工字钢采用双排花篮拉杆。如图:

施工电梯处架体剖面图
4.4.13节点实物照片











5、施工安全保证措施
5.1策划保障措施
5.1.1安全策划机构
名称
姓名
岗位
职责
组长
陈奕杉
项目经理
负责对本次施工作业的安全、质量、进度等进行总管理和总指挥,并对本方案的实施进行最终验收。
副组长
陈贤义
质安经理
负责对本次施工作业的安全、质量进行总管理和总协调
技术经理
负责本次施工技术总负责和对本方案的实施进行最终验收。
组员
周利
技术部门负责人
负责本次施工作业的技术指导及解决技术问题,参与方案实施验收。
邹锟
质量部门负责人
负责本次施工作业质量控制及管理,参与方案实施验收