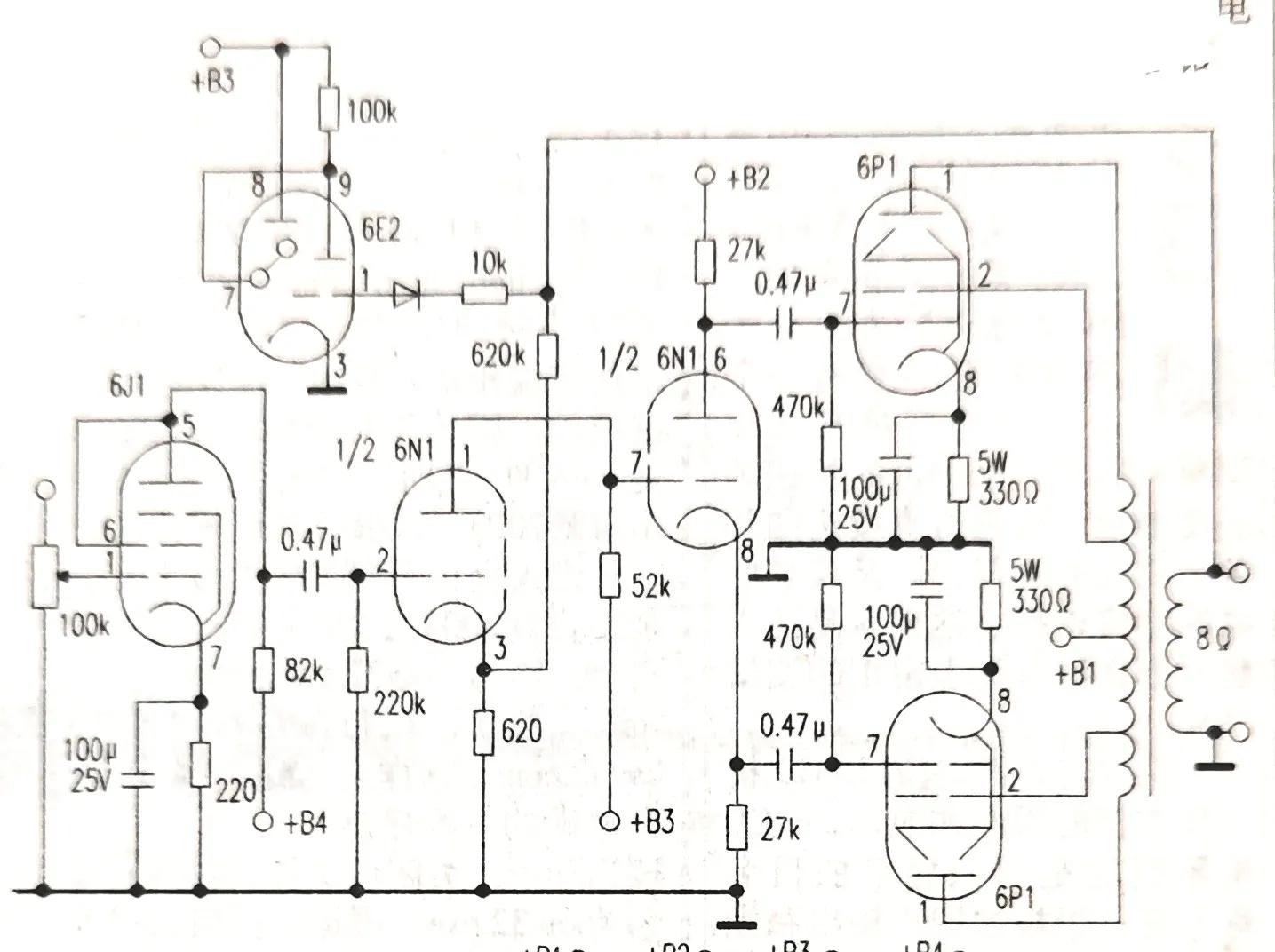
该电路由超线性放大器改进而来,电路如下图

音频信号经音量电位器后 直接送入6J1 进行电压放大, 接成三极管形式以降低放大倍 数,从而减小失真。这一级在 信号上没有任何负反馈(直流 除外),所以速度回应比较快。
6N1组成功率推动级和倒相 级,它们之间采用和超线性放 大器一样的接法以减少由耦合 电容引起的高低频损失;倒相 级由简单的分负载倒相因而免 去了复杂的倒相调试工作。
功 率输出由6P1担任,采用自偏 方式工作,工作点选在接近于 甲类放大的线性区,从而有效 地避免了由于非线性所引起的 失真。
输出变压器可自制也可用 一般的推挽变压器,最好有超线性接法抽头; 没有则用标准接 法,对音质影响 不大;屏对屏阻抗 在10~11k左右。
电源变压器最好能提供AC230V/0.4A 、AC6.3V /4A (两组)、AC12V/ 0.5A(以上数据为两声道公用一变 压器数据);电感L用一般小功 率电源变压器铁心绕满即可或 直接釆用40W日光灯铁心镇流 器代用。电源电路如下图

整流用一般晶体管整 流,附带高压延时。电阻除标明 外功率皆为1W,金膜碳膜均 可,6P1阴极电阻可用5W水泥电 阻。滤波电容可用一般电解电 容,各级耦合电容用CJ10系列电容器,阴流旁路 电容最好选择钽电容。
电路图中 6E2作为音量指示兼装饰用 6P1最好用同一批次管,没有也 无所谓用国产“曙光牌” 进行推挽工作,其音质不变。
装配完毕后一般无需进行 复杂的调试工作即可开声放歌; 还可根据自己喜好适当调整620k负反馈电阻。
每声道基本参数(8欧):最大输 出功率≈18W,频率回应68Hz~ 25kHz,无信号时输出噪声电 压≈0.42V。
点赞转发加关注谢谢您的支持!