水处理公式是我们在工作中经常要使用到的东西,在这里我总结了几个常常用到的计算公式,涵盖格栅、污泥池、风机、MBR、AAO进出水系统、芬顿、碳源、除磷、反渗透、水泵和隔油池的计算,大家可有针对性的查看。
格栅的设计计算
一、格栅设计一般规定
1、栅隙
(1)水泵前格栅栅条间隙应根据水泵要求确定。
(2) 废水处理系统前格栅栅条间隙,应符合下列要求:最大间隙40mm,其中人工清除25~40mm,机械清除16~25mm。废水处理厂亦可设置粗、细两道格栅,粗格栅栅条间隙50~100mm。
(3) 大型废水处理厂可设置粗、中、细三道格栅。
(4) 如泵前格栅间隙不大于25mm,废水处理系统前可不再设置格栅。
2、栅渣
(1) 栅渣量与多种因素有关,在无当地运行资料时,可以采用以下资料。
格栅间隙16~25mm;0.10~0.05m3/103m3 (栅渣/废水)。
格栅间隙30~50mm;0.03~0.01m3/103m3 (栅渣/废水)。
(2) 栅渣的含水率一般为80%,容重约为960kg/m3。
(3) 在大型废水处理厂或泵站前的大型格栅(每日栅渣量大于0.2m3),一般应采用机械清渣。
3、其他参数
(1) 过栅流速一般采用0.6~1.0m/s。
(2) 格栅前渠道内水流速度一般采用0.4~0.9m/s。
(3) 格栅倾角一般采用45°~75°,小角度较省力,但占地面积大。
(4) 机械格栅的动力装置一般宜设在室内,或采取其他保护设备的措施。
(5) 设置格栅装置的构筑物,必须考虑设有良好的通风设施。
(6) 大中型格栅间内应安装吊运设备,以进行设备的检修和栅渣的日常清除。
二、格栅的设计计算
1、平面格栅设计计算
(1) 栅槽宽度B
式中,S为栅条宽度,m;n为栅条间隙数,个;b为栅条间隙,m;为最大设计流量,m3/s;a为格栅倾角,(°); h为栅前水深,m,不能高于来水管(渠)水深;v为过栅流速,m/s。
(2) 过栅水头损失如
式中,h0为计箅水头损失,m;k为系数,格栅堵塞时水头损失增大倍数,一般采用3;ζ 为阻力系数,与栅条断而形状有关,按表2-1-1阻力系数ζ计箅公式计算;g为重力加速度,m/s2。
(3) 榭后槽总高H
式中,h2为栅前渠道超高,m,—般采用0.3。
(4) 栅槽总长L
式中,L1为进水渠道渐宽部分的长度,m;L2为栅槽与出水渠道连接处的渐窄部分长度;H1为栅前渠道深,m;B1为进水渠宽,m;α1为进水渠道渐宽部分的展开角度,(°),一般可采用20。
(5)每日栅渣量W

式中,W1为栅渣量,m3/103m3废水,格栅间隙为16~25mm时,W1=0.10~0.05;格栅间隙为30~50mm时,W1 =0.03~0.01;Kz为城市生活污水流量总变化系数。
污泥池计算公式
一、地基承载力验算
1、基底压力计算
(1)水池自重Gc计算
顶板自重G1=180.00 kN
池壁自重G2=446.25kN
底板自重G3=318.75kN
水池结构自重Gc=G1+G2+G3=945.00 kN
(2)池内水重Gw计算
池内水重Gw=721.50 kN
(3)覆土重量计算
池顶覆土重量Gt1= 0 kN
池顶地下水重量Gs1= 0 kN
底板外挑覆土重量Gt2= 279.50 kN
底板外挑地下水重量Gs2= 45.50 kN
基底以上的覆盖土总重量Gt = Gt1 + Gt2 = 279.50 kN
基底以上的地下水总重量Gs = Gs1 + Gs2 = 45.50 kN
(4)活荷载作用Gh
顶板活荷载作用力Gh1= 54.00 kN
地面活荷载作用力Gh2= 65.00 kN
活荷载作用力总和Gh=Gh1+Gh2=119.00 kN
(5)基底压力Pk
基底面积: A=(L+2×t2)×(B+2×t2)=5.000×8.500 = 42.50 m2
基底压强: Pk=(Gc+Gw+Gt+Gs+Gh)/A
=(945.00+721.50+279.50+45.50+119.00)/42.500= 49.66 kN/m2
2、修正地基承载力
(1)计算基础底面以上土的加权平均重度rm
rm=[1.000×(20.00-10)+2.000×18.00]/3.000= 15.33 kN/m3
(2)计算基础底面以下土的重度r
考虑地下水作用,取浮重度,r=20.00-10=10.00kN/m3
(3)根据基础规范的要求,修正地基承载力:
fa = fak + ηb γ(b - 3) + ηdγm(d - 0.5)
= 100.00+0.00×10.00×(5.000-3)+1.00×15.33×(3.000-0.5)= 138.33 kPa
3、结论
Pk=49.66
二、抗浮验算
抗浮力Gk=Gc+Gt+Gs=945.00+279.50+45.50=1270.00 kN
浮力F=(4.500+2×0.250)×(8.000+2×0.250)×1.000×10.0×1.00=425.00 kN
Gk/F=1270.00/425.00=2.99 > Kf=1.05, 抗浮满足要求。
三、荷载计算
1、顶板荷载计算:
池顶板自重荷载标准值:P1=25.00×0.200= 5.00 kN/m2
池顶活荷载标准值:Ph= 1.50 kN/m2
池顶均布荷载基本组合:
Qt = 1.20×P1 + 1.27×Ph= 7.91 kN/m2
池顶均布荷载准永久组合:
Qte = P1 + 0.40×Ph= 5.60 kN/m2
2、池壁荷载计算:
池外荷载:主动土压力系数Ka= 0.33
侧向土压力荷载组合(kN/m2):

池内底部水压力: 标准值= 25.00 kN/m2, 基本组合设计值=31.75 kN/m2
3、底板荷载计算(池内无水,池外填土):
水池结构自重标准值Gc=945.00kN
基础底面以上土重标准值Gt=279.50kN
基础底面以上水重标准值Gs=45.50kN
基础底面以上活载标准值Gh=119.00kN
水池底板以上全部竖向压力基本组合:
Qb = (945.00×1.20+279.50×1.27+45.50×1.27+119.00×1.27×0.90)/42.500= 39.59kN/m2
水池底板以上全部竖向压力准永久组合:
Qbe = (945.00+279.50+45.50×1.00+1.50×36.000×0.40+10.00×6.500×0.40)/42.500= 31.00kN/m2
板底均布净反力基本组合:
Q = 39.59-0.300×25.00×1.20= 30.59 kN/m2
板底均布净反力准永久组合:
Qe = 31.00-0.300×25.00= 23.50 kN/m2
4、底板荷载计算(池内有水,池外无土):
水池底板以上全部竖向压力基本组合:
Qb=[4.500×8.000×1.50×1.27+945.00×1.20+(3.900×7.400×2.500)×10.00×1.27]/42.500 = 49.86kN/m2
板底均布净反力基本组合:
Q = 49.86-(0.300×25.00×1.20+2.500×10.00×1.27) = 9.11kN/m2
水池底板以上全部竖向压力准永久组合:
Qbe=[4.500×8.000×1.50×0.40+945.00+(3.900×7.400×2.500)×10.00]/42.500 = 39.72kN/m2
板底均布净反力准永久组合:
Qe=39.72-(0.300×25.00+2.500×10.00) = 7.22kN/m2
四、内力、配筋及裂缝计算
1、弯矩正负号规则
顶板:下侧受拉为正,上侧受拉为负
池壁:内侧受拉为正,外侧受拉为负
底板:上侧受拉为正,下侧受拉为负
2、荷载组合方式
(1)池外土压力作用(池内无水,池外填土)
(2)池内水压力作用(池内有水,池外无土)
(3)池壁温湿度作用(池内外温差=池内温度-池外温度)
顶板内力:
计算跨度: Lx= 4.100 m, Ly= 7.600 m , 四边简支
按双向板计算:


B侧池壁内力:
计算跨度: Lx= 7.700 m, Ly= 2.500 m , 三边固定,顶边简支
池壁类型:浅池壁,按竖向单向板计算
池外土压力作用角隅处弯矩(kN.m/m):
基本组合:-8.13, 准永久组合:-5.61
池内水压力作用角隅处弯矩(kN.m/m):
基本组合:6.95,准永久组合:5.47
基本组合作用弯矩表(kN·m/m)

底板内力:
计算跨度:Lx= 4.200m, Ly= 7.700m , 四边简支+池壁传递弯矩按双向板计算。
1、池外填土,池内无水时,荷载组合作用弯矩表(kN·m/m)
基本组合作用弯矩表:

配筋及裂缝:
配筋计算方法:按单筋受弯构件计算板受拉钢筋。
裂缝计算根据《水池结构规程》附录A公式计算。
按基本组合弯矩计算配筋,按准永久组合弯矩计算裂缝,结果如下:
顶板配筋及裂缝表(弯矩:kN.m/m, 面积:mm2/m, 裂缝:mm)


风机常需用的计算公式
(简化,近似,一般情况下用)
1、轴功率:

注:0.8是风机效率,是一个变数,0.98是一个机械效率也是一个变数(A型为1,D、F型为0.98,C、B型为0.95)
2、风机全压:(未在标准情况下修正)

式中:P1=工况全压(Pa)、P2=设计标准压力(或表中全压Pa)、B=当地大气压(mmHg)、T2=工况介质温度℃、T1= 表中或未修正的设计温度℃、760mmHg=在海拔0m,空气在20℃情况下的大气压。
3、海拨高度换算当地大气压:
(760mmHg)-(海拨高度÷12.75)=当地大气压 (mmHg)
注:海拔高度在300m以下的可不修正。
1mmH2O=9.8073Pa
1mmHg=13.5951mmH2O
760mmHg=10332.3117 mmH2O
4、风机流量0~1000m海拨高度时可不修正;
1000~1500M海拨高度时加2%的流量;
1500~2500M海拨高度时加3%的流量;
2500M以上海拨高度时加5%的流量。
比转速:ns




MBR计算公式



AAO进出水系统设计计算
一、曝气池的进水设计
初沉池的来水通过DN1000mm 的管道送入厌氧—缺氧—好氧曝气池首端的进水渠道,管道内的水流速度为0.84m/s。在进水渠道中污水从曝气池进水口流入厌氧段,进水渠道宽1.0m,渠道内水深为1.0m,则渠道内最大水流速度

式中:v1——渠内最大水流速度(m/s );
b1——进水渠道宽度(m);
h1——进水渠道有效水深(m)。
设计中取b1=1.0m,h1=1.0m
V1=0.66/(2×1.0×1.0)=0.33m/s
反应池采用潜孔进水,孔口面积
F=Qs/Nv2
式中:F——每座反应池所需孔口面积(m2);
v2——孔口流速(m/ s ),一般采用0.2~1.5 m/ s 。
设计中取v2=0.4 m/s
F=0.66/2×0.4=0.66m2
设每个孔口尺寸为0.5m×0.5m,则孔口数
N=F/f
式中:n——每座曝气池所需孔口数(个);
f——每个孔口的面积( m2 )。
n=0.66/0.5×0.5=2.64
取n=3
孔口布置图如下图图所示:

二、曝气池出水设计
厌氧—缺氧—好氧池的出水采用矩形薄壁堰,跌落出水,堰上水头

式中:H——堰上水头(m);
Q——每座反应池出水量(m3/s),指污水最大流量( 0.579m/s);与回流污泥量、回流量之和(0.717×160% m3/s);
m——流量系数,一般采用0.4~0.5;
b——堰宽(m);与反应池宽度相等。
设计中取m=0.4,b=5.0m

设计中取为0.19m。
厌氧—缺氧—好氧池的最大出水流量为(0.66+0.66/1.368×160%)=1.43m3/s,出水管管径采用DN1500mm,送往二沉池,管道内的流速为0.81m/s。
芬顿计算公式



碳源计算公式
一、碳源选择
通常反硝化可利用的碳源分为快速碳源(如甲醇、乙酸、乙酸钠等)、慢速碳源(如淀粉、蛋白质、葡萄糖等)和细胞物质。不同的外加碳源对系统的反硝化影响不同,即使外加碳投加量相同,反硝化效果也不同。
与慢速碳源和细胞物质相比,甲醇、乙醇、乙酸、乙酸钠等快速碳源的反硝化速率最快,因此应用较多。表1 对比了四种快速碳源的性能。

二、碳源投加量计算
1、氮平衡
进水总氮和出水总氮均包括各种形态的氮。进水总氮主要是氨氮和有机氮,出水总氮主要是硝态氮和有机氮。
进水总氮进入到生物反应池,一部分通过反硝化作用排入大气,一部分通过同化作用进入活性污泥中,剩余的出水总氮需满足相关水质排放要求。
2、碳源投加量计算
同化作用进入污泥中的氮按BOD5 去除量的5%计,即0.05(Si-Se),其中Si、Se 分别为进水和出水的BOD5 浓度。
反硝化作用去除的氮与反硝化工艺缺氧池容大小和进水BOD5 浓度有关。
反硝化设计参数的概念,是将其定义为反硝化的硝态氮浓度与进水BOD5 浓度之比, 表示为Kde(kgNO3--N/kgBOD5)。
由此可算出反硝化去除的硝态氮
[NO3--N]=KdeSi。
从理论上讲,反硝化1kg 硝态氮消耗2.86kgBOD5,即:
Kde=1/2.86(kg NO3--N/kgBOD5)
=0.35(kg NO3--N/kgBOD5)
污水处理厂需消耗外加碳源对应氮量的计算公式为:
N=Ne 计 - NsNe 计=Ni - KdeSi - 0.05(Si-Se)
式中:
N—需消耗外加碳源对应氮量,mg/L;
Ne 计—根据设计的污水水质和设计的工艺参数计算出能达到的出水总氮,mg/L;
Ns— 二沉池出水总氮排放标准, mg/L;
Kde—0.35,kg
NO3--N/kgBOD5;
Si—进水BOD5 浓度,mg/L;
Se—出水BOD5 浓度,mg/L;
Ne 计需通过建立氮平衡方程计算,生化反应系统的氮平衡见图1。

通过计算出的氮量,折算成需消耗的碳量。
除磷计算公式
一、除磷药剂投加量的计算
国内较常用的是铁盐或铝盐,它们与磷的化学反应如式(1)、(2)。
Al3++PO43-→AlPO4↓(1)
Fe3++PO43-→FePO4↓(2)
与沉淀反应相竞争的反应是金属离子与OH-的反应,反应式如式(3)、(4)。
Al3++3OH-→Al(OH)3↓(3)
Fe3++3OH-→Fe(OH)3↓(4)
由式(1)和式(2)可知去除1mol的磷酸盐,需要1mol的铁离子或铝离子。
由于在实际工程中,反应并不是100%有效进行的,加之OH-会参与竞争,与金属离子反应,生成相应的氢氧化物,如式(3) 和式(4),所以实际化学沉淀药剂一般需要超量投加,以保证达到所需要的出水 P浓度。
《给水排水设计手册》第5册和德国设计规范中都提到了同步沉淀化学除磷可按1mol磷需投加1.5mol的铝盐 (或铁盐)来考虑。
为了计算方便,实际计算中将摩尔换算成质量单位。如:
1molFe=56gFe,1 molAl=27gAl,1molP=31gP;
也就是说去除1kg 磷,当采用铁盐时需要投加:1.5×(56/31)=2.7 kgFe/kgP;
当采用铝盐时需投加:1.5×(27/31)= 1.3kgAl/kgP。
二、需要辅助化学除磷去除的磷量计算
同步沉淀化学除磷系统中,想要计算出除磷药剂的投加量,关键是先求得需要辅助化学除磷去除的磷量。对于已经运行的污水处理厂及设计中的污水处理厂其算法有所不同。
1、已经运行的污水处理厂
PPrec=PEST-PER (5)
(5) 式中
PPrec——需要辅助化学除磷去除的磷量,mg/L;
PEST——二沉池出水总磷实测浓度,mg/L;
PER——污水处理厂出水允许总磷浓度,mg/L。
2、设计中的污水处理厂
根据磷的物料平衡可得:
PPrec=PIAT-PER-PBM -PBioP (6)
(6) 式中
PIAT——生化系统进水中总磷设计浓度,mg/L;
PBM ——通过生物合成去除的磷量,PBM= 0.01CBOD,IAT,mg/L;
CBOD,IAT——生化系统进水中 BOD5 实测浓度, mg/L;
PBioP——通过生物过量吸附去除的磷量,mg/L。
PBioP值与多种因素有关,德国 ATV-A131标准中推荐PBioP的取值可根据如下几种情况进行估算:
(1)当生化系统中设有前置厌氧池时,PBioP可按(0.01~0.015)CBOD,IAT进行估算。
(2)当水温较低、出水中硝态氮浓度≥15mg/L,即使设有前置厌氧池,生物除磷的效果也将受到一定的影响,PBioP可按 (0.005~0.01)CBOD,IAT 进行估算。
(3)当生化系统中设有前置反硝化或多级反硝化池,但未设厌氧池时,PBioP可按≤0.005CBOD,IAT进行估算。
(4)当水温较低,回流至反硝化区的内回流混合液部分回流至厌氧池时(此时为改善反硝化效果将厌氧池作为缺氧池使用),PBioP可按≤0.005CBOD,IAT进行估算。
反渗透计算公式







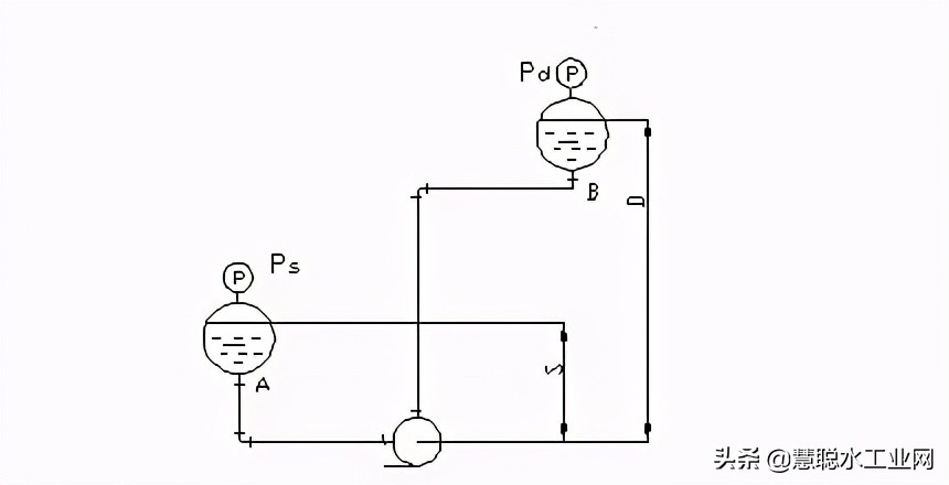
水泵计算公式
泵的扬程计算是选择泵的重要依据,这是由管网系统的安装和操作条件决定的。计算前应首先绘制流程草图,平、立面布置图,计算出管线的长度、管径及管件型式和数量。
一般管网如下图所示,(更多图例可参考化工工艺设计手册)。
D——排出几何高度,m;
取值:高于泵入口中心线:为正;低于泵入口中心线:为负;
S——吸入几何高度,m;
取值:高于泵入口中心线:为负;低于泵入口中心线:为正;
Pd、Ps——容器内操作压力,m液柱(表压);
取值:以表压正负为准
Hf1——直管阻力损失,m液柱;
Hf2——管件阻力损失,m液柱;
Hf3——进出口局部阻力损失,m液柱;
h ——泵的扬程,m液柱

h=D+S+hf1+hf2+h3+Pd-Ps

h= D-S+hf1+hf2+hf3+Pd-Ps

h= D+S+hf1+hf2+hf3+Pd-Ps
计算式中各参数符号的意义↓

某些工业管材的ε约值见下表↓

管网局部阻力计算 ↓

常用管件和阀件底局部阻力系数ζ↓

隔油池计算公式
一、设计基准
可能分离的油的最小粒径:d≥15μm;
油的密度:ρ=0.92~0.95g/cm3;
隔油池水平流速:v≤0.9m/min,且不大于油滴上浮速度的15倍;
池子的尺寸范围:深度0.9~2.4m;宽度1.8~6.1m;深度/宽度0.3~0.5;安全系数k=1.6。
二、计算
过水断面积A:
A=Q/v,m2 (1)
式中:
Q——处理水量,m3/min;
v——水平流速,m/min;
v≤15u (2)

式中
G——重力加速度,980cm/s2
ρ油——油的密度,g/cm3
ρ水——水的密度,g/cm3
d——油滴粒径,一般取0.015cm
μ——动力粘度系数,(g·s)/cm2,当水温为20℃时μ=0.0102
u——油滴上浮速度,m/min
池子宽度B和有效水深h1,按设计基准取下限值,然后校核Bh1≥A,否则重新设定B、h1值。
池总长度 L=L1+L2+L3+L4
式中
L1——布水槽宽度,一般取0.5~0.8m;
L2——油水分离区有效长度,m;
L2=kvt
式中
t——沉淀时间,min
t=h1/u
其他符号同前
L3——集水槽宽度,一般取0.8m;
L4——吸水井宽度,m。
吸水井有效容积大于排水泵5min排水量。
三、浮上油的处置
浮油经撇油管收集,自流出水外。在浮油量不 大,来水比较稳定时,可在池外用油桶接受,否则 需设贮油坑,坑顶面高度与隔油池顶相平。对温度 低时粘度较大的浮油,贮油坑里可设蒸汽加热。

1—料斗; 2—定量给料器; 3—溶解溶液桶;
4—搅拌机; 5—计量泵; 6—Y型过滤器。
(来源:环保水圈)