上面我们简单提了一句,FOC控制最终是希望把三相电机当成直流电机一样来进行控制。那么这里提出两个问题:
a)直流电机是怎么工作的?
b)直流电机也有dq轴模型吗?
2.3.1直流电机工作原理
一台最简单直流电机的结构图如下图所示。

图5 两极直流电机原理图
这里将转子线圈B的首端B和末端B′分别连到两个半圆弧形的铜片上,此铜片称为换向片。换向片固定在转轴上,与转子一道旋转。在两个换向片上放置一对固定不动的电刷,线圈B′通过换向片和电刷与外电源接通。当线圈边B′由N极转到S极下时,与B′相连的换向片便与下方的电刷接触,此时线圈边B′中的电流方向随之改变,亦即在换向片和电刷的共同作用下,将原来流经线圈B′的直流改变为了交流。对于线圈边B亦如此。由转矩公式可知,当θr变为负值时,由于同时改变iB的方向,因此电磁转矩的方向仍保持不变,平均电磁转矩不再为零,但是转矩是脉动的。这也很好理解,随着线圈的运动,线圈磁场与励磁磁场的夹角一直是变化的,所以转矩也就是脉动的。
下图是一个实际直流电机的示意图:

图6两极真实直流电机示意图
与上图对比,绕组A成为了定子励磁绕组(也可以永磁体产生),励磁电流 if 为直流,这里假设其在气隙中产生的励磁磁场为正弦分布(或取其基波),形成了主磁极N极和S极。此外,将绕组B分解成多个线圈且均匀分布在转子槽中,构成了电枢绕组。每个线圈与一组换向片相接,将多个换向片总成为圆桶型换向器,安装在转子上(图中没有画出),一对固定电刷放在换向器上。在电刷和换向器作用下,转子在旋转过程中,电枢绕组中每单个线圈的电流换向情况与上图所示相同。
图中,依靠电刷和换向器的作用,使运动于N极下的各线圈边的电流方向始终向外,而运动于S极下的各线圈边的电流方向始终向内。这样,尽管单个线圈中的电流为交流,但处于N极和S极下两个支路中的电流却是直流。
从电磁转矩生成的角度看,各单个线圈产生的转矩仍然脉动,但多个线圈产生转矩的总和其脉动将大为减小。若线圈个数为无限多,转矩脉动将消失,总转矩就为恒定的。这样电机将按照恒定的电磁转矩运行下去。
2.3.2直流电机的dq轴模型
如图所示,将主磁极基波磁场轴线定义为d轴(直轴),将d轴反时针旋转90°定义为q轴(交轴),电枢绕组产生的基波磁场轴线与q轴一致。
电枢绕组本来是旋转的,但在电刷和换向器的作用下,电枢绕组产生的基波磁场轴线在空间却固定不动。通常,将具有这种性质的旋转绕组称为换向器绕组。
在直流电机动态分析中,常将这种换向器绕组等效为一个“伪静止线圈”,如下图所示:

图7伪静止线圈
伪静止线圈轴线与换向器绕组轴线一致,产生的正弦分布磁场与换向器绕组产生的相同,因此不改变电机气隙内磁场能量,从机电能量转换角度看,两者是等效的。
若电刷放在几何中性线上,伪静止线圈的轴线就被限定在 q 轴上,此时的伪静止线圈又称为 q 轴线圈。
对实际的换向器绕组而言,当 q 轴磁场变化时会在电枢绕组内感生变压器电动势,同时它又在旋转,还会在 d 轴励磁磁场作用下,产生运动电动势。q 轴线圈为能表示出换向器绕组这种产生运动电动势的效应,它应该也是旋转的。这种实际旋转而在空间产生的磁场却静止不动的线圈具有伪静止特性,所以称之为伪静止线圈,它完全折射了换向器绕组的特性,可以由其等效和代替实际的换向器绕组。
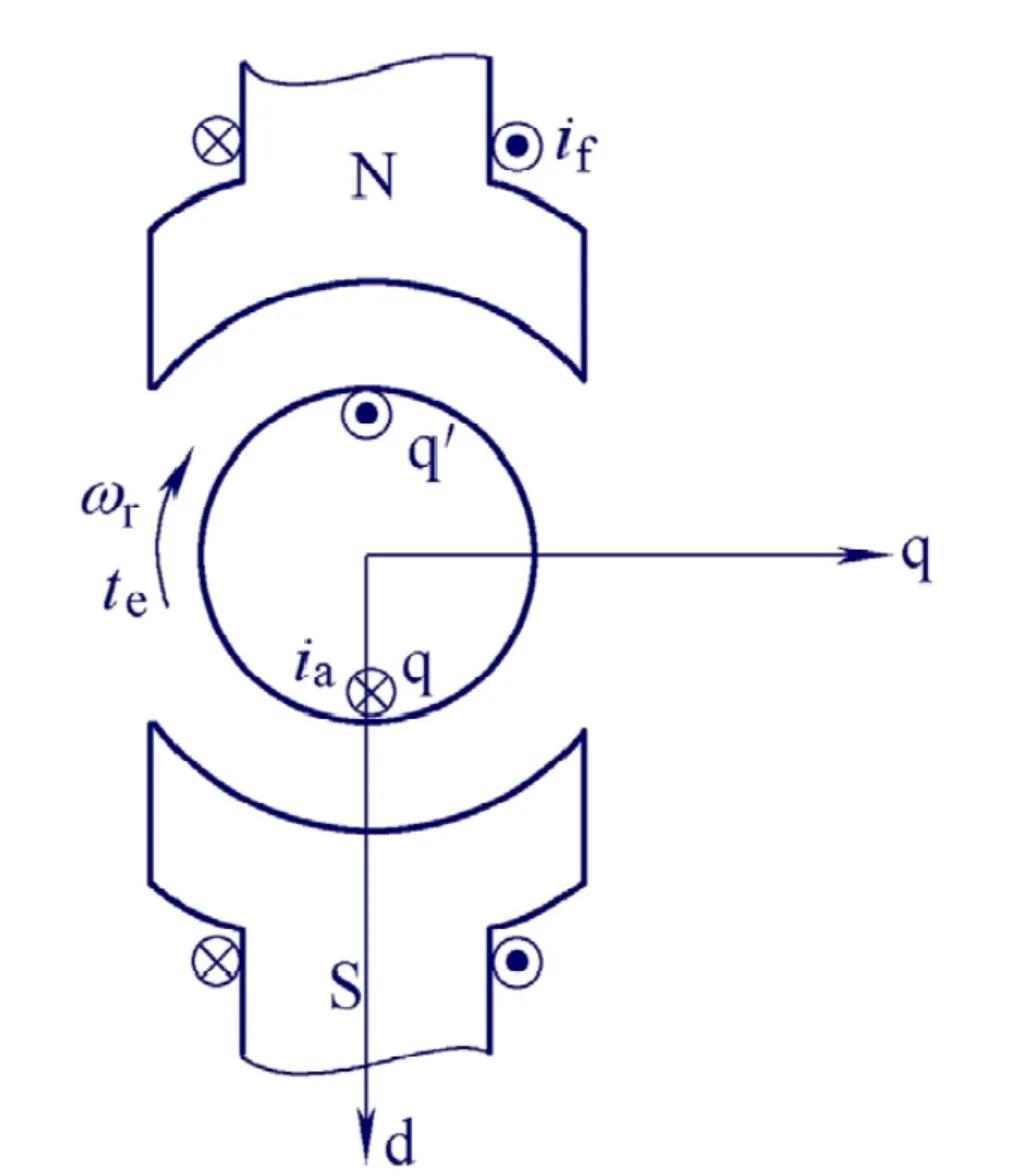
将上图简化成去下图所示的直流电机dq轴模型:

图8直流电机等效dq轴模型
图中,d轴为励磁绕组轴线,q轴为换向器绕组轴线,正向电流if产生的主磁极磁场和正向电流 ia产生的电枢磁场分别与d轴和q轴方向一致。转速方向以顺时针为正,电磁转矩正方向与转速一致。图中,q轴线圈为“伪静止线圈”,其轴线在空间固定不动,当q轴磁场变化时会在线圈内感生变压器电动势q轴线圈又是旋转的,会在d轴励磁磁场作用下产生运动电动势。
2.3.3直流电机电磁转矩
将上图进行改造,将定子绕组A改造为了定子励磁绕组,且有 Nf = NA ;转子绕组B 改造为换向器绕组后,又将其等效为伪静止线圈q,其中电流为ia,产生的转子磁场不再是旋转的,且有 Nq = NB 。
于是,由转矩公式可得:
te = ΨA×ΨB×sinθr=iA×iB×MAB×sinθr
=if×ia×Lmf
式中,if = iA ;ia = iB ;MAB=Lmf,Lmf 为励磁绕组的励磁电感。
由于ψ f = Lmf if ,于是可将转矩公式化为:
te =Ψf × ia
上式表明,当励磁电流if为恒定的直流时,电磁转矩大小仅与转子电流ia成正比,这是因为转子绕组产生的转子磁场与定子励磁绕组产生的主磁极磁场在空间始终保持正交,若控制主极磁场不变,电磁转矩便仅与转子电流有关。
所以从上面分析可以知道,直流电机的励磁磁场与转子磁场保持着天然的正交性。如果保持励磁磁场不变,那么只要控制转子磁场,就可以控制最终直流电机的电磁转矩,而且是线性的。所以,我们直流电机的控制非常简单,而且转矩特性也非常容易控制。
这里最重要的一点就是理解直流电机的dq轴模型,以及转矩线性控制的特点,这为后面分析交流电机与直流电机的类比控制提供基础。
2.3.4直流电机的动画演示
以上我们都是以数学以及物理特性来对直流电机进行分析。为了加深对直流电机的工作原理感性的认识,以及对天然正交性的理解,这里我们找到一个直流电机的视频,看完以后将对直流电机理解得非常清楚。

图9直流电机工作原理动画