
钢材的性能
力学性能 ——满足结构的功能要求(强度、刚度、疲劳等)
工艺性能 ——满足加工过程的要求
(1) 钢材的力学性能
强度——抗拉强度、屈服强度;
塑性——延伸率、断面收缩率
韧性——冲击吸收功

在比例极限(弹性极限)之前,应力与应变之间呈线性关系(虎克定律), ——OB 为材料为弹性变形阶段
超过弹性极限后,应力与应变不再呈现线性关系,材料进入弹塑性区域, 变形增加较快曲线呈锯齿形波动,出现应力不增加而变形继续发展,材料进入塑形变形阶段,在应力应变曲线中,出现上下波动阶段,其中波动的最高点为上屈服点,最低点为下屈服点(材料屈服强度);
塑形变形之后,材料内部晶粒重新进行排列,强度提高,进入应变硬化阶段,出现达到最高点D——抗拉强度,随后试件出现颈缩,试件断裂。
钢结构设计的准则是以构件最大应力达到材料屈服点作为极限状态,而把钢材的极限强度视为局部应力高峰的安全储备,这样能同时满足构件的强度与刚度要求,因而对承重结构的选材,要求同时保证抗拉强度和屈服点的强度指标。
钢材的韧性即荷载作用下钢材吸收机械能和抵抗断裂的能力,折射钢材在动力荷载下的性能。现在国内外通用以V型缺口的夏比试件在冲击试验中所耗的冲击功值衡量该材料的冲击韧性(我国过去采用U型缺口的梅氏试件),冲击功以焦耳(J)为单位,应不低于27J。冲击试验中击断试件所耗的功愈大,冲击韧性愈高,材料韧性愈好,不易脆断。

钢材的工艺性能
1). 加工性能
把钢材加工成所需的结构构件,需历经一系列的工序,包括有各种机加工(铣、刨、制孔),切割,冷、热矫正以及焊接等,钢材的工艺性能应满足这些工序的需要,不能在加工过程中出现钢材开裂或材质受损的现象。低碳钢和低合金钢所具备的良好的塑性在很大程度上满足了加工需要。
2). 冷弯性能
钢材的冷弯性能是通过试件180°弯曲试验来判断的一种综合性能。钢材按原有厚度经表面加工成板状,常温下弯曲180°后,如外表面和侧面不开裂,也不起层,则认为合格;弯曲时,按钢材牌号和板厚允许有不同的弯心直径d(可在0.5~3板厚范围内变动)。
3). 可焊性
可焊性是指钢材对焊接工艺的适应能力,包括有两方面的要求:
一是通过一定的焊接工艺能保证焊接接头具有良好的力学性能;
二是施工过程中,选择适宜的焊接材料和焊接工艺参数后,有可能避免焊缝金属和钢材热影响区产生热(冷)裂纹的敏感性。
钢材的可焊性评定可分化学成分判别和工艺试验法评定两种方法。
化学成分判别即由碳当量的含量来判定钢材的可焊性,即把钢材化学成分中对焊接有显著影响的各种元素,全部折算成碳的含量。
碳元素既是形成钢材强度的主要元素,也是影响可焊性的首要元素,含碳量超过一定含量的钢材甚至是不可施焊的。
碳当量愈高,可焊性愈差。

常用的钢构编号方法
现行国家标准《碳素结构钢》、《低合金高强度结构钢》、《建筑结构用钢》,把屈服点的“屈”字汉语拼音字母“Q”作为结构钢编号的第一个字母。编号原则(举例说明)为:

常用建筑结构用钢牌号介绍
碳素结构钢(GB/T700—2006)
牌号和钢材化学成分

低合金高强度结构钢(GB/T1591—1994)
牌号和钢材化学成分

高耐候结构钢(GB/T4171—2000)
高耐候结构钢按化学成分分为:铜磷钢和铜磷铬镍钢两类。其牌号有Q295GNH、Q295GNH、Q345GNH、Q345GNH、Q390GNH。其中,“GNH”表示“高耐候”,“L”表示含铬、镍的高耐候钢。
这类钢材适用于耐大气腐蚀的建筑结构,产品通常在交货状态下使用,可制作螺栓连接、铆接和焊接结构件,但作为焊接结构用材时,板厚不应大于16mm。
焊接结构用耐候钢(GB/T4172—2000)
焊接结构用耐候钢具有良好的焊接性能,厚度可达100mm,其牌号有Q235NH、Q295NH、Q355NH、Q460NH。其中,“NH”表示“耐候”,“L”表示含铬、镍的高耐候钢,质量等级分C、D、E。
厚度方向性能钢板(GB5313—1985)
1). 实用范围
Ÿ 在一些重要受力构件中,不仅要求钢板沿长度方向和宽度方向具有一定的力学性能,而且要求厚度方向有良好的抗层状撕裂性能;
Ÿ 实用于厚度为15~150mm,屈服强度不大于500MPa的镇静钢钢板。厚度小于15mm和大于150mm或屈服强度大于500MPa的钢板,订货时另行协商;
Ÿ 钢板的抗层状撕裂性能采用厚度方向拉伸试验的断面收缩率来评定。
2). 钢材级别和技术要求

3). 钢材适用范围及牌号
一般适用于制作钢结构的厚度为6~100mm的高层建筑用钢板,分2个强度级别,4个牌号。牌号由代表屈服点的拼音字母(Q)、屈服点数值、高层建筑的汉语拼音字母(GJ)以及质量等级(C、D、E)符号组成,对厚度方向性能钢板再加后缀字母“Z”。四个牌号为Q235GJ、Q235GJZ、Q345GJ、Q345GJZ。
桥梁结构用钢板(GB/T714—2000)
桥梁结构用钢有三个牌号:Q235q、Q345q、Q370q、Q420q,质量等级分C、D、E级。
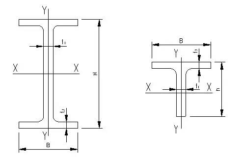
热轧H型钢和剖分T型钢
分类代号
Ÿ 宽翼缘H型钢——HW(W为Wide英文字头)
Ÿ 中翼缘H型钢——HM(M为Middle英文字头)
Ÿ 窄翼缘H型钢——HN(N为Narrow英文字头)
Ÿ 宽翼缘剖分T型钢——TW(W为Wide英文字头)
Ÿ 中翼缘剖分T型钢——TM(M为Middle英文字头)
Ÿ 窄翼缘剖分T型钢——TN(N为Narrow英文字头)
热轧H型钢和部分T型钢的规格标记方法
高度H×宽度B×腹板厚度t1×翼板厚度t2
例如:HW100×100×6×8;TN125×60×6×8。
