一张图就能真正明白工艺管道知识!5种管子,4类管件,法兰、垫片及螺栓,其实,就是这么简单!
内容构架图
▼

「正文」
▼
管 子
管子分类方法很多,按材质分类可分为金属管、非金属管和钢衬非金属复合管。

非金属管主要有橡胶管、塑料管、石棉水泥管、石墨管、玻璃钢管等,非金属管的使用同金属管相比所占比例较小,而金属管在大多数石油化工装置中要占到全部工艺管道安装工程的百分之八十五以上。
今天,给大家重点介绍金属管材。

▲ 金属管材分类
1
焊接钢管
焊接钢管,也称有缝钢管,一般由钢板或钢带卷焊而成。
按管材的表面处理形式:
分为镀锌和不镀锌两种。表面镀锌的发白色,又称为白铁管或镀锌钢管;表面不镀锌的即普通焊接钢管,也称为黑铁管。
镀锌焊接钢管,常用于输送介质要求比较洁净的管道,如生活用水、净化空气、仪表空气等;不镀锌的焊接钢管,可用于输送蒸汽、煤气、压缩空气和冷凝水等。
根据用户要求,焊接钢管在出厂时可分两种:
一种是管端带螺纹的,另一种是管端不带螺纹的。管端带螺纹的焊接钢管,每根管材长度为4~9m,不带螺纹的焊接钢管,每根管材长度为4~12m。
焊接钢管按管壁厚度不同:
分为薄壁钢管、加厚钢管和普通钢管。工艺管道上用量最多的是普通钢管,其试验压力为2.0MPa。加厚钢管的试验压力为3.0MPa。
焊接钢管的联接方法较多:
有螺纹联接、法兰联接和焊接。法兰联接中又分螺纹法兰联接和焊接法兰联接,焊接方法中又分为气焊和电弧焊。
常用焊接钢管的规格范围:
为公称直径6~150mm
2
无缝钢管
无缝钢管,是工业管道中用量最大,品种规格最多的管材。

基本上分为:
流体输送用无缝钢管和带有专用性的无缝钢管两大类。前者是工艺管道常用的钢管,后者如锅炉专用钢管、裂化炉管和热交换器用钢管等。
按材质可分为:
碳素无缝钢管、铬钼无缝钢管和不锈、耐酸无缝钢管。
按公称压力可分为:
低压(0≤1.0MPa)、中压(1.0<10MPa=、高压(≥10MPa)三类。
工艺管道常用的是流体输送用无缝钢管。
分类如下:
❶碳素无缝钢管
常用的制造材质为10号、20号、16Mn钢。
其规格范围为:热轧外径φ32~630mm,冷拔外径φ6~200mm,单根管长度4~12m,容许操作温度为-40~450℃。
广泛用于输送各种对钢无腐蚀性的介质,如输送蒸汽、氧气、压缩空气、油品和油气等。
❷低合金钢无缝钢管
系指含一定比例合金元素的合金钢管。
通常分为两种:
一种是含有锰元素的低合金钢管,称为普通低合金钢管,如16Mn、15MnV等;另一种是含有铬、钼等元素的低合金钢管,称铬钼钢管。
常用的有12CrMo、15CrMo、12Cr2Mo、1Cr5Mo等,其规格范围为外径φ10~φ273mm,单根管长度4~12m,铬钼钢管适用温度范围为-40~550℃。
低合金无缝钢管,多用于输送各种温度较高的油品、油气和腐蚀性不强的盐水、低浓度有机酸等。
❸不锈耐酸无缝钢管
根据铬、镍、钛各种金属的不同含量,品种很多,有Cr13、00Cr17Ni14Mo2、1Cr18Ni12Mo2Ti、1Cr18Ni9Ti等。
这些钢号中用量最多的是1Cr18Ni9Ti,在施工图上常用简化材质代号18-8来表示,适用温度范围为-196~700℃。
在化工生产中用来输送各种腐蚀性较强的介质,如硝酸、醋酸和尿素等。
❹高压无缝钢管
其制造材质与上述无缝钢管基本相同,只是管壁比中低压无缝钢管厚,最厚的管壁达40mm。
如化肥设备用高压无缝钢管规格为φ14×4(mm)~273×40(mm),单根管长度4~12m,适用压力范围10~32MPa,工作温度-40~400℃。
在石油化工装置中用以上高压无缝钢管输送原料气、氢氮气、合成气、水蒸气、高压冷凝水等介质。
❺低温钢管
在引进工程项目的冷区用量较多,其材料牌号为STPL-39、STPL-46,工作温度可达-105℃。
低温钢管分为无缝钢管和有缝钢管两种,无缝低温钢管公称直径为15~400mm,壁厚同碳钢管;有缝低温钢管公称直径为400~1100mm,壁厚为6~10mm,单根管标准长度6m。
适用于输送各种无腐蚀性低温介质管道,目前国内还没有批量生产与这种标准相应的钢管。
3
钢板卷板管
钢板卷板管,是由钢板卷制焊接而成,分为直缝卷焊钢管和螺旋缝卷焊钢管两种。
直缝卷焊钢管:
- 多数在施工现场制造或委托加工厂制造,专业钢管厂不生产。
- 钢板材料有Q235A、10号、20号、16Mn、20g等,其规格范围为公称直径200~3000mm,最大的有4000mm,壁厚一般为4~16mm。
- 公称直径200~900mm的单根管长度为6.4m;公称直径1000~3000mm的为4.8m。
- 适用工作温度:Q235A为-15~300℃,10号、20号、16Mn、20g为-40~450℃,均适用于低压范围。
螺旋缝卷焊钢管:
- 由钢管制造厂生产,材质有Q235A,16Mn。
- 其规格范围为公称直径200~700mm,壁厚7~10mm,单根管长度8~18m。
- 适用工作温度:Q235A为-15~300℃,16Mn为-40~450℃,操作压力:Q235A为2.5MPa,16Mn为4MPa。
直缝卷焊钢管和螺旋缝卷焊钢管,多用于输送常温低压腐蚀性不强的介质,如低压蒸汽、地下循环水、煤气和油气等。螺旋缝卷焊钢管单根管较长,特别适用于长距离输送管道。
根据工程所需,还有直缝不锈钢板卷焊管,都是在施工现场卷制,制造厂不生产。所用材质多为1Cr18Ni9Ti钢板。其规格范围公称直径为200~1000mm,公称直径200~400mm的壁厚为4mm,公称直径700~1000mm的壁厚为6~8mm,单根管长度为4.5m。适用温度和输送的介质范围同低压不锈钢管。
4
铜管
铜管分紫铜管和黄铜管两种:
- 制造紫铜管所用的材料牌号有T2、T3、T4和TUP等,含铜量较高,占99.7%以上;
- 黄铜管的制造材料牌号有H62,H68等,都是锌和铜的合金,如H62黄铜管,其材料成份铜为60.5%~63.5%,锌为39.6%,其他杂质小于0.5%。

铜管的制造方法分为拉制和挤制两种:
- 拉制铜管外径为φ3~φ200mm,挤制铜管外径为φ32~φ280mm,壁厚1.5~5mm;
- 铜板卷焊铜管的规格范围为外径φ155~φ505mm,供货方式有单根的和成盘的两种。
铜管的适用工作温度在250℃以下,多用于油管道、保温伴管和空分氧气管道。
5
钛管
钛管是近年来新出现的一种管材,由于它具有重量轻、强度高、耐腐蚀性强和耐低温等特点,常被用于其他管材无法胜任的工艺部位。
钛管是用TA1、TA2工业纯钛制造,适用温度范围为-140~250℃,当温度超过250℃时,其机械性能下降。
常用钛管的规格范围为公称直径20~400mm。适用于低中压,低压管壁厚2.8~12.7mm,中压管壁厚3.7~21.4mm。
钛管虽然具有很多优点,但因价格昂贵,焊接难度较大,尚未被广泛采用。
管 件
在管系中改变走向、标高或改变管径以及由主管上引出支管等均需用管件。由于管系形状各异、简繁不等,因此,管件的种类较多。
常用的管件有弯头、三通、异径管、管接头、管帽等。

▲ 管件按用途分类
1
弯头
弯头是用来改变管道的走向。

常用弯头的弯曲角度为90°、45°和180°,180°弯头也称为U型弯管,也有特殊角度的弯头,但为数极少。
❶玛钢弯头
玛钢弯头,也称可锻铸铁弯头,是最常见的螺纹弯头。
玛钢弯头的规格比较小,常用的规格范围为1/2~4英寸,按其不同的表面处理分镀锌和不镀锌两种。
这种玛钢管件,主要用于采暖,上下水管道和煤气管道上。在工艺过程中,除需要经常拆卸的低压管道外,其他物料管道上很少使用。
❷压制弯头
压制弯头,也称冲压弯头或无缝弯头,是用优质碳素钢、不锈耐酸钢和低合金钢无缝管等,在特制的模具内压制成型的。
- 其弯曲半径为公称直径的一倍半(R=1.5DN),在特殊场合下也可采用弯曲半径等于公称直径的弯头(R=1DN)。
- 其规格范围在DN20~600mm以内。
- 其壁厚范围与无缝钢管的表号一致。
- 压制弯头一般由专业制造厂或加工厂用标准无缝钢管冲压加工而成,出厂时弯头两端应加工好坡口。
❸冲压焊接弯头
冲压焊接弯头,是采用板材经模具冲压成半块环形弯头,然后将两块半环弯头进行组对焊接成型。
其弯曲半径同无缝管弯头,规格范围为公称直径200mm以上。
❹焊接弯头
焊接弯头,也称虾米腰或虾体弯头。
制作方法有两种:
- 一种是在加工厂用钢板下料,切割后卷制焊接成型,多数用于钢板卷管的配套。
- 另一种是用管材下料,经组对焊接成型,其规格一般在200mm以上。使用温度不能大于200℃,一般可在施工现场制作。
❺高压弯头
高压弯头,是采用优质碳素钢或低合金钢锻造而成。
根据管道连接形式,弯头两端加工成螺纹或坡口,加工的精密度很高,要求管口螺纹与法兰口螺纹能紧密配套自由拧入并不得松动。
适用于压力22.0、32.0MPa的石油化工管道,常用规格范围为DN6~200mm。
2
三通
三通是主管道与分支管道相连接的管件,根据制造材质和用途的不同,划分为很多种。
从规格上划分:
可分为同径三通和异径三通,同径三通也称为等径三通;
- 同径三通是指分支接管的管径与主管的管径相同
- 异径三通是指分支接管的管径小于主管的管径,所以也称为不等径三通,异径三通用量要多一些
❶玛钢三通
玛钢三通的制造材质和规格范围,与玛钢弯头相同,在石油化工工艺管道中用量不多,主要用于室内采暖、上下水和煤气管道。
❷钢制三通
20世纪七十年代以前,我国工业生产技术发展的速度比较缓慢,工艺管道方面的工程技术也比较落后。
在各种中低压钢管的设计中,管道需要使用三通管件时,一般都是采用挖眼接管的办法来解决,即在需要接支管的主管上,按支管的直径先挖出一个孔,再将支管焊上。这种办法有很多缺点,焊接质量不易保证,焊接后管道容易变形,主管内容易进入杂质。
七十年代后期,随着冶金、石油化工等大型现代化生产装置的引进,促进了工艺管道工程技术的发展,目前,我国已能生产中低压管道钢制定型三通,已形成系列产品,无缝三通规格为DN20~600mm,钢板焊制三通规格为DN150~1500mm。
定型三通的制作,是以优质管材为原料,经过下料、挖眼,加热后用模具拔制而成,再经机加工,成为定型成品三通。中低压钢制成品三通,在现场安装时都是采用焊接。钢板卷管所用的三通,有两种情况,一种是在加工厂用钢板下料,经过卷制焊接而成;另一种是在安装现场挖眼接管。
❸高压三通
高压三通,常用的有两种,一种是焊制高压三通,一种是整体锻造高压三通。
焊制高压三通,选用优质高压钢管为材料,制造方法类似挖眼接管,主管上所开的孔,要与相接的支管管径相一致。焊接质量要求严格,通常要求焊前进行预热,焊后进行热处理。其规格范围为DN16~200mm,压力22MPa、32MPa。
整体锻造高压三通,一般是采用螺纹法兰连接。其规格范围为表号SCH160、DN15~600mm,表号外加有“XXS”,其管径范围DN15~300mm。
3
异径管
异径管的作用是使管道变径,从流体运动方向来看,多数是由大变小,也有的由小变大,如蒸汽回水管道和下水管道的异径管就是由小变大。异径管俗称大小头。
❶玛钢异径管
玛钢异径管,大体上分两种,一种是内螺纹异径管也称外接头;另一种是内螺纹和外螺纹结合的管件,称作补芯,它虽然不叫做异径管,但起到异径管的作用。
❷钢制异径管
钢制异径管,分为无缝和有缝两种,无缝异径管用无缝钢管压制,有缝异径管用钢板下料,经卷制焊接而成,也称为焊制异径管。
这两种异径管都有同心和偏心两种规格。偏心异径管的底部有一个直边,使用时能使管底成一个水平面,便于停产检修时排放管中物料。
无缝异径管的规格范围为DN25~600mm,有缝焊接异径管的规格范围为DN200~1500mm。
钢制异径管,作为管道上的成品管件,是七十年代以后才开始有的,早期工艺管道上的变径,大部分是在现场制作。管径变化很大的是在管端抽条焊接,直接加工成异径管;
管径变化不大的在管端加热直接摔制而成。抽条焊接制作异径管,花费人工多,焊缝多,焊接质量不易保证,目前,焊接质量要求很高的工艺管道已禁止采用此种办法。
4
其他管件
❶封头
封头,是用于管端起封闭作用的堵头。常用的封头有椭圆形和平盖形两种。
椭圆形封头也称为管帽,其规格范围为DN25~600mm,多用于中低压管道上。
平盖封头,按其安装位置分为两种,一种是平盖封头略大于管外径,在管外焊接。
另一种是平盖封头略小于管内径,把封头板放入管内焊接。常用的规格范围为DN15~200mm,这种封头多用于压力较低的管道上。
❷凸台
凸台,也称管嘴,是自控仪表专业在工艺管道上的一次部件,是由工艺管道专业来安装,所以把凸台也列为管件。
工艺管道用的单面管接头也属这一种,都是一端焊在主管上,另一端或者是安装其它部件,或者是另外再接管,其规格范围为DN15~200mm,高中低压管道都使用。
❸ 盲板
盲板,其作用是把管道内介质切断,根据使用压力和法兰密封面的形式分以下几种:
- 光滑面盲板,与光滑密封面法兰配合使用,其适用压力范围为1.0~2.5MPa。
- 凸面盲板,其本身一面带凸面,另一面带凹面,与凹凸密封面法兰配合使用。使用压力4.0MPa,规格范围为DN25~400mm。
- 梯形槽面盲板,与梯形槽密封面法兰配合使用,使用压力范围为6.4~16.0MPa。规格范围为DN25~300mm。
- “8”字盲板,也分为光滑面,凹凸面和梯形槽面三种,使用压力与以上三种盲板相同,“8”字盲板所不同的是,它把两种用途结合在一个部件上,即把盲板和垫圈相连接固定在一起。法兰内垫入盲板时,外面露出的垫圈作为管道是否切断的直观标志。“8”字盲板的制造材料有多种,根据输送的介质温度和压力来选择。一般低压管道,温度不超过450℃时,所用的材质有Q235A、20号钢和25号钢;温度在450~550℃时,所用的材料有15CrMo、1Cr5Mo。当压力在4.0~16.0MPa,温度大于550℃时,要用不锈钢。
法 兰、垫 片 及 螺 栓

1
法兰
法兰是工艺管道上起连接作用的一种部件。这种连接形式的应用范围非常广泛,如管道与工艺设备连接,管道上法兰阀门及附件的连接。采用法兰连接既有安装拆卸的灵活性,又有可靠的密封性。
工艺管道所输送的介质,种类繁多,温度和压力也不同,因此对法兰的强度和密封,提出了不同的要求。为了满足工艺管道安装工程的需要,出现了很多种结构和压力不同的法兰。
以下对各种法兰作简要介绍:
❶平焊法兰
平焊钢法兰,是中低压工艺管道最常用的一种。
这种法兰与管子的固定形式,是将法兰套在管端,焊接法兰里口和外口,使法兰固定,适用公称压力不超过2.5MPa。
- 用于碳素钢管道连接的平焊法兰,一般用Q235A和20号钢板制造;
- 用于不锈耐酸钢管道上的平焊法兰,应用与管子材质相同的不锈耐酸钢板制造。
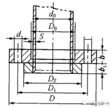
平焊钢法兰密封面,一般都为光滑式,密封面上加工有浅沟槽。通常称为水线,如图:

▲ 平焊钢法兰图
平焊钢法兰的规格范围如下:
- 公称压力PN0.25、0.6MPa的为DN10~2000mm;
- PN1.0~2.5MPa的为DN10~600mm。
❷对焊法兰
对焊钢法兰,也称高颈法兰或大尾巴法兰。它的强度大不易变形、密封性能较好,有多种形式的密封面,适用的压力范围很广。
①
光滑面对焊法兰,其公称压力为PN2.5MPa以下,规格范围为DN10~2000mm,公称压力PN2.5MPa,规格范围DN10~1000mm,公称压力PN4.0MPa,规格范围DN10~600mm,如图:

▲ 光滑面对焊法兰图
②
凹凸密封面对焊法兰,由于凹凸密封面严密性强,承受的压力大。每付法兰的密封面,必须一个是凹面、另一个是凸面。常用公称压力范围为PN1.6~4.0MPa,规格范围为DN10~600mm,如图:

▲ 凹凸密封面对焊钢法兰图
③
榫槽密封面对焊法兰,这种法兰密封性能好,结构形式类似凹凸式密封面法兰,也是一付法兰必须两个配套使用。公称压力范围为PN1.6~4.0MPa,规格范围为DN10~600mm;PN6.4~10MPa,规格范围DN10~400mm,如图:

▲ 榫槽面对焊法兰图
④
梯形槽密封面对焊法兰,这种法兰在石油工业管道比较常用,承受压力大,常用公称压力为PN6.4、10.0MPa,规格范围为DN10~400mm;PN16MPa,规格范围为DN10~300mm。如图:

▲ 梯形槽面对焊钢法兰图
上述各种对焊法兰,只是按其密封面的形式不同而加以区别。
从安装的角度来看,不论是那种形式的对焊法兰,其连接方法是相同的,因而所耗用的人工,材料和机械台班,基本上也是一致的。但由于密封面形式不同,法兰的加工制导致本相差悬殊,因此,在编制概(预)算时要特别注意法兰本身的价格。
❸松套钢制管法兰
这种法兰与管子不直接焊在一起,而是以管口翻边或焊环为密封接触面,松套法兰起紧固作用,多用于铜、铝和铅等有色金属及不锈耐酸钢管道上。
其最大的优点:是由于法兰可以自由活动,法兰穿螺栓时非常方便。
焊环松套钢制管法兰适用压力PN0.6~2.50MPa,其规格范围为DN10~600mm;压力PN4.0MPa,规格范围DN10~300mm,平焊环松套钢制管法兰只适用较低压力,PN0.6~1.6MPa,其规格范围DN10~600mm。管口翻边活套法仅适用于PN06MPa及以下。
焊环松套法兰如图:

▲ 焊环松套钢制管法兰图
❹螺纹法兰
螺纹法兰,是用带螺纹的法兰与管端螺纹相连接的法兰,有高压和低压两种。
- 低压螺纹法兰,包括钢制和铸铁制造两种,这种法兰,在建国初期,焊接技术很差的情况下、曾被广泛应用。随着工业的发展、低压螺纹法兰已被平焊法兰所代替,除特殊情况外,基本不采用。
- 高压螺纹法兰,被广泛应用于现代工业管道的连接。密封由管端与透镜垫圈形成,对螺纹和管端垫圈接触面的精密度加工要求很高。
- 这种法兰的特点是法兰与管内介质不接触,安装也比较方便。适用压力PN22.0、PN32.0MPa,其规格范围为DN6~250mm。



▲ 高压管线法兰连接结构型式图
❺法兰盖
法兰盖是与法兰配套使用的部件,它和封头一样在管端起封闭作用。密封面有光滑式和凸凹式,其规格和适用压力范围与配套法兰一致。
2
法兰垫片
泄漏是管法兰失效的主要形式,它与密封结构型式、被连接件的刚度、密封件的性能、操作和安装等许多因素有关。
垫片是法兰连接的主要密封件,因而正确选用垫片也是保证法兰连接不泄漏的关键。
法兰垫片根据管道所输送介质的腐蚀性、温度、压力及法兰密封面的形式选用种类很多。管法兰垫片有非金属垫片,半金属垫片和金属垫片。
❶橡胶石棉垫
橡胶石棉垫是法兰连接用量最多的垫片、能适用于很多介质,如蒸汽、煤气、空气、盐水、酸和碱等。橡胶石棉垫的厚度,各专业还不统一,通常用3mm厚。公称直径小于100mm的法兰,其垫片厚度不超过2.5mm。
垫片的使用压力:用于光滑密封面法兰连接时,不超过2.5MPa。
炼油工业常用的橡胶石棉垫有两种:
- 一种是耐油橡胶石棉垫,适用于温度在200℃以下,公称压力在2.5MPa以下,输送一般油品、液化烃、丙烷和*酮丙**等介质。高温耐油橡胶石棉垫,使用温度可达350~380℃。
- 另一种是中压橡胶石棉垫,可使用于200℃,PN2.5MPa以下的蒸汽、凝结水、水、空气等介质。
❷橡胶垫
橡胶垫,是用橡胶板制作的垫片,它有一定的耐腐蚀性,常用于温度在60℃以下,压力不超过1.0MPa,输送低压水,酸和碱等介质的管道法兰连接。
这种垫片的特点是利用橡胶的弹性,达到较好的密封效果,因此也常用于铸铁法兰阀门的安装上。
❸缠绕式垫片
缠绕式垫片简称为缠绕垫,是用金属钢带及非金属填料带缠绕而成。
优点:这种垫片具有制造简单、价格低廉、材料能被充分利用、密封性能较好的优点,在石油化工工艺管道上被广泛应用。
适用参数:适用的公称压力为4.0MPa以下,适用温度范围,08号钢温度可达450℃,0Cr13钢带制成的缠绕垫,使用温度可达540℃。垫片的厚度一般为4.5mm,直径大于1000mm时,垫片厚度为6~7mm。定位环的厚度为3mm左右。
这种垫片多数用于光滑面法兰连接,其密封面不用车水线。有的缠绕垫,还带有定位环,是为了防止垫片偏离法兰中心。
金属钢带材质有08号钢、0Cr13钢和1Cr18Ni9Ti钢等;非金属带材质有特性石棉、柔性石墨、聚四氟乙烯等。
❹齿形垫
齿形垫是用各种金属制造,材质有普通碳素钢、低合金钢和不锈耐酸钢等,其厚度为3~5mm。
它是利用同心圆的齿形密纹与法兰密封面相接触、构成多道密封,因此密封性能较好,常用于凹凸式密封面法兰的连接。
适用参数:最高公称压力可达16.0MPa,适用于工作温度较高的部位,如0Cr13材质的齿形垫,其适用温度可达530℃。
❺金属垫圈
金属垫圈的种类很多,按形状划分有金属平垫圈,截面积为椭圆形、八角形金属垫圈和透镜式垫圈。按制造材质分有低碳钢、不锈耐酸钢、紫铜、铝和铅等。
- 金属平垫圈,多用于光滑面平焊法兰,承受的温度和压力较低。
- 椭圆形及八角形金属垫圈,多用于梯形槽对焊法兰,公称压力范围为6.4~22.0MPa。这种垫圈虽然密封性好,但制造复杂,要求精度高。
- 透镜垫,因其截面形状似透镜而得名,密封性能好、在石油化工生产中,各种高温高压管道的法兰连接,广泛使用此种垫圈,常用公称压力范围为16.0~32.0MPa。
金属垫圈的使用有条原则,即垫圈表面的硬度必须低于法兰密封面的硬度。
垫片的选用应根据管道所输送介质的温度、压力、腐蚀性和连接法兰的密封形式来确定。专业性较强的垫片,如透镜垫,适用于高压法兰连接。
3
法兰用螺栓
用于连接法兰的螺栓,有单头螺栓和双头螺栓两种,其螺纹一般都是三角形公制粗螺纹。
❶单头螺栓
单头螺栓也称六角头螺栓。单头螺栓又分为半精制和精制两种,在中低压工艺管道上,使用最多的是半精制单头螺栓。
制造单头螺栓常用的材质有Q235A、35号钢和25Cr2MoVA等。常用于公称压力为2.5MPa以下的法兰连接。
适用温度根据螺栓材质而定,如35号钢制造的螺栓适用温度可达350℃;25Cr2MoVA钢制造的螺栓、适用温度可达570℃。

▲ 单头螺栓图图

▲ 等长双头螺栓图
❷双头螺栓

工艺管道上所用的双头螺栓,多数采用等长双头精制螺栓。适用于温度和压力较高的法兰连接。
材质有35号钢,30CrMoA,35CrMoA,25Cr2MoVA,0Cr19Ni9、0Cr15Ni25Ti2MoAlVB和37SiMn2MoVA等,公称压力范围为1.6~32.0MPa,适用温度可达700℃。
❸螺母
螺母,统称为六角螺母。分半精制和精制两种。按螺母结构形式还可分为A型和B型两种。
半精制单头螺栓多采用A型螺母;精制双头螺栓多采用B型螺母。螺母与螺栓要配套使用,但螺母制造材质的硬度不能超过螺栓材质的硬度。


▲ 六角螺母图