说明 :主要存在于单独MOS中,这三种叫法意思都一样。本文以NMOS来说明。
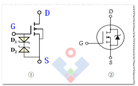
种类 :

分别作用 :
- ①主要保护GS极,限制Vgs间的最大电压。
- ②其一:保护DS极,其二:起续流二极管作用,其三:为过流或电感提供反向通路,其四:防止D、S极接反、其五:隔离。
各自应用 :防止反接


- (1) 正接时,开始体二极管导通,“3”位置电压为0.6V左右,“1”位置电压为Vcc,Vgs > 阀值电压,Q1导通,体二极管被短路。反接时,Q1反偏,Vgs=0,电路不通。
- (2) 正接时,体二极管导通,“2”位置电压为19.4V,“4”位置电压为0,Q2导通,然后体二极管被短路。反接时电路不通。
- 注意:增强型NMOS加栅压后电场形成,电流的方向在D、S中是任意的。此处与通常的电子开关接法不一样,体二极管在电子开关中主要起关断作用。D、S在这两种应用中接法正好相反。
隔离作用:

控制信号来自电源适配器处,当插上适配器时Q2截止,负载由适配器供电;当取下适配器时,栅极电压为0,Q2导通,此时由电池供电。
另外说明 :在高速开关时由于体二极管的速度过慢和损耗大,通常会管外并联快速恢复或肖特基二极管。
类似文章 :
- MOS场效应管的优缺点、测量好坏判断、与三极管对比
- MOS场效应管简单原理、应用电路、波形图
