本文来自微信公众号:X-MOLNews
从工业革命以来,大气中二氧化碳(CO2)的含量一直在增加。全球的气温已经上升了0.85度,温度升高使海平面上升了1.5米。如果碳排放不加以控制,科学家预测到2500年,仅南极冰川融化就能使海平面上升15米。甚至有研究称,二氧化碳含量增加将影响植物转化蛋白质的能力,导致粮食作物的营养质量变差 [1];小麦和大米中锌、铁和蛋白质含量显著降低 [2]。如何减少大气中二氧化碳的含量呢?几种可能的解决方案如下图所示。

减少大气CO2的几种方法。图片来源自网络
由于大量的碳排放要归因于化石燃料的使用,因此不少科学家还尝试逆转“燃烧”过程,即,利用可再生能源在催化剂存在下将二氧化碳转化为燃料,例如烃类 [3]。这听起来更像是能快速、高效解决二氧化碳问题的终极方案,燃料→二氧化碳→燃料,如此形成的循环,所消耗的仅仅是太阳能、风能等可再生的能源。然而问题又来了,如果用做反应原料,空气中的二氧化碳含量又太低了。虽说有不少新技术可以从空气中直接收集二氧化碳,但它们的成本却成为大规模实际应用的最大障碍。

将CO2转化为汽油。图片来源:Nat. Commun.[3]
近日,美国哈佛大学教授、Carbon Engineering公司的创始人David Keith等人在 Joule 杂志报道了一种廉价且有效的工艺,从空气中直接收集二氧化碳。与很多人发表的类似文章不同,他们的“直接空气捕获(DAC)”技术已经在中试工厂中运行了数年,而且这篇文章除了包括工程工艺的内容,还基于实际运行数据进行了详细的成本分析,为进一步商业化打下坚实的基础。此前对DAC技术的综合分析中,比较有影响的是2011年美国物理学会(APS)的一项报告 [4],当时预计空气中收集二氧化碳每吨大约要花费约600美元。在这篇文章中,Keith等人的工厂将成本降低到每吨94-232美元,而且未来大规模工厂化后,他们可以将这一成本控制在每吨100美元以内。也就是说,这7年来,DAC法的成本下降幅度超过了80%。

DAC法收集CO2的成本大大降低。图片来源:Joule
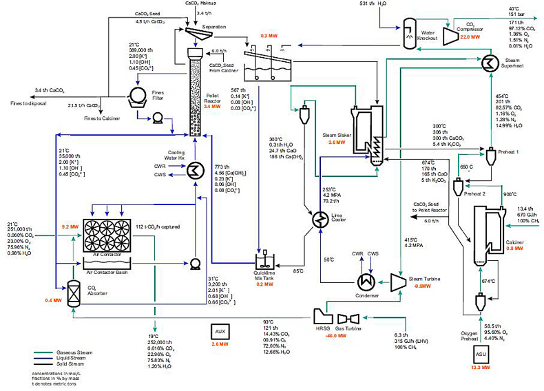
回收工艺并不复杂,用初中学过的化学方程式就能表示。第一步循环利用KOH吸收空气中的CO2,生成K2CO3,然后再和Ca(OH)2反应,生成CaCO3和KOH;第二步循环将CaCO3高温分解,生成CaO和CO2,CaO和水反应继续生成Ca(OH)2。其中KOH和Ca(OH)2都可以循环使用。研究者对这两个循环过程进行了设备的配置和能量核算,在满负荷下,该装置每年可以从大气中收集约100万吨二氧化碳,相当于25万辆普通汽车每年的排放量。

工艺的化学与热力学。图片来源:Joule
该过程包括四个最重要的基本单元操作:接触器、反应器、煅烧炉和熟化器,分别对应于上述四个化学反应。接触器的设计基于商用冷却塔技术,使环境空气与碱溶液接触。溶液通过结构塑料填料向下流动,空气通过该填料后水平流动。反应器改进了RHDHV开发的水处理技术,这一步骤是整个工艺流程创新技术的核心部分,得到的沉淀不是“石灰浆”,而是10~50 μm的方解石晶体。这不但降低了成本和能源消耗,还让所得沉淀易于洗涤、干燥,降低了沉淀的碱性。

工厂设计图。图片来源:Joule

煅烧CaCO3产生CO2是在循环流化床中完成的,该技术与TECHNPO公司合作完成。整个循环的最后一部分是熟化器,而且反应产生的热量被用来干燥和预热颗粒。

质量和能量平衡过程。图片来源:Joule
整个系统用天然气(电能)供能,如果全部使用天然气,回收1吨二氧化碳需要消耗8.81 GJ;如果使用天然气加电能,需要消耗5.25 GJ 天然气和 366 kWhr的电力。燃烧天然气一样会有二氧化碳排放,根据已报道的数据估算,燃烧1 GJ天然气的排放约为63.8 kg二氧化碳。也就是说, 回收1吨二氧化碳需要消耗的天然气,导致的排放约为562 kg二氧化碳,净回收量约为438 kg。
Carbon Engineering公司早在2009年就开始研发直接收集空气中二氧化碳的技术,2015年在加拿大启动了第一个试验工厂,3年后,他们收集了足够的数据来计算工厂的效率和成本,并且证明了该工艺可以实现收集每吨二氧化碳100美元以下的成本。目前,这家公司已经获得比尔•盖茨(Bill Gates)和默里•爱德华兹(Murray Edwards)等巨头的投资。

图片来源:Carbon Engineering
David Keith说:“我们的工艺尽可能地建立在普遍存在的现有技术基础之上,这也是为什么我们认为该工艺进行大规模商业化应用的原因。”卡内基研究所Ken Caldeira说:“如果这些数据是真实的,那么这将是一个非常重要的结果。在无需改变整个能源系统或者改变每个人行为的前提下,我们将可以用负担得起的成本来稳定地球气候。”Carbon Engineering公司的首席执行官Steve Oldham说,如果收集二氧化碳的成本可以降低到每吨100美元,就可以生产每升约1美元的、在市场上有竞争力的合成燃料。尽管如此,斯坦福大学的气候科学家Chris Field表示谨慎乐观,他认为这项技术不是对付气候变化问题的“仙丹妙药”,其大规模应用和推广的速度是否能够跟上碳排放增长的速度,并对大气二氧化碳水平产生实质性影响仍属未知之数。此外,减排一吨二氧化碳比回收处理一吨二氧化碳的成本要低得多。[5-6]
A Process for Capturing CO2 from the Atmosphere
Joule, 2018, DOI: 10.1016/j.joule.2018.05.006
参考文献:
1. Nitrate assimilation is inhibited by elevated CO2 in field-grown wheat. Nature Climate Change, 2014, 4, 477-480. DOI: 10.1038/NCLIMATE2183
2. Increasing CO2 threatens human nutrition. Nature, 2014, 510, 139-142. DOI: 10.1038/nature13179
3. Directly converting CO2 into a gasoline fuel. Nature Communications, 2017, 8, 15174. DOI: 10.1038/ncomms15174
4. https://www.aps.org/policy/reports/assessments/upload/dac2011.pdf
5. http://www.sciencemag.org/news/2018/06/cost-plunges-capturing-carbon-dioxide-air
6. https://www.nature.com/articles/d41586-018-05357-w
(本文由小希供稿)