高压电,往往让人心生恐惧。

然而并非所有的高电压都那么恐怖。事实上,在冬天干燥的季节里,我们人体所带的电压就有可能超过3万伏。

其实真正带给我们人体伤害的是大电流,而非高电压。
比如一节1.5伏的干电池,拿一根细铜丝接在其正负两极上时,铜丝上会通过几十安培的电流,产生大量热量使之烧得通红。这时如果有易燃物在旁边,则可能引起一场火灾。
而有时虽然电压很高,但只要电流足够小,就不会导致伤害。比如今天我们要做的这个小制作。
消除了对“高压”的恐惧,我们才可以放心地和高压电愉快地玩耍。


上面我们所看到的装置,叫作特斯拉线圈。
特斯拉线圈(Tesla Coil)是一种使用共振原理运作的变压器(共振变压器),由美籍塞尔维亚裔科学家尼古拉·特斯拉在1891年发明,主要用来生产超高电压但低电流、高频率的交流电力。
只要记住它产生的是 高压、高频 的交流电!
(特斯拉线圈放电导致的交流电压虽高,但电流低,而触电导致的伤害主要是由电流决定的。所以特斯拉线圈导致的危害并不大,发生的危害主要表现在皮肤烧伤,或严重烧伤,一般不危及生命。)
制作一个迷你的特斯拉线圈并不复杂,而目前所知最简单的方案只需要如下材料:
材料
1. 晶体三极管(最好是NPN型,这样只要按本文方法接线即可)
2. 300匝以上的线圈一个
3. 20K电阻一个
4. 导线若干

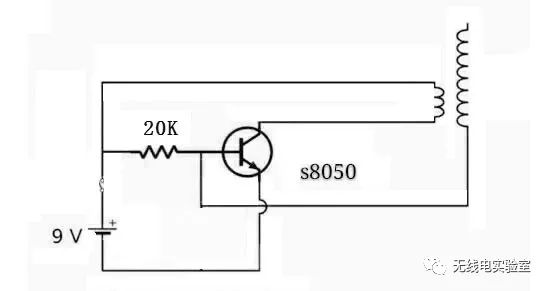
电路原理图
上面的电路图很简单,可直接在面包板上连线:

实物图,注意黑线导线和铜丝的绕线方向

注:
a. 图中使用的是型号为S8050的普通NPN型三极管,它的基极b与电阻R以及铜线圈的一端连接在一起,e极连接电源负极;
b. 铜线圈作为次级线圈,从下而上的绕线方向如黑色箭头所示;
c. 紫色导线作为主线圈,只在铜线圈外绕了两圈,一端接三极管c极,一端接电源正极。

看不见电弧,但能隔空点亮节能灯
这个特斯拉线圈的输出功率很小,看不到任何放电,却可以用来点亮荧光灯管。
在制作过程中一定要注意如下事项:
- 主线圈和次级线圈必须严格按图中方向缠绕,或者两者均与图中方向相反,不然无法成功;
- 普通晶体三极管(非功率型)会产生高温,注意不要烫伤,通电不要超过30秒,不然会有烧毁三极管的风险;
- 电阻在1k~100k之间都可以;
- 电源至少9v,低了看不到现象;
- 次级线圈至少300圈,文中用0.25mm的铜丝单层紧密绕了11cm,约400圈。
理论上,常见的晶体三极管都可以用在上述电路中。但如果你想要有更明显的效果,更长的实验时间,可以换一个大功率的三极管,通常长成这个模样:

给功率三极管加上散热片,然后使用20~30V的电源供电,就可以看到明显的电弧了。
如果你手头没有现成的材料,也可以在网上买一包特斯拉线圈的散装元件,然后通过简单的焊,接就可以得到一个功能比较完整的特斯拉线圈装置。