

一、图层设置(layer)
建立图层,设置线型、颜色和线宽
| 图层名 | 颜色 | 线型 | 线宽 |
| 粗实线 | 白 | Continuous | 0.3 |
| 细实线 | 白 | Continuous | 0.15 |
| 中心线 | 红 | Center | 0.15 |
| 虚线 | 洋红 | Hidden | 0.15 |
| 尺寸线 | 绿 | Continuous | 0.15 |
| 剖面线 | 青 | Continuous | 0.15 |

二、设置三种文字样式(st)

1、工程字4:SHX字体:gbeitc.shx/gbenor.shx,
大字体:gbcbig.shx,高度:4
2、工程字5:SHX字体、大字体与工程字4相同,高度:5
3、工程字7:SHX字体、大字体与工程字4相同,高度:7

三、设置四种尺寸标注样式(ddim)
1、样式名为“平行5”:
(用于长度尺寸的标注)
①线:基线间距:10,超出尺寸线:2,起点偏移量:0.8,其他默认;
②符号和箭头:箭头大小3,其他默认;
③文字:文字样式:工程字5,从尺寸线偏移:2,文字对齐:与尺寸线对齐,其他默认;
④调整:默认;
⑤主单位:小数点分隔符:句点,其他默认;
⑥换算单位:默认;
⑦公差:垂直位置:中,其他默认。
2、样式名“水平5”:
( 基础样式:“平行5” )(用于直径或半径的标注)
③文字:文字对齐:水平
其他默认(与“平行5”参数一致)。
3、样式名“角度5”:
( 基础样式:“平行5” )(用于角度标注)
③文字:文字位置----垂直:居中,文字对齐:水平
⑤主单位:角度标注----精度:0.00,消零:后续
其他默认(与“平行5”参数一致)。
4、样式名为“平行4”:
( 基础样式:“平行5” )(用于形位公差标注)
③文字:文字样式:工程字4,
其他默认(与“平行5”参数一致)。
四、设置三种引线样式(mleaderstyle)
1、样式名为“引线标注”
①引线样式:箭头符号:“实心闭合”,大小:3,其他默认;
②引线结构:基线设置:1,其他默认;
③内容:文字样式:工程字5,引线连接--连接位置—左:“最后一行加下划线”,连接位置—右:最后一行加下划线,基线间距:1。
2、样式名为“倒角标注”
①引线样式:箭头符号:“无”,其他默认;
其他默认(与“引线标注”参数一致)。
3、样式名为“零件序号”
①引线样式:箭头符号:“小点”,大小:3,其他默认;
其他默认(与“引线标注”参数一致)。


五、绘制图框、标题栏和明细栏

1、绘制图框(外框—细实线,内框—粗实线,采用无装订边样式)
| A0 | 1189 X 841 | e=20 |
| A1 | 841 X 594 | e=20 |
| A2 | 594 X 420 | e=10 |
| A3 | 420 X 297 | e=10 |
| A4 | 210X297 | e=10 |
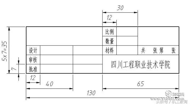
2、绘制标题栏(外框—粗实线,内框—细实线)

样式一

样式二
3、填写标题栏内有关文字(工程字5、工程字7)
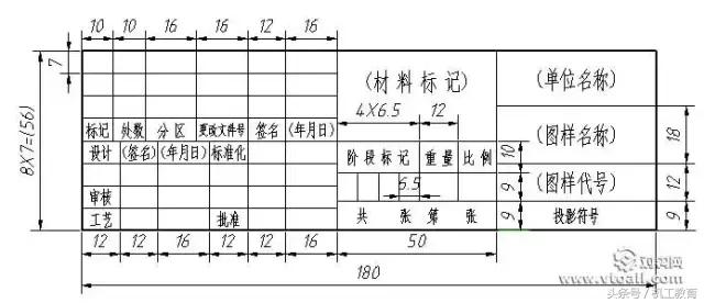
4、绘制明细栏(外框—粗实线,内框—细实线,“序号”、“代号”等均为工程字5,标题栏样式1与明细栏样式1对应,标题栏样式2与明细栏样式2对应。)

样式一

样式二

六、图块的应用

1、表面粗糙度符号
(“Ra1.6”为工程字5,该符号为尺寸线层 )

2、基准符号
(“A”为工程字5 ,该符号为尺寸线层)
3、斜度符号
(“1:20”为工程字5 ,该符号为尺寸线层)

4、锥度符号
(“1:20”为工程字5 ,该符号为尺寸线层)

5、沉孔符号
(“Φ16”为工程字5 ,该符号为绿色,沉孔符号为粗实线)

6、深度符号
(“12”为工程字5 ,该符号为绿色,深度符号的水平线为粗实线)

7、剖切符号
(剖切段为粗实线,箭头段为细实线,文字注释为工程字5,整体剖切符号颜色为绿色。)

七、技术要求

“技术要求” 为工程字7,居中,“技术要求”后不加冒号,颜色为绿色;技术要求的内容为工程字5,颜色为绿色。