
受够了,5㎡的卫生间。

自从住范儿之前为大家介绍了四式分离,很多范儿友摩拳擦掌跃跃欲试却不知如何下手。
今天我们为大家总结了一些实用的方法,希望可以帮助到那些想改变卫生间格局的范儿友。
首先普及一下三式分离与四式分离的概念。
四式分离是世界上公认的合理布局:动线合理,干净卫生,可以分别使用互不干扰。
三式分离即厕所、浴室、洗面室三间分离,四式分离即厕所、洗面室、浴室以及洗衣房这四个区域分离。

图源:mirai-toshi.co.jp
行动之前要想清楚自己是否真的需要,花大力气改变的意义是什么。
中国小户型卫生间一般有多大?
根据我国建设部颁布的卫生间平面尺寸组合系列表可得知:在我国住房面积小于等于60㎡的住宅卫生间面积大都在3~6㎡之间。绝大数家庭的马桶、洗手台、淋浴花洒、洗衣机都挤在一间屋子里。
这种情况带来的麻烦想必大家都再熟悉不过:
卫生间小且狭窄
一个人用卫生间其他人只能干等
洗完澡到处是水雾,电器不耐用,细菌滋生
卫生间放不下洗衣机
卫生间有异味
花洒在浴缸上方,淋浴时不知道站哪里。
要想一键解决以上难题,那就只能从根源上入手,改变不合理的卫生间布局。
大多数人遇到的第一个问题都是不知道如何改变马桶或洗手池位置。

如何改变马桶和洗手池的位置?
做出改变之前,你需要先了解自家卫生间结构,因为并不是所有卫生间都可以改造。
这里有几个重点:下沉式卫生间还是非下沉式卫生间、卫生间面积、马桶位与洗手池位置关系、下水口还有排气口位置。
一般非下沉式卫生间的改造比较麻烦,因为这种卫生间的管道都安装在楼下卫生间的天花板上。
管道位置已经固定死,不能改变。
如要调整,需要把楼板打穿,到楼下人家的卫生间里去接管,很不方便。

图源:jzslw.cn
旧式的卫生间一般都是这种结构。
很多朋友可能心中一阵悲凉:我家就是这样!
不要难过,这种结构的卫生间并不是无药可救,只是操作起来比较麻烦。
一般可以通过下面的方法改变。
▏马桶移位的方法▕
垫高地面:就是在地面把管道引到马桶需要移位的地方。
垫高卫生间的地面一来是为了给填充水泥砂浆留出余地,以埋藏管道。
二来是为了给下水管道制造一些坡度,方便下水。
管道拉得越远,需要的坡度也就越大,相应垫高的高度也要增加。

图源:kinhom.com
墙排:移位的管道可以沿着墙壁走,在不需要垫高地面的情况下也可以处理好管道的隐藏。
常见的壁挂式马桶都是采用这种方式排污。
优点是马桶占地面积小,节省空间;缺点是排污时噪音会比较大。

图源:住范儿自摄
马桶移位器:马桶移位不超过10cm可以使用马桶移位器,缺点是容易堵塞。

图源:kinhom.com
改动下水管道的位置:这个需要征求楼下住户同意。
一般情况下,需要砸开楼下住户的天花板,给顶部的水管做一个大弯头。
这种方式适用于近距离移位,比使用移位器要好得多,基本不会堵塞。
要注意的是改动下水管位置之后一定要重新防水。
▏洗手池移位的方法▕
垫高地面:同马桶移位原理。
墙排:一般洗手池下水口移位的时候用这个方法比较多。由于管道在墙体内部,所以台盆下方的浴室柜不但可以用来收纳,而且看起来干净整洁,轻盈美观。

▏地漏移位的方法▕
在没有地漏的地方加地漏,有两种方法: 一是垫高地面布下水管,原理同马桶移位;二是打穿楼板,重新布下水管,需要征得楼下住户的同意。
洗手池或浴缸下水口改地漏:只需要将下水管露出的部分割掉,做出返水坡即可,注意要安装防臭地漏。
建议保留卫生间原有的地漏,以备不时之需。
▏下沉式卫生间就不用那么费劲了▕
如果你家不是传统的结构,而是下沉式卫生间,那么想改变布局就很easy了。
因为下沉式卫生间的管道放在自家卫生间地板下,也就是下沉空间里,改动方法比较便利,基本上听装修师傅的意见就可以了。
装修时我们可根据需要调整马桶、浴缸、洗手池的位置。

图源:hangzhou.fangtoo.com
二手房卫生间装修的话可以拆掉卫生间原来的地坪掉重新改管道,改好后再要求装修公司将地坪修补后做好防水就可以了。

四式分离的核心:如何分割区域?
搞定移位难题之后,接下来要做的就是分割区域了。
这一步也是四式分离的核心,我们给大家总结一个简单的方*论法**:
如下图,长方形卫生间,从外到里依次是洗手台—马桶—淋浴区布局的,在洗手池与马桶之间加隔断,马桶与淋浴区之间加玻璃隔断。

在洗手台与马桶之间加隔断
如下图面积非常小,且四周都是承重墙的,需要改动洗手池位置。
把洗手池拎出来,通过轻体隔断构建洗面区。
在不破坏原来墙体的基础上,用框架来支撑台盆,安装方便,风格也更多样化。
马桶与淋浴区之间加玻璃隔断分隔。

以上宽度都是以最小值计算的
偏方型的大卫生间如下图,只需要砌墙把马桶和淋浴区围起来,在靠过道的那一侧墙给淋浴室和厕所开门洞。
过道及洗手台的那一片区域刚好可以作为洗面区,一人洗漱的情况下另一个人可以通过的过道需要90cm的宽度。
洗衣机也可以放置在这个区域,与台盆共用一个下水。

图源:home.fang.com
偏方型面积较小的卫生间像下图这样的。
需要把原来的某一面墙向别的房间方向挪动适当的距离,换句话就是要砸掉一面墙重新砌,以扩大卫生间面积。
然后再在内部砌墙分隔区域。并且根据实际情况变动马桶、洗手池、淋浴下水口的位置。

图源:微信公众号:TK和JV
最后强调一下各部分所需要最小面积。
厕所:对于普通不带洗手池(是洗手池不是洗面台)的厕所,需要的尺寸在轻质隔墙的情况下一般为910mm *1365mm,最小尺寸为:750mm *1385mm。

图源:home-living-life.seesaa.net
洗面室:一般推荐将洗面台和洗衣机放置在同一个空间,形成一个紧凑的洗面兼洗衣室。
洗面室的尺寸和布局方式基本可以归纳为下图中的几种形态,其中最小的尺寸1200mm*1650mm;如果不考虑洗衣机,只是作为单纯的洗面室所需要的面积至少为850mm*1200mm。

图源:home-living-life.seesaa.net
浴室一般布局都是浴缸+淋浴区,这样的布局最小尺寸至少为1245mm*1650m。

图源:home-living-life.seesaa.net
至于门洞的问题,一般门洞预留700mm~800mm的宽度就可以啦。
是不是觉得有点抽象了呢,在此贴心地奉上一些案例供大家参考。

初级版改造案例:外置洗手台+淋浴房
适用对象:一般长方形卫生间或面积小且无法砸墙的卫生间。
适合本土的简单的三式分离只需要一个外置洗手台+一间淋浴房。毕竟我们没有日本所谓的“浴文化”,非要单独做一个浴室。
怎么建淋浴房大家都知道,就不赘述了。
关键是外置洗手台怎么改造?
对于大多数的长方形卫生间,只需要如图在洗面台与便溺区之间加一层隔断即可。

图源:oppein.cn
如果卫生间比较小,可以考虑从卫生间外划分一些位置过来。
比如下图就是向卫生间门口的过道位置处“借”了一些空间作为洗面区,并加了一小面装饰隔断墙来做空间分隔。
同时安装了玻璃淋浴房,完成了基本的三式分离。
这样在你洗漱的时候,家人也能上厕所啦。

图源:fuwo.com
空间足够的情况下,还可以在洗手台下方还可以塞下一个洗衣机,不过这种浴室柜需要定制。

图源:住范儿自摄

高阶版改造案例:四式分离
适用对象:偏方形面积较小的卫生间,一般洗手池在马桶对面。
国内小户型卫生间可以像日本那样做四式分离吗?可以,不过会麻烦一些。
基于我国小户型卫生间整体面积不足的国情,想改导致经典的四式分离,大多数家庭都需要从别的房间分出面积来给卫生间,所以只能敲掉墙重新砌。
根据需要,将本来卫生间的一侧墙向别的房间方向挪动。
下面有一个很成功的改造案例。
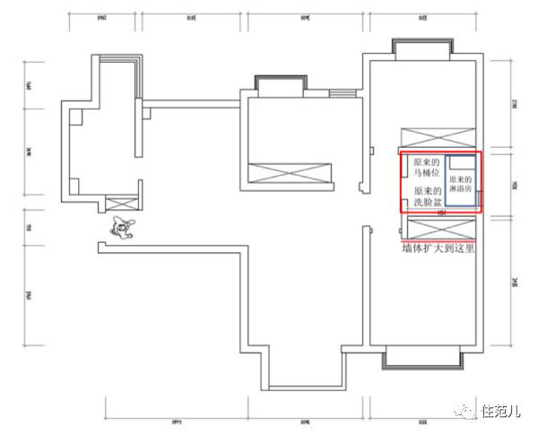
屋主家的卫生间本来是属于偏方形的,面积5㎡,马桶位在洗手台对面。
如图屋主将卫生间的一侧墙向主卧移动了60cm,牺牲了主卧的一部分空间,将这部分空间变成了洗面室和洗衣房,改造完成后卫生间面积总共7㎡。
改造前户型图如下:

图源:微信公众号:TK和JV
改造完成后的格局如下图:

图源:微信公众号:TK和JV
屋主先用砖墙将空间分割成半开放的三个区域。
事实证明单层砖墙有些太薄了,后来屋主又做了一层加固。
注意观察改造前后的对比图可以发现,屋主将马桶移到了靠近洗手台的那一侧,洗手台、淋浴区的大致位置都没有改变,只是向卧室方向拓展了一些空间用来做洗面室和洗衣房,然后给洗面室加了一扇门。

图源:微信公众号:TK和JV
后期根据需要利用帘子、门等对空间进一步分割,基本上做到了四式分离,完成后效果如图。
每个功能区空间都很足够,使用时甚至感觉很宽敞。

图源:微信公众号:TK和JV
其中洗面室和洗衣房位于同一区域,洗衣机与洗手池共用一个下水。
两室中间加上了帘子,如果需要在洗衣房换衣服的话可以将帘子拉上,即使一家人有时也会需要隐私。
屋主是一家三口人,有一个可爱的小女儿。

图源:微信公众号:TK和JV

图源:微信公众号:TK和JV
洗完澡就可以走出去更衣洗衣啦。

图源:微信公众号:TK和JV
整个淋浴室大概2.5㎡,淋浴区面积为1米*1.2米。
屋主还添加了一个1.1米的迷你的泡澡浴缸主要给小女儿洗澡。
浴缸和淋浴兼用一个淋浴花洒和下水。

图源:微信公众号:TK和JV
有两个亮点:淋浴房的门做了加高处理,可以防止水溢出;
采用了分段式的瓷砖贴法,下深上浅,使小空间变得有层次感,同时下层深色砖也比较耐脏。

图源:微信公众号:TK和JV
便溺区面积总共1.5㎡,使用起来完全足够,十分宽敞。
亮点在马桶上,屋主选择了伊奈自带水龙头的马桶,完美地解决了厕所没有洗手池的问题。
每次上完厕所洗手时,水流先从龙头里出来,然后流进马桶的水箱,满足洗手需求的同时也非常节约水。
不过这先进的设备,国内买不到,只能从日本人肉背回 。所以下次去日本的时候别总想着马桶盖,马桶更重要!

图源:微信公众号:TK和JV
我知道你们现在好奇改造费用的问题了,于是特意咨询了屋主。然而屋主自己也算不清楚。
因为卫生间的改造费用算到整屋的硬装施工费用中了。能知道的就是,屋主家113㎡的房间,施工总共花费7w。
瞧,谁说中国的小户型卫生间就不能四式分离了?
如果你早都对四式分离心痒痒的话,不如先试着规划一下自家的卫生间布局。
关于住这件事,只要有心想改变,改变就会一点点发生哦。