微波炉不仅能快速除霜解冻、解冻食物,而且具有煲、蒸、煮、炆、炖、烤、炒、灭菌、消毒等功能。与传统炉具相比,微波炉有操作简便、烹调迅速、省时省力、耐用、寿命长、安全、节能、卫生、无污染等优点,所以微波炉作为现代厨具迅速走进千家万户。
微波炉的基础知识
微波是频率大约在300MHz~3000GHz或波长在1m~0.1mm范围内的电磁波。微波炉一般采用2450MHz±25MHz的微波。
一、微波炉的特点
微波的特点如下:
一是微波能穿透食物达5㎝深,并使食物中的水分子也随之做热运动,导致食物的温度升高,于是食物“煮熟”。
二是微波能穿透陶瓷、玻璃、木器、竹器、纸合等绝缘材料,而微波遇到金属就会反射,所以微波炉器皿采用绝缘材料构成,而微波炉炉腔采用钢板、不锈钢板等金属材料构成,以便于微波反复穿透食物,提高了热效率。
三是2450MHz的微波过量后,容易损伤人的眼睛等部位。因此,使用时要注意安全。
二、微波炉的工作原理
如图10-2所示,首先,220V市电电压通过高压变压器进行升压,再通过高压整流电路产生4000V左右的直流电压,该电压加到磁控管的阴极后,磁控管产生2450MHz的微波。微波传入炉内,通过炉腔的反射,不断的穿透食物,最终将食物煮熟。
三、微波炉的构成及作用
1.构成
微波炉由磁控管、波导管、搅动器、炉腔、炉门、炉门联锁开关、转盘、外壳、控制电路等构成,如图10-3所示。其中,炉门联锁开关、转盘未画出。

图10-2 微波炉工作原理示意图

图10-3 微波炉构成示意图
2.作用
(1)磁控管
磁控管是微波炉的心脏,它主要由管芯和磁铁两大部分组成。从外观上看,它主要由微波能量输出器(微波发射器或天线)、散热器、磁铁、灯丝、插脚等构成,如图10-4(a)所示。而它内部还有一个圆筒形的阴极,如图10-4(b)所示。
提示 第1章已经对磁控管的检测进行了介绍,此处不再介绍。

图10-4 磁控管的构成示意图a

图10-4 磁控管的构成示意图b
1)灯丝
灯丝采用钍钨丝或纯钨丝绕制成螺旋状,其作用是加热阴极使其发射电子。
2)阴极
阴极采用发射电子能力很强的材料制成。它分为直热式和间热式两种。直热式的阴极和灯丝组合在一体,采用此种方式的阴极只需10~20s的延时,就可以进行工作;间热式的阴极做成圆筒状,灯丝安装在圆筒内,加热灯丝间接地加热阴极而使其发射电子。阴极被加热后,就开始发射电子。
3)阳极
阳极由高导电率的无氧铜制成。阳极上有多个谐振腔,用以接收阴极发射的电子。谐振腔也是由无氧铜制成,一般采用孔槽式和扇形式,它们是产生高频振荡的选频谐振回路。而谐振频率的大小取决于空腔的尺寸。为了方便安装和使用安全,它的阳极接地,而阴极输入负高压,这样在阳极和阴极之间就形成了一个径向直流电场。
4)天线
天线也叫微波能量输出器或微波能量发射器,它的作用是将管芯产生的微波能量输送到负载上用来加热食物。
5)磁铁(磁路系统)
磁控管正常工作时要求有很强的恒定磁场,其磁感应强度一般为数千特斯拉。工作频率越高,所加磁场越强。
磁控管的磁铁就是产生恒定磁场的装置。磁路系统分永磁和电磁两大类。永磁系统一般用于小功率管,磁钢与管芯牢固合为一体构成所谓包装式。大功率管多用电磁铁产生磁场,管芯和电磁铁配合使用,管芯内有上、下极靴,以固定磁隙的距离。磁控管工作时,可以很方便的靠改变磁场强度的大小,来调整输出功率和工作频率。另外,还可以将阳极电流馈入电磁线圈以提高管子工作的稳定性。
(2)波导管
波导管的作用就是保证磁控管输出的微波都能进入炉腔,不外泄。它多采用导电性能较好的金属制成,为矩形空心管。波导管一端接磁控管的微波输出口,另一端接炉腔。
(3)搅动器
搅动器的作用是使炉腔内的微波场均匀分布。它由导电性能好、机械强度高的硬质合金材料构成,多安装在炉腔顶部波导管输出口处。它之所以能够旋转是利用小电机或发射气流带动的。
(4)炉腔
炉腔是盛放需要加热食物的空间。实际上,它是一个微波谐振腔,由钢板喷涂或不锈钢板冲压而成。
(5)炉门
炉门是取放食物的和观察的部件。一般由不锈钢框架镶嵌玻璃构成,玻璃窗中夹着金属多丝孔网板,以防止微波泄漏。
(6)炉门联锁开关
为了确保使用安全,微波炉的炉门上安装了联锁开关。当炉门没有关闭或未关好时,联锁开关会切断供电回路,使微波炉不能工作,以免微波泄漏。
炉门联锁开关由初级门锁开关(又称为门锁第一级开关、主开关)、次级门锁开关(又称为门锁第二级开关、副开关)、监控开关、门钩等构成,如图10-5所示。

图10-5 炉门联锁开关
(a)构成图

图10-5 炉门联锁开关
(b)原理图
当炉门关闭时,联锁开关上的两个门钩插入炉腔的长方形孔内,按下微动开关,使门锁初、次级门锁开关闭合,而使监控开关断开,微波炉进入准备工作状态,如图10-5(b)所示。当打开炉门时,初、次级门锁开关断开,而监控开关接通,使微波炉停止工作。
(7)转盘
转盘安装在炉腔底部,由一只微型电机带动,以5~8r/min的转速旋转,使转盘上的食物的各部位周期性不断处于微波场的不同位置,确保食物能够均匀的加热。
(8)电源电路
普通微波炉的电源电路仅为磁控管提供3.3V灯丝电压和为高压整流电路提供2000V左右的交流电压,再通过高压电容C和高压二极管VD组成半波倍压整流电路,产生4000V的负压,为磁控管的阴极供电。而电脑控制型微波炉的电源电路还为电脑电路提供12V、5V等工作电压。
(9)控制电路
控制电路由定时器、功率控制器、过热保护器等构成。
普通微波炉采用电机驱动定时器,由定时器控制微波炉的工作时间,定时时间一到,定时器的触点就会断开,切断微波炉的电源。电脑控制型微波炉的定时由电脑进行控制。
机械控制型微波炉的功率控制器多由定时器电机驱动,通过功率控制器选择旋钮带动凸轮机构来控制功率开关的闭合。为了满足烹调、加热食物的不同需要,微波炉一般可选择的功率有五挡。功率控制器采用百分率定时方式,也就是在一个固定循环周期为30s时,选择最大功率挡位,功率控制器的开关接通时间就是30s,而选择最小功率挡位,功率控制器的开关接通时间就是5s左右。电脑控制型微波炉的功率由电脑进行控制。
无论机械控制型微波炉,还是电脑控制型微波炉,为了防止磁控管过热损坏,通常需要设置过热保护器。该保护器多采用双金属片型过热保护器。
机械控制型微波炉故障分析与检修
典型的机械控制型微波炉的控制系统采用了机械定时器,如图10-6所示。

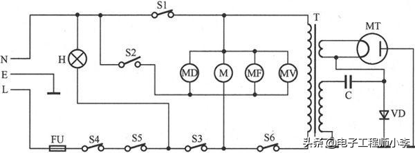
FU—熔断器;S1—副联锁开关;S2—联锁监控开关;S3—主锁锁开关;S4—过热保护器;
S5—定时器开关;S6—功率调节器开关;MD—定时器电机;M—转盘电机;MF—风扇电机;
MV—功率调节器电机;T—高压变压器;MT—磁控管;C—电容;VD—高压二极管;H—炉灯
图10-6 机械控制型微波炉电气原理图(图中开关处于关门状态)
一、工作原理
关闭炉门时,联锁机构随之动作,使联锁监控开关S2断开,主联锁开关S3和副锁开关S1闭合,此时微波炉处于准备工作状态。将定时器置于某一时间挡后,定时器开关S5即闭合,炉灯H的供电回路被接通,H开始发光;再将功率调节器设定在某一挡次上,此时220V市电电压不仅为定时器电机MD、转盘电机M、风扇电机MF供电,使它们开始运转,而且加到高压变压器T的初级绕组,使它的灯丝绕组和高压绕组输出交流电压,其中,灯丝烧组向磁控管的灯丝提供3.3V左右的工作电压,点亮灯丝为阴极加热,高压绕组输出的2000V左右的交流电压,通过高压电容C和高压二极管VD组成半波倍压整流电路,产生4000V的负压,为磁控管的阴极供电,使阴极发射电子。磁控管形成的2450MHz的微波能,经波导管传入炉腔,通过炉腔反射,刺激食物的水分子使其以每秒24.5亿次的高速振动,互相摩擦,从而产生高热,将食物煮熟。
二、常见故障检修
(1)熔断器FU熔断
熔断器FU熔断的故障原因主要有三种:第一种是自身损坏;第二种有元件击穿或漏电,使其过流熔断;第三种是联锁监控开关S2的触点粘连,使它过流熔断。该故障检修流程如图10-7所示。

图10-7 熔断器FU熔断故障检修流程
提示 目前,大部分微波炉的高压变压器T与高压电容C之间串联了一只高压熔断器,当高压电容C、高压二极管VD击穿或磁控管损坏时,导致该熔断器熔断,产生转盘转但不加热的故障。维修时,该电容不能用导线短接,否则C、VD击穿后可能会导致高压变压器T损坏。
(2)熔断器FU正常,炉灯不亮且不加热
熔断器FU正常,炉灯不亮且不加热的故障原因主要有三种:第一种是过热保护器S4开路;第二种是定时器开关S5内的触点开路;第三种是线路开路。该故障检修流程如图10-8所示。
(3)炉灯亮,但不加热
炉灯亮但不加热的故障有两种情况:一种是转盘能够旋转;另一种是转盘不能旋转。转盘不能旋转的故障原因主要是联锁开关或供电线路异常,转盘旋转但不加热的故障原因是功率调节器开关、高压形成电路或磁控管异常。该故障检修流程如图10-9所示。

图10-8 熔断器FU正常,但炉灯不亮且不加热故障检修流程

图10-9 炉灯亮,但不加热故障检修流程
注意 由于变压器T的次级绕组、高压整流滤波电路输出的电压,以及磁控管输入的电压超过2000V,所以维修时最好不要测量电压,而采用测量电阻等方法进行判断,以免被高压电击,发生危险,并且检查高压电容时,即使在断电的情况下,也要先对其放电,再进行测量。
(4)能加热,但转盘不转
能加热但转盘不转的故障主要原因是转盘电机或其供电线路开路。检测该故障时,先用万用表的交流电压挡测转盘电机的接线端子上有无220V市电电压,若有,需要修复或更换电机;若没有,查供电线路即可。
提示 能加热但不能排风或能加热但炉灯不亮的故障,和能加热但转盘不转的故障检修方法是一样的,不再介绍。
电脑控制型微波炉故障分析与检修
电脑控制型微波炉的控制系统采用了电脑控制电路,下面以格兰仕WD700A/WD800B和上菱WP650、安宝路MB-23型微波炉为例进行介绍。
一、格兰仕WD700A/WD800B型微波炉
格兰仕WD700A/WD800B型微波炉的电气原理图如图10-10所示,控制电路如图10-11所示。

图10-10 格兰仕WD700A/WD800B型微波炉电气原理图
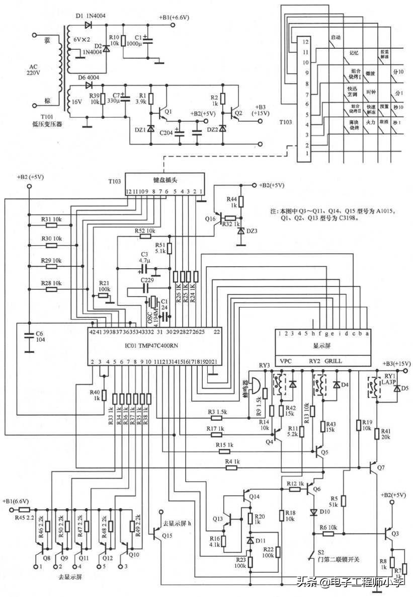
1.电源电路
如图10-11所示,为微波炉通上市电电压后,市电电压通过变压器T101降压后,输出6V和16V两种交流电压,其中,6V交流电压经D1、D2全波整流,C1滤波产生6.6V直流电压,为显示屏供电;16V交流电压通过D6半波整流产生19V左右的直流电压。该电压一路通过限流电阻R1、稳压管DZ1、调整管Q1组成的5V稳压器稳压输出5V电压,为CPU等电路供电;另一路通过限流电阻R2、稳压管DZ2、调整管Q2组成的12V稳压器稳压输出12V电压,为继电器等供电。

图10-11 格兰仕WD700A/WD800B型微波炉控制电路
2.微处理器电路
如图10-11所示,该机的微处理器电路由微处理器TMP47C400RN(IC01)为核心构成。
(1)TMP47C400RN的引脚功能
TMP47C400RN的引脚功能如表10-1所示。

表10-1 TMP47C400RN的引脚功能
(2)CPU工作条件电路
5V供电:插好微波炉的电源线,待电源电路工作后,由其输出的5V电压经电容滤波后,加到微处理器IC01的供电端[42]、[34]、[35]脚,为IC01供电。
复位:该机的复位电路由微处理器IC01和三极管Q16、稳压管DZ3等元件构成。开机瞬间,由于5V电源在滤波电容的作用下是逐渐升高。当该电压低于4.8V时,Q16截止,Q16的c极输出低电平电压,该电压经R52、C3积分后加到IC01的[33]脚,使IC01内的存储器、寄存器等电路清零复位。随着5V电源电压的逐渐升高,当其超过4.8V后,Q16导通,由它的c极输出高电平电压,该电压加到IC01的[33]脚后,IC01内部电路复位结束,开始工作。
时钟振荡:IC01得到供电后,它内部的振荡器与[31]、[32]脚外接的晶振OSC和移相电容通过振荡产生4.19MHz的时钟信号。该信号经分频后协调各部位的工作,并作为IC01输出各种控制信号的基准脉冲源。
3.炉门开关控制电路
如图10-10、图10-11所示,关闭炉门时,联锁机构相应动作,使联锁开关S1~S3接通。S1、S3接通后,接通变压器T、加热器H与熔断器FUSE的线路。S2接通后,不仅将Q6的c极通过D10接地,而且通过R6使Q3导通。Q3导通后,它的c极输出的电压通过R8限流,加到微处理器IC01的[13]脚,被IC01检测后识别出炉门已关闭,微波炉进入待机状态。反之,若打开炉门后,联锁开关S1~S3断开,切断市电到T、H的回路。同时,IC01的[13]脚没有高电平信号输入,IC01判断炉门被打开,不再输出微波或烧烤的加热信号,而由[2]脚输出低电平信号,该信号通过R4限流,使Q7导通,为继电器RY1的线圈提供导通电流,线圈产生的磁场使它内部的触点吸合,为炉灯供电,使炉灯发光,以方便用户取、放食物。
4.微波加热控制电路
首先,按下面板上的微波键,再选择好时间后,按下启动键,产生的高电平控制电压依次通过连接器T103进入电脑控制电路,送给微处理器IC01进行识别。其中,T103的[6]脚输入的控制电压不仅加到IC01的[14]脚,而且经D11使Q13、Q14组成的模拟晶闸管电路工作,为Q6的b极提供低电平的导通电压,使Q6始终处于导通状态。IC01的[14]脚输入启动信号后,IC01从内存调出烹饪程序并控制显示屏显示时间,同时控制[2]脚和[15]脚输出低电平控制信号。[2]脚输出的低电平控制信号通过R4限流,使Q7导通,为继电器RY1的线圈提供导通电流,线圈产生的磁场使它内部的触点吸合,为炉灯、转盘电机、风扇电机供电,使炉灯发光,并使转盘电机和风扇电机开始旋转。[15]脚输出的低电平信号通过R17限流,使Q4导通,为继电器RY3的线圈提供导通电流,RY3内的触点吸合,接通高压变压器T的初级回路,使它的灯丝绕组和高压绕组输出交流电压。其中,灯丝烧组向磁控管的灯丝提供3.4V左右的工作电压,点亮灯丝为阴极加热,高压绕组输出的2000V左右的交流电压,通过高压电容C和高压二极管D组成半波倍压整流电路,产生4000V的负压,为磁控管EA的阴极供电,使阴极发射电子,磁控管产生的微波能经波导管传入炉腔,通过炉腔反射,最终产生高热,将食物煮熟。
5.烧烤加热控制电路
烧烤加热控制电路与微波加热控制电路的工作原理基本相同,不同的是使用该功能时需要按下面板上的烧烤键,被微处理器IC01识别后,IC01控制[2]脚和[12]脚输出低电平控制信号。如上所述,[2]脚输出的低电平控制信号使炉灯发光,并使转盘电机和风扇电机开始旋转。[12]脚输出的低电平信号通过R15限流,使Q5导通,为继电器RY2的线圈提供导通电流,RY2内的触点吸合,接通烧烤石英管加热器的的供电回路,使它开始发热,将食物烤熟。
6.常见故障检修
(1)熔断器熔断
市电输入回路的熔断器熔断的故障原因一是自身损坏;二是高压变压器T、转盘电机、风扇电机或炉灯短路,使其过流熔断。检修方法与机械式微波炉相同。
(2)熔断器正常,但整机不工作
熔断器正常,但整机不工作的故障原因一是过热保护器S4开路;二是电源电路异常;三是微处理器电路异常。该故障检修流程如图10-12所示。
提示 复位电路、振荡器异常有时会产生操作键失效,继电器连续吸合、释放,并且显示屏乱闪的故障。
(3)显示屏亮,但不加热且转盘不转
显示屏亮,但不加热且转盘不转故障原因主要有三种:第一种是联锁开关内的触点开路;第二种是15V供电异常;第三种是微处理器IC01异常。该故障检修流程如图10-13所示。
(4)炉灯亮,但不加热、不能烧烤
炉灯亮,但不加热、不能烧烤的故障原因主要有四种:第一种是监控开关S3、门第二联锁开关开路;第二种是启动电路开路;第三种是门开关检测电路异常;第四种是微处理器IC01异常。该故障检修流程如图10-14所示。
(5)能烧烤,但不加热
能烧烤,但不加热的故障原因主要有四种:第一种是加热供电电路异常;第二种是高压形成电路异常;第三种是磁控管异常;第四种是微处理器IC01异常。该故障检修流程如图10-15所示。

图10-12 熔断器正常,但整机不工作故障检修流程

图10-13 显示屏亮,但不加热且转盘不转故障检修流程

图10-14 炉灯亮,但不加热故障检修流程
注意 由于高压变压器的次级绕组、高压整流滤波电路输出的电压,以及磁控管输入的电压均超过2000V,所以维修时最好不要测量电压,而应采用测量电阻等方法进行判断,以免被高压电击,发生危险,并且检查高压电容时,即使在断电的情况下,也要先对其放电,再进行测量。

图10-15 能烧烤,但不加热故障检修流程
(6)微波能加热,但不能烧烤
微波能加热,但不能烧烤的故障原因主要有三种:第一种是石英加热管开路;第二种是石英加热管的供电电路异常;第三种是微处理器IC01异常。该故障检修流程如图10-16所示。

图10-16 微波能加热,但不能烧烤故障检修流程
(7)能加热,但转盘不转、炉灯不亮
能加热但转盘不转、炉灯不亮的主要故障原因是供电控制电路异常。
测微处理器IC01的[2]脚能否为低电平,若不能查IC01;若能,查Q7、RY1、R4。
(8)炉灯不亮,其他正常
炉灯不亮,其他正常的主要故障原因是炉灯或其供电线路异常。
直观检查炉灯的灯丝是否开路或用万用表的电阻挡测量灯丝的阻值,就可以确认灯丝是否正常;若灯丝正常,查供电线路。
提示 能加热但不能排风或能加热转盘不转的故障,和能加热但炉灯不亮的故障检修方法是一样的,不再介绍。
变频型微波炉故障分析与检修
一、变频型微波炉的特点
变频微波炉的特点:一是变频微波炉的变频电路可以将50㎐的220V市电电压转换成20㎑~45㎑的高频率脉冲电压,因此通过改变脉冲电压的频率就可以改变磁控管的功率输出,自由地控制火力的强弱从而保留了食物的营养,食物的口感自然也格外好。二是采用了体积轻巧的变频器取代了传统的高压变压器,不仅减轻了质量,而且增大了内部炉腔容量,使烹饪空间得以拓展。另外,采用其变频组合烧烤功能烧烤食物,大大缩短了烧烤时间,最大程度上保留了食物内的水分和营养,烤出的食物美味可口。
二、典型变频微波炉故障分析与检修
以松下变频微波炉为例,其代表机型有NN-K5540M、NN-K5541F、NN-K5542MF、NN-K5544MF、NN-K5640MF、NN-K5740MF、NN-K5741JF、NN-K5840SF、NN-K5841JF等。松下变频微波炉的电气原理图如图10-29所示,控制电路如图10-30、图10-31所示。
1.电源电路
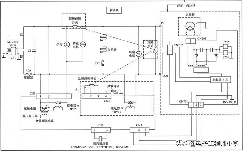
如图10-30所示,为微波炉通上市电电压后,市电电压通过电源变压器T10降压后,从S1-S2绕组输出15V左右交流电压。该电压通过D10~D13桥式整流,再经C10滤波产生18V左右的直流电压。该18V电压不仅为继电器等电路供电,而且通过Q10、R10、R11和ZD10组成的5V稳压器输出5V电压,为微处理器等电路供电。
市电输入回路的压敏电阻D25用于市电过压保护。当市电异常升高时,它过压击穿,使10A熔断器过流熔断,切断市电输入回路,以免电源变压器T10等元器件过压损坏。

图10-29 松下变频微波炉电气原理图
2.微处理器工作条件电路
(1)5V供电
如图10-30所示,插好微波炉的电源线,待电源电路工作后,由其输出的5V电压经电容C12滤波后,加到微处理器IC1(MN101C54CFX)的供电端[17]、[19]、[29]、[47]脚,为IC1供电。
(2)复位
如图10-31所示,开机瞬间,由复位电路产生的低电平复位信号加到微处理器IC1的[18]脚,使IC1内的存储器、寄存器等电路清零复位。当复位电路为IC1的[18]脚提供高电平电压后,IC1内部电路复位结束,开始工作。
(3)时钟振荡
如图10-31所示,微处理器IC1得到供电后,它内部的振荡器与[12]、[13]脚外接的晶振CX320和移相电容C320、C321通过振荡产生6MHz的时钟信号。该信号经分频后协调各部位的工作,并作为IC1输出各种控制信号的基准脉冲源。
3.炉门开关控制电路
如图10-29、图10-30所示,关闭炉门时,联锁机构相应动作,使初级碰锁开关和次级碰锁开关接通,而使短路开关(门监控开关)断开。初级碰锁开关接通后,转盘电机、变频器供电电路、加热器、风扇电机与10A熔断器的线路接通;次级碰锁开关接通后,18V电压通过连接器CN4的[3]、[1]脚输入后,不仅能够为继电器供电,而且通过R290、R228分压后,加到微处理器IC1的[45]脚,使[45]脚电位由低变高,该变化被IC1检测后识别出炉门已关闭,由[41]脚输出低电平信号,使Q223截止,继电器RY2的线圈无导通电流,它内部的触点释放,使炉灯熄灭,微波炉进入待机状态。打开炉门后,初级碰锁开关断开,切断市电到转盘电机、加热器、变频器的供电电路。同时,IC1的[45]脚电位变为低电平,IC1判断炉门被打开,不再输出微波或烧烤的加热信号,而由[41]脚输出高电平信号,使带阻三极管Q223导通,为继电器RY2的线圈提供导通电流,线圈产生的磁场使它内部的触点吸合,为炉灯供电,使炉灯发光,以方便用户取、放食物。
4.微波加热控制电路
如图10-31、图10-30所示,在待机状态下,首先选择微波加热功能,再选择好时间后按下启动(START开始)键,产生的高电平信号通过R223、R224限流使Q225、Q226组成的模拟晶闸管电路导通,不仅接通了Q220的发射极回路,而且使微处理器IC1的[40]脚电位变为低电平,被IC1识别后,IC1从内存中调出烹饪程序并控制显示屏显示的时间,同时控制[39]脚、[41]脚输出高电平控制信号。[41]脚输出的高电平控制信号使继电器RY2内的触点吸合,为炉灯、转盘电机供电,使炉灯发光,并使转盘电机开始旋转;[39]脚输出的高电平信号使带阻三极管Q220导通,为继电器RY1的线圈提供导通电流,RY1内的触点吸合,接通风扇电机、变频器的供电回路,使风扇电机开始旋转。同时变频器获得供电后开始工作,由它输出的电压使磁控管产生微波能,微波能经波导管传入炉腔,通过炉腔反射,最终产生高热,将食物煮熟。
5.烧烤加热控制电路
烧烤加热控制电路与微波加热控制电路的工作原理基本相同,不同的是使用该功能时需要按下面板上的烧烤键,被微处理器IC1识别后,IC1控制[39]、[41]、[42]脚输出高电平控制信号。如上所述,[39]、[41]脚输出的高电平控制信号使炉灯发光,转盘电机和风扇电机开始旋转,并使磁控管产生微波。而[42]脚输出的高电平控制信号使带阻三极管Q222导通,为继电器RY3的线圈提供导通电流使RY3内的触点吸合,接通烧烤加热器的供电回路,使它开始发热,在微波的配合下快速将食物烤熟。

图10-30 松下变频微波炉控制电路(一)

图10-31 松下变频微波炉控制电路(二)
6.自动温度控制电路
自动温度控制由负温度系数热敏电阻和微处理器IC1共同完成。连接器CN4的[4]脚外接的热敏电阻的阻值随温度升高而减小,使IC1的[23]脚电位随温度升高而降低。这样,IC1将[23]脚电压数据与其内部固化的不同温度的电压数据比较后,识别出炉内温度,确定微波炉需要工作在加热状态,还是停止加热。
7.蜂鸣器驱动电路
该机的蜂鸣器电路由蜂鸣器BZ310、带阻三极管Q224、微处理器IC1等构成。每次进行操作时,微处理器IC1的[8]脚输出蜂鸣器驱动信号。该信号通过Q224倒相放大,驱动蜂鸣器BZ310鸣叫,提醒用户微波炉已收到操作信号,并且此次控制有效。
8.常见故障检修
(1)整机不工作
整机不工作,说明该机没有市电电压输入或电源电路、微处理器异常所致。该故障可根据市电输入回路的10A熔断器是否熔断进行检修。10A熔断器熔断的检修流程如图10-32所示,熔断器正常的检修流程如图10-33所示。

图10-32 整机不工作故障检修流程(一)
提示 压敏电阻D25损坏后表面多会出现裂痕或黑点,所以通过观察外观都可以确认它是否击穿。另外,由于我国市电电压比较稳定,所以压敏电阻D25击穿后也可以不安装。
提示 复位电路、振荡器异常有时会产生操作键失效,继电器连续吸合、释放,并且显示屏乱闪的故障。

图10-33 整机不工作故障检修流程(二)
(2)显示屏亮,但不加热且转盘不转
显示屏亮,但不加热且转盘不转故障原因主要有5种:第一种是初级碰锁开关开路;第二种是18V供电异常;第三种是炉门检测电路异常;第四种是启动(开始)操作电路异常;第五种是微处理器IC1异常。该故障检修流程如图10-34所示。

图10-34 显示屏亮,但不加热且转盘不转故障检修流程
(3)能烧烤,但不加热
能烧烤,但不加热的故障原因主要有4种:第一种是加热供电电路异常;第二种是变频器异常;第三种是磁控管异常;第四种是微处理器IC1异常。该故障检修流程如图10-35所示。

图10-35 能烧烤,但不加热故障检修流程
注意 由于变频器输出的电压,以及磁控管输入的电压超过2000V,所以维修时最好不要测量电压,而应采用测量电阻等方法进行判断,以免被高压电击,发生危险。并且在检查高压电容时,即使在断电的情况下,也要先对其放电,再进行测量。
(4)能加热,但不能烧烤
能加热,但不能烧烤的故障原因主要有3种:第一种是加热器开路;第二种是加热器的供电电路异常;第三种是微处理器IC1异常。该故障检修流程如图10-36所示。

图10-36 能加热,但不能烧烤故障检修流程
提示 能加热但炉灯不亮或风扇电机、转盘电机不转的故障,和能加热但不能烧烤的故障检修方法是一样的,不再介绍。
分享【最全家电维修视频教程】!! 立即*载下**-Mark