手持编程器的操作技能………………………………………………1
实训项目二 PLC控制机械手的设计………………………………………………5
实训项目三 PLC控制机械滑台的设计与模拟调试………………………………12
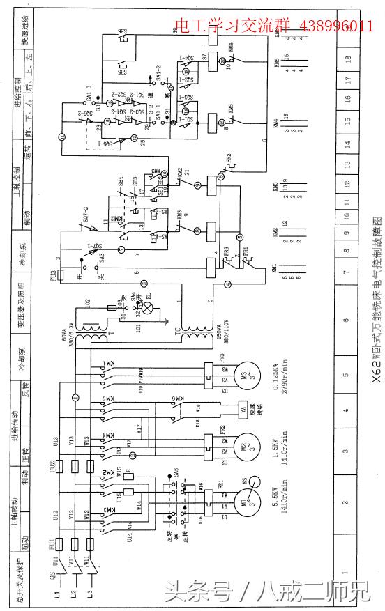
实训项目四 X62W型卧式万能铣床电气线路故障排除…………………………16
实训项目五 电动葫芦控制线路故障排除…………………………………………24
实训项目六 Z35型摇臂钻床电气线路故障排除…………………………………26
实训项目七 CA6140型卧式车床电气控制线路故障排除………………………28
实训项目 八晶体管的特性曲线及参数测量………………………………………30
实训项目九 用双踪示波器测量正弦波相位差……………………………………38
电动葫芦控制线路的故障排除
1、实操目的
(1)掌握线路分析与故障排除方法。
(2)掌握电动葫芦控制线路故障排除技能。
2、实操步骤
(1)熟悉电路结构。
(2)据电路原理图,通过查线读图分析法,掌握电路工作过程。
(3)按照原理图9-1对照已接线的装置电路板,进行查线,用电阻法判别各电气元件是否正常,找出故障点并加以排除。
(4)试运行。
3、电动葫芦电气控制线路故障说明
本电气控制线路共设故障8处,其中断路故障7处,分别是D1、D2、D3、D4、D5、D6、D7;短路故障1处,是D8。各故障均由故障开关控制,“0”位为断开,“1”为合上。
(1)、D1故障开关串接在电机M2的一根相线上,断开此开关,电动机出现缺相,而无法正常启动。
(2)、D2故障开关串接在控制线路各线圈并接处,此开关断开,控制线路无法工作。
(3)、D3故障开头串接在限位联锁开关SQ1与互锁点KM2之间,断开此开关,KM1接触器无法工作。
(4)、D4故障开关串接在接触器KM1线圈上,断开此开关,KM1接触器无法得电。
(5)、D5故障开关串接在接触器KM2上,断开此开关,KM2接触器无法工作。
(6)、D6故障开关串接在限位联锁开关SQ2与互锁KM4之间,断开此开关,KM3接触器无法工作。
(7)、D7故障开关串联在接触器KM3线圈上,断开此开KM3线圈无法得电。
(8)、D8故障开关与SB4按钮常开开关并联,合上电源开关,KM4接触器线圈通电,M2电动机启动,自动工作。
4、实操考核要求
(1)通过查线读图分析法,介绍电路工作过程。(10)
(2)查出控制回路的故障点,并拟出改正方案。(40)
(3)按照改正方案排除故障。(30)
(4)用电阻检测法查2KM线圈回路的有关电气元件和触头的电阻值,,并分析该电路的有电阻值,判别是否正常。(10)
(5)试运行。(10)


图5-1 原理图

实训六 Z35型摇臂钻床电气线路的故障排除
1、实操目的
(1)识读较复杂的控制电路原理图。
(2)掌握电路图工作原理。
(3)掌握控制电路的测检技术、排除电路中的故障。
2、实操步骤
(1)认真研读电路原理图,用电气元件代号和箭头分别写出零压保护等6个控制回路。
(2)按照电路原理,查出电气控制线路装置中人为设置的故障,并拟出改正方案。
(3)经指导教师批准后把故障排除。
(4)用电阻检测法测量指定的两个回路有关元件和触点的电阻值。
(5)据检测结果判断电路是否正常。
(6)试运行。
3、故障开关说明
本控制线路共设11个故障,其中断路故障7处,分别为Z1、Z2、Z3、Z4、Z5、Z9和Z10;短路故障4个,分别为Z6、Z7、Z8和Z11。
(1)、Z1故障开关设在冷却泵主线路中,此开关断开,M1将出现缺相。
(2)、Z2故障开关设在主轴电机控制接触器与热继电器FR之间,此开关断开,主轴电机M2无法运行。
(3)、Z3故障开关设在控制变压器初级线圈处,此开关断开,控制变压器TC将无电压输入。
(4)、Z4故障开关设在变压器输出公共点0处,断开此开关,无控制电压输出,控制线路无法工作。
(5)、Z5故障开关设在零电压保护中间继电器KA线圈处,断开此开关,所有控制线路无法工作。
(6)、Z6故障开关与主轴控制启动按钮SB2并联,合上此开关,按SA1主轴电机自动启动。
(7)、Z7故障开关与控制摇臂上升按钮SB3并联,合上此开关,摇臂自动上升。
(8)、Z8故障开关与控制摇臂下降按钮SB4,限位行程开关SQ3并联,合上此开关,摇臂自动下降并无法实现限位控制。
(9)、Z9故障开关与互锁点KM2串联,断开此开关,摇臂无法下降。
(10)、Z10故障开关与控制立柱松开控制接触器线圈KM4串联,断开此开关,控制立柱松开按扭SB1无法启动电动机M4。
(11)、Z11故障开关与立柱松开按扭SB1并联,合上此开关,立柱自动松开。
4、实操考核要求
(1)通过查线读图分析法,用符号描述法介绍电路工作过程。(10)
(2)根据电路原理与装置对照,找出控制电路的故障点,并拟出排除方案。(40)
(3)根据排除方案排除故障。(30)
(4)用电压检测法,测定各电气元件的电压值,对检测结果判断电路是否正常。(10)
(5)试运行。(10)

图6-1 原理图


字数有效所以没有写完整,可加 13760621415,领取学习资料
关注微信公众号:gzpxkz,长期分享电工学习!