
上次讲到空气开关的时候,就有小伙伴问关于配电的问题,今天我们就来以图解的方式解释一下。
前期文章回忆
空气开关跳闸案例及处理方式
接近开关接线图
屋内开关插座布局攻略(内附数量+位置+高度+类型的详细表格)
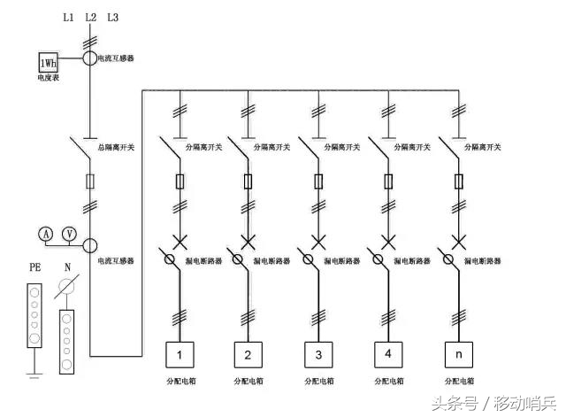
1. 三级配电、二级漏保的总体要求
(1)施工现场配电系统应采用三级配电、二级漏电保护;
(2)用电设备必须有专门的开关箱;
(3)漏电保护器参数匹配并灵敏可靠;
总配电箱开关箱安装漏电保护器分配电箱与开关箱、开关箱与用电设备的距离应符合规范要求。

三级配电、二级漏电保护系统参考图例
2. 总配电箱设置
(1)箱体结构、箱内电器设置及使用应符合规范要求;
(2)配电箱、开关箱电器可靠、完好、进出线整齐。



(3)设置要求
A. 总配电箱以下可设若干分配电箱,分配电箱下面可以设若干开关箱;总配电箱应该设在靠近电源的区域,分配电箱应该设在用电设备或负荷相对集中的区域,分配电箱与开关箱的距离不得超过30m,开关箱与其固定式用电设备的水平距离不宜超过3m;
B. 开关箱中漏电保护器的额定漏电动作电流不宜超过30mA,额定漏电动作时间不应大于0.1s;使用于潮湿和有腐蚀介质场所的漏电保护器应采用防溅型产品,额定漏电动作电流不应大于15mA,额定漏电动作时间不应大于0.1s。
C. 总配电箱中漏电保护器的额定漏电动作电流应大于30mA,额定楼顶动作时间大于0.1s,但其额定漏电动作电流与额定漏电动作时间的乘积不应大于30mA/s。
3. 分配电箱、开关箱设置
(1)箱体结构、箱内电器设置及使用应符合规范要求;
(2)配电箱、开关箱电气可靠、完好,进出线整齐。





(3)设置要求
A. 配电箱、开关箱应采用冷轧钢板或阻燃绝缘材料制作,钢板厚度为1.2~2.0mm,其中开关箱箱体钢板厚度不得小于1.2mm,配电箱箱体钢板厚度不得小于1.5mm,箱体表面应做防腐处理;
B. 配电箱、开关箱的进出线口应配置固定线卡,进出线应加绝缘护套并成束卡固定在箱体上,不得与箱体直接接触。移动式配电箱、开关箱的进、出线应采用橡皮护套绝缘电缆,不得有接头;
C. 配电箱、开关箱外形结构应能防雨、防尘;
D. 配电箱、开关箱内的电器必须可靠、完好,严禁使用破损不合格的电器;
E. 总配电箱的电器具备电源隔离,正常接通与分断电路,以及短路、过载、漏电保护功能;
F. 当总路设置总漏电保护器时,还应装设总隔离开关、分路隔离开关以及总断路器、分路断路器或总熔断器当所设总漏电保护器同时具备短路过载漏电保护功能的漏电断路器时,可以不设总断路器或总熔断器;
G. 当各分路设置分路漏电保护器时,还应装设总隔离开关、分路隔离开关以及总断路器、分路断路器或总熔断器、分路熔断器。当分路所设漏电保护器是同时具备短路、过载、漏电保护功能的漏电断路器时,可不设分路断路器或分路熔断器;
H. 熔断器应选用具有可到灭弧分断功能的产品;
I. 总开关电器的额定值、动作整定值应与分路开关电器的额定值、动作整定值相适应;
J. 总配电箱应装设电压表、总电流表、电度表以及其他需要的仪表。装设电流互感器时,其二次回路必须与保护零线有一个连接点,且严禁断开电路;
K. 分配电箱应装设总隔离开关、分路隔离开关以及总断路器、分路断路器或总熔断器、分路熔断器。其设置和选择应符合前面总配电箱的要求;
L. 开关箱必须装设隔离开关、断路器或熔断器,以及漏电保护器;
M. 配电箱、开关箱的电源进线端严禁采用插头和插座活动连接;
N. 对配电箱,开关箱进行定期检查、维修时,必须将其前一级相应的电源隔离开关分闸断电,并悬挂“禁止合闸、有人工作”停电标志牌,严禁带电作业。
4. 其它安装注意事项

(1)隔离开关箱设置要求:隔离开关设置于电源进线端,应采用分段时具有可见分断点,并能同时断开电源所有极的隔离电器。如采用分断时具有可见分断点的断路器,可不另设隔离开关。
(2)配电箱必须分设工作零线零线端子板的设置及连接符合规范要求;

(3)箱体安装位置、高度及周边通道应符合规范要求

A. 配电箱开关箱应装设在干燥通风及常温场所;
B. 配电箱、开关箱周围应有足够2人同时工作的空间和通道,不得堆放任何妨碍操作、维修的物品;不得有灌木杂草;
C. 配电箱、开关箱应安装端正、牢固;固定式配电箱、开关箱的中心点与地面的垂直距离应为1.4-1.6m;移动式配电箱、开关箱应装设在坚固的支架上,其中心点与地面的垂直距离宜为0.8-1.6m。
(4)箱体应设置系统连接图和分路标记;
(5)箱体应设有门、锁以及防雨措施。

A. 配电箱、开关箱应有名称、用途、分路标记以及系统连接图;
B. 配电箱、开关箱箱门应配锁,并由专人负责。
高耐特13年专业从事工业交换机、PoE交换机、*端机光**、光纤收发器等工业通信设备的研发、生产和销售,欢迎了解更多。