定义:
电源完整性(Power integrity)简称PI,是确认电源来源及目的端的电压及电流是否符合需求。
电源完整性在现今的电子产品中相当重要。有几个有关电源完整性的层面:芯片层面、芯片封装层面、电路板层面及系统层面。在电路板层面的电源完整性要达到以下三个需求:
1、使芯片引脚的电压噪声+电压纹波比规格要求要小一些(例如芯片电源管脚的输入电压要求1V之间的误差小于+/-50 mV)
2、控制接地反弹(地弹)(同步切换噪声SSN、同步切换输出SSO)
3、降低电磁干扰(EMI)并且维持电磁兼容性(EMC):电源分布网络(PDN)是电路板上最大型的导体,因此也是最容易发射及接收噪声的天线。
名词解释:
a、“地弹”,是指芯片内部“地”电平相对于电路板“地”电平的变化现象。以电路板“地”为参考,就像是芯片内部的“地”电平不断地跳动,因此形象地称之为地弹(ground bounce)。
当器件输出端由一个状态跳变到另一个状态时,地弹现象会导致器件逻辑输入端产生毛刺。对于任何形式封装的芯片,其引脚必会存在电感电容等寄生参数,而地弹主要是由于GND引脚上的阻抗引起的。集成电路的规模越来越大,开关速度不断提高,地弹噪声如果控制不好就会影响电路的功能,因此有必要深入理解地弹的概念并研究它的规律。

我们可以用下图来直观地解释一下。图中开关Q的不同位置代表了输出的“0”“1”两种状态。假定由于电路状态转换,开关Q接通RL低电平,负载电容对地放电,随着负载电容电压下降,它积累的电荷流向地,在接地回路上形成一个大的电流浪涌。随着放电电流建立然后衰减,这一电流变化作用于接地引脚的电感LG,这样在芯片外的电路板“地”与芯片内的地之间,会形成一定的电压差,如图中VG。这种由于输出转换引起的芯片内部参考的电位漂移就是地弹。

芯片A的输出变化,产生地弹。这对芯片A的输入逻辑是有影响的。接收逻辑把输入电压和芯片内部的地电压差分比较确定输入,因此从接收逻辑来看就像输入信号本身叠加了一个与地弹噪声相同的噪声。
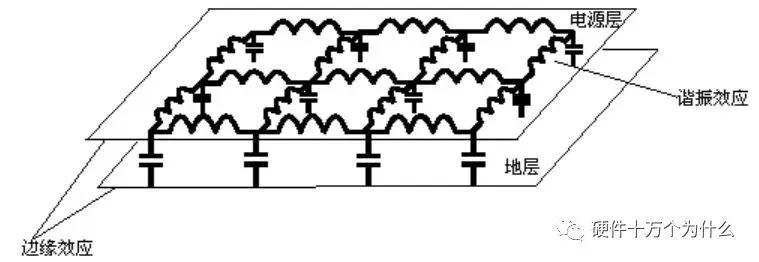
b、PDN
电路板设计中,都有电源分配网络系统。电源分配网络系统的作用就是给系统内所有器件或芯片提供足够的电源,并满足系统对电源稳定性的要求。
我们看到电源、GND网络,其实分布着阻抗。



电源噪声余量计算:
1、芯片的datasheet会给一个规范值,通常是5%;要考虑到稳压芯片直流输出误差,一般是+/_2.5%,因此电源噪声峰值幅度不超过+/_2.5%。
2、如芯片的工作电压范围是3.13~3.47,稳压芯片标出输出电压是3.3V,安装在电路板后的输出电压是3.36V。容许的电压的变化范围是3.47-3.36=110mv。稳压芯片输出精度是+/_1%,及3.36* +/_1%=+/_33.6mv。电源噪声余量为110-33.6=76.4mv。
计算电源噪声要注意五点
(1)稳压芯片的输出的精确值是多少。
(2)工作环境的是否是稳压芯片所推荐的环境。
(3)负载情况是怎么样,这对稳压芯片输出也有影响。
(4)电源噪声最终会影响到信号质量。而信号上的噪声来源不仅仅是电源噪声,反射窜扰等信号完整性问题也会在信号上叠加,因此不能把所有噪声余量留给电源系统。
(5)不同的电压等级对电源噪声要求也不同,电压越小噪声余量越小。模拟电路对电源要求更高。
电源噪声来源
(1)稳压芯片输出的电压不是恒定的,会有一定的纹波。
(2)稳压电源无法实时回应负载对于电流需求的快速变化。稳压电源回应的频率一般在200Khz以内,能做正确的回应,超过了这个频率则在电源的输出短引脚处出现电压跌落。
(3)负载瞬态电流在电源路径阻抗和地路径阻抗产生的压降。
(4)外部的干扰。
去耦电容
•电容去耦是解决电源噪声的主要方法。
这种方法对提高瞬态电流的回应速度,降低电源分配系统的阻抗都非常有效。
一种解释是储能,当负载发生瞬态电流变化时,电源不能即时满足负载的瞬态电流的要求,可根据公式I=Cdv/dt,此时电容二端存在电压的变化,电容开始放电,及时提供负载电流。
一种解释是阻抗,把负载芯片拿掉,从AB二点向左看去,稳压电源及电容可以看出一个复合电源系统,不能AB二点负载电流如何变化,都保证AB二点电压稳定及AB二点电压变化很小,可根据公式△V=Z *△I。

实际的电容存在寄生电感与等效串联电阻。
R=esr +1/j2πfc +j2πfl•等效窜联电感无法消除,只要存在引线就会有寄生电感。等效串联电阻也是存在的,因为制作电容的材料不是超导体。当频率很低时,j2πfl远小于1/j2πfc,整个电容器呈现电容性;当频率很高时, j2πfl大于1/j2πfc,整个电容器呈现电感性;当j2πfl等于1/j2πfc,整个电容器呈现纯电阻特性,阻抗最小,即称为谐振点。

- 平面电容 对于高频,使用分立电容进行去耦合的效率不高。对于这些频率,使用电源平面电容对噪声去耦合。如图1所示,您可以看一下标准的并联平行极板电容,理解平面电容的概念。
- 图1.并联平面电容 当电源平面与地平面接近时,会出现电场。图1中上面的区域显示了电源岛,即电源平面,下面的区域显示了地平面,箭头表示电场电力线。这一电场提高了电容,由下面的公式表示其大小:
- C=(εοεrA)/h
其中:
- εο = 自由空间的介电常数
- εr = 所使用电介质的相对介电常数
- A = 重叠区域
- h = 单独的平面电源岛的两侧如果都有地平面,那么,需要计算每一侧的电容,加起来以确定总电容。平面电容是高频时去耦合的主要方法,因此,这是所有高速设计都要采用的。在高频,分立电容的作用并不明显。例如,考虑下面。 实例:确定FR-4绝缘材料叠层(εr = 4.5)1平方英寸面积的并联平行极板电容,隔开了4 mils。 解决方案:h = 4mils = 1.016 * 10-4 m
- εο = 自由空间的介电常数 = 8.85 * 10-12 F/m
- A = 1平方英寸 = 6.4516 * 10-4 m2
- εr = 4.5把这些数值应用到上面的电容公式中,得到C = 253 pF。因此,典型FR-4电路板叠层间隔4 mils,每平方英寸的电容大约是253 pF。数值与间隔距离成线性反比,与面积成线性正比。Altera在多种电路板上成功应用了平面电容。
- 减小杂散电感电源分配系统(PDS)的目的是为每一器件的电源和地焊盘提供并维持所要求的目标恒定电压。为能够高效地实现这一目标,体电容和去耦合电容(Decaps),以及电源和地平面夹层结构(平面电容)。在各种瞬变的负载条件下,这些元器件能否有效地帮助维持恒定电压主要取决于它们相关的杂散电感。
目标阻抗
目标阻抗是电源系统的瞬态阻抗,对快速变化的电流的表现出来的一种特性阻抗。目标阻抗和一定宽度的频率有关,在感兴趣的频率范围内,电源阻抗都不能超过这个值。
目标阻抗公式

去耦的电源电压,ripple为允许的电压波动范围,典型值为2.5%,△Imax为负载芯片最大瞬态电流变化量。
选择电容
用一个电容组合的例子。这个组合使用的电容为:2个680uf钽电容,7个2.2uf陶瓷电容(0805封装),13个0.22uf陶瓷电容(0603封装),26个0.022uf陶瓷电容(0402)。图中上部平坦的曲线是680uf电容的阻抗曲线,其它三个容值的曲线为为图中三个V字曲线,从左到右2.2uf →0.22uf → 0.022uf。总的阻抗曲线为底部粗包路线。
这个组合实现了在500K到150M范围内保持阻抗在33毫欧以下,到500M处,阻抗上升到110毫欧,从图中看反谐振点控制的很低。

参考文档
《SIMCOM 电源完整性PPT》
《Intel电源分配网络(PDN)设计》