故障一:一辆上海通用2012年1.6T英朗XT行驶了40000多千米,平时一直在特约维修站保养,车况较好,但不久前车辆在行驶过程中经常出现行驶无力,伴有仪表挡位不显示的故障。停车后又有间歇性启动困难的现象,有时几天出现一次,有时一天出现几次,没有规律可循。出现故障时,启动机无任何反应,等一段时间再次启动有可能可以启动。
维修人员对该车进行了初步检查,排除了蓄电池和启动机的故障可能性。利用专业诊断仪器读取车辆的故障码,显示为3个历史记录故障码,分别是EBCM(电子制动控制模块)中的U0100与发动机控制模块失去通讯、U0101与变速器控制模块失去通讯、BCM(车身控制模块)中的U0100与发动机控制模块失去通信。
维修人员随后对该车型的电路图进行了分析,如图1所示。

图1 电路图1
别克英朗BCM是通过远程通信接口控制模块与PSCM(动力转向控制模块)、EBCM、TCM(自动变速器控制模块)、ECM(发动机控制模块)通信连接,而故障码只提示了EBCM、BCM均与TCM、ECM失去通信,并没有显示BCM与PSCM和EBCM中断迹象,由此可见,BCM和EBCM包括与PSCM的通信都良好,故障点大致可以确定在EBCM与TCM的GMLAN通信线和TCM、ECM及连接线部分。
维修人员从TCM开始检测,缩小故障点,先检查与TCM的GMLAN通信线以及TCM的电源、搭铁线路及唤醒线路。检查网络通信线是否断路最简单的方法是关闭点火开关,用数字万用表测量诊断座上第6号与14号的终端电阻值,经检测电阻值为60Ω,网络信号线连接良好。测量高速网信号线一般采用逻辑诊断法,即高低电平的两根网络线两头各通过2只60Ω的电阻进行相连,使用万用表两根表笔分别搭接高低电平信号线,测电阻值应为60Ω,否则断开BCM或ECM,分别测拔下模块的信号线应为120Ω,否则更换相应的控制模块,最后再单独检测高低电平信号线的通断查找断点。
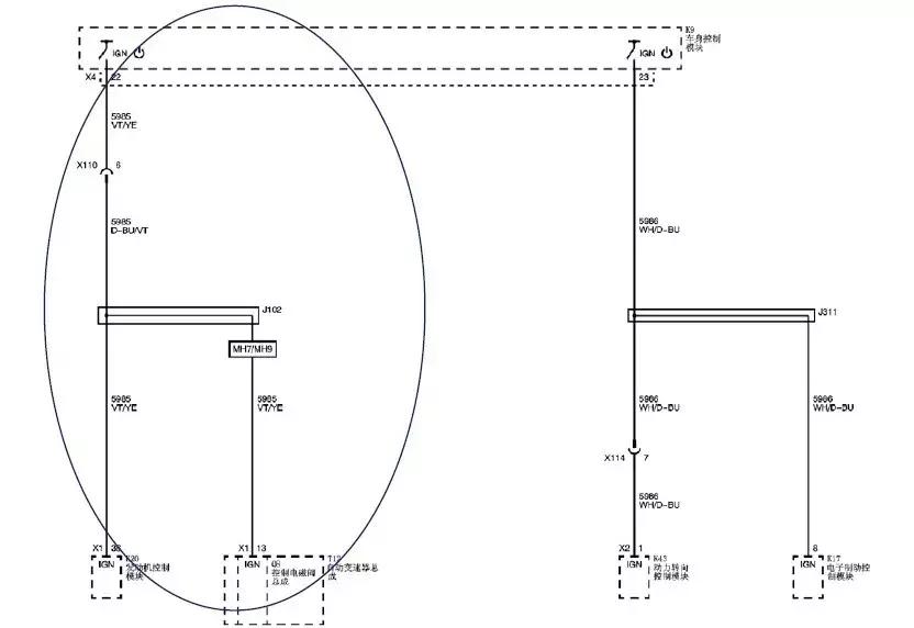
接着,维修人员拔下TCM的插头,打开点火开关,用万用表分别测量插头X1的1、12、13号针脚的电压,同时晃动发动机保险丝盒及线束模拟颠簸路况检查是否有虚接的情况,测出电压值正常,再检测X1的2号至搭铁是否通路,结果正常。如图2所示。

图2 电路图2
随后,维修人员检测BCM至ECM和TCM的唤醒线路5985是否导通,线路正常,如图3所示。

图3 电路图3
这时,维修人员怀疑TCM出现问题了,调换新的TCM控制模块后,汽车启动正常,路上试验一开始也没有出现故障现象,回厂途中车辆的故障现象突然又出现了,使用诊断仪再次读取故障码,还是显示那几个故障。维修人员感觉问题比较棘手了,对故障现象再次分析,注意到每次发动机启动困难时总伴随着仪表上挡位显示缺失这个奇怪现象,联想到汽车启动时挡位必须放在P挡或N挡,问题可能就在这儿了。再次利用电路图找到了TCM内部模式开关至ECM的挡位信号线,经测量信号线连接正常,维修人员偶尔发现TCM 插头第2号端插头铜片较松,前面只是对2号端子至搭铁引线是否良好进行了检测,没有注意到插头铜片较松的问题,考虑到汽车的震动导致插头松动虚接的问题,对TCM的连接插头铜片调整后装上试车,故障消除。
原来,TCM的搭铁线插头松动虚接导致TCM模块工作不良,车载网络中断,P/N挡信号也不能有效传输,导致了间歇性不能启动和行驶无力的症状。
故障二:一辆上海通用2011年凯越行驶了60000多千米,有间歇性启动困难的故障现象出现,有时启动时需要多次启动发动机才能正常发动。车主曾在其他综合性修理厂维修多次没有找到故障点,只能到特约维修站求助专业技术人员会诊。
维修人员先检测蓄电池电压和启动机性能,两者均良好。维修人员利用专业诊断仪读取故障码,发现有一个故障码P0336曲轴位置(CKP)传感器性能。由于该车维修记录缺失,这给维修诊断工作带来了很多麻烦。维修人员先沿着故障码的指引查找曲轴位置传感器,发现传感器是新安装的。原来该车在外面修理厂已经更换过很多新的零配件,其中包括曲轴位置传感器、进气压力传感器、凸轮轴位置传感器、氧传感器、点火线圈、火花塞、喷油器、怠速电机等,就是故障不能排除。
问题看来比较复杂,与发动机启动和正常运行有关的传感器和执行器都已经更换过,但故障还是存在,到底问题在哪儿呢?维修人员认真思考,还是从故障码着手出发。曲轴位置传感器虽然是新的,也不能保证百分百是好的,再换个新的试试,结果还是存在故障。于是,维修人员接上示波器进一步测量分析曲轴位置传感器的波形,发现发动机启动时有个别波形出现很细微的变化,如图4所示。

图4 波形图
这些变异的波形和正常波形比较某时间段上有电压降,怀疑是曲轴位置传感器磁阻环的齿端面有缺口或变形。技术人员拆下油底壳,慢慢转动曲轴发现曲轴位置传感器磁阻环有2、3个齿端面有碰伤的小缺口。维修人员更换曲轴位置传感器磁阻环后进行试车,发动机启动正常,故障排除了。
正是曲轴位置传感器磁阻环这些小缺口引起了曲轴位置传感器信号歧变,导致发动机控制模块不能有效识别而不能启车。