变频空调器的特有器件主要是变频压缩机、智能功率模块和电子膨胀阀3种。
变频压缩机
变频压缩机是变频空调器的核心部件,按机械结构的不同,可分为涡旋式压缩机和双转子旋转式压缩机两种;按电气结构,可分为交流变频压缩机和直流供电变频压缩机两种。关于涡旋式压缩机和双转子旋转式压缩机的工作原理在《空调器维修从入门到精通(第2版)》一书中已作介绍,下面介绍它们的电气性能。
1.交流变频压缩机
交流变频压缩机电机和普通柜式空调器采用的三相交流电机的构成基本相同,不同的是它的输入电压是脉冲电压。
2.直流变频压缩机
直流变频空调器的压缩机采用的是直流变频压缩机。直流变频压缩机电机采用了三相四极直流无刷电机,该电机定子结构与普通三相异步电机相同,但转子结构则截然不同,其转子采用四极永久磁铁。
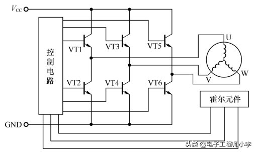
(1)工作原理
正常运行时变频模块向直流电机定子侧提供直流电流形成磁场,该磁场和转子磁铁相互作用产生电磁转矩。因为转子不需二次电流,所以损耗小,功率因数高,但由于转子采用了永久磁铁,所以成本比交流变频压缩机高。由于无刷电机有互为120°的三个绕组U、V、W (国内习惯用 A、B、C 表示),所以为了使每个绕组都有电流流过,功率放大器采用了三相半桥式放大器,如图1-3所示。

图1-3 三相导通星形三相六状态直流电动机原理图
提示
图1-3中,功率管VT1、VT3、VT5是高端放大器(也称为上桥臂),功率管VT2、VT4、VT6是低端放大器(也称为下桥臂)。自20世纪60年代末开始,功率管从使用晶闸管(SCR)、门极可关断晶闸管(GTO)、双极型功率晶体管(BJT)、金属氧化物场效应管(MOSFET)、静电感应晶体管(SIT)、静电感应晶闸管(SITH)、MOS 控制晶体管(MGT)、MOS 控制晶闸管(MCT)逐渐发展到现在使用的绝缘栅双极型晶体管(IGBT)、耐高压绝缘栅双极型晶闸管(HVIGBT)。
当VT1、VT4导通时,VCC(300V电压)通过VT1、绕组U和V、VT4构成回路,导通电流从绕组U流过绕组V,流过绕组U、V的电流使它们产生磁场驱动转子旋转;当VT1、VT6导通时,VCC通过VT1、绕组U和W、VT6构成回路,导通电流从绕组U流过绕组W,流过绕组U、W的电流使它们产生磁场驱动转子旋转;当VT3、VT6导通时,VCC通过VT3、绕组V和W、VT6构成回路,导通电流从绕组V流过绕组W,流过绕组V、W的电流使它们产生磁场驱动转子旋转;当VT3、VT2导通时,VCC通过VT3、绕组V和U、VT2构成回路,导通电流从绕组V流过绕组U,流过绕组V、U的电流使它们产生磁场驱动转子旋转;当VT5、VT2导通时,VCC通过VT5、绕组W和U、VT2构成回路,导通电流从绕组W流过绕组 U,流过绕组 W、U 的电流使它们产生磁场驱动转子旋转;VT5、VT4 导通时,VCC通过VT5、绕组W和V、VT4构成回路,流过绕组W、V的电流使它们产生磁场驱动转子旋转。
注意
一个半桥的两个功率管(如VT1、VT2)不能同时导通,否则会导致电源短路。
(2)电子换向(相)
为了保证直流无刷电机的平稳运行,需要对转子的磁极位置进行精确检测,并用电子开关(功率管)切换不同绕组的供电方式以获得持续向前的动力。早期,位置检测是在电机内部设置霍尔元件型位置传感器,利用它产生的相位信号来实现的。近年来,位置检测是通过检测直流无刷电机中未通电绕组产生的感应电压来实现的。因为这种检测方法取消了位置传感器,所以不仅结构简单,而且提高了电机使用寿命。因此,变频空调器的压缩机电机几乎都采用后一种方法进行换向(相)。
(3)无级调速
由于使用直流电源,电机的速度得依靠调节加在电机两端的电压来调整,较简单的办法是使用 PWM 脉冲来调节加到电机两端的电压。PWM 脉冲的占空比达到最大时,加到电机两端的电压最大,电机转速最高,而PWM脉冲的占空比由CPU输出的调速信号控制。CPU输出的调速信号又受温度调节信号和温度传感器产生的温度检测信号的控制。
3.典型故障与检测
(1)典型故障
压缩机异常后产生的典型故障:一是压缩机不运转,显示压缩机过流/过热故障代码;二是压缩机不运转,显示智能功率模块(IPM)异常故障代码;三是压缩机不运转,显示负载电流大故障代码;四是噪声大;五是产生制冷效果差。
(2)故障检测
变频压缩机的检测和普通空调器采用的压缩机检测方法基本相同,但在测量压缩机电机绕组阻值时需要注意它的3个绕组的阻值是完全相同的。
智能功率模块(IPM)
IPM 是英文 Intelligent Power Module 的缩写,译为智能功率模块。典型 IPM 以 IGBT(绝缘栅双极型晶体管)、HVIGBT(耐高压绝缘栅双极型晶闸管)为功率管,结合驱动电路、保护电路等构成,如图1-4(a)所示。当然,不同型号的IPM,其内部具有的功能会有所不同。图1-4(b)是 80DC01SPDU 模块的实物图,该模块上不仅有功率管及其驱动电路,而且还设置了低压电源电路,不仅可以满足IPM模块驱动电路供电需要,而且通过连接器为室外机电路板提供12V和5V直流工作电压。

图1-4 典型的IPM
1.IPM的特点
变频空调器采用的IPM一般具有以下特点。
① 集成度高。IPM作为功率集成电路产品,使用表面贴装技术将三相桥臂的6个IGBT型功率管及其控制电路、保护电路集成在一个模块内,具有体积小、功能多、可靠性高、价格便宜等优点。
② 保护功能完善。目前,变频空调器采用的IPM都具有过流(OC)保护、短路(SC)保护、驱动电路供电欠压(UV)保护、过热(OH)保护功能。过热保护功能是为了防止IGBT、续流二极管过热损坏。
③ 内含故障保护信号输出(ALM)电路。ALM电路是向外部输出故障报警的一种功能电路,当IPM过热、下桥臂过流以及驱动电路的供电欠压保护电路动作时,通过向室外微处理器输出异常信号,使室外微处理器能及时停止系统,实现保护,以免故障扩大。
2.IPM的主要参数
为了保证 IPM 长期安全、可靠地工作,选择和使用 IPM 时,应当根据系统实际情况选择参数正确的IPM。
(1)IGBT的最大耐压值VCES
最大耐压值应按略大于直流电压的2倍选择,如直流电压为300V,则要求IPM的IGBT耐压值为600V以上。
(2)IGBT的额定电流值IC及集电极(c极)峰值电流IcP
IcP应根据电机的峰值电流而定,而电机的峰值电流与电机的额定功率、效率、线电压以及功率因数有关。
(3)IGBT的开关频率fPWM
尽可能选择开关频率高一些的IGBT。
(4)IPM的最小死区时间tdead
激励信号的死区时间不能小于模块的最小死区时间tdead。
除了上述主要参数以外,还有其他一些参数也需要考虑,如IGBT的最大结温tj等。为了确保IGBT能够长时间正常工作,必须通过散热片或风扇为IPM散热。
3.IPM输出电压的调整方式
近年来,为了进一步提高变频模块的工作效率,变频空调器逐步从单纯的PWM控制改为PWM+PAM混合控制方式,即较低速时采用PWM控制,保持电压/频率(V/f)为一定值;当转速大于一定值后,将调制度固定在最大值附近,通过改变直流斩波器的导通占空比的大小,提高变频模块的输入直流电压值,从而保持变频模块输出电压和转速成比例,这一区域称为 PAM 区。采用混合控制方式后,变频模块的输入功率因数、电机效率、装置综合效率都比单独采用PWM技术的空调器有较大幅度的提高。
4.典型故障与检测
(1)典型故障
IPM异常后产生的主要典型故障:一是压缩机不运转,显示IPM异常故障代码;二是压缩机不运转,显示负载电流大故障代码;三是压缩机不运转,显示无电路或无负载的故障代码。
提示
有的IPM还产生12V等电压,所以此类模块损坏后,会导致室外机CPU电路因没有供电而不工作,从而会产生空调器不工作故障,并且显示通信异常故障代码。
(2)故障检测
IPM检测的主要方法有直观检查法、电压测量法、电阻测量法和代换法4种。若采用示波器测量它的输出端信号波形效果会更好。因IPM最常见的故障现象是功率管损坏,下面以80DC01SPDU模块为例介绍功率管的检测方法,测量方法与步骤如图1-5所示。
首先,将数字万用表置于二极管挡(PN结压降测量挡),测量300V供电端子与地间的正向导通压降为0.403V,反向导通压降为无穷大(显示的数字为1),如图1-5(a)所示。
然后,将数字万用表置于二极管挡,测量U、V、W 3个输出端子与300V供电端子P+间的正向导通压降为0.448V,反向导通压降为无穷大(显示的数字为1),如图1-5(b)所示。
接下来,将数字万用表置于二极管挡,测量 U、V、W 3 个输出端子与接地端子 P−间的正向导通压降为0.448V,反向导通压降为无穷大(显示的数字为1),如图1-5(c)所示。
若以上测量的导通压降为0或过小,说明功率管击穿或漏电;若正、反向都为无穷大,说明功率管开路或内部线路开路。

图1-5 IPM 模块的检测
电子膨胀阀
1.构成与工作原理
电子膨胀阀主要由步进电机和针形阀组成。针形阀由阀杆、阀针和节流孔组成。电子膨胀阀的内部构成和实物外形如图1-6所示。步进电机运转后改变针形阀开启度,使制冷剂流量根据空调器工作状态自动调节,提高了蒸发器的工作效率,保证空调器实现最佳的制冷效果。

图1-6 电子膨胀阀的构成与实物图
图1-7所示是电子膨胀阀的自动控制电路。传感器(负温度系数热敏电阻)对蒸发器出口管温度进行检测,产生的检测信号被微处理器(单片机)识别后,输出相应序列的运转指令,通过驱动电路放大后,为电子膨胀阀上步进电机的定子线圈供电,使线圈产生磁场驱动转子正转或反转。而电机转速由微处理器输出脉冲频率来决定,频率越高转速越快。当蒸发器出口管的温度升高,被传感器检测后提供给微处理器,微处理器控制电机反转,带动阀杆和阀针向上移动,节流孔增大,制冷剂的流量按比例增加;当蒸发器出口管的温度降低,被传感器检测后提供给微处理器,微处理器控制电机正转,带动阀杆和阀针向下移动,节流孔变小,制冷剂的流量按比例减小。这样,根据空调器制冷(热)效果来调节制冷剂的流量,进而调节冷凝器和蒸发器压差比,提高了蒸发器的工作效率,实现制冷(热)最佳效果的自动控制。
2.常见故障与检测
(1)常见故障
电子膨胀阀异常后引起制冷剂泄漏或堵塞,导致不制冷或制冷效果差的故障。
(2)故障原因及检测
检修电子膨胀阀异常引起制冷效果差的故障时,先检查传感器是否正常,若不正常,维修或更换即可;若正常,再检修膨胀阀。此时,听膨胀阀能否发出“咔咔”的声音,若能,说明膨胀阀的阀芯被杂物卡住,清理杂物或更换膨胀阀即可;若没有“咔咔”声,用万用表电阻挡测电子膨胀阀驱动电机的线圈阻值,判断线圈是否正常,比如,海尔 KFR-25GW× 2/BFP变频空调器的电子膨胀阀的红-橙、红-白、棕-蓝、棕-黄线间的阻值为56Ω,而橙-白、蓝-黄线间的阻值为 112Ω,若阻值异常,则说明电机的线圈异常,需要更换膨胀阀电机或膨胀阀。若电机线圈的阻值正常,则检查驱动电路和微处理器电路。当然,也可以通过测量膨胀阀驱动电机的供电电压来确认故障部位,若电压正常,需要更换膨胀阀电机或膨胀阀;若电压不正常,检查驱动电路和微处理器电路。

图1-7 电子膨胀阀的自动控制电路
提示
电子膨胀阀进气口的过滤网脏或杂物过多引起堵塞时,可用酒精将它清洗干净后继续使用。