很多朋友给弱电君留言,问到家用配电箱,这个确实在平时用的比较多,那么本期我们一起来了解下,对家庭配电箱有一个清晰地认识。
家庭配电箱安装
1、家庭配电箱分金属外壳和塑料外壳两种,有明装式和暗装式两类,其箱体必须完好无缺。
2、家庭配电箱的箱体内接线汇流排应分别设立零线、保护接地线、相线,且要完好无损,具良好绝缘。
3、空气开关的安装座架应光洁无阻并有足够的空间。

家庭配电箱安装要点是:
1、家庭配电箱应安装在干燥、通风部位,且无防碍物,方便使用。
2、家庭配电箱配电箱不宜安装过高,一般安装标高为1.8米,以便操作
3、进配电箱的电管必须用锁紧螺帽固定。
4、若家庭配电箱配电箱需开孔,孔的边缘须平滑、光洁。
5、配电箱埋入墙体时应垂直、水平,边缘留5—6毫米的缝隙。
6、配电箱内的接线应规则、整齐,端子螺丝必须紧固。
7、各回路进线必须有足够长度,不得有接头。

8、安装后标明各回路使用名称。9、家庭配电箱安装完成后须清理配电箱内的残留物。
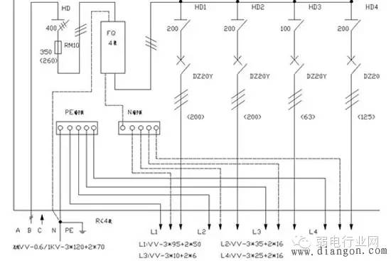
家庭配电箱接线图
家庭配电箱接线图在进行安装的时候也是必不可少的,小编特地为大家准备了几幅很详细的接线图。

家庭配电箱接线图

家庭配电箱

家庭配电箱接线图
安居才可乐业,水电安全又是实现安居的一个重要环节,希望小编给大家整顿的家庭配电箱安装的知识及家庭配电箱安装图能给各位带来帮助。