(此处已添加圈子卡片,请到*今条头日**客户端查看)
保压回路在液压系统中当执行元件停止或工件变形所产生的微小位移的情况下,使系统压力基本保持不变。保压回路就是使系统的压力保持不变,而且要保持压力的稳定,工作要可靠。
利用蓄能器保压回路
我们看这个回路图,这个里面呢有个蓄能器。

蓄能器保压回路
蓄能器是液压气动系统中的一种能量储蓄装置。它在适当的时机将系统中的能量转变为压缩能或位能储存起来,当系统需要时,又将压缩能或位能转变为液压或气压等能而释放出来,重新补供给系统。当系统瞬间压力增大时,它可以吸收这部分的能量,以保证整个系统压力正常。
在这个保压回路中,蓄能器中的液压能随时能够释放到系统中,保持系统的压力恒定。

蓄能器保压回路
如图所示,当换向阀处于左位工作时,液压缸向右运动,液压缸杆作用在工件上,系统压力持续升高,当系统压力达到压力继电器的设定压力值时,压力继电器发出信号,使二位二通阀打开,泵完成卸荷,单向阀自动关闭,单向阀以上的油路中,压力保持不变,压力值由蓄能器维持。单向阀以下的部分,液压泵压力油全部通过先导溢流阀卸荷。
如果液压缸压力出现不足时,压力继电器断开,二位二通阀关闭,液压油重新经过单向阀进入液压缸。
保压的时间取决于蓄能器的容量,调节压力继电器的通断调节区间,即可调节液压缸压力的最大值和最小值。
那么此时的先导溢流阀能不能起到调压作用呢,当系统压力上升到先导溢流阀的设定值时,由于二位二通阀关闭,先导溢流阀能限定系统的最高压力,液压缸的工作压力大小由压力继电器来调定。
利用单向阀保压回路

单向阀保压回路
上图中单向阀将减压阀和油缸隔开,可以防止油缸中的油倒流,单向阀可以短时间对液压缸进行保压。
利用换向阀的保压回路

换向阀保压回路
这种保压回路是利用换向阀中位机能,油口封闭状态时,能够起到保压。
当液压换向阀处于中位位置的时候,油口封闭,执行元件进油口和回油口的油被封死到管路里,不能排出,此时执行元件处于制动状态,进油口和回油的压力为高压状态。
但这种保压回路,换向阀的间隙可以使液压油泄漏,执行元件内部有内泄时,液压油将会渗出,不能长时间保压。
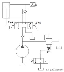
自动补油保压回路
自动补油保压回路,是利用压力继电器与电磁换向阀的配合完成的自动切换油路的保压回路。通俗的说就是当压力下降时,系统工作补充液压油,当压力上升后,电磁换向阀自动切换到中位卸荷。

自动补油保压回路
上图是自动补油保压回路的原理图,我们共同来看一下,当电磁阀左位接通时,1YA得电,液压油进入油缸有杆腔,同时液压油将液控单向阀打开,液压缸无杆腔回油。油缸上升。
当2YA得电后,液压油进入油缸无杆腔,有杆腔回油,油缸下降,活塞杆接触工件后,压力上升,当压力上升到压力继电器的设定压力后,2YA失电,换向阀打到中位位置,液压泵卸荷,油缸无杆腔的压力油被液控单向阀封死在管路中,使活塞杆保持接触工件的状态。油缸处于保压状态。
由于液控单向阀等液压件难免有泄漏,所以当油缸无杆腔压力下降后,压力继电器动作,使换向阀2YA得电,重新补入液压油。这就是自动补油保压回路的原理。