51单片机复位电路
复位是使CPU和系统中其他部件都处于一个确定的初始状态,并从这个状态开始工作。

80C51复位结构如上图所示,此处的复位引脚只是单纯地称为RST而不是RST/VPD,因为CHMOS型单片机的备用电源也是由VCC引脚提供的。
无论是HMOS型还是CHMOS型的单片机,在振荡器正在运行的情况下,复位是靠在RST/VPD引脚加持续2个机器周期(即24个振荡周期)的高电平来实现的。在RST引脚出现高电平后的第二个周期执行内部复位,以后每个周期重复一次,直至RST端变低电平。
51单片机复位电路及复位操作
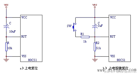
单片机的复位有上电复位和按钮手动复位两种。如下图2所示为上电复位电路,图(b)所示为上电按键复位电路。

上电复位是利用电容充电来实现的,即上电瞬间RST端的电位与VCC相同,随着充电电流的减少,RST的电位逐渐下降。图2 (a)中的R是施密特触发器输入端的一
个10K?下拉电阻,时间常数为10×10-6×10×103=100ms。只要VCC的上升时间不超过1ms,振荡器建立时间不超过10ms,这个时间常数足以保证完成复位操作。上电复位所需的最短时间是振荡周期建立时间加上2个机器周期时间,在这个时间内RST的电平应维持高于施密特触发器的下阈值。
上电按键复位2(b)所示。当按下复位按键时,RST端产生高电平,使单片机复位。
在复位有效期间(即高电平),80C51单片机的ALE引脚和PSEN引脚均为高电平,且内部RAM不受复位的影响。
AVR单片机复位电路
Mega16已经内置了上电复位设计。并且在熔丝位里,可以控制复位时的额外时间,故AVR外部的复位线路在上电时,可以设计得很简单:直接拉一只10K的电阻到VCC即可(R0)。为了可靠,再加上一只0.1uF的电容(C0)以消除干扰、杂波。D3(1N4148)的作用有两个:作用一是将复位输入的最高电压钳在Vcc+0.5V 左右,另一作用是系统断电时,将R0(10K)电阻短路,让C0快速放电,让下一次来电时,能产生有效的复位。当AVR在工作时,按下S0开关时,复位脚变成低电平,触发AVR芯片复位。

重要说明:实际应用时,如果你不需要复位按钮,复位脚可以不接任何的零件,AVR芯片也能稳定工作。即这部分不需要任何的外围零件。
PIC单片机复位电路
当PIC16F87X系列单片机使用低频振荡方式时,单片机的外接引脚MCLR连接如图所示中(a)和(b)所示。
其中,MCLR引脚的漏电流最大值为5μA,电阻R取值应小于40kΩ,以保证其压降不大于0.2V;R1用作限流电阻,取值1.0Ω,用于保护MCLR引脚内部电路。

PIC单片机复位电路
二极管D使电容C能够在电源掉电时快速放电。电容C的充电过程对于我们有用,而放电过程不仅无用,而且在一次掉电之后,C还有积累电荷时,如果再次上电,就会导致RC延时电路失去延时作用,从而不能可靠复位。
MSP430单片机复位电路

只要电源接通,那么这个电容就会“逐渐充满电”,这个过程必须要有,正是这个过程保证了CPU正确地“RESET”。
当电容充满电之后我们把电源开关断开了,这个电容中的电“何去何从”呢?VCC和GND之间接了N多的器件,所有的器件都对它说:“把你那点电给我吧,我还能坚持一下。”电容说:“给你们没问题,可是我他娘脑袋上有个电阻挡我的财路,你们先别急,我慢慢把电放给你们。”
当电容刚刚要把电通过那个上拉电阻放出来,电源开关突然又接通了。CPU开始冲电容吼:“孙子!你Y的那个充电过程怎么没啦?我还要复位呢!”电容不干了:“废话,我上次充的电还没放呢这他妈电源又通啦!”CPU急了:“那我怎么办?我得复位啊!”电容眼珠一翻:“管你Y怎么办,死去吧你!”
如果有了这个二极管就可以快速将电容上的电压释放,保证复位信号正确无误。这个才是该二极管起到的真正作用。