我们已经知道,人们普遍使用的市电是正弦波交流电,交流市电的特性是:有效值为220V,峰值等于有效值的√2 倍,频率为50Hz,周期(T)是0.02s。交流电的波形如图2-1所示。

图2-1 交流电的特性波形图
【提示】
频率(f)与周期(T)的关系:T=1/f,其中,频率是指1s内正负极*交性**替变化的次数,周期是指正负极性变化1次所需要的时间。而有效值是指在一个周期内的平均电压值(如图2-1中OACD所围成的矩形面积)。
绝大多数电子设备使用的是低压直流电,我们日常使用的电源是220V交流市电,由于电压太高,不能直接供给这些电子设备。所以,交流市电必须要经过降压,再经变换成为直流电才能用于电子设备。在电子设备中,将交流电压(电流)变换为单向脉动直流电压(电流)的过程叫整流,通常称为AC-DC转换。这是利用二极管的单向导电特性进行转换的,简单方便。下面简要分析整流滤波电路。
单相半波整流滤波电路
1.半波整流电路
半波整流电路主要由变压器、整流二极管和负载组成。单相半波整流电路原理图如图2-2所示。

图2-2 单相半波整流电路原理图
图2-2a中,T为电源变压器,假定一次侧接入220V交流市电电压U1,利用变压器的原理在二次侧得到交流电压U2(假定变压器为降压变压器),其波形如图2-3a所示,正负极性、幅值随时间变化而变化,U2为有效值,峰值为
U2。在U2的正半周期间,U2的上端为正,下端为负。二极管VD正向导通,相当于开关接通,如图2-2b中,有电流流过二极管和负载RL,在负载上得到输出电压Uo=U2-0.7V≈U2,如图2-3b中0~0.01s期间的波形。

图2-3 半波整流在负载上得到的电压电流波形图
在U2的负半周期间U2变为上负下正,二极管VD因反偏而截止,相当于开关断开,如图2-2c中,没有电流流过负载,即负载上的电压Uo为0,如图2-3b中0.01~0.02s期间。
由此可看出,半波整流只用了交流电的半个周期,而且负载有0.01s的缺电期,在负载上形成的平均电压为Uo(AV)=0.45U2。
这里对半波整流电路是以交流电压为例来说明的,实际上,它也可以对脉冲电压进行整流,并且对脉冲电压进行整流在开关电路中应用较多。
2.滤波电路
从图2-3可以看出,整流后在负载上得到的电压呈间断状态,称为单向脉动直流电(电流方向不变,总是自上而下流过负载),大多数的电子设备在这样的供电情况下还是不能正常工作,表现出来就是出现故障。为了给负载供给稳定的直流电压,还需要将脉冲直流电进行滤波。
滤波的目的是要将脉冲直流电的脉动成分削弱,使输出电压更加平稳。滤波的方式主要有电容滤波、电感滤波、阻容滤波和π形滤波等方式。
(1)电容滤波
电容滤波的电路原理图如图2-4所示。

图2-4 电容滤波电路图
电容滤波电路,实际上就是在整流滤波的电路原理图中的负载上并联一个电容器。下面我们分析一下增加电容器后工作情况有什么变化。
变压器二次电压U2波形如图2-5a中虚线所示。当U2处在第一个正半周的上升期(0~t1)时,二极管VD导通,其电流向电容器充电,电容器上的电压很快被充到U2的峰值。当U2下降时,电容器上的电压暂时保持在其峰值,因为电容两端电压不能突变,所以二极管处于反向截止状态,电容器上的电压通过负载缓慢放电,电压渐渐降低,如图2-5a中t1~t2期间波形所示。到达t2时,由于U2变到第二个正半周上升期并使二极管重新导通,再向电容器充电,电容器的电压UC又随U2升高,再次达到峰值,这样重复下去得到如图2-5a中的实线波形,它呈锯齿波形或三角波形。其负载电压UL的平均电压大幅提高。

图2-5 电容滤波波形图
在U1发生突变(升高或降低)时,电容器两端的电压不会发生大幅波动。当U1突然升高时,U2整流后对电容器的充电电流加大,因为电容器两端电压不能突变,所以电容器上的电压上升缓慢,削弱了浪涌电流对负载的冲击,还能起到保护负载的作用。同理,若U1突然下降,虽然U2也下降,但电容器上的充电电压不能突然降低,它只能通过负载缓缓放电,从而使负载上的电压也不会突然降低。
电容滤波过程中电压的特点是:
1)输出电压没有了间断区,滤波后的直流电压比无电容器时提高了,几乎达到了U2的峰值。在实际中,由于电容器的放电及整流管内阻等因素会使输出电压略低,它约等于U2。
2)C越大,RL越大,放电所引起的电压下降就越小,输出电压略有提高。
3)滤波后的电压呈锯齿波形,用示波器可清楚地看到其波形。
4)由于电源电压只在半个周期内有输出,电源利用率低,脉冲成分太大。
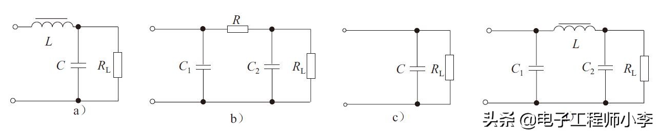
(2)电感滤波
电感滤波电路原理图如图2-6a所示。
由电感本身的物理特性可知,当通过电感的原电流突然增大时,电感自身就产生一个感应电动势,其方向与增大的电流方向相反,两者相抵消一部分,阻碍电流的突然增大;当通过电感的原电流突然减小时,电感自身同样能产生一个感应电动势,其方向与减小的方向相反,又阻碍电流的突然减小。这样的特性使变化的电流不能通过电感线圈加到负载上,使负载上的电压变化较缓,从而起到稳压的作用。
阻容滤波和π形滤波的电路形式如图2-6b和d所示,它们的工作原理与上述两种滤波电路原理很相似,请读者自行分析。

图2-6 滤波的几种方式
从这几种滤波方式的图形可见,电容滤波简单,阻容滤波负载电流较小,电阻不能太大;电感滤波效果好,但电感体积较大,π形滤波效果最好。
单相全波整流滤波电路
由于半波整流存在输出电压脉动大以及电源利用率低等缺点,因而实际应用中常采用全波整流。其电路组成如图2-7a所示。与半波整流不同的是,变压器多了一个中间抽头,其1~0线圈与0~2线圈匝数相等。
查看图2-7a、b。输入交流电压U1为正半周时,变压器二次感应电压U2分为U2a和U2b两部分。U2a由变压器二次1~0线圈产生,设极性为“1正0负”;U2b由变压器二次0~2线圈产生,极性为“0正2负”。二极管VD1因正偏而导通(相当于开关接通),电流自上而下流经负载RL到变压器中心抽头0端;二极管VD2因反偏而截止(相当于开关断开)。当输入交流电压U1为负半周时,变压器二次感应电压极性为“1负0正”、“0正2负”,因而,VD1截止,VD2导通,电流还是自上而下流经负载到中心抽头0端。

图2-7 单相全波整流滤波电路原理图
当交流电进入下一个周期时,又重复上述过程。可见,交流电的正负半周使VD1与VD2轮流导通,在负载上总是得到自上而下的单向脉动直流电流。与半波整流相比,它有效地利用了交流电的负半周。全波整流滤波波形如图2-8所示。

图2-8 全波整流滤波波形图
由图2-8分析可知,全波整流滤波电路的输出电压Uo比半波整流提高了一倍,且有
Uo=0.9U2
桥式整流及滤波电路
为了克服半波整流的缺点,实际电路中还常采用桥式整流及滤波电路。桥式整流及滤波电路原理图如图2-9所示。

图2-9 桥式整流及滤波电路原理图
从电路图中可以看出,该电路用了四个整流二极管,其工作原理如下所述。
假设U2为变压器二次交流电压,在U2的正半周期期间,变压器二次为上正下负,二极管VD1、VD3因正偏导通,电流由1端流出,经VD1、RL和VD3回到变压器2端,在负载上得到“上正下负”的电压,此时,VD2和VD4因反向而截止,波形如图2-10a所示。请读者注意电流的方向和通路。
在U2的负半周期期间,变压器二次为上负下正,二极管VD2、VD4导通,VD1、VD3截止,电流由2端流出,经VD2、RL和VD4回到变压器1端,在负载上得到的还是“上正下负”的电压。可见在U2的整个周期内VD1、VD3工作半周,VD2、VD4工作半周,两组轮流导通,在负载上总是得到“上正下负”的单向脉动直流电压,其波形变化如图2-10b所示。
当在负载两端并接上电容器滤波时,其输出电压更加平稳。其输出电压波形如图2-10c中实线所示。
桥式整流及滤波电路的特点是脉动减小、电源利用率提高。桥式整流电路的输出电压在无电容时约为0.9U2,桥式整流后的滤波电路同于单相滤波电路,滤波后的输出电压为Uo=√2U2。

图2-10 桥式整流及滤波波形图