电磁抱闸制动控制电路
图7-30所示为电磁抱闸制动控制电路。
按下按钮SB2,接触器KM线圈获电动作,电动机通电,电磁抱闸的线圈YB也通电,铁芯吸引衔铁而闭合,同时衔铁克服弹簧拉力,迫使制动杠杆向上移动,从而使制动器的闸瓦与闸轮松开,电动机正常运转。按下停止按钮SB1之后,接触器KM线圈断电释放,电动机的电源被切断,电磁抱闸的线圈也同时断电,衔铁释放,在弹簧拉力的作用下使闸瓦紧紧抱住闸轮,电动机就迅速被制动停转。

图7-30 电磁抱闸制动控制电路
这种制动在起重机械上以及要求制动较严格的设备上被广泛采用。当重物吊到一定高度处,线路突然发生故障断电时,电动机断电,电磁抱闸线圈也断电,闸瓦立即抱住闸轮,使电动机迅速制动停转,从而可防止重物掉下。另外,也可利用这一点将重物停留在空中某个位置上。
改进的电磁抱闸制动电路
图7-31所示为改进的电磁抱闸制动电路。

图7-31 改进的电磁抱闸制动电路
该电路能避免电动机在启动前瞬间存在的异步电动机的短路运行工作状态,即当按下启动按钮SB2后,接触器KM1线圈获电动作,电磁制动器线圈YB获电,闸瓦先松开闸轮,然后接触器KM2线圈获电动作,电动机M才获电启动运转。
单向运转反接制动控制电路
图7-32所示为单向运转反接制动控制电路。

图7-32 单向运转反接制动控制电路
启动时,合上电源开关QS,按下启动按钮SB2,接触器KM1线圈获电,KM1主触点闭合,电动机M启动运转。当电动机转速升高到120r/min时,速度继电器KS的常开触点闭合,为反接制动做准备。
停车时,按下停止按钮SB1,接触器KM1线圈断电释放,而接触器KM2线圈获电,KM2主触点闭合,串入电阻器RB进行反接制动,电动机产生一个反向电磁转矩,即制动转矩,迫使电动机转速迅速下降;当转速降至100r/min以下时,速度继电器KS的常开触点断开,接触器KM2线圈断电释放,电动机断电,防止了反向启动。
由于反接制动时转子与定子旋转磁场的相对速度接近于两倍的同步转速,所以定子绕组中流过的反接制动电流相当于全压直接启动时电流的两倍。为此,一般功率在4.5kW以上的电动机采用反接制动时,应在主电路中串接一限流电阻器,以限制反接制动电流。这个电阻器称为反接制动电阻器,用RB表示。
单向运转半波整流能耗制动电路
图7-33所示为单向运转半波整流能耗制动电路。

图7-33 单向运转半波整流能耗制动电路
启动时合上电源开关QS,按下启动按钮SB2,接触器KM1得电吸合并自锁,其主触点闭合,电动机启动运转。
停止制动时,按下停止按钮SB1,接触器KM1失电释放,其主触点断开,电动机M断电做惯性运转,同时接触器KM2和时间继电器KT得电吸合,KM2主触点闭合,电动机进行半波整流能耗制动。能耗制动结束后,KT常闭触点延时断开,使接触器KM2失电释放,其主触点断开半波整流脉动直流电源。
时间继电器KT瞬时闭合的常开触点的作用是,当KT线圈断线或出现机械卡阻故障时,电动机在按下停止按钮SB1后能迅速制动,同时避免三相定子绕组不致长期通入半波整流的脉动直流电源。
该电路适用于功率10kW以下且对制动要求不高的场合。
单向运转全波整流能耗制动电路
图7-34所示为单向运转全波整流能耗制动电路。

图7-34 单向运转全波整流能耗制动电路
当按下启动按钮SB2时,接触器KM1获电吸合并自锁,其主触点闭合,电动机启动运行。
停车时,按下停止按钮SB1,接触器KM1失电释放,其主触点断开,电动机断电做惯性运转,同时KM1常闭触点闭合,接触器KM2获电吸合,KM2主触点和常开触点闭合,电动机绕组通入全波整流直流电进行制动。KM2线圈获电的同时,时间继电器KT也获电动作,其常开触点闭合,使KM2和KT线圈吸合并自锁,时间继电器KT延时断开触点延时动作。经过一定时间后,时间继电器延时分断触点断开,使接触器KM2失电释放,切断直流电源,制动结束。
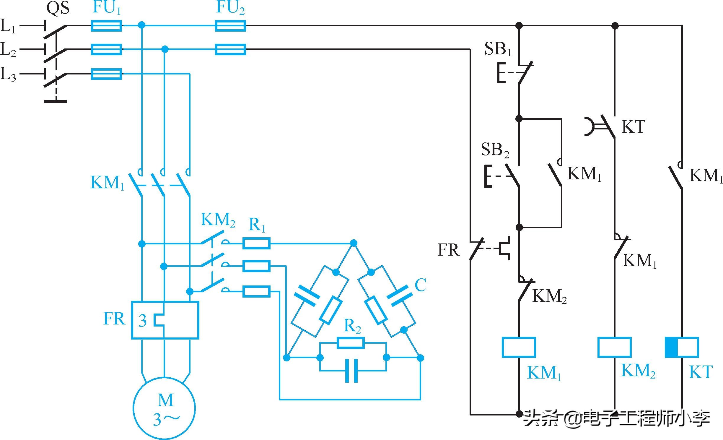
电容制动电路
图7-35所示为电容制动电路。

图7-35 电容制动电路
启动时,合上电源开关QS,按下启动按钮SB2,接触器KM1得电吸合并自锁,其主触点闭合,电动机启动运转。KM1的常开辅助触点闭合,断电延时时间继电器KT得电吸合,其断电延时断开的常开触点闭合,为接通制动电路做准备。
制动时,按下按钮SB1,接触器KM1失电释放,其主触点断开,电动机脱离电源,惯性运行。KM1常闭触点闭合,接触器KM2得电吸合,其主触点闭合,电动机接入三相电容制动。经过一段时间,时间继电器KT延时断开的常开触点断开,接触器KM2失电释放,其主触点断开,切除三相电容,制动结束。
电容器的容量,对于380V、50Hz的三相电动机而言,每千瓦每相约需150μF,电容器的工作电压应不低于电动机的额定电压。
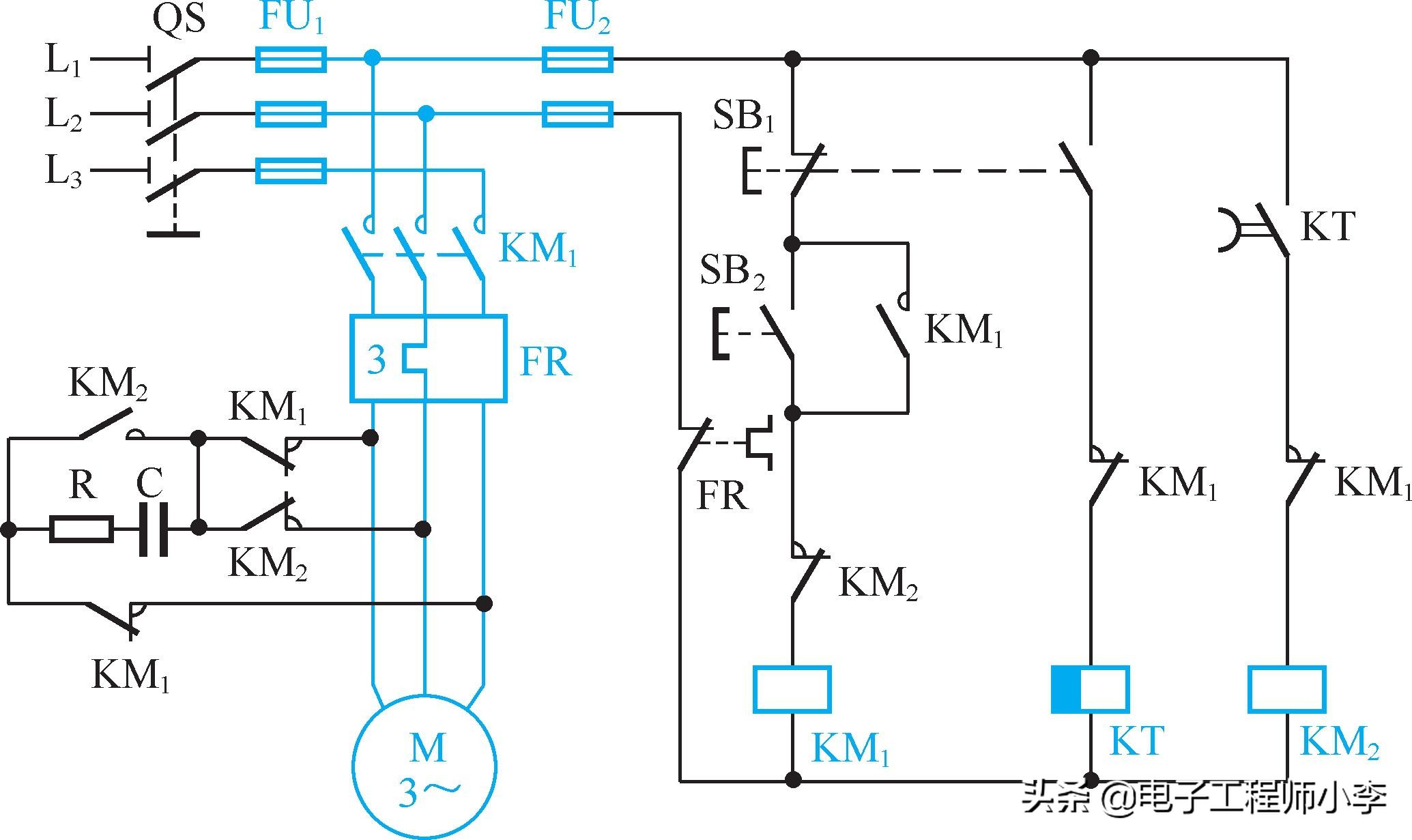
电容-电磁制动电路
图7-36所示为电容-电磁制动电路。

图7-36 电容-电磁制动电路
启动时,合上总电源开关QS,按下启动按钮SB2,接触器KM1得电吸合并自锁,电动机M启动并运转。
当按下停止按钮SB1后,KM1失电释放,其辅助触点闭合,将电容器接入电动机的定子绕组进行电容制动。同时SB1的常开触点闭合,使断电延时时间继电器KT得电吸合,KT延时断开的常开触点闭合,使接触器KM2得电吸合,其主触点闭合,将三相绕组短接进行电磁制动,使电动机迅速停止转动。制动完毕,时间继电器KT失电释放,使KM2失电释放,制动结束。
《深受电子工程师喜爱的电路资料大合集》免费*载下**,如果你喜欢,也可赞赏表示支持,金额随意!
链接:https://pan.baidu.com/s/1jG45mAIaQherzYj4L8J1gQ
提取码:98gl