
从最简单电路开起,可能有的认为太简单,不过我认为只有从简单的练起,才能理解复杂电路。 所谓原理,先有 工作原理:我们首先必须知道我们要做什么。后有 控制原理:我们根据需要,研究,设计我们的电器控制电路,以满足需要


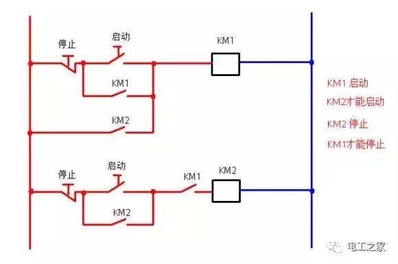
这个是启动优先,不过用的很少!必须说明才行,不然新手可不懂这些



实际已测试,两者存在这不确定性!总会有一个先吸合!先吸合的跟线阻大小没有关系。























可以用于星三角





一般星形,三角形启动电路必须是三角形运转的电动机,线圈电压380V,三角形接法,做星形连接后,线圈就会串联,线圈电压就会降低到220V,所以启动电流就会减小。星形启动的电流小,启动后就断开,主接触器和三角形接触器,工作时电流大。不过要看情况,如果启动频繁,星形接触器就会容易损坏



看第一个时间继电器动作以后,星形接触器断电,第二个时间继电器得电开始计时,第二个时间继电器动作,三角形接触器得电自锁,断开时间继电器1,断开时间继电器2,断开星形接触器,开始正常工作。时间继电器1 控制星形启动时间,时间继电器2,控制星形与三角形接触器的转换时间。















