1、电路框图
框图体现的是电子产品各个组成部分以及它们在电性能方面所起的基本作用的原理和顺序。每一个能独立作用的分机、整机或元器件组合以及在结构上独立的整件,在框图上应以矩形、正方形或图形符号表示。
根据各部分所起作用和互相联系的先后顺序,在框图上一般是从左到右、自上而下地排列。在矩形、正方形框内或图形符号上应该起主要作用标出它们的名称、简号、主要特性参数或元器件的规格型号。各框图之间用实线连接,机械连接以虚线或双实线表示,并在连接线上用箭头表示其作用过程和方向。



2、程序流程图
程序流程图是根据硬件电路的工作原理,用软件编程方法编写的执行指令组。


3、电路原理图
原理图是电工电子产品采用图形、文字符号按照一定规则表示的所有元器件的展开图形。,他确切地表明了各元器件间的组成,相互关系和工作原理。
一些辅助元器件,如紧固件,接线柱,焊片、支架等在原理图中都不画出来。



接线图
接线图是电路原理图具体实现的表现形式,可用来指导电工电子产品的装配和维修工作。
接线图可直接用于安装配线,图中只表示元器件的安装位置,实际配线方式,而不明确表示得安陆的原理和元器件之间的作用关系。

实物接线图

直线式接线图
能使读者直接在图上看到每一个线条的来龙去脉,且用线短,易于检查线路,一般用于不太复杂电路中


基线式接线图
将图上各端点引出的导线,束成一条称为基线的直线,基线一般画在各元器件的中间。

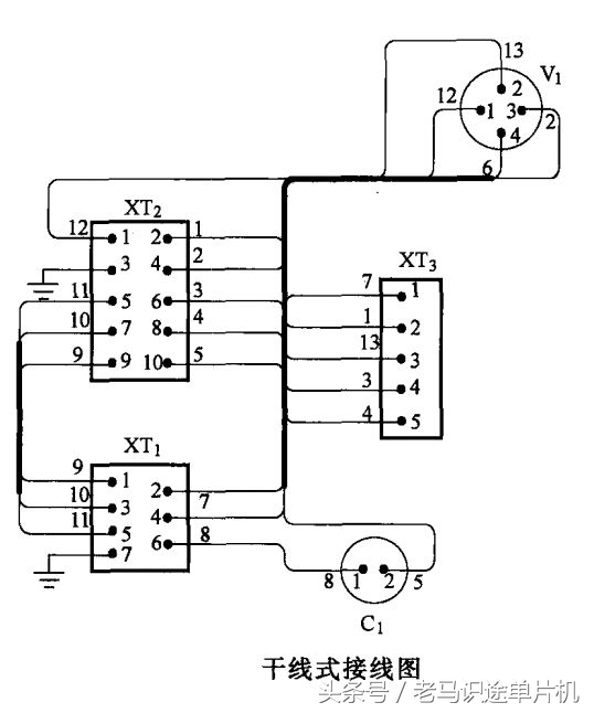
干线式接线图
分别将元、器件走向相同的导线扎成一束的接线图。

表格式接线图
用表格的形式表示导线的连接通路。表格图只需画出元器件的外形和端点,无需画出导线。对于比较复杂的图显得特别有用。

逻辑电路图
采用逻辑符号表达电路各部分之间的逻辑关系。广泛用于数字电路中,用以表示各种具有逻辑功能的单元电路。

实物布局图
实物布局图是以元器件的形状和尺寸以及元器件之间的相对位置为基础,画出产品的装配关系。



印制板图
具有印制电路的绝缘板叫做印制电路板,简称印制板。印制板有三个作用:1、作为电路中元器件的支撑件;2、提供电路元器件之间的电气连接;3、通过标记符号把安装在印制板上的元器件标注出来。
印制板在加工制作前,一定要注明元器件的安装尺寸,体积大小,必要时应注明公差,以免产生累计误差,导致插孔错位,无法安装焊接


电子元器件布局图
电子元器件布局图是把电路中所用到的元器件,根据它们的外形尺寸,体积和重量以及之间的相互关系,合理布局的图形。根据布局确定安装元器件底板或印制板的设计尺寸,便于加工制作。


机械加工图
机械加工图包括机箱主体,面板,底板及印制板的加工尺寸定位。机械加工图要求设计布局合理,尺寸定位准确。

面板图
面板是电工电子产品上用来安装显示,控制等用途的结构件,是人--机信息传递和交换的桥梁,是人机交互的窗口。

电路单线图

电路简化图
在电路图中,为了使图面更简洁,使识图与绘图及修改图简单、方便,可对一些常用的电路图进行简化。
并联电路简化图
多个相同支路并联时,只需画出其中一条支路,而不必画出所有支路,但在画出的支路上必须标上公共连接符号,并联的支路数以及各支路的全部项目代号。

相同电路简化图
电路中重复出现的相同电路,仅需详细画出其中一条电路,齐豫的电路可用适当的说明来代替。

中断线简化图
当连接线穿越图面甚至穿越较为稠密的图面时,允许将连接线中断,并在中断处加相应的标记。

照明平面图
在照明平面图上需要表达的内容有:电源进线位置,导线根数,敷设方式,灯具位置,型号及安装方式,各种用电设备的位置等

动力用电平面图
主要是对电缆型号的识别,电缆按其构造及作用不同分为电力电缆,控制电缆,电话电缆,同轴电缆,移动式软电缆等
