近年来,新型功率开关器件IGBT(图1)已逐渐被人们所认识,IGBT是由BJT(双极型三极管)和MOS(绝缘栅型场效应管)组成的复合全控型电压驱动式功率半导体器件(图2),IGBT是Insulated Gate Bipolar Transistor的缩写形式,是绝缘栅双极型晶体管。与以前的各种电力电子器件相比,IGBT具有以下特点:
①高输入阻抗,可采用通用低成本的驱动线路;
②高速开关特性,导通状态低损耗。
IGBT兼有MOSFET的高输入阻抗和GTR的低导通压降两方面的优点。简单讲,是一个非通即断的开关,IGBT没有放大电压的功能,导通时可以看作导线,断开时当作开路。GTR饱和压降低,载流密度大,但驱动电流较大;MOSFET驱动功率很小,开关速度快,但导通压降大,载流密度小。
IGBT综合了以上两种器件的优点,驱动功率小而饱和压降低,是一种适合于中、大功率应用的电力电子器件,IGBT在综合性能方面占有明显优势,非常适合应用于直流电压为600V及以上的变流系统如交流电机、变频器、开关电源、照明电路、牵引传动等领域。

图1 IGBT外形
一、IGBT的应用领域及现状
1.IGBT的应用领域

图2 IGBT在电力半导体器件分类中的位置
IGBT是能源转换与传输的核心器件,是电力电子装置的“CPU”。IGBT是一种大功率的电力电子器件,是一个非通即断的开关,IGBT没有放大电压的功能,导通时可以看作导线,断开时当作开路。三大特点就是高压、大电流、高速。它是电力电子领域非常理想的开关器件,不同公司的IGBT如图3所示。
采用IGBT进行功率变换,能够提高用电效率和质量,具有高效节能和绿色环保的特点,是解决能源短缺问题和降低碳排放的关键支撑技术。
IGBT的应用领域很广,如工业领域中的变频器,家用电器领域的变频空调、洗衣机、冰箱,轨道交通领域的高铁、地铁、轻轨,军工航天领域的飞机、舰艇以及新能源领域的新能源汽车、风力发电等都有非常广泛的应用。
IGBT模块在电动汽车中发挥着至关重要的作用,是电动汽车及充电桩等设备的核心技术部件。IGBT模块占电动汽车成本将近10%,占充电桩成本约20%。IGBT主要应用于电动汽车领域中以下几个方面:
①电动控制系统:大功率直流/交流(DC/AC)逆变后驱动汽车电机(图4),车载空调控制系统;
②小功率直流/交流(DC/AC)逆变(图5),使用电流较小的IGBT和FRD;
③充电桩:智能充电桩中IGBT模块被作为开关元件使用(图6)。

图3 不同公司的IGBT

图4 HEV中的应用

图5 IGBT在电动汽车逆变器中的应用

图6 IGBT在混合动力(HEV)/纯电动(EV)汽车中的相关应用
IGBT模块按封装工艺来看主要可分为焊接式(图7)与压接式(图8)两类。焊接式IGBT的结构及封装过程见图9。高压IGBT模块一般以标准焊接式封装为主,中低压IGBT模块则出现了很多新技术,如烧结取代焊接,压力接触取代引线键合的压接式封装工艺。
模块技术发展趋势:无焊接、无引线键合及无衬板/基板封装技术;内部集成温度传感器、电流传感器及驱动电路等功能元件,不断提高IGBT模块的功率密度、集成度及智能度。

图7 焊接式IGBT

图8 压接式IGBT

图9 焊接式IGBT的结构及封装过程
2.目前市场现状
国外研发IGBT器件的公司主要有英飞凌、ABB、三菱、西门康(图10)、东芝、富士等。中国功率半导体市场占世界市场的50%以上,但在中高端MOSFET及IGBT主流器件市场上,相对较弱。国外企业如英飞凌、ABB、三菱等厂商研发的IGBT器件产品规格涵盖电压600~6 500V,电流2~3 600A,已形成完善的IGBT产品系列。

图10 西门康公司的最新一代IGBT 7芯片
二、IGBT在电动汽车直流电动机控制中的应用
1.直流电动机的控制系统
在电源电路上,直流电动机可以采用较少的控制元件,一般用斩波器来控制。最常采用的有IGBT电子功率开关的斩波器,IGBT斩波器是在直流电源与直流电动机之间的一个周期性的通断开关装置。斩波器根据直流电动机输出转矩的需要,脉冲输出和变换直流电动机所需电压从0到最高电压,与直流电动机输出的功率相匹配,来驱动和控制直流电动机运转。IGBT斩波器已经商品化,可供用户选用。
直流斩波控制方式由于体积小、重量轻、效率高、可控制性好,而且根据所选的加速度,能平稳加速到理想的速度,所以该控制方式在电力驱动领域得到了广泛应用。如图11所示为用于直流电动机速度控制的一象限直流斩波控制。四象限运行是指用二轴表示电动机转速,y轴表示电流,第一象限就是电动状态。四象限是指正向电动、正向发电、反向电动、反向发电。
一象限直流斩波控制的工作原理是电流经蓄电池正极输出,经绝缘栅极双极型晶体管(IGBT)的集电极C和发射极E,再经电刷进入电动机M的转子,电动机的定子S可以是线圈也可能是永磁体。驾驶人踏下加速踏板时,实际上就是电路在控制IGBT管的门极G的PWM波占空比加大,汽车减速时,若定子S为永磁体,则电动机转为发电机发电,但发出的电流无法经IGBT将电流充入蓄电池。要想在第二象限工作,则可在IGBT的G和E间反加一个大功率二极管,这时电动机再生制动的能量就可以返回蓄电池了。

图11 用于直流电动机速度控制的一象限直流斩波控制
2.IGBT的使用与检测
(1)IGBT使用注意事项
由于IGBT模块为MOSFET结构,IGBT的栅极通过一层氧化膜与发射极实现电隔离。由于此氧化膜很薄,其击穿电压一般仅能承受到20~30V,所以因静电而导致栅极击穿是IGBT失效的常见原因之一。因此,使用中要注意以下几点。
①在使用模块时,尽量不要用手触摸驱动端子部分,当必须触摸模块端子时,要先将人体或衣服上的静电用大电阻接地进行放电后再触摸;在用导电材料连接模块驱动端子时,在配线未接好之前请先不要接上模块,在良好接地的情况下操作。在应用中有时虽然保证了栅极驱动电压没有超过栅极最大额定电压,但栅极连线的寄生电感和栅极与集电极间的电容耦合,也会产生使氧化层损坏的振荡电压。为此,通常采用双绞线来传送驱动信号,以减少寄生电感。在栅极连线中串联小电阻也可以抑制振荡电压。
②在栅极发射极间开路时,若在集电极与发射极间加上电压,随着集电极电位的变化,由于集电极有漏电流流过,栅极电位升高,集电极则有电流流过。这时,如果集电极与发射极间存在高电压,则有可能使IGBT发热及至损坏。
③在使用IGBT的场合,当栅极回路不正常或栅极回路损坏时(栅极处于开路状态),若在主回路上加上电压,则IGBT就会损坏。为防止此类故障,应在栅极与发射极之间串接一个10kΩ左右的电阻。
④在安装或更换IGBT模块时,应十分重视IGBT模块与散热片的接触面状态和拧紧程度。为了减少接触热阻,最好在散热器与IGBT模块间涂抹导热硅脂,安装时应受力均匀,避免用力过度而损坏。
⑤一般散热片底部安装有散热风扇,当散热风扇损坏,散热片散热不良时,将导致IGBT模块发热,从而发生故障。因此对散热风扇应定期进行检查,一般在散热片上靠近IGBT模块的地方安装有温度感应器,当温度过高时报警或停止IGBT模块工作。
(2)IGBT管极性测量
判断极性,首先将万用表拨在R×1k挡,用万用表测量时,若某一极与其他两极阻值为无穷大,调换表笔后该极与其他两极的阻值仍为无穷大,则判断此极为栅极G。其余两极再用万用表测量,若测得阻值为无穷大,调换表笔后测量阻值较小,则在测量阻值较小的一次中,红表笔接的为集电极C,黑表笔接的为发射极E。
(3)检测判断IGBT管的好坏
IGBT管的好坏可用指针式万用表的R×1k挡来检测,或用数字式万用表的“二极管”挡来测量PN结正向压降进行判断。检测前先将IGBT管三个引脚短路放电,避免影响检测的准确度;然后用指针式万用表的两支表笔正反测G、E两极及G、C两极的电阻。正常G、C两极与G、E两极间的正反向电阻均为无穷大;内含阻尼二极管的IGBT管正常时,E、C极间均有4kΩ的正向电阻。
最后用指针式万用表的红笔接C极,黑笔接E极,若所测值在3.5kΩ左右,则所测管为含阻尼二极管的IGBT管,若所测值在50kΩ左右,则所测IGBT管内不含阻尼二极管。对于数字式万用表,正常情况下,IGBT管的C、E极间正向压降约为0.5V。
综上所述,内含阻尼二极管的IGBT管检测,除红黑表笔连接C、E阻值较大,反接阻值较小外,其他连接检测的读数均为无穷大。测得IGBT管三个引脚间电阻均很小,则说明该管已击穿损坏,维修中IGBT管多为击穿损坏。若测得IGBT管三个引脚间电阻均为无穷大,说明该管已开路损坏。
三、IGBT在永磁磁阻同步电动机控制中的应用
1.永磁磁阻同步电动机的结构
永磁磁阻同步电动机是将永久磁铁取代他励同步电动机的转子励磁绕组,将磁铁插入转子内部,形成同步旋转的磁极。电动机的定子与普通同步电动机两层六极永磁磁阻同步电动机的定子和转子一样,如图12所示,转子上不再用励磁绕组、集电环和电刷等来为转子输入励磁电流,输入定子的是三相正弦波电流,这种电动机称为永磁磁阻同步电动机。

图12 不同层数的永磁磁阻同步电动机的转子
2.永磁磁阻同步电动机的控制系统
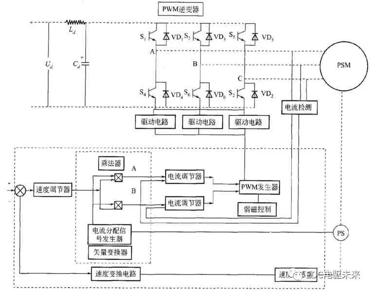
永磁磁阻同步电动机采用了带有矢量变换电路的逆变器系统来控制,其控制系统由直流电源、电容器、三相绝缘栅双极晶体管(IGBT)逆变器、永磁同步电动机(PSM)、电动机转轴位置检测器(PS)、速度传感器、电流检测器、驱动电路和其他一些元件等共同组成。微处理器控制模块中包括乘法器、矢量变换电路、弱磁控制器、转子位置检测系统、速度调节系统、电流控制系统、PWM发生器等主要电子器件,PWM逆变器的作用是将直流电经过脉宽调制变为频率及电压可变的交流电,电压波形有正弦波或方波。
①转子位置检测器根据检测转子磁极的位置信号和矢量变换电路发出的控制信号,共同通过电流分配信号发生器来对转子位置信号进行调节,产生电流分配信号,将信号分别输入A、B乘法器中。
②速度传感器、速度变换电路和速度调节器,对电动机的运行状态进行判别和处理,将电动机的运行状态信号分别输入A、B乘法器中。
③控制驱动器采用不同的控制方法,由电流分配信号发生器和速度调节器对系统提供信号,经过乘法器逻辑控制单元的计算后产生控制信号,并与电流传感器输入的电流信号,共同保持转子磁链与定子电流之间的确定关系,将电流频率和相位变换信号分别输入各自独立的电流调节器中,然后输出到PWM发生器中,控制逆变器换流IGBT开关元件的通断,完成脉宽调制,为永磁同步电动机提供正弦波形的三相交流电,同时控制定子绕组的供电频率、电压和电流的大小,使永磁同步电动机产生恒定的转矩和对永磁同步电动机进行调速控制。永磁磁阻同步电动机的控制系统如图13所示。

图13 永磁磁阻同步电动机的控制系统
3.永磁磁阻同步电动机的机械特性
高永磁磁阻同步电动机在牵引控制中采用矢量控制方法,在额定转速以下恒转矩运转时,使定子电流相位领先一个β角,这样,一方面可增加电动机的转矩,另一方面由于β角领先产生的弱薄作用,使电动机额定转速点增高,从而增大了电动机在恒转矩运转时的调速范围,如β角继续增加,电动机将运行在恒功率状态。永磁磁阻同步电动机能够实现反馈制动。图14所示为永磁磁阻同步电动机的力学特性曲线。
四、IGBT在永磁无刷直流电动机控制中的应用
1.永磁无刷直流电动机的结构
永磁无刷直流电动机可以看作是一台用电子换向装置取代机械换向的直流电动机,永磁无刷直流电动机主要由永磁电动机本体、转子位置传感器和电子换向电路组成。无论是结构或控制方式,永磁无刷直流电动机与传统的直流电动机都有很多相似之处:用装有永磁体的转子取代有刷直流电动机的定子磁极;用具有多相绕组的定子取代电枢;用由固态逆变器和轴位置检测器组成的电子换向器取代机械换向器和电刷。

图14 永磁磁阻同步电动机的力学特性曲线
2.永磁无刷直流电动机的控制系统
永磁无刷直流电动机的基本控制系统由直流电源、电容器、三相绝缘栅双极晶体管逆变器、永磁无刷直流电动机(PMBDC)、电动机转轴位置检测器(PS)、逻辑控制单元120°导通宽脉宽调制信号(PWM)发生器驱动电路和其他一些电子器件共同组成。
转轴位置检测器检测转轴位置的信号,经过位置信号处理,将信号输送到逻辑控制单元,码盘检测电动机的转速,经过速度反馈单元和速度调节器对电动机的运行状态进行判别,将信号输送到逻辑控制单元,经过逻辑控制单元计算后,将控制信号传送到PWM发生器。
电流检测器按照闭环控制方式,将反馈电流进行综合,经过电流调节器调控,也将电流信号输入PWM发生器。
由转轴位置检测器根据转角θ和速度调节器,对电动机的运行状态进行判别,共同发出转子位置的信号DA、DB、DC,以及电流检测器对电流的调控信号,共同输入PWM发生器后,产生脉宽调制的信号,通过自动换流来改变定子绕组的供电频率和电流的大小,控制逆变器的功率开关元件的导通规律。如图15所示,逆变器的功率开关由上半桥开关元件S1~S3和下半桥开关元件S4~S6组成,在同一时刻只有处于不同桥臂上的一个开关元件IGBT被导通(例如S1和S6),电动机的电磁转矩T与开关元件导通的电流成正比。
五、IGBT在驱动变速系统中的应用
通过驱动电机工作状态可以了解新能源汽车驱动系统的基本功能,根据驾驶员意愿驱动电机的工作状态:挂D挡加速行驶时、减速制动时、挂R挡倒车时以及E挡行驶时来了解它的工作过程。
1.D挡加速行驶
驾驶员挂D挡并踩加速踏板,此时挡位信息和加速信息通过信号线传递给整车控制器VCU,VCU把驾驶员的操作意图通过CAN线传递给驱动电机控制器MCU,再由驱动电机控制器MCU结合旋变传感器信息(转子位置),进而向永磁同步电动机的定子通入三相交流电,三相电流在定子绕组的电阻上产生电压降。由三相交流电产生的旋转电枢磁动势及建立的电枢磁场,一方面切割定子绕组,并在定子绕组中产生感应电动势;另一方面以电磁力拖动转子以同步转速正向旋转。随着加速踏板行程不断加大,电机控制器控制的6个IGBT导通频率上升,电动机的转矩随着电流的增加而增加,因此,起步时基本上拥有最大的转矩。随着电动机转速的增加,电动机的功率也增加,同时电压也随之增加。在电动汽车上,一般要求电动机的输出功率保持恒定,即电动机的输出功率不随转速增加而变化,这要求在电动机转速增加时,电压保持恒定。
与此同时,电机控制器也会通过电流传感器和电压传感器,感知电机当前功率、消耗电流大小、电压大小,并把这些信息数据通过CAN网络传送给仪表、整车控制器,其具体工作原理如图16所示。
2.R挡倒车时
当驾驶员挂R挡时,驾驶员请求信号发给VCU,再通过CAN线发送给MCU,此时MCU结合当前转子位置(旋变传感器)信息,通过改变IGBT模块改变W/V/U通电顺序,进而控制电机反转。

图15 永磁无刷直流电动机控制策略

图16 D挡工作原理
3.制动时能量回收
驾驶员松开加速踏板时,电机由于惯性仍在旋转,设车轮转速为V轮、电机转速为V电机,设车轮与电机之间固定传动比为K,当车辆减速时,V轮K<V电机时,电机仍是动力源,随着电机转速下降,当V轮K>V电机时,此时电机由于被车辆拖动而旋转,此时驱动电动机变为发电机(图17)。
BMS可以根据电池充电特性曲线(充电电流、电压变化曲线与电池容量的关系)和采集电池温度等参数计算出相应的允许最大充电电流。MCU根据电池允许最大充电电流,通过控制IGBT模块,使“发电机”定子线圈旋转磁场角速度与电机转子角速度保持到发电电流不超过允许最大充电电流,以调整发电机向蓄电池充电的电流,同时这也控制了车辆的减速度,具体过程如图18所示。

图17 驱动电机变为发电机
当踩下制动踏板时,MCU输出的电流频率会急剧下降,馈能电流在MCU的调节下充入高压电池,当IGBT全部关闭时在当前的反拖速度和模式下为最大馈能状态,此时MCU对“发电机”没有实施速度和电流的调整,“发电机”所发的电量全部转移给蓄电池,由于发电机负载较大,此时车辆减速也较快。在此期间能量回收的原则是:①电池包温度低于5℃时,能量不回收;②单体电压在4.05~4.12V时,能量回收6.1kW,单体电压超过4.12V时,能量不回收,低于4.05V时,能量满反馈;③SOC大于95%、车速低于30km/h时没有能量回收功能,且能量回收及辅助制动力大小与车速和制动踏板行程相关。

图18 反向电流的施加
4.E挡行驶时
E挡为能量回收挡,在车辆正常行驶时E挡与D挡的根本区别在于MCU和VCU内部程序、控制策略不同。在加速行驶时E挡相对于D挡来说提速较为平缓,蓄电池放电电流也较为平缓,目的是尽可能节省电量以延长行驶距离,而D挡提速较为灵敏,回应较快。在松开加速踏板时,E挡更注重于能量回收,驱动电机被车轮反拖发电时所需的“机械能”牵制了车辆的滑行,从而也起到了一定的制动效果,所以E挡行车时车辆的滑行距离比D挡短。
来源: 网络,汽车维修与保养