一、离心泵的结构
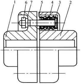
(1)单级单吸离心泵的结构(图1 -5)。
① 转子部分:叶轮、轴、轴套、叶轮锁紧螺母;
② 定子部分:泵体、泵盖、悬架、轴承压盖、填料压盖、支架、密封环;
③ 支撑部分:滚动轴承;
④ 传动部分:联轴器(又称对轮)、键;
⑤ 密封部分:叶轮密封环、泵体密封环、密封填料。

图1-5单级单吸离心泵结构剖面图
1一泵壳;2一叶轮;3一密封环;4 一叶轮螺母;5一泵盖;
6—密封部件;7—中间支承;8—轴;9 一悬架部
(2)单级双吸离心泵结构(图1 -6)。

图1-6单级双吸离心泵剖面图
1 一泵体;2—泵盖;3—叶轮;4 一轴;5—密封环;6一轴套;
7—联轴器;8—轴承体;9 一密封填料压盖;10一密封填料
① 转子部分:叶轮、轴、轴套以及轴套锁紧螺母、轴承锁紧螺母;
② 定子部分:泵体、泵盖、轴承体、轴承体压盖;
③ 支撑部分:滚动轴承;
④ 传动部分:联轴器、键等;
⑤ 密封部分:密封环(口环、止漏环)、密封填料、水封环。
(3)单吸多级离心泵的结构(图1 -7)。

图1 -7单级多吸离心泵剖面图
1 一吸入段;2-中段;3—吐出段;4一轴;5-叶轮;6—导叶;
7—密封环;8一平衡盘;9 一平衡套:10—轴承支架;11 -螺栓
① 转子部分:叶轮、轴、轴套、挡套、平衡盘、卸压套、轴套锁紧螺母;
② 定子部分:吸入段(前段)、中段、吐出段(后段)、导翼、承磨套(又称导翼套)、尾 盖、轴承体、穿杠螺丝和螺母、泵底座等;
③ 支撑部分:滑动轴承、又称轴瓦或滚动轴承;
④ 平衡部分:平衡盘、平衡环(套)或静平衡盘及压盖、压盖套;
⑤ 密封部分:首级密封环、次级密封环、承磨套、水封环、填料、密封填料压盖等;
⑥ 传动部分:联轴器(对轮)、橡胶圈、连接螺栓和弹簧垫圈、螺母、键等。
二、离心泵的主要零部件
1.泵轴
离心泵的泵轴主要作用是把动力能传给叶轮旋转做功,并且用轴两端的两个正、反 扣锁紧螺母,将叶轮、挡套、轴套、卸压套、平衡盘等件固定在轴上,保证零部件一定的位 置,借助于两端轴承(滚动或滑动轴承)的支撑,在泵体内高速旋转。离心泵在运转中, 泵轴要承受很大的扭矩、弯矩。在高压注水泵中轴的最大弯曲度不得超过0.03mm。 因此,要求泵轴的强度、刚度、加工精度都必须要高、要好、要精;泵轴的材料一般选用 45号钢、40Cr、3Crl3、35CrMo等强度、刚度好的材料,并进行调质处理(表1 -4)。

表1-4泵轴常用材料
2. 叶轮
离心泵的叶轮是把来自原动机的能量通过离心力的作用传递给泵内的液体,使液 体增加速度和压力,促使泵内液体排出去,进口管路中的液体又被吸进来。
离心泵叶轮按结构可分为四种形式(图1 - 8)。
第一种形式,由前盖板、后盖板、叶片和轮毂组成,称为封闭式叶轮[图1 -8(a)];
第二种形式,由后盖板、叶片和轮毂组成,称为半开式叶轮[图1 -8(b)];
第三种形式,由叶片和轮毂组成,称为全开式叶轮[图1 -8(c)];
第四种形式,由两个前盖、叶片和轮毂组成,有两个分布在两侧的两个吸入口,称为 双吸式叶轮[图1 -8(d)]。

图1-8离心泵叶轮的形式
半开式和全开式叶轮常用输送含杂质较多的液体;双吸叶轮常用于排量大的场合, 抗汽蚀性能好,效率比较高。
叶轮常用的材料有:铸铁HT20 - 40.HT25 -47;铸钢ZG15.ZG25;铸铜ZGCuR;不 锈钢1 Crl 3、2Crl3、1 Crl8Ni9Ti;另外也有用铝铸铁的。
3. 泵吸入 室
离心泵吸入室的作用是使液体以最小的损失均匀地进入叶轮。其主要有锥管形、 螺旋形和圆环形三种结构形式(图1 -9)。

图1-9泵吸入室形式
(1 )锥管形吸入室结构简单,剜造方便,并且液体流经时流速均匀,水力损失小,所 以在悬臂式离心泵中广泛应用;’
(2) 螺旋形和半螺旋形吸入室液体流经时流速均匀,流动状况较好,但是易产生漩 涡,多用于水平中开式泵,如双吸单级泵和首级双吸的多级中开式离心泵广泛采用;
(3) 圆形吸入室,尽管是在液体进入叶轮时有冲击和漩涡损失,但是结构较为简 单,轴向尺寸短,所以在多级离心泵中广泛使用,如油田高压注水泵,多级热洗油泵和多 级输油泵得到应用。
4. 泵压 出室
泵压出室的主要作用是将从叶轮流道中甩出的液体汇集收拢后均匀地引入到泵的 出口处,尽量减少在此过程中的损失。同时,还要将液体的部分动能转变为压力能。压 出室的种类很多,常见的有:螺旋形涡室;环状形压出室,包括径向形导翼和流道式 导翼。
(1) 螺旋形涡室起到收集液体的作用。液体能均匀地从叶轮内流出到涡壳中,液 体是做等速运动,动能变成压力能是在扩散管部位进行的。
(2) 环状形压出室的流道各断面面积相等,各处流体速度不相同,在液体流动过程 中存在着冲击损失,这种形状的压出室多用于多级泵的吐出段和输送杂质的泵,如油田 使用的注水泵和输油泵多釆用环状形压出室。
(3) 注水泵和多级油泵所采用的径向导翼和流道式导翼,结构比较紧凑,其工作原 理和螺旋形涡室相同,可以把导翼看作是在叶轮周围安放儿个涡室,液体流经扩散段前 的流速相等,损失较小。流道式导翼比径向导翼还要优越,流道式导翼是把正反导翼过 流带设计成圆滑过渡,使液体由正向流进反向导翼时速度变化比较均匀,损失减少,相 对提高了泵的效率。导翼在多级离心泵中除了以最小的损失把叶轮中流出的高速度液 体收集起来之外,并把液体中的部分动能变为压力能,还要通过反导翼,以最小的损失 把液体均匀地引向下一级叶轮入口处。
前面所述的离心泵叶轮、吸入室、导翼、泵的吸入口和排出口,统称为离心泵的过流 部件。这些过流部件的形状和材质好坏将直接影响离心泵的性能,效率和使用寿命。
泵的压岀室常用的材料如下:
低压泵采用 HT20 - 40.HT25 -47;
高压泵采用QT45-5、ZG25;
耐酸泵采用 ZG1CH3、ZGlCrl8Ni9Ti。
5. 平衡机构(平衡装置)
1)轴向力的产生
单吸离心泵在工作中,由于叶轮是不对称的,液体在吸入压力P吸作用下进入叶轮,而在排出压力p排作用下从叶轮流出。这时在叶轮吸入口的整个面上受p吸的作用而在叶轮两侧的盖板上同时受P排的作用,从图I -10中不难看出,由于P推大于P吸,所以作用在叶轮两侧的力是不平衡的,产生了一个指向泵吸入口的力。又因为产生的力是与泵轴的方向平行,所以把这个力称为轴向力。
由于轴向力的产生,会导致泵的整个转子沿轴线向吸入口侧产生移动,从而引起叶轮和密封环的摩擦及泵体的振动,所以必须消除 这个轴向力,泵才能正常运转。

图1-10轴向力的产生
2)常用平衡轴向力的方法
(1) 単级泵轴向力的平衡方法。
(D在小型单级离心泵中采用推力滚动轴承来平衡轴向力;
② 釆用双吸叶轮(图1-11):采用双吸叶轮时,作用在叶轮盖板两侧的压力p排相 同,作用在叶轮两侧吸入面上的压力p吸相同,基本上消除了轴向力。在泵上再安装止 推轴承来克服由于加工误差而引起的轴向力。

图1-11双吸叶轮轴向力的平衡图

图1-12平衡孔法轴向力平衡图
③ 釆用平衡孔法,如图1 - 12所示。在叶轮的后盖板上开有平衡孔,从叶轮出口 流出的液体,通过后盖板上的平衡孔流回叶轮的吸入口,使作用在叶轮吸入面上的压力 与作用在后盖板上的压力基本相等。为了消除由于加工误差引起的轴向力,在泵上安 装止推轴承即可。
④ 平衡管法:这种方法是将高压侧密封环泄漏出的液体,经过一根外接管线返回 泵的吸入口,这根管线称为平衡管,原理和平衡孔法基本相同。
(2) 多级离心泵轴向力平衡方法。
① 平衡鼓法(图1 -13)平衡鼓是一种径向间隙液压平衡装置。它装在最后一级叶轮和平衡室之间。和泵轴一起旋转的称为平衡鼓轮,静止部分称为平衡鼓轮头。用一根管线将平衡室与泵进口连通,这样平衡室内的压力就等于进口压力与连通管线中 损失压力之和。

图1-13平衡鼓法 1 一平衡鼓轮头;2一平衡鼓轮;3—平衡室

图1-14平衡盘法 1-平衡盘头;2-平衡盘

平衡原理:平衡鼓轮前面是最后一级叶轮的后泵腔,其压力接近于泵的排出压力, 因而平衡鼓两个端面之间有一个很大的压力差,从而把平衡鼓轮向后推,会带动整个转 子向后移动。如果我们设法使这个推力和离心泵的轴向力相等,这就达到了平衡轴向 力的目的。
② 平衡盘法(图1 - 14):平衡盘是一种轴向间隙液压平衡装置。它是装在最后一 级叶轮与平衡室之间,和轴一起转动的称平衡盘,静止不动的称平衡环(套)。
平衡原理:从叶轮出来的一部分液体经过平衡盘与平衡环之间的轴向间隙而漏入 平衡室,再用管路把平衡室与泵吸入口连通,这时平衡盘背面所受的压力是平衡室压 力。而平衡盘正面最小直径上受到的压力是泵的吐出压力,而在周界上是平衡室压力。 只要选择好平衡盘的内外直径尺寸,就可以使平衡盘正面与背面的压力差和泵的轴向 力相等,达到平衡的目的。
假如泵的轴向力增加,这额外的压力就把泵的转子推向吸入口侧,从而使平衡盘和 平衡环之间的端面间隙减小,此时通过这间隙的漏失量减少,平衡室压力下降,这时平 衡盘前后的压力差增加,将转子向吐出口方向推,直到与轴向力平衡为止。反之,如泵 的轴向力减小,就会导致平衡盘与平衡环的 轴向间隙增大,漏失量增加,平衡压力增高, 直到又获得新的平衡为止。
③平衡盘与平衡鼓组合法(图1 -15)。 组合法实际上是一种径向、轴向液压平衡装 置。高压多级离心泵普遍采用此法,平衡效 果好。平衡原理与上述两法相同。
④叶轮对称布置平衡法:
在多级水平中开式离心泵中采用叶轮对称布置的方法来平衡轴向力。使成组叶轮 的吸入口方向正好相反,从而起到平衡轴向力的作用。在泵上也要安装止推轴承。
⑤平衡盘的作用:
平衡盘主要是用来平衡轴向力的,但它还起定位的作用,即用平衡盘的位置来保证 叶轮出口与导翼口对中,以减少水力损失,提高离心泵的效率。
⑥平衡机构失灵及其危害
导致平衡机构失灵的主要原因有:平衡机构严重磨损;平衡管堵塞;平衡腔室穿孔 与末级连通;密封环损坏。
危害:平衡机构失灵后,泵的轴向力无法平衡,导致泵转子往前窜,使叶轮止口与密 封环产生摩擦,导致卡泵,甚至于烧泵等严重后果。
3)材料
平衡盘的材料要求耐磨、耐扭力、耐冲刷,加工精度要高,而平衡盘和平衡环(套) 所采用材料不同,加工工艺和热处理硬度也不一样,防止因摩擦过热产生变形而粘接在 一起,发生故障。目前,多数采用HT25 -47号、45号钢、3Crl3,进行调质处理,硬度为 HB241 -302。
6. 密封环
1) 密封环的作用
密封环又称为口环,安装在水泵吸入口外缘与泵体之间。它把整个螺旋壳体分成 为进水低压室和高压室,密封环主要起减少压力水回漏到叶轮进门处的低压室内的密 封作用。它与叶轮止口配合间隙的大小将直接影响水泵的效率。密封环还起承磨作 用,防止叶轮直接与泵体摩擦;密封环为易损件。
2) 对密封环质量的要求
密封环安装有固定安装和浮动安装两种。一般情况下,单级低压和多级中压离心 泵都是采取浮动安装,即将密封环紧紧装在泵体上,不用螺钉固定。而高压离心泵的密 封环是釆用固定安装,即将密封环通过六条埋头螺钉固定在泵体上。目前,密封环的主 要材料有铸铁JCrl3不锈钢、球磨铸铁或铸铜。
密封环的加工精度要求高,内外圆的跳动误差不超过0.03 ~ 0.05mm。密封环 的形状大致分为普通圆柱密封环、迷宫形密封环、锯齿形密封环三种,如图1-16 所示。
密封环与叶轮止口之间的配合间隙大小,对水泵的工作性能有很大影响。从理论上讲,配合间隙越小越好,但在实际工作中,如果间隙太小会使叶轮和密封环产生摩擦, 甚至卡泵,泵反而不能正常工作。对于低压多级离心泵来说,一般密封环与叶轮止口配 合间隙为0. 45 ~ 0. 55mm,髙压多级离心泵一般为0. 50 ~ 0. 60mm。

(a)普通岡柱形 (b)迷宫 (c)锯齿形 图1 - 16密封环的形式
7. 轴封机构
在离心泵的泵轴伸出泵体部分,泵轴与填料函之间必有一定间隙,有间隙就会有漏 失,为了减少漏失和防止气体进入泵腔内就要有泵轴的密封装置,即轴封机构。离心泵 常用的轴封机构主要有填料密封和机械密封。
1)填料密封
填料密封形式(图1 -17)目前在油田使用的离心泵中是最常见的密封。这种密封 装置由填料函、填料套、水封环、填料、填料压盖、双头螺栓和螺母组成。依靠填料与轴 套外圆表面接触实现密封。填料主要有以下几种:

图1-17填料密封装置
(1) 油浸棉纱填料:多用于低压泵,输送液 体温度低于40T;
(2) 石棉浸透石墨或铅粉填料:可在被输 送液体温度高于40Y、低于80%:的环境中使 用,对轴套磨损比较严重。
(3) 金属铝(箔)包裹棉芯子填料:适用于 输送含有酸、碱的石油产品,适合中压高温(可 达400Y)条件下使用;
(4) 聚四氟乙烯及石墨制品填料:近年来 广泛应用于离心泵,对轴套磨损小又节能;
(5) 碳素纤维编织成型渍浸酚醛树脂或聚四氟乙烯填料:使用寿命长,密封性好, 又有自润性,磨损小,寿命可达2x100。
2)机械密封
(1) 特点:机械密封(图1 -18)又称为端面密封,是离心泵或其他回转式机械上广 泛采用的一种新型旋转轴的一种密封装置。它的主要特点是密封面垂直于旋转轴线, 依靠动环、静环的端面接触和弹簧张力来阻止和减少泄漏。

(2) 优缺点:
① 优点:机械密封比填料密封性能 好,消耗功率少,在运转中可以达到几 乎不漏的程度,而且使用寿命长。
② 缺点:结构复杂,制造技术、精度 要求高,成本也高,检修费时、更换零件 麻烦。
(3) 工作原理:轴1带动动环2旋 转,静环5固定不动,依靠动环2与静 环5之间接触端面的滑动摩擦保持密 封。在长期工作摩擦表面磨损过程中, 弹簧3推动动环2,以保证动环2和静
环5接触面无间隙,为了防止介质通过动环2与轴1之间的间隙泄漏,装有动环密封圈 7 ;为了防止介质通过静环5与壳体4之间的间隙泄漏,装有静环密封圈6。
机械密封是借助于表面光滑而又精密的动环与静环密切配合,并做相对转动而进 行密封的。工作时,动环受液体压力和弹簧张力的作用,沿着轴向移动,紧压在静环端 面上,并做相对旋转运动。在旋转过程中,动环与静环密封面上形成一层液膜,液膜必 须有一定厚度,才能使机械密封的性能和散热良好,起到密封作用。液膜太厚,泄漏量 大,密封性能下降;液膜太薄,动环与静环之间产生干摩擦,使端面过热,损坏密封元件。 因此,弹簧(或波纹管)的伸张力大小的确定十分关键。
(4) 机械密封主要结构。
① 主要密封部件:由动环(旋转环)和静环(固定环)组成一对摩擦副,两者一般均 釆用不同的材料制成,其中一个硬度高,一个硬度较低。
② 辅助密封件:由动环密封圈、静环密封圈、壳体密封圈和其他垫片组成,这些密 封圈大多数是用丁腊橡胶和聚四氟乙烯材料制成的。
③ 压紧及紧固件:由弹簧、推环、传动座、固定螺钉等组成。
(5) 机械密封的种类,按设备结构和使用场合可分以下几类:
① 单端面密封和双端面密封;
② 单弹簧密封和多弹簧密封;
③ 平衡型密封和不平衡型密封; ;
④ 内装式密封和外装式密封;
⑤ 波纹管式密封。
(6) 对机械密封装置在装配时,必须注意如下事项:
① 按照图样技术要求检查主要零件,如轴的表面粗糙度,动环和静环密封表面的 粗糙度及平面度等是否符合规定。
② 找正静环端面,使其与轴线的垂直度误差小于0. 05mm。
③ 必须使动环、静环具有一定的浮动性,以便在运动过程中能适应影响动环、静环 端面接触的各种变化偏差,这是保证密封性能的重要条件。浮动性取决于密封圈的准 确装配;与密封圈接触的主轴或轴套的粗糙度;动环与轴的径向间隙以及动环、静环接 触面上摩擦力的大小等,而且还要求弹簧有足够的弹力。
④ 要使主轴的轴向窜动、径向跳动和压盖与轴的垂直度误差在规定范围内,否则 将会导致泄漏。
⑤ 在总装配过程中要保持清洁,特别是主轴装置密封的部位不得有锈蚀,动环、静 环端面应无任何异物和灰尘颗粒。
⑥ 在装配过程中,不允许用坚硬的工具直接敲击密封元件。总之,机械密封的作 用是靠动环与静环密封面之间的轴向间隙来实现密封的。为了获得较长的使用寿命, 密封接触面必须严防损坏。
(7 )机械密封常见故障及处理措施如下:
① 机械密封产生振动、发热、冒烟、泄漏液体故障的处理。
原因分析:
a. 端面宽度过大;
b. 端面比压过大;
c. 动环、静环表面粗糙;
d. 转动体与密封腔内间隙过小,泵轴摆动引起碰撞。
处理措施:
a. 减小端面宽度;
b. 减小弹簧压力,降低端面比压;
c. 提高动环、静环表面粗糙度;
d. 增大密封腔内径尺寸或更换直径较小的转动体,使其间隙在0. 7mm左右;校订 泵轴或找好机泵同心度。
② 机械密封端面漏失严重,泄漏液体夹带杂质的故障处理。
原因分析:
a. 摩擦副端面歪斜,平直度达不到要求;
b. 传动、止推部件结构不良,有杂质,固化介质粘接,使动环失去浮动性;
c. 固体颗粒进入摩擦副;
d. 弹簧弹力不够,导致端面比压不足而磨损,失去补偿能力;
e-摩擦端面宽度过小,端面与轴不垂直偏移量大;
f.动环、静环浮动性差。
③ 机械密封轴向泄漏故障的处理。
原因分析:
a. 密封胶圈与轴配合过紧或过松;
b. 密封胶圈质量差,过硬或过软,耐腐蚀性和耐热性能差,老化变形或破裂粘接;
c. 安装不慎,密封胶圈卷边、扭劲、压扁;
d. 密封介质压力过小,静环脱离静环座。
处理措施:
a. 选择、更换合适尺寸的密封胶圈;
b. 更换质量合格的密封胶圈;
c. 密封圈与泵轴的过盈量应合适,安装时应小心谨慎;
d. 调节密封液体压力,改进密封结构。
④ 机械密封间断性泄漏故障的处理。
原因分析:
a. 轴窜量过大,动环来不及补偿位移;
b. 操作不平稳,密封腔内压力变化过大;
c. 机泵周期性振动过大。
处理措施:
a. 严格执行机泵维修保养规程,做到勤检査、勤调整、勤保养;
b. 平稳操作,缓慢开关泵进、出口阀门;
c. 经常检查机泵同心度,紧固好固定螺钉。
⑤ 机械密封出现突然漏失的故障处理。
原因分析:
a. 泵发生严重抽空,破坏了机械密封的机械性能;
b. 弹簧因泵反转而被扭断,防转销钉被切坏或顶住;
c. 动环或静环断裂,密封圈老化断裂;
d. 机械密封固定螺钉松动,导致其正常工作位置移动或偏斜。
处理措施:
a. 立即停泵,放空排净泵内空气,重新起泵;
b. 更换弹簧,更换或修复防转销钉;
c. 更换损坏配件,重新装配好;
重新找好机械密封的正常工作位置,并紧固好固定螺钉。
8. 轴承
轴承是承受泵的径向载荷和轴向载荷的,是支撑泵的转子重量和动载荷的。轴承 与轴之间由于滚动而产生的摩擦,称为滚动摩擦;轴承与轴之间由于滑动而产生的摩 擦,称为滑动摩擦。因此,根据轴承与轴接触和摩擦方式不同,将轴承分为滚动轴承和 滑动轴承两大类,若干种。
1)滚动轴承
滚动轴承又称弹子盘,优点是:间隙小,易保证轴的对中性,结构紧凑,构造简单 (只有内外座圈、滚动体和珠架),互换性好,精度高,摩擦阻力小,润滑油消耗量少,泵 启动力矩小,维修方便。缺点是:承受冲击能力差,高速旋转时噪声大,承载能力有限, 安装时要求精度高,使用寿命不如滑动轴承长。
滚动轴承代号组成:从个位数起第一、第二位数字表示轴承内径或衬套内径,见 表 1-5。

表1-5滚动轴承代号组成
第三位数字表示轴承系列:超轻、特轻、轻、中、重等;第四位数字表示轴承类型:向 心球轴承、向心球面轴承、向心短圆柱轴承、向心球面滚子轴承、长圆柱滚子轴承或滚针 轴承、向心推力球轴承、圆锥滚子轴承、推力球轴承等10种;第五、六位数字表示结构特 点《滚动轴承代号方法》(GB 30-1993);第七位数字表示:轴承宽度系列,分为窄、正 常、宽、特宽几种。汉语拼音字母表示精度等级,其顺序是C、D、E、F、G,C级最高,G级 最低,F级一般不选用。
轴承间隙规定标准见表1 -6。

表1-6轴承间隙规定标准
2) 滑动轴承
滑动轴承又称轴瓦,有整体筒式和对开式轴承。根据润滑方式又可分为自身润滑 式和强制润滑式轴承。整体筒式是靠紧力镶入或用螺栓连接的方式固定在轴承体内; 对开式轴承是由上瓦、下瓦和轴瓦压盖组成,固定在轴承架上的。瓦体大多数是用铸铁 铸造而成,大型设备瓦体是用铸钢浇铸成的。瓦衬里是用以下儿种材料浇铸而成:
(1) 锡基巴氏合金(CuSnSbll -6),含锡80%、含镣11%、含铜6%,多用于高速重 载机械上。油田高压注水泵及大型电动机的滑动轴承都用此材料。
(2) 铅基巴氏合金(CuPbSnl6 -16 -1.8),含铅65%,含锡16%,含歸16%,含铜 1-8%,多用于轻负荷机械上,如汽车、轮船发动机上;
(3) 青铜:有磷锡青铜、锡锌青铜、铅锡青铜、铝铁青铜等。青铜耐磨性、硬度、强度 都比较好,多数用于小轴径、低负荷或低转速的机械上。
滑动轴承的主要特点如下:
工作可靠性好,运转平稳、噪声小,运转起来形成的油膜具有一定的吸震能力。承 受冲击载荷能力较大,使用周期较长,制造简便,便于维修。但结构复杂,体积较大,消 耗润滑油多,摩擦阻力大,启动时费力较大。
滑动轴承间隙规定标准见表1-7。

表1-7滑动轴承间隙规定标准
滑动轴承顶间隙标准通常采用:2d%。,其中,d为轴径,单位mm。
滑动轴承的侧间隙为顶间隙的1/2左右;轴与轴瓦的间隙,经车削后留有余量,进 行刮研,使接触点为3~4点/cn?。下部接触角度为60。~ 90。,接触面75%以上,油槽 不能轴向开通,沿内瓦面连接要圆滑。
9. 联轴器
联轴器又称联轴节、对轮、靠背轮。离心泵是通过联轴器直接与电动机连接起来 的。因此,联轴器是泵轴与原动机互相连接并传递功率的主要部件。
离心泵使用的联轴器一般是选用挠性联轴器,目的是传递功率,补偿泵轴与电机轴的相对位移,降低对联轴器安装的精确对中要求,缓和冲击,改变轴系的自振频率和避: 免危害性振动等。
常用联轴器型式有爪型弹性联轴器、弹性柱销联轴器和膜片联轴器三种。另外,还 有刚性联轴器、齿形联轴器等。
1)爪型弹性联轴器
爪型弹性联轴器又称弹性块联轴器,其结构如图1-19所示。

图1-19爪型弹性联轴器 1 一泵联轴器;2—电机联轴器;3-弹性块

图1-20弹性柱销联轴器 1 一泵侧半联轴器;2-电动机侧半联轴器; 3—柱销;4一弹性圏;5-挡圏;6-螺母;7—垫圈
它是由泵联轴器、电动机联轴器和弹性块 组成的。特点是体积小、重量轻、结构简单、安 装方便、价格低廉,常用于小功率和不太重要 的场合。爪型联轴器在小泵行业的标准代号 为B1104,其最大许用扭矩为850N • m,最大 轴径为50mm。
2)弹性柱销联轴器
弹性柱销联轴器以柱销与两半联轴器的凸 缘相连,柱销的一端以圆锥面和螺母与半联轴 器凸缘上的锥形销孔形成固定配合。另一端带 有弹性圈,装在另一半联轴器凸缘的柱销孔中, 弹性圈用橡胶制成。其结构如图1-20所示。
它主要由泵侧半联轴器、电动机侧半联轴器、柱销、弹性圈(橡胶圈)、挡圈、弹性垫片、螺母组成。其特点是:结构简单、安装方便、更换容易、尺寸小、重量轻、传动扭矩大,广泛应用于各种旋转泵中。
弹性柱销联轴器在小泵行业中的标准为B1101,其最大扭矩为8316N • m,最大轴 径为200mm。符合ISO 2858[等同于GB/T 5662—1985《轴向吸入离心泵(16bar)标记、 性能和尺寸》]的泵(如国内ISJH型泵等),可采用加长型弹性联轴器。加长弹性联轴 器在小泵行业中的标准为YB 101,其允许扭矩、最大轴径与B1101的联轴器相同,结构 如图1-21所示。

图1-21加长弹性联轴器
1 一泵侧半联轴器;2—电动机侧半联轴器;3-加长段;4 一柱销;5—弹性圈;6—挡圈;7一螺栓;8、9—螺母;10.11-垫圏
3)膜片联轴器
膜片联轴器采用一组厚度很薄的金属弹*片簧**,制成各种形状,用螺栓分别与主从动轴上 的两半联轴器连接,如图1 -22所示。它主要由半联轴器、衬套、膜片、垫圈、中间轴组成。

图1-22膜片联轴器 1、6一半联轴器;2一衬套;3—膜片;4 一垫圈;5—中间轴
膜片联轴器结构简单,不需要润滑和维护,抗高温、抗不对中性能好,可靠性高,: 传动扭矩大,但价格较高。水泵行业推荐的膜片联轴器为JM.J型接中间轴整体式膜 片联轴器,标准号为ZB/TJ19022 - 90,最大许用扭矩200000N • m,最大轴径 为 360mm。
弹性柱销联轴器和膜片联轴器的比较见表1 - 8。随着膜片联轴器生产量的上升 及成本的下降,膜片联轴器的使用量呈逐年上升趋势。

表1-8弹性柱销联轴器和膜片联轴器比较表
4) 刚性联轴器
刚性联轴器是由两个带有轮毂的圆组成。它分别安装在泵轴和电动机轴头上,用 螺栓紧固在一起,又称硬连接。使用刚性联轴器对泵轴和电动机轴同心度要求高,其端 面跳动允差很小,否则会引起很大的内应力,导致泵与电动机振动大,破坏机组的稳定 性,不能正常运转,现在很少使用。
5) 齿形联轴器
齿形联轴器一般多用于较重型的机械设备和大功率电动机。它有两个用键与两轴 相连接并带有外齿环套筒,有两个带有内齿环的外壳套,并且用螺栓将它们连在一起。 这种联轴器制造复杂,安装麻烦,维修也不太方便,目前也比较少用。
