作者介绍了基于AT89C52单片机的两相混合式步进电机控制系统的设计方案,增加了步进电机控制系统设计的灵活性。控制系统采用AT89C52单片机作为控制器,由达林顿功率管BUW49组成的双H桥式电路作为驱动器,加入按键控制及LCD1602显示。控制系统的电路结构简单、设计思路清晰。实验表明,控制系统操作简单、运行可靠,具有较强的实用性。
1 引言
作为工业领域广泛应用的控制电机,步进电机具有出色的开环性能,易于实现数字化、智能化控制。步进电机组成的控制系统具有结构简单、性能稳定、造价便宜等特点,在工业控制领域中得到了广泛的应用。单片机对步进电机的控制成本低、操作灵活,在步进电机的控制中得到了广泛的应用。本文以AT89C52单片机作为控制器设计一种新型的两相混合式步进电机的控制系统。
2 系统结构设计
控制系统主要由单片机、键盘、显示、驱动、PC上位机等5个模块组成,其中PC上位机用于编写及烧录程序。控制器通过相应的IO接口,将控制指令发送至驱动电路,可以控制步进电机的运行,完成系统的伺服控制。
控制系统可实现以下功能:(1)控制步进电机的启动和停止、运行方向、运行速度。(2)显示步进电机的运行状态、方向、转速。(3)通过软件实现细分控制。图1为控制系统总体结构图。

图1 控制系统总体结构图
3 系统硬件设计
3.1 单片机模块
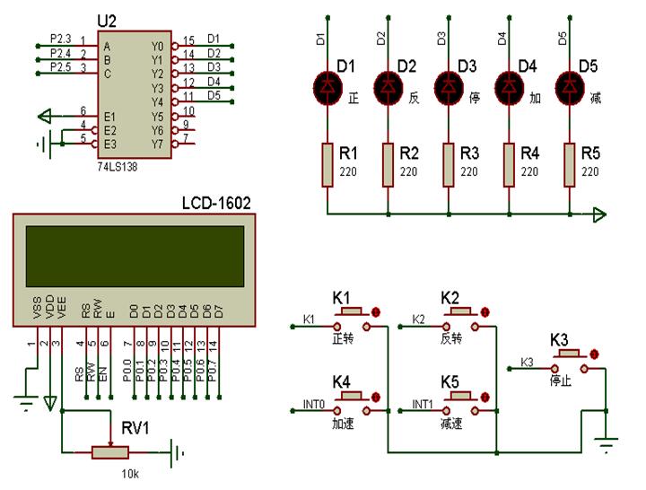
单片机模块主要由AT89C52单片机及外围滤波、电源管理、晶振和复位电路组成。AT89C52单片机具有8KB内存的可编程可擦除只读存储器,便于反复的进行程序的编写。电源管理电路提供的3.5V和5V电压分别给单片机、晶振、LED和控制电路供电。12MHZ的晶振给单片机提供时钟信号。单片机的串口用于和PC上位机的通信以及烧录软件程序。P1口控制驱动电路开关管的通断。P0和P2口控制LCD1602和LED组成的显示模块。P3口检测键盘信号及外部中断信号。
3.2 键盘及显示模块
控制系统设置了5位独立按键组成的键盘模块以及由LCD1602和5位LED组成的显示模块。通过键盘可以对步进电机进行正转、反转、加速、减速、停止功能的操作。步进电机运行时的状态信息可以通过显示模块直观的显示出来。图2为键盘及显示模块硬件原理图。
键盘模块的特点在于用单片机的两个外部中断来控制步进电机进行加、减速,即每引入一次外部中断,步进电机加/减速一次。正转、反转、停止按键分别由单片机的P3.0、P3.1、P3.4口引入。加速、减速按键分别由单片机的P3.2和P3.3口引入。
LCD1602的数据/命令选择端、读写选择端、使能信号分别接在单片机的P2.0、P2.1、P2.2口上,数据口接在单片机的P0口上。LCD1602可以显示步进电机的5种运行状态以及运行速度。5位LED通过74LS138接在单片机的P2.3—P2.5口上,5位LD分别用于表示步进电机的正转、反转、加速、减速、停止5种运行状态。

图2 键盘及显示模块硬件原理图
3.3 驱动模块
控制系统的电机驱动模块采用双极性驱动的方式。双极性驱动是指步进电机线圈中电流的流动方向不是单向的,即绕组中的电流有时沿某一方向流动,有时沿相反的方向流动。双极性驱动电路可以同时驱动四线式或六线式的两相混合式步进电机。
控制系统所选用的二相混合式步进电机工作时的额定电压为12V,绕组的阻值为1.5Ω,额定电流为8A。由于该步进电机工作时的电流较大,因此需要选择额定电流较大的功率开关管,否则步进电机工作时较大的工作电流产生的热效应极易烧毁开关管。功率开关管BUW49工作时的额定电压为80V,额定电流为30A,属于高电流型功率开关管,因此完全能够满足需要。
根据步进电机的工作原理,当控制电路给驱动电路发出相应的脉冲信号时,电机绕组的通电顺序为A+B+→A-B+→A-B-→A+B-,其4个状态按顺序进行循环,电机则正向转动。若相序变为A+B-→A-B-→A-B+→A+B+,电机则逆向转动。
因此,当单片机AT89C52的引脚P1.0至P1.7输出的脉冲时序依次为10011001→01101001→01100110→10010110时,控制各个开关管依次导通,产生相应的正向通电时序,从而驱动步进电机正向旋转。同样,当单片机的引脚输出的脉冲时序相反时,电机则反向旋转。图3为驱动电路硬件原理图。

图3 驱动电路硬件原理图
控制系统的硬件原理图由电子技术虚拟仿真软件Proteus 7.5进行仿真,仿真时两相混合式步进电机的参数按照控制系统所选用的步进电机实际参数设置。经过仿真得出该系统能够实现对步进电机的正/反转、停止、加/减速的控制,并且控制非常灵敏、工作可靠、不会出现误操作。
步进电机在运行时的运行状态、速度参数以及按键的操作状态能够以英文的形式非常直观的显示在LCD1602和5位LED上。通过分析仿真时虚拟示波器测出的A、B两相的绕组电压波形得知,步进电机在系统仿真运行的过程中具有良好的动态回应。图4为控制系统整体硬件原理图。

图4 控制系统整体硬件原理图
4 系统软件设计
4.1 步进电机工作方式
由于按双四拍方式工作时步进电机不容易失步,并且控制精度较高,因此步进电机采用双四拍的工作方式。这种工作方式每次都有两相绕组导通,两相绕组处在相同的电压之下,以A+B+→A-B+→A-B-→A+B-(或反向)方式导通。当A、B绕组完成一次通电循环以后,磁场旋转一周,转子则前进一个步距角。
4.2 运行方向控制
步进电机的运行方向由其内部绕组的通电顺序及通电方式决定。由于两相双四拍步进电机不容易失步,控制精度比较高,所以本文采用两相双四拍的工作方式对步进电机进行控制。
对于两相双四拍工作方式:
- 正向旋转:A+B+→A-B+→A-B-→A+B-
- 反向旋转:A+B-→A-B-→A-B+→A+B+
两相双四拍控制模型如表3.1所示。

表3.1 两相双四拍控制模型
4.3 运行速度控制
控制步进电机的运行速度,实际上是控制驱动脉冲的发出频率或换相周期。即在加速的过程中,使驱动脉冲的发出频率升高;在减速的过程中,使驱动脉冲的发出频率降低。对驱动脉冲频率的控制可以通过软件延时和硬件中断的方式来实现。
软件延时是指根据所需的延时时间常数编写一个延时子程序,当CPU执行延时子程序时,系统达到延时的目的。采用软件延时方式,CPU一直被占用,使得CPU的利用率降低。
可编程的硬件定时器可以对系统的时钟脉冲进行计数,计数值可以通过编程的方式设定。当计数到预定的脉冲数时,定时器产生中断信号,系统得到所需的延时时间。定时器延时可以提高CPU的利用率。
4.4 系统程序设计
系统程序设计的思想是:
- (1)对单片机进行初始化:首先应该关中断,然后对用到的一些寄存器和功能模块进行初始化,最后再开中断,并且给定步进电机的速度初值和每次加速/减速时速度变化的幅值。
- (2)调入子程序:分块调入方向、速度、键盘、显示的子程序。速度控制程序写入外部中断程序中,这样可以在不改变运动方向的前提下改变速度的参数。
- (3)等待功能按键按下:采用查询方式编写按键程序,通过按键程序扫描等待功能按键的按下。
- (4)执行按键功能:当程序检测到有按键被按下后,执行相应的功能,并且显示步进电机对应的运行状态信息。图5为系统程序结构图。

图5 系统程序结构图
5 实验验证
在实验中本系统选57HS56DF101TK-01混合式步进电机作为控制对象。该步进电机为两相四线步进电机,步距角为1.8°,额定电流为8A,静转矩为10Kg·cm。图6为控制系统实物图。

图6 控制系统实物图
实验时,测得电机绕组阻值Rs为1.5Ω,系统选择12V直流电源供电,符合步进电机的要求。图7为步进电机运行时A相的电压波形图。图8为步进电机的静态矩角特性曲线图。

图7 步进电机A相电压图

图8 步进电机矩角特性曲线图
实验结果说明,本控制系统在步进电机的运行过程中可以实现对步进电机的运行控制,改变步进电机的工作状态,控制精确,能够较好的满足工作要求。
6 结语
本文基于AT89C52单片机设计的两相混合式步进电机控制系统具有体积小、可靠性高、功能丰富、造价便宜等特点,适用范围广,具有很强的实用价值和经济价值。
(编自《电气技术》,原文标题为“基于AT89C52单片机的步进电机控制系统研究”,作者为何冲、王淑红 等。)