前言
Laser310是一台80年代左右的廉价家庭电脑,主要能执行Microsoft BASIC 2.0,这是由比尔盖茨编写并分发给众多厂商使用的编程语言。
在一些地方会有所谬误,主要是许多内容我无法在网络上查找到,只能通过推测和实验来得出结论。如果你发现漏洞,务必在评论区告诉我。
0. 少年的启蒙
从娃娃抓起,这一句话响彻祖国大江南北后,计算机启蒙运动就此展开。
背景和产品说明
80年代国内的三大微型电脑,除了最有名也最贵的Apple II之外,还有国内研发的中华学习机,以及更小众一点的长江,紫金微型机等

当然,实际上在一些学校中还有一台更加廉价的机型:Laser310

LASER在历史上生产的机型有LASER50,LASER200,LASER300,LASER305,LASER310,LASER500,LASER700等等

型号之间的差异主要在于内存和扩展能力,LASER310因为售卖较多,是其中最为广泛的型号之一。

Zilog时代最高配置的末期机型是LASER700,有着高达128KB的内存,32KB的ROM和3.7Mhz的Zilog Z80A处理器,整个系列一直都是在使用Zilog的8bit处理器。

除了三位数的型号,还有四位数型号,这时候其实就不是廉价定位了,用上了6502处理器,苹果同款。

作为Apple兼容机,Laser3000拥有高达64K的RAM,甚至可以扩展到192K,价格也不再是那么简单,它的完全版需要499美元。也因此这台机器卖的没多少。

除了LASER系列,在架构差不多情况下还开了一个新的系列叫做IQ128以及针对家庭娱乐的产品线,这就更像小时候的学习机了

这一款的产品定位是家庭电脑,在1984年生产并供应大陆,用于学校的教学使用,也用于一些培训机构和少年宫等。
LASER310主要配置
中央处理器: Zilog Z80A Z8400APS
图形芯片:摩托罗拉 68070
随机读写内存:16KB到64KB
显存:2KB HN613128P
非可失性内存:16KB
其他:一些定制IO芯片
外置存储器支持磁带和软盘,输出上支持TV用的RF信号和AV信号
作为一款学习机,Laser310的成本并不算高,位于中间水平,240法郎左右,和动辄上千美金的Apple II来说属于非常廉价的机型。
这一次 @白广大 寄给我一台Laser310,这也是我第一次上手这一台学习机,一起来看看它具体是怎么样吧。
有两个目的,一个是了解Laser310,另外我想试试看研发我之前设想的一个系统。
1. Laser310开机与拆解
Laser310具有46个按键,在这一个机身上集成了一台电脑的所有配件。

作为80年代的电脑,能看到许多当年廉价机型的典型特征,小巧的外观,紧凑的键盘排列,键帽上标注有指令,可以用Ctrl+按键快速的输入。

Laser310 的主要输出输入有四个,在一侧有三个,分别是9V,磁带接口和监视器接口

在机身的另一侧有用于连接电视的TV高频接口

背后有一个唯一的序列号,以及散热开口。

依照壳体上标注的提示,我试着给机器接上一个9V的电源,

显示器用的是一台德国的Korin单色监视器,同样是在1984年生产的。

打开开关,成功的点亮了。当然如果是日本的机型务必确定DC输入是内正外负还是内负外正。

显示器的屏幕上显示出VideoTechnology Basic V2.0 Ready

我试了一下简单的BASIC语句,可以正常的执行。

与中华学习机进行一下比较,可以发现Laser310的体积小了很多,当然按键数量和扩展性也更差一点

在厚度上也有所差异,两台机器的生产时间是差不多的。

Laser310使用的是十字轴芯,这让我想到或许可以使用现代的键帽或者把Laser310的键帽装在当今的键盘上面。

要拆它们很简单,一个芯片拔起工具就可以完成。

这些轴芯看起来略有一点特别,主要在于似乎不太能确定他们是不是机械触发结构

这些键帽我使用超声波清洁下就捞起来了

因为他们并没有显示出严重的污渍,所以仅经过一次清洁剂处理。

拔掉所有的键帽后我将机器拆成了两份,和一些早期时候的微型电脑所不同的是,它有一个屏蔽壳的设计。

右上角有散热片,长长的延伸到7805降压芯片那边。

我用吸尘器把内里的灰尘给清洁了一下,因为本身散热开孔不多所以内里的灰尘其实也很少。

接下来拆这个键盘,过不如其然,键盘打开后是现在已经在玩家中比较少见的薄膜键盘,不过我一直以为薄膜键盘应该是1995年以后的产物,这一点倒是刷新了我的认知。

而在薄膜的下方可以看到一个个轴芯。

薄膜上有一些黏着的灰尘,处理很简单,直接冲水就好了。

屏蔽壳看起来已经被拆过一次了,所以我很简单的就把它卸载了下来,底部金属层和上层铝壳居然是使用多股铝线连接的(圈起来位置)。

来看看主板,整个布线其实我觉得是比较规整的,分区明确,设计成熟。

在最右侧的是RAM,这一台机器共有8个4116 DRAM芯片组成了运行所需的RAM(可以外置扩展)

RAM型号TMM416P-3,来自于日本的东芝。

我把芯片进行了标注,定制芯片主要是负责IO上的处理,比如说键盘的识别,比如说把ROM装载到内存,还有控制中央处理器运算等。这个电脑的程序主要保存在HN613128里面,这是一个48K的ROM,ZX SPECTRUM(另一种家用微机)的同款。

从硬件来说,Laser310和Laser200的存在一些差异,这主要体现的是内存分配上。

虽然说操作起来差不多,但是实际上,从下面的内存分布可以看出Laser310的用户可用内存(User RAM)会多10KB这样。

在拧下固定主板的螺丝后,我得以将这一个全盘拿出。

在外置接口的金手指部分,还有黑色的PVC薄片,起到一个防尘的作用。

虽然看着有一些锈迹,但这台电脑壳体的完整性是没问题的,浮锈用砂纸打磨后去除。

可以看到底部有很多额外增加的元器件,有些电阻器还用套管保护好

我一开始以为是有人维修过这一台机器,后面发现这其实是官方所为,这是VTech给Laser310打的硬件补丁,用于修复设计上的漏洞,只是增加这么多我是第一次见到。

蓝色线缆连接的是蜂鸣器,可以看到在焊锡层表面覆盖的绿油都呈现剥离的状态,轻轻一抠能下来。

当然这一台机器确实是经过改装的,增加这样的一个3.5耳机孔,与蜂鸣器并联。

在背面还有这样的一个开关,特意的打胶,这一个开关的用途是切换显示模式,Laser310支持高分辨率4色或者低分辨率8色这两种显示模式,这一功能听说Apple II也有。

重新组装后,接上电源,插到显示器,这样一台机就可以使用了。为了保护眼睛我后面还是使用LCD显示屏。

从手感上来说,Laser310的体验肯定不如使用机械按键的其他产品,因为它使用的是薄膜键盘而不是机械按键,这项技术在90年代前后因为轻薄特点所以曾经在廉价款上风靡一时。

当然了,除了使用键盘输入外,我们还有一些老办法来传输游戏或者代码,比如说使用传统的录音机,我买了一款夏普的CE-152,同样是80年代的产品,这个东西的我会以后会用视频进行说明。

但是我虽然买了录音机,却发现录音机的兼容性和稳定性都有点差,比如磁带的旋转速度不定导致输出的数据波形不稳,Laser310也就不能很好识别。

尽管我已经试着用了恒定1.5V输出电池以及外接电源两种方法,但这个操作最终作罢,当然其中还有一些探究操作我会在其他文章或视频中说明。

所以因此最终还是用手机来传送数据,具体的实现过程可以看我的视频,其中用到了同好 @张浩斌 在二十多年前写的代码的音频文件。

https://www.bilibili.com/video/BV1g64y1o7nM/
2. 一个尝试:键盘人偶系统
第一次构想这一个装置的时候,是在中华学习机那边,因为大部分的代码要手工输入实在太繁琐,我就想或许我可以做一个控制器,通过电路来操作键盘,模拟键盘输入,那么使用现代的手机,电脑就可以简单的输入几百行的BASIC代码了,而不用使用自带的早期键盘。

在下方的这一些电阻就是键盘的输入部分,也是我想要操刀的位置

一开始,我是在键盘上焊接了一些排针后面发现直接在主板上面焊接会更有用一点。

这个键盘是矩阵键盘,然后是6*8的矩阵,也就是理论设计上会有48个按键,当然实际使用到的按键为46个

在测试时候总觉得不对劲,比如说测出来的信号跳动的厉害,8个二极管测出的都是有规律但又很混乱的脉冲,这种情况有两种可能,第一种可能是我的仪表不行,还有一种可能这个键盘扫描的设计就是这样子。

最后测来测去我发现就是这样,然后我就试着模拟信号看看能不能用方波来实现和主机提供的模拟信号一样的效果,最终在一个脚位测出来4个字母,而其他的完全不能实现。

实验后,最终的结论:这个键盘是用模拟信号来扫描键盘从而实现按键功能的!这一点和现代键盘以及其他的键盘扫描有极大的不同。

本来以为用数字信号介入就可以,这一下只能搞复杂点,要用某种设计来模仿所有的48个按键,于是就有了这一个电路。

它本身就是一个软开关这样,我使用两个CH423芯片控制12个CD4066BM芯片,从而实现控制所有按键,后面这个CD4066芯片可以双向控制两条线的连接或者断开。

几天后,我收到了设计的电路,他的样子我个人还是很满意的,因为是打样所以我没有把控制器焊死在板子上。

接着就是测试以及软件的编写,很顺利,板子看起来一步到位,引脚输出都很正常。在软件功能上,策划的功能除了一开始的串口控制,还加了自动输入,比如我内置了一个打蜜蜂游戏的代码,按下按键后会自动“*放播**“设定好的按键,把代码输入到Laser310。

虽然想的很好,但这一个设计最终没能正常的实现。
原因是即使已经是现代芯片,但CD4066的电阻还是有几十欧姆,在试着接到了Laser310上面后,估计是因为这个机器用于判断键盘按键按下的芯片的输出功率太小(就是刚刚那些波形),所以这小小的几十欧姆就让波形不能正常传输了,也就导致整个键盘人偶系统不能按照预期那样工作。

后面我又想了一点方法比如使用固态继电器,结果焦急的买了几十个后发现参数看错,驱动电压要12V。
所以这一个系统虽然理论可行,但要有满足超低电阻和没有电磁感应的电控开关方案,它才能实现,另外不是单纯的接高电平或者低电平,所以硬件难度比较大。如果知道如何解决,期待您在评论区提出。
3. 关于Laser310的记忆
Laser310的资料已经曝光的够多,但是有一些内容还不够详尽,比如这样的一台机器在三十多年前是怎么样的一个地位?除此外还有许多问题,我很难在现有的网络上查找到,那不如去询问一下曾经使用过它的人们
这一次我采访了两位在当年使用过Laser310的朋友,一位是 @白广大,一位是 @拼命玩三郎,这里要感谢 @高绪博 的辅助。
下文中的附图为后期追加,方便阅读。
白广大对Laser310的回忆
Laser310是小学的时候,在小学二三年级这样的时候使用的,当时的小学有计算机室,供兴趣爱好小组的活动使用。

现在想起来这个应该是因为Laser310较为便宜所以应用得多,当时我们小学里还有一台Apple II,带外置的磁盘驱动器。

当时Apple II 是黑白显示器,而这个Laser310 是个绿显,在计算机室里有十几台,时间大概是1987-88年的样子。

我们当时就是在这个机器上学习BASIC,因为当时还没有汉卡的说法,计算机是不能输入汉字的,所以当时先从BASIC命令学起,然后会学LOGO,用海龟作图的玩法。

有小学的BASIC教程课本,后来进阶的小孩会使用这个编制一些简单的程序,呈现一幅图像,再复杂的应用其实并不是特别多,因为现在想来这个机器的能力很有限
Apple II 只有老师会用,有时候老师来了兴致会接上磁盘驱动器演示几个游戏,但年代久远已经忘记了是什么游戏了,残存的回忆里感觉像是马力欧兄弟一代那种,就是水管顶乌龟。

和Apple II相比,当时310没有接磁带机,可能是因为磁带机比较贵的关系,我第一次见到磁带机是在90年,当时的银行使用磁带机,有人带小学生去参观看到的,银行应该用的是IBM PC XT
还演示过文本输入,当时还有自然码、四角码,四角码就是四个数字定义一个汉字这样的,大概是为了便于银行的工作人员快速录入。后来学习五笔都是上初中之后,大概是93年左右

小学的时候我见到的只有Laser310,部分很有门路或者很有钱的人家里有中华学习机,但只见过一两次,学习机的门槛比8位任天堂可高多了。
初中再学习的时候可选择空间就宽广了一些,有XT/AT,也有286,老师用的是386彩色显示器了

Apple II应该是见过比较高端的型号了,而初代麦金塔我小时是没有见过的
问:这种电脑当年在哪边会卖呢?
我的猜想,是猜想啊,因为80年代港台是芯片和兼容机Dump的重灾区,所以很多芯片除了台产之外会流入香港,然后在香港组装成兼容机,再由港商带到大陆来贩卖,其实有点类似于“小天才”“胜天”和“任天堂”的关系了,就是直接扒过来后换个生产代号。
和vz300比较,laser310总体布局基本是一致了
在中小学教学的话,这种应该就是各城市的教委统一采购,或者省里下发指标然后去采购这样,至于Apple的话我觉得大概率就是原品了
后面到了IBM兼容机的时代差不多就是90年代前中期,到了97年我已经自己会装机了,所以在那之后就是小事
拼命玩三郎和Laser310有关的记忆
当年第一次接触是小学,印象是小学五年级,但不是学校课程是家里买的。具体来源不记得了,但肯定不是百货商场。可能是广州的某些电脑店。
前因后果是:哥哥在中学有计算机课,进了计算机兴趣小组。他们在学校用的是 Apple II 的兼容机,为了方便在家学习,也想买一台电脑。但是兼容机太贵,就退而求其次买了 Laser 310。

和Apple ii相比,内存、显示分辨率,运行速度上都有很大差别,就是低一档。另外就是 Basic 语言上,一些指令没有,但具体是哪些,我就不记得了。所以,在书上看到的一些稍微复杂的 Apple II 的 Basic 程序,敲进去不能直接运行。


Laser 310 是我看到的第一个电脑,第一次见到,心情新奇。发现自己可以控制屏幕显示的内容,很兴奋(就是自己敲键盘,字可以在屏幕上显示)

后来自己看书,学会了编程(哥哥也有给一些指导),到后来可以自己编写一些小游戏的程度。印象最深的是一个平台跳跃的游戏,可以自己生产随机关卡,一层一层的往上跳。
一开始,没有存储设备,每次程序都要重新输入。后来买了一个录音机,可以把程序保存到磁带了。

当时用磁带存储程序,觉得很神奇。因为录音机不是原配的,要调节好音量才能正常读取程序,太大不行,太小也不行,调试了很久。录音机外形是那种砖头机,国产的。

那时候第一次觉得录音机上的数字记录有用,就是那个 999 的东西。用来定位程序。其实定位歌曲也是可以的,不过小时候没怎么用,哈哈哈。

后来,哥哥还在旧货市场,买了一个破烂的绘图仪,自己修好了,还可以打印一些图案,很有意思。我今年也买回这些外设了,包括绘图仪和磁碟机,但是没有去试用,摆设为主。
Laser 310,键盘上有可以直接输入一些格子符号,用来在文本状态下拼出一些图案,不过当年没有什么概念,自己拼不出什么东西,长大了才明白。

见过一些用这些图案(制表符)拼出的游戏,统计程序,当时觉得很华丽,很神奇。可以用来画表格,也可以用来画图形。文本状态的处理速度比绘图状态高,可以实现一些动画效果。

玩过一个在文本状态下的飞机游戏,其实就是用图形拼出机尾的图案,现在想来很粗糙,但是当时觉得惊为天人。还有一个就是在绘图状态下的游戏,控制大炮打掉飞过的飞机。

当时很郁闷,因为游戏是用汇编写的,尽管自己能想到怎样通过 Basic 实现,但是运行速度太慢,根本玩不了。

汇编是通过 POKE语句输入的,就是直接修改内存地址的数据,当时不理解,现在能明白。(附图,VZ300地址和功能对应表)

C64没有手册,连怎么进绘图模式都不会,本身连绘图语句都没有提供,从现在的角度,实在玩不进去,要重新学poke 那些指令,成本太高了。我在美国出差的时候,扛了一个C64回来,哈哈哈。
Laser 310,中华学习机,基本语句算很完整的,适合学习,所以教育部门才会推广,我用过其他同期的机器,这两个的确是最好的,其他都各种奇奇怪怪问题,很不友好。

我当年还在 LASER 310 上做过弹珠游戏,特别容易写。或者叫打砖块

采访后记
白广大的知识面非常广,聊的非常愉快,作为有着长久且丰富经验的玩家,对曾经和现在的产品都有很独到的见解。在Laser310话题之后,我们又聊了许多与日产PC,IBM笔记本,轨迹球,黑苹果等相关的内容,此外还说了一些存储技术比如说磁光盘、压缩软盘等。
拼命玩三郎很精确的描绘了一副早前时候使用这类电脑学习的场景和画面,从中感受到Laser310在那会的地位以及使用环境,此外还延伸到一台欧美比较常见但亚洲罕见的机型——Commodore 64.
“Laser 310,Apple II 还是比较好的,基础 BASIC 语句还算够用。最神奇是 Commodore 64,销量这么大的电脑,竟然 BASIC 语句都不全,很多靠 POKE 的奇技淫巧。包括修改背景颜色什么的,都是靠 POKE 实现,因为系统本身没有提供对应的 BASIC 语句。“
非常愉快的一次交流,特别感谢他们的分享。
4. 一些资料和教程
Laser310在网络上的的相关资料其实没多少,不过因为本来就是VZ200和VZ300这样的两台机型的香港制造版本,所以找VZ300的资料也可以用于Laser310.


即使说是在国家图书馆中搜索,也仅仅只有几篇文章,时间分布为1984到1992年之间,然后一些书籍没有数字版,除非再去一次北京借阅并拍摄才行。


有些虽然是有数字版,却有一个馆内限制,无法在外网上查阅,这种我个人不是非常能理解。
但是百度一下就有了,也是很迷惑。当然我依然发现了许多的玩法,都很有意思,或许有时间我可以尝试一下。

顺着我找到了80年左右的编程杂志,这一本杂志名称叫LEVZ,是针对澳版的VZ200和VZ300机型的。

看得出来,要在Laser310这种没有支持海龟语言的电脑上画图,难度还是不小的,你要把这一堆代码一个一个输入进去。

在查询资料时候,我还找到了1990年左右的一张价格表,这里说明了北京市两家店登刊售卖家庭电脑的价格,主要是中华学习机。

内存扩展卡
除此外还找到了内存扩展卡的资料,这一文章说明了几种Laser310可用的扩展内存方案,有着简明的电路原理图,还有使用方法。

内存扩展卡是用SRAM组成的,通过背面的44 Pin 接口实现连接,这一篇文章还很有意思的提及了一个通过Laser310把资料调入任天堂游戏机(大概率就是FC)的操作。

根据资料,这些扩展内存在加上后最多可以扩展18K的RAM,这是因为Z80的寻址只有64K这样,原装情况下已经使用掉了48K的地址。

因为很感兴趣,这个设计我就去试着复现了,虽然需要的元件都很老旧了,但目前还是有机会在淘宝上采购到:
l 若干的电容器
l 44Pin 2.54mm金手指连接器
l HM62256 RAM芯片
l 74LS08P
l 74HC139N

我还顺带的买了一个紫外线擦除的存储器,EPROM。
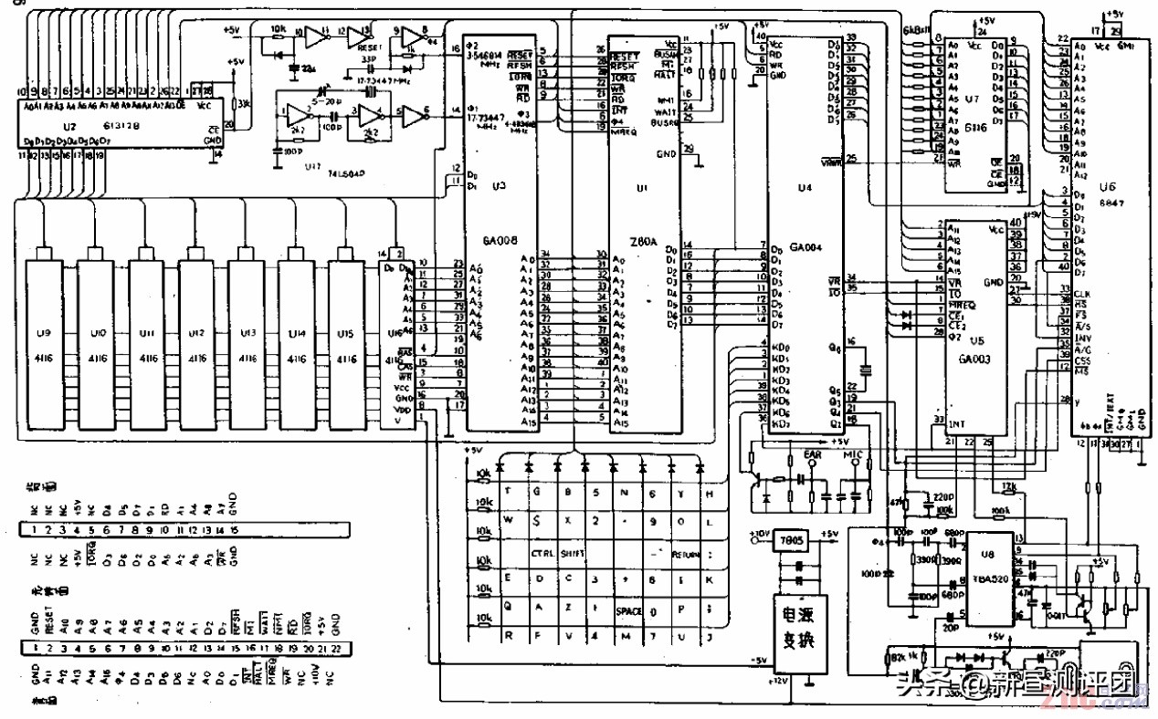
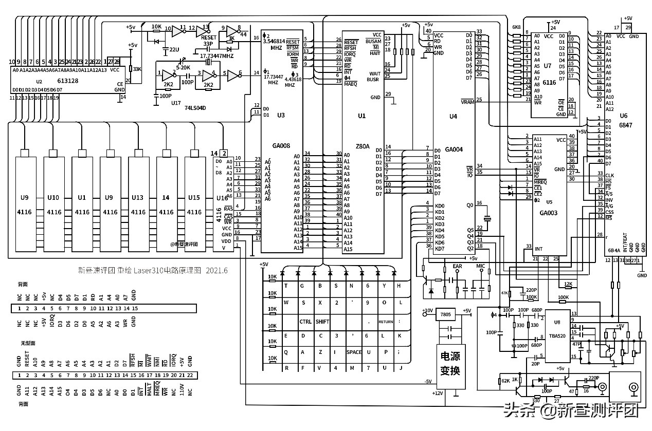
Laser310原理图的重绘
这一台的电路图在前面我有展示过,我也是在国内网站上找到,感谢无偿电子化以及分享它的前辈们。

虽然在屏幕上还算能辨识,但是当我试着打印出来后发现,这个实在是不清晰,字形模糊看的非常辛苦。

那这下的话就需要整一个清晰点的图,是否有什么简单的PS的方法?我想了一会没想到,一笔一笔重新临摹一遍吧。

重新绘制的流程视频:
https://www.bilibili.com/video/BV1o64y167yq/
http://messui.polygonal-moogle.com/comp/vz200/vz300_trm.pdf 技术手册
http://www.vz200.org/bushy/ 和VZ200有关的资料,编程杂志影印
https://www.cnblogs.com/zfyouxi/p/4202233.html 对laser200/310 的介绍
https://m.doc88.com/p-3015598678503.html 关于Laser310扩展ramhttps://datasheetspdf.com/datasheet/HN613128P.html HN613128P ROM 数据手册
http://www.utorec.com/dv-5-001/uwp-001/uwp-106.htm 关于laser310简介和外设
https://github.com/cwahlmann/vz200-remake VZ200重制版,开源工程