别克昂科威保险杠拆与装视频 (别克昂科威拆除保险杠)

别克昂科威前保险杠灯拆装,别克昂科威仪表显示侧面探测维修

车辆信息

车型:别克昂科威

年份:2015

故障现象:车辆拆卸前保险杠喷漆后,仪表提示侧面探测系统故障。

别克昂科威前保险杠灯拆装,别克昂科威仪表显示侧面探测维修

别克昂科威前保险杠灯拆装,别克昂科威仪表显示侧面探测维修

故障排除:

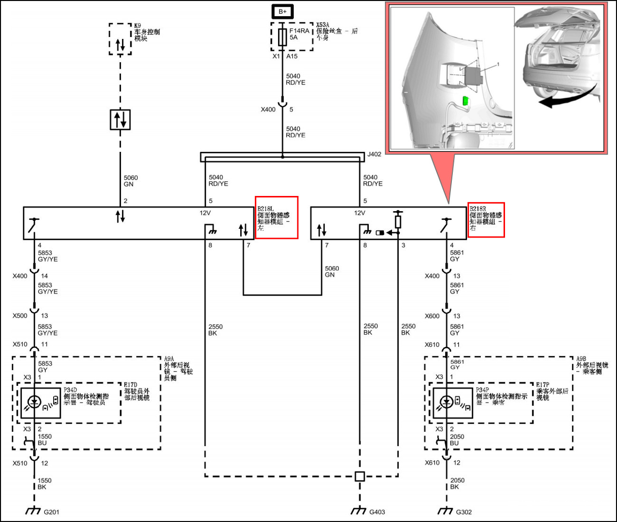
1、根据故障码初步判断可能是右侧物体检测控制模块损坏或其线路故障。

别克昂科威前保险杠灯拆装,别克昂科威仪表显示侧面探测维修

2、参考相关资料,拆检右侧物体检测控制模块,测量电源、接地及信号线都无异常。

3、更换右侧物体检测模块(B218R),更换需要对侧面物体检测控制模块重新编程,B218R是无法单独编程的,需要从左侧物体检测控制(B218L)模块开始编程,编程过程中要确保车辆电量充足、电压稳定,编程中途中断或电压不稳都可能会损坏B218L和B218R模块。

4、更换B218R重新编程后,故障排除。

别克昂科威前保险杠灯拆装,别克昂科威仪表显示侧面探测维修

本文由汽修虾原创,欢迎关注,为你分享更多汽车维修实战案例!

奔驰GLE320:空调出风口风向无法调节「维修案例」 ​

宝马B38、B48、B58发动机:减震器/曲轴皮带轮发生断裂

奔驰GLE320:空调出风口风向无法调节「维修案例」