一、表面粗糙度的概念
表面粗糙度是指加工表面具有的较小间距和微小峰谷的不平度。其两波峰或两波谷之间的距离(波距)很小(在1mm以下),它属于微观几何形状误差。
具体指微小峰谷Z高低程度和间距S状况。一般按S分:
- S<1mm 为表面粗糙度;
- 1≤S≤10mm为波纹度;
- S>10mm为 f 形状。

二、 VDI3400、Ra、Rmax对照表
国家标准规定常用三个指标来评定表面粗糙度(单位为μm):轮廓的平均算术偏差Ra、不平度平均高度Rz和最大高度Ry。在实际生产中多用Ra指标。轮廓的最大微观高度偏差Ry在日本等国常用Rmax符号来表示,欧美常用VDI指标。下面为VDI3400、Ra、Rmax对照表。加小编微信AMTForum,拉您入群学习。


三、表面粗糙度形成因素
表面粗糙度一般是由所采用的加工方法和其他因素所形成的,例如加工过程中刀具与零件表面间的摩擦、切屑分离时表面层金属的塑性变形以及工艺系统中的高频振动、电加工的放电凹坑等。由于加工方法和工件材料的不同,被加工表面留下痕迹的深浅、疏密、形状和纹理都有差别。

四、表面粗糙度对零件的影响主要表现
影响耐磨性。表面越粗糙,配合表面间的有效接触面积越小,压强越大,摩擦阻力越大,磨损就越快。
影响配合的稳定性。对间隙配合来说,表面越粗糙,就越易磨损,使工作过程中间隙逐渐增大;对过盈配合来说,由于装配时将微观凸峰挤平,减小了实际有效过盈,降低了连接强度。
影响疲劳强度。粗糙零件的表面存在较大的波谷,它们像尖角缺口和裂纹一样,对应力集中很敏感,从而影响零件的疲劳强度。
影响耐腐蚀性。粗糙的零件表面,易使腐蚀性气体或液体通过表面的微观凹谷渗入到金属内层,导致表面腐蚀。
影响密封性。粗糙的表面之间无法严密地贴合,气体或液体通过接触面间的缝隙渗漏。
影响接触刚度。接触刚度是零件结合面在外力作用下,抵抗接触变形的能力。机器的刚度在很大程度上取决于各零件之间的接触刚度。
影响测量精度。零件被测表面和测量工具测量面的表面粗糙度都会直接影响测量的精度,尤其是在精密测量时。
此外,表面粗糙度对零件的镀涂层、导热性和接触电阻、反射能力和辐射性能、液体和气体流动的阻力、导体表面电流的流通等都会有不同程度的影响。
五、表面粗糙度评定依据
1. 取样长度
取样长度是评定表面粗糙度岁规定一段基准线长度。应根据零件实际表面的形成情况及纹理特征,选取能折射表面粗糙度特征的那一段长度,量取取样长度时应根据实际表面轮廓的总的走向进行。规定和选择取样长度是为了限制和减弱表面波纹度和形状误差对表面粗糙度的测量结果的影响。
2. 评定长度
评定长度是评定轮廓所必须的一段长度,它可包括一个或几个取样长度。由于零件表面各部分的表面粗糙度不一定很均匀,在一个取样长度上往往不能合理地折射某一表面粗糙度特征,故需在表面上取几个取样长度来评定表面粗糙度。评定长度一般包含5个取样长度。
3. 基准线
基准线是用以评定表面粗糙度参数的轮廓中线 。基准线有两种:轮廓的最小二乘中线:在取样长度内,轮廓线上各点的轮廓偏距的平方和为最小,具有几何轮廓形状。轮廓的算术平均中线:在取样长度内,中线上下两边轮廓的面积相等。理论上最小二乘中线是理想的基准线,但在实际应用中很难获得,因此一般用轮廓的算术平均中线代替,且测量时可用一根位置近似的直线代替。
六、表面粗糙度评定参数
1. 高度特征参数
Ra 轮廓算术平均偏差:在取样长度(lr)内轮廓偏距绝对值的算术平均值。在实际测量中,测量点的数目越多,Ra越准确。
Rz 轮廓最大高度:轮廓峰顶线和谷底线之间的距离。
在幅度参数常用范围内优先选用Ra 。在2006年以前国家标准中还有一个评定参数为“微观不平度十点高度”用Rz表示,轮廓最大高度用Ry表示,在2006年以后国家标准中取消了微观不平度十点高度,采用Rz表示轮廓最大高度。

2. 间距特征参数
Rsm 轮廓单元的平均宽度。在取样长度内,轮廓微观不平度间距的平均值。微观不平度间距是指轮廓峰和相邻的轮廓谷在中线上的一段长度。相同的Ra值的情况下,其Rsm值不一定相同,因此折射出来的纹理也会不相同,重视纹理的表面通常会关注Ra与Rsm这两个指标。

Rmr 形状特征参数用轮廓支承长度率表示,是轮廓支撑长度与取样长度的比值。轮廓支承长度是取样长度内,平行于中线且与轮廓峰顶线相距为c的直线与轮廓相截所得到的各段截线长度之和。

七、表面粗糙度测量方法
1. 比较法
使用于车间现场测量,常用于中等或较粗糙表面的测量。方法是将被测量表面与标有一定数值的粗糙度样板比较来确定被测表面粗糙度数值的方法。
2. 触针法
表面粗糙度利用针尖曲率半径为2微米左右的金刚石触针沿被测表面缓慢滑行,金刚石触针的上下位移量由电学式长度传感器转换为电信号,经放大、滤波、计算后由显示仪表指示出表面粗糙度数值,也可用记录器记录被测截面轮廓曲线。一般将仅能显示表面粗糙度数值的测量工具称为表面粗糙度测量仪,同时能记录表面轮廓曲线的称为表面粗糙度轮廓仪。这两种测量工具都有电子计算电路或电子计算机,它能自动计算出轮廓算术平均偏差Ra,微观不平度十点高度Rz,轮廓最大高度Ry和其他多种评定参数,测量效率高,适用于测量Ra为0.025~6.3微米的表面粗糙度。

表面粗糙度100个问与答,别以为很简单!
1. 什么称为表面粗糙度?
答:表面粗糙度是指零件加工表面上具有的由较小间距和峰谷所组成的微观几何形状特征。它是一种微观几何形状误差。
2. 表面粗糙度如何产生?
答:零件经切削加工或其他方法所形成的表面,由于加工中的材料塑性变形、机械振动、摩擦等原因,总是存在着几何形状误差。
3. 表面粗糙度对零件有什么影响?
答:表面粗糙度对零件的摩擦和磨损、疲劳强度、抗腐蚀性及零件间的配合性质等都有重要的影响。
4. 目前我国的“表面粗糙度”国家标准主要有哪些?
答:GB/T 3505 2000 表面粗糙度术语表面及其参数;
GB/T 1031-1995 表面粗糙度参数及其数值;
GB/T 131-1993 机械制图表面粗糙度符号、代号及其注法。
5. 什么称为实际轮廓?
答:是平面与实际表面相交所得的轮廓线。按照相截方向的不同,它又可分为横向实际轮廓和纵向实际轮廓。在评定和测量表面粗糙度时,除特殊指明,通常均按横向实际轮廓,即与加工纹理方向垂直的截面上的轮廓。
6. 什么称为取样长度?
答:用于判别具有表面粗糙度特征的一段基准线长度。表面越粗糙,取样长度就应越大。规定取样长度是为了限制和减弱其他几何形状误差对表面粗糙度测量结果的影响。在取样长度范围内,一般包括5个以上的轮廓峰与轮廓谷。取样长度的选用值见GB/T 1031-1995 表面粗糙度参数及其数值。
7. 什么称为评定长度?
答:是用以评定轮廓所必需的一段长度,可包括一个或几个取样长度。由于零件表面加工存在不均匀性,为了充分合理地折射被测表面的粗糙度特征,需要用几个取样长度来评定。评定长度的选用值见GB/T 1031-1995 表面粗糙度参数及其数值。
8. 什么称为基准线?
答:评定表面粗糙度参数数值大小的一条参考线称为基准线。基准线有两种:轮廓最小二乘中线和轮廓算术平均中线。
9.什么称为轮廓最小二乘中线?
答:轮廓的最小二乘中线是在取样长度内,使轮廓上各点轮廓偏距的平方和为最小的线。
10.什么称为轮廓算术平均中线?
答:轮廓的算术平均中线是在取样长度内,划分实际轮廓为上、下两部分,且使上、下面积相等的线。
11.基本评定参数为哪些?
答:三项高度参数为基本评定参数,即轮廓算术平均偏差(Ra)、微观不平度十点高度(Rz)和轮廓最大高度(Ry);另三项为附加评定参数,即轮廓微观不平度的平均间距(Sm)、轮廓单峰平均间距(S)和轮廓支承长度率(tP)。
12.什么称为轮廓算术平均偏差(Ra)?
答:在取样长度内,被测轮廓上各点至轮廓中线距离绝对值的算术平均值,Ra值越大,则表面越粗糙。Ra能客观地折射被测轮廓的几何特性。Ra值可用电动轮廓仪直接测量,但不够直观。
13.什么称为微观不平度十点高度(Rz)?
答:在取样长度内,5个最大的轮廓峰高的平均值与5个最大谷深的平均值之和。Rz数值越大,表面也越粗糙。Rz用于评定表面粗糙度高度参数有较好的直观性,易在光学仪器上测量,但折射被测轮廓几何形状特性有局限性。
14.什么称为轮廓最大高度(Ry)?
答:在取样长度内,轮廓的峰顶线和谷底线之间的距离。峰顶线和谷底线分别指在取样长度内,平行于中线且通过轮廓最高点和最低点的线。参数Ry,测量简单,当被测表面很小,不适宜采用Rz,Rz评定时,可采用Ry。
15.表面粗糙度高度评定参数(Ra、Rz、Ry))的允许值如何确定?
答:见GB/T 1031-1995 表面粗糙度参数及其数值。
16.表面粗糙度的符号、代号为

时,它的意义是什么?
答:基本符号、表示表面可用任何方法获得。当不加粗糙度参数值或有关说明(例如:表面处理、局部热处理状况等)时,仅适用于简化代号标注。
17.表面粗糙度的符号、代号为

时,它的意义是什么?
答:基本符号加一短划,表示表面是用去除材料的方法获得。例如:车、铣、钻、磨、剪切、抛光、腐蚀、电火花加工、气割等。
18.表面粗糙度的符号、代号为

时,它的意义是什么?
答:基本符号加一小圈,表示表面是用不去除材料的方法获得。例如:铸、锻、冲压变形、热轧、冷轧、粉末冶金等。或者是用于保持原供应状况的表面(包括保持上道工序的状况)。
19.表面粗糙度的符号、代号为

时,它的意义是什么?
答:用任伺方法获得的表面粗糙度,Ra的上限值为3.2μm。
20.表面粗糙度的符号、代号为

时,它的意义是什么?
答:用去除材料方法获得的表面粗糙度,Ra的上限值为3.2μm。
21.表面粗糙度的符号、代号为

时,它的意义是什么?
答:用不去除材料方法获得的表面粗糙度,Ra的上限值为3.2μm。
22.表面粗糙度的符号、代号为

时,它的意义是什么?
答:用去除材料方法获得的表面粗糙度,Ra的上限值为3.2μm,Ra的下限值为1.6μm。
23.表面粗糙度的符号、代号为

时,它的意义是什么?
答:用任伺方法获得的表面粗糙度,Ry的上限值为3.2μm。
24.表面粗糙度的符号、代号为

时,它的意义是什么?
答:用不去除材料方法获得的表面粗糙度,Rz的上限值为200μm。
25.表面粗糙度的符号、代号为

时,它的意义是什么?
答:用去除材料方法获得的表面粗糙度,Rz的上限值为3.2μm,Rz的下限值为1.6μm。
26.表面粗糙度的符号、代号为

时,它的意义是什么?
答:用去除材料方法获得的表面粗糙度,Ry的上限值为3.2μm,Ry的下限值为12.5μm。
27.表面粗糙度标注时要注意哪些?
答:高度参数选用Ra时,标注时可省略其代号,选用Ry、Rz时,代号不能省略。
图样上给定的表面粗糙度代号是对完工后的表面要求,一般只需注出符号及参数允许值即可。如对零件表面功能有特殊要求(加工纹理、加工余量等附加要求),可在基本符号周围可标注有关的参数或代(符)号。
28.表面粗糙度符号如何画法?
答:见图1

图1
d’ =h/10;H=1.4h;h为字体高度
29.表面粗糙度标注方法有哪些?示例1
答:见图2

图2
表面粗糙度代(符)号应注在可见轮廓线、尺寸线、尺寸界线或它们的延长线上。符号的尖端必须从材料外指向表面。
30.表面粗糙度标注方法有哪些?示例2
答:见图3

图3
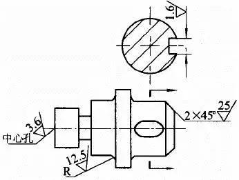
中心孔工作表面、键槽工作面、倒角、圆角的表面,可以简化标注。
31.表面粗糙度标注方法有哪些?示例3
答:见图4

图4
齿轮、渐开线花键、螺纹等工作表面没有画出齿(牙)形时的标注方法。
32.表面粗糙度标注方法有哪些?示例4
答:见图5

图5
同一表面有不同的表面粗糙度要求时,须用细实线画出其分界线,并注出相应的表面粗糙度的符号和尺寸。
33.表面粗糙度标注方法有哪些?示例5
答:见图6

图6
需要表示局部热处理或局部镀涂时,应用粗点划线画出其范围并标注相应的尺寸,也可将其要求注写在表面粗糙度符号内。
34.表面粗糙度标注方法有哪些?示例6
答:见图7

图7
零件连续表面及重复要素(孔、槽、齿……等)的表面和用细实线联接不连续的一表面,其代(符)号只标注一次。
35.表面粗糙度标注方法有哪些?示例7
答:见图8

图8
零件大部分表面要求相同时,在右上角统一标注,并加注“其余”二字。为了简化标注,或位置受到限制时,可标注简化代号,也可采用省略注法,但必须在标题栏附近说明这些简化代(符)号的意义。采用统一标注和简化标注时,其代号和文字说明均应是图形上其它表面所注代号和文字的1.4倍。
36.表面粗糙度参数和各项规定注写的位置如何规定?
答:见图9

图9
37.表面粗糙度如何选择?
答:表面粗糙度的选择既要满足零件表面的使用功能要求,又要考虑加工的经济性。
38.用类比法确定表面粗糙度时,对高度参数一般按哪些原则选择?
答:同一零件上,工作表面的表面粗糙度值应小于非工作表面。摩擦表面的表面粗糙度值应小于非摩擦表面;滚动摩擦表面的表面粗糙度值应小于滑动摩擦表面;运动速度高、单位压力大的表面粗糙度值应小。受循环载荷的表面及易引起应力集中的部位(如圆角、沟槽)表面粗糙度值应选得小些。配合性质要求高的结合表面,配合间隙小的配合表面以及要求连接可靠,受重载的过盈配合表面等都应取较小的表面粗糙度值。配合性质相同,零件尺寸越小,其表面粗糙度值应越小。同一精度等级,小尺寸比大尺寸、轴比孔的表面粗糙度值要小。对于配合表面,其尺寸公差、形状公差、表面粗糙度应当协凋,一般情况下有一定的对应关系。
39.表面粗糙度Ra为50-100μm时,表面形状什么特征,如何应用?
答:表面形状特征为明显可见刀痕,应用于粗造的加工面,一般很少采用。铸、锻、气割毛坯可达此要求。
40.表面粗糙度Ra为25μm时,表面形状什么特征,如何应用?
答:表面形状特征为可见刀痕,应用于粗造的加工面,一般很少采用。铸、锻、气割毛坯可达此要求。
41.表面粗糙度Ra为12.5μm时,表面形状什么特征,如何应用?
答:表面形状特征为微见刀痕, 应用于粗加工表面比较精确的一级,应用范围较广,如轴端面、倒角、螺钉孔和铆钉孔的表面、垫圈的接触面等。
42.表面粗糙度Ra为6.3μm时,表面形状什么特征,如何应用?
答:表面形状特征为可见加工痕迹,应用于半粗加工面,支架、箱体、离合器、皮带轮侧面、凸轮侧面等非接触的自由表面,与螺栓头和铆钉头相接触的表面,所有轴和孔的退刀槽,一般遮板的结合面等。
43.表面粗糙度Ra为3.2μm时,表面形状什么特征,如何应用?
答:表面形状特征为微见加工痕迹,应用于半精加工面,箱体、支架、盖面、套筒等和其他零件连接而没有配合要求的表面,需要发蓝的表面,需要滚花的预先加工面,主轴非接触的全部外表面等。是车削等基本切削加工方法较为经济地达到的表面粗糙度值。
44.表面粗糙度Ra为1.6μm时,表面形状什么特征,如何应用?
答:表面形状特征为看不清加工痕迹,应用于表面质量要求较高的表面,中型机床工作台面(普通精度),组合机床主轴箱和盖面的结合面,中等尺寸平皮带轮和三角皮带轮的工作表面,衬套滑动轴承的压入孔,一般低速转动的轴颈。航空、航天产品的某些重要零件的非配合表面。
45.表面粗糙度Ra为0.8μm时,表面形状什么特征,如何应用?
答:表面形状特征为可辨加工痕迹的方向,应用于中型机床(普通精度)滑动导轨面,导轨压板,圆柱销和圆锥销的表面,一般精度的刻度盘,需镀铬抛光的外表面,中速转动的轴颈,定位销压入孔等。是配合表面常用数值,中、重型设备的重要配合处,磨削加工经济。
46.表面粗糙度Ra为0.4μm时,表面形状什么特征,如何应用?
答:表面形状特征为微辨加工痕迹的方向,应用于中型机床(提高精度)滑动导轨面,滑动轴承的工作表面,夹具定位元件和钻套的主要表面,曲轴和凸轮轴的工作轴颈,分度盘表面,高速工作下的轴颈及衬套的工作面等。
47.表面粗糙度Ra为0.2μm时,表面形状什么特征,如何应用?
答:表面形状特征为不可辨加工痕迹的方向,应用于精密机床主轴锥孔,顶尖圆锥面;直径小的精密心轴和转轴的结合面,活塞的活塞销孔,要求气密的表面和支承面。航空发动机叶片的叶盆和叶背面。
48.表面粗糙度Ra为0.1μm时,表面形状什么特征,如何应用?
答:表面形状特征为暗光泽面,应用于精密机床主轴箱与套筒配合的孔,仪器在使用中要承受摩擦的表面,如导轨、槽面等,液压传动用的孔的表面,阀的工作面,汽缸内表面,活塞销的表面等。一般机械设计界限值。磨削加工很不经济。
49.表面粗糙度Ra为0.05μm时,表面形状什么特征,如何应用?
答:表面形状特征为亮光泽面,应用于特别精密的滚动轴承套圈滚道,滚珠及滚柱表面,量仪中中等精度间隙配合零件的工作表面,工作量规的测量表面等。
50.表面粗糙度Ra为0.025μm时,表面形状什么特征,如何应用?
答:表面形状特征为镜状光泽面,应用于特别精密的滚动轴承套圈滚道、滚珠及滚柱表面,高压油泵中柱塞和柱塞套的配合表面,保证高度气密的结合表面等。
51.表面粗糙度Ra为0.012μm时,表面形状什么特征,如何应用?
答:表面形状特征为雾状镜面,应用于仪器的测量表面,量仪中高度精度间隙配合零件的工作表面,尺寸超过 100mm的量块工作表面等。
52.表面粗糙度Ra为0.008μm时,表面形状什么特征,如何应用?
答:表面形状特征为镜面,应用于量块工作表面,高精度测量仪器的测量面,光学测量仪器中的金属镜面等。
53.表面粗糙度Ra为>10-40μm时,经济加工方法为哪几种?
答:经济加工方法为粗车、粗刨、粗铣、钻、毛锉、锯断。
54.表面粗糙度Ra为>5-10μm时,经济加工方法为哪几种?
答:经济加工方法为车、刨、铣、镗、钻、粗铰。
55.表面粗糙度Ra为>2.5-5μm时,经济加工方法为哪几种?
答:经济加工方法为车、刨、铣、镗、磨、拉、粗刮、滚压。
56.表面粗糙度Ra为>1.25-2.5μm时,经济加工方法为哪几种?
答:经济加工方法为车、刨、铣、镗、磨、拉、刮、压、铣齿。
57.表面粗糙度Ra为>0.63-1.25μm时,经济加工方法为哪几种?
答:经济加工方法为车、镗、磨、拉、刮、精铰、磨齿、滚压。
58.表面粗糙度Ra为>0.32-0.63μm时,经济加工方法为哪几种?
答:经济加工方法为精铰、精镗、磨、刮、滚压。
59.表面粗糙度Ra为>0.16-0.32μm时,经济加工方法为哪几种?
答:经济加工方法为精磨、珩磨、研磨、超精加工。
60.表面粗糙度Ra为>0.08-0.16μm时,经济加工方法为哪几种?
答:经济加工方法为精磨、研磨、普通抛光。
61.表面粗糙度Ra为>0.01-0.08μm时,经济加工方法为哪几种?
答:经济加工方法为超精磨、精抛光、镜面磨削。
62.表面粗糙度Ra为≤0.01μm时,经济加工方法为哪几种?
答:经济加工方法为镜面磨削、超精研。
63.螺纹表面粗糙度参数数值Ra如何选择?
答:粗牙普通螺纹精度等级为4级时,Ra为0.4-0.8μm。
粗牙普通螺纹精度等级为5级时,Ra为0.8μm。
粗牙普通螺纹精度等级为6级时,Ra为1.6-3.2μm。
细牙普通螺纹精度等级为4级时,Ra为0.2-0.4μm。
细牙普通螺纹精度等级为5级时,Ra为0.8μm。
细牙普通螺纹精度等级为6级时,Ra为1.6-3.2μm。
64.键结合表面粗糙度参数数值Ra如何选择?
答:结合形式为键, 沿毂槽移动处,Ra为0.2-0.5μm。
结合形式为键, 沿轴槽移动处,Ra为0.2-0.4μm。
结合形式为键, 不动处,Ra为1.6μm。
结合形式为轴槽,沿毂槽移动处,Ra为1.6μm。
结合形式为轴槽,沿轴槽移动处,Ra为0.4-0.8μm。
结合形式为轴槽,不动处,Ra为1.6μm。
结合形式为毂槽,沿毂槽移动处,Ra为0.4-0.8μm。
结合形式为毂槽,沿轴槽移动处,Ra为1.0μm。
结合形式为毂槽,不动处,Ra为1.6-3.2μm。
注:非工作表面Ra都为6.3μm。
65.矩形花键表面粗糙度参数数值Ra如何选择?
答:内花键,外径处,Ra为6.3μm。
内花键,内径处,Ra为0.8μm。
内花键,键侧处,Ra为3.2μm。
外花键,外径处,Ra为3.2μm。
外花键,内径处,Ra为0.8μm。
外花键,键侧处,Ra为0.8μm。
66.齿轮表面粗糙度参数数值Ra如何选择?
答:部位为齿面精度等级为5 级时,Ra为0.2-0.4μm。
部位为齿面精度等级为6 级时,Ra为0.4μm。
部位为齿面精度等级为7级时,Ra为0.4-0.8μm。
部位为齿面精度等级为8级时,Ra为1.6μm。
部位为齿面精度等级为9级时,Ra为3.2μm。
部位为齿面精度等级为10级时,Ra为6.3μm。
部位为外圆精度等级为5 级时,Ra为0.8-1.6μm。
部位为外圆精度等级为6 级时,Ra为1.6-3.2μm。
部位为外圆精度等级为7级时,Ra为1.6-3.2μm。
部位为外圆精度等级为8级时,Ra为1.6-3.2μm。
部位为外圆精度等级为9级时,Ra为3.2-6.3μm。
部位为外圆精度等级为10级时,Ra为3.2-6.3μm。
部位为端面精度等级为5 级时,Ra为 0.4-0.8μm。
部位为端面精度等级为6 级时,Ra为 0.4-0.8μm。
部位为端面精度等级为7级时,Ra为0.8-3.2μm。
部位为端面精度等级为8级时,Ra为0.8-3.2μm。
部位为端面精度等级为9级时,Ra为3.2-6.3μm。
部位为端面精度等级为10级时,Ra为3.2-6.3μm。
67.蜗轮蜗杆表面粗糙度参数数值Ra如何选择?
答:蜗杆部位为齿面精度等级为5级时,Ra为0.2μm。
蜗杆部位为齿面精度等级为6级时,Ra为0.4μm。
蜗杆部位为齿面精度等级为7级时,Ra为0.4μm。
蜗杆部位为齿面精度等级为8级时,Ra为0.8μm。
蜗杆部位为齿面精度等级为9级时,Ra为1.6μm。
蜗杆部位为齿顶精度等级为5级时,Ra为0.2μm。
蜗杆部位为齿顶精度等级为6级时,Ra为0.4μm。
蜗杆部位为齿顶精度等级为7级时,Ra为0.4μm。
蜗杆部位为齿顶精度等级为8级时,Ra为0.8μm。
蜗杆部位为齿顶精度等级为9级时,Ra为1.6μm。
注:蜗杆部位为齿根,Ra都为6.3μm。
蜗轮部位为齿面精度等级为5级时,Ra为0.4μm。
蜗轮部位为齿面精度等级为6级时,Ra为0.4μm。
蜗轮部位为齿面精度等级为7级时,Ra为0.8μm。
蜗轮部位为齿面精度等级为8级时,Ra为1.6μm。
蜗轮部位为齿面精度等级为9级时,Ra为3.2μm。
注:蜗轮部位为齿根,Ra都为3.2μm。
68.链轮表面粗糙度参数数值Ra如何选择?
答:部位为链齿工作表面精度一般时,Ra为1.6-3.2μm。
部位为链齿工作表面精度高时,Ra为0.8-1.6μm。
部位为齿底精度一般时,Ra为3.2μm。
部位为齿底精度高时,Ra为1.6μm。
部位为齿顶精度一般时,Ra为1.6-3.2μm。
部位为齿顶精度高时,Ra为1.6-6.3μm。
69.带轮表面粗糙度参数数值Ra如何选择?
答:部位为带轮工作表面带轮直径≤ 120mm时,Ra为0.8μm。
部位为带轮工作表面带轮直径≤ 300mm时,Ra为1.6μm。
部位为带轮工作表面带轮直径> 300mm时,Ra为3.2μm。
70.液压元件表面粗糙度参数数值Ra如何选择?
答:部位为活塞泵曲柄,活塞处,Ra为1.6-0.8μm。
部位为连杆轴颈,轴瓦,中心轴颈处,Ra为0.4μm。
部位为活塞外柱面,侧表面处,Ra为0.8μm。
部位为活塞泵连杆孔,缸筒,滑阀衬套,柱塞,活塞处,Ra为0.8-0.4μm。
部位为滑阀,高压泵柱塞气门,气门座处,Ra为0.2-0.1μm。
71.滑动轴承的配合表面表面粗糙度参数数值Ra如何选择?
答:部位为轴公差等级IT7-IT9处,Ra为0.2-3.2μm。
部位为轴公差等级IT11-IT12处,Ra为1.6-3.2μm。
部位为孔公差等级IT7-IT9处,Ra为0.4-1.6μm。
部位为孔公差等级IT11-IT12处,Ra为1.6-3.2μm。
72.圆锥结合表面粗糙度参数数值Ra如何选择?
答:部位为外圆锥表面密封结合处,Ra为≤0.1μm。
部位为外圆锥表面定心结合处,Ra为≤0.2μm。
部位为外圆锥表面其它结合处,Ra为≤1.6-3.2μm。
部位为内圆锥表面密封结合处,Ra为≤0.2μm。
部位为内圆锥表面定心结合处,Ra为≤0.8μm。
部位为内圆锥表面其它结合处,Ra为≤1.6-3.2μm。
73.表面粗糙度的标注方法有哪些?规范1
答:表面粗糙度代号中数字和符号的方向必须按下图规定标注。见图10

图10
74.表面粗糙度的标注方法有哪些?规范2
答:带横线的表面粗糙度符号应按下图标注。见图11

图11
75.表面粗糙度的标注方法有哪些?规范3
答:符号的尖端必须从材料外指向表面,使用最多的一种粗糙度代号统一注在图样右上角,前面加注“其余”二字。见图12

图12
76.表面粗糙度的标注方法有哪些?规范4
答:当所有表面粗糙度要求相同时,可统一注在图样右上角。见图13

图13
77.表面粗糙度的标注方法有哪些?规范5
答:同一表面上有不同的表面粗糙度要求时,须用细实线画出其分界线。见图14

图14
78.表面粗糙度的标注方法有哪些?规范6
答:连续表面及重复要素(孔、槽、齿等)的表面和用细实线连接的不连续表面,其表面粗糙度代号只标注一次。见图15

图15
79.表面粗糙度的标注方法有哪些?规范7
答:当地方狭小或不便标注时,代号可以引出标注。见图16

图16
80.表面粗糙度的标注方法有哪些?规范8
答:为简化标注或标注位置受到限制时,可标注简化代号,也可采用省略注法(见下图),但应在标题栏附近说明简化代号的意义。见图17

图17
81.表面粗糙度的标注方法有哪些?规范9
答:需将零件局部热处理或镀(涂)时,应用粗点划线画出其范围并标注相应的尺寸,也可将要求注写在表面粗糙度符号内。见图18

图18
82.表面粗糙度的标注方法有哪些?规范10
答:中心孔的工作表面、键槽工作面、倒角、圆角的表面粗糙度代号,可按下图简化标法。见图19

图19
83.表面粗糙度的标注方法有哪些?规范11
答:齿轮、渐开线花键、螺纹等工作表面没有画出的齿(牙)形时,其表面粗糙度代号可按下图方式标注。见图20

图20
84.表面粗糙度的其他标注代号为

时,它的意义是什么?
答:取样长度应标注在符号长边横线的下面表示取样长度I= 2.5mm。
85.表面粗糙度的其他标注代号为

时,它的意义是什么?
答:粗糙度要求由指定的加工方法获得时,可用文字标注在符号长边的横线上面。
86.表面粗糙度的其他标注代号为

时,它的意义是什么?
答:需要控制表面加工纹理方向时,可在符号的右边加注纹理方向符号。
87.表面粗糙度的其他标注代号为

时,它的意义是什么?
答:加工余量应标注在符号的左边表示加工余量为 2mm。
88.表面粗糙度的其他标注代号为

时,它的意义是什么?
答:表示镀(涂)覆前的表面粗糙度值的标注。
89.表面粗糙度的其他标注代号为

时,它的意义是什么?
答:表示镀(涂)覆或其它表面处理后的表面粗糙度值的标注。
90.表面粗糙度的选择对哪些各种功能产生影响?
答:表面粗糙度对各种功能产生影响:如摩擦系数、磨损、疲劳强度、冲击强度、耐腐蚀性、接触刚度和抗振性、间隙配合中的间隙、过盈配合中的结合强度、测量精度、导热性、导电性和接触电阻、密封性、粘结强度、涂漆性能、镀层质量、流体流动阻力、对光的反射性能、食品卫生、外观、喷涂金属质量、钢板冲压时的润滑作用等。
91.表面粗糙度的选择对配合性质有什么影响?
答:影响配合性能的可靠性和稳定性。对间隙配合,由于初期磨损,峰顶会很快磨去,使间隙加大;对过盈配合,装配压合时,也会挤平波峰,减少实际有效过盈,尤其对小尺寸配合影响更为显著。因此,配合性质稳定性要求高的结合面、动配合配合间隙小的表面、要求联接牢固可靠,承受载荷大的静配合的Ra值要低,同一公差等级的小尺寸比大尺寸(特别是1-3级公差等级)、同一公差等级的轴比孔的!"值要小,而且配合性质相同,零件尺寸愈小,它的Ra值愈小。
92.表面粗糙度的选择对耐磨性有什么影响?
答:加工后的零件表面,由于存在峰谷,使接触表面只是一些峰顶接触,从而减小了接触面积,比压增大,磨损加剧。因此,摩擦表面比非摩擦表面、滚动摩擦表面比滑动摩擦表面的运动速度高,单位压力大的摩擦表面的Ra值要小。
93.表面粗糙度的选择对接触刚度有什么影响?
答:两表面接触时,由于实际接触面积为理想接触面积的一部分,使单位面积压应力增大,受外力时,易产生接触变形,因此,降低Ra值可提高结合件的接触刚度。
94.表面粗糙度的选择对抗疲劳强度有什么影响?
答:零件表面越粗糙,对应力集中越敏感,从而导致零件疲劳损坏,因此,受循环载荷的表面及易引起应力集中的部分,如圆角、沟槽处的Ra值要低。表面粗糙度对零件疲劳强度的影响程度随其材料不同而异,对铸铁件的影响不甚明显,对于钢件则强度愈高影响愈大。
95.表面粗糙度的选择对冲击强度有什么影响?
答:钢件表面的冲击强度随表面粗糙度Ra值的降低而提高,在低温状态下,尤为明显。
96.表面粗糙度的选择对测量精度有什么影响?
答:由于工件表面有微观不平度,测量时,测量杆实际接触在峰顶上,虽然测量力不大,但接触面积小,单位面积上的力却不小,于是引起一定的接触变形。由于表面微观不平度有一定的峰谷起伏,如测量时,测量头和被测表面间要作相对滑动,这使测量杆也随被测表面的峰谷起伏而上下波动,影响到示值也有波动。
97.表面粗糙度的选择对密封性有什么影响?
答:对无相对滑动的静密封表面,微观不平度谷底过深,受预压后的密封材料不能完全填满,而留有缝隙,导致泄漏。表面愈粗糙,泄漏愈厉害。对有相对滑动的动密封表面,由于相对运动,其微观不平度一般为4-5μm,用于储存润滑油较为有利,如表面太光滑,不仅不利于储存润滑油,反而会引起摩擦磨损。此外,密封性的好坏也和加工纹理方向有关。
98.表面粗糙度的选择对抗腐蚀性有什么影响?
答:表面粗糙则零件表面上的腐蚀性气体或液体易于积聚,而且向零件表面层渗透,加剧腐蚀,因此,在有腐蚀性气体或液体条件下工作的零件表面的Ra值要小。
99.表面粗糙度的选择对金属表面涂镀质量有什么影响?
答:工件镀锌、铬、铜后,其表面微观不平度的深度比镀前增加一倍,而镀镍后,则会比镀前减小一半。又因粗糙的表面能吸收喷涂金属层冷却时产生的拉伸应力,故不易产生裂纹,在喷涂金属前须使其表面有一定的粗糙度。
100.表面粗糙度的选择对振动和噪声有什么影响?
答:机械设备的运动副表面粗糙不平,运转中会产生振动及噪声,尤以高速运转的滚动轴承、齿轮及发动机曲轴、凸轮轴等零部件,这类现象更为明显。因此,运动副表面粗糙度Ra值愈小,则运动件愈平稳无声。