【问题】如何用西门子PLC控制电机的运行,要求:电机可正反转控制,且按下启动按键后,电机延时十秒钟启动(正反转均延时十秒),延时功能用一个定时器实现?
一、电气连接
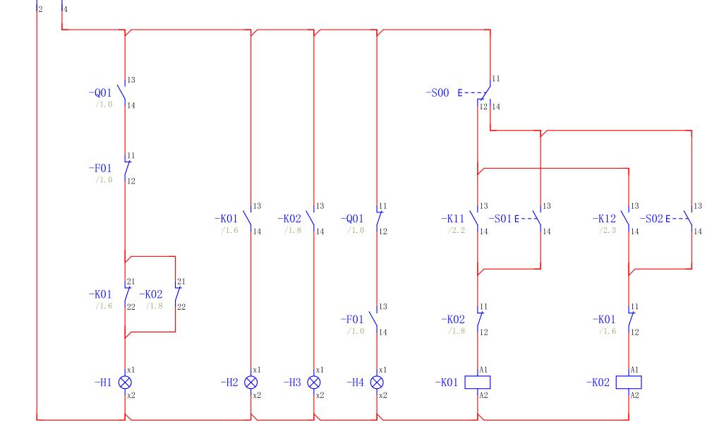
如图1所示为电机控制回路,由于图较大,缩放后可能看不是太清楚。图2给出了控制回路的详细电气连接。图3位与电机控制相关的PLC I/O点电气连接。

图1 主回路、控制回路

图2 控制回路

图3 PLC I/O点
电路说明:
1、 电机有遥控/就地两种控制方式,由转换开关-S00进行转换;
2、 就地控制即现场机旁按钮启动控制,一般用于测试电机的功能、状态,所以一般选择可自复位的按钮,即按下按钮,电机启动;松开按钮,电机停止;
3、 遥控即由PLC进行电机的启停控制。PLC的输出点(Q1.0、Q1.1)控制中间继电器的线圈,从而控制接触器-K01、-K02的吸合,达到控制电机启停的目的。
4、 电机启停的使能有很多种方法,为方便讨论,这里选用两个自复位按钮(-S11、
-S12)作为启动使能,-S13用作电机停止信号。
由于电气控制回路较为简单,这里就不做详细介绍了。表1为电路中的相关器件及功能说明。

表1 器件及功能说明
二、电气连接
由于控制逻辑比较简单,这里就不画控制流程图了,具体控制程序如图4、图5所示。

图4 扫描输入信号状态

图5 正、反转延时启动控制
以正转控制为例,其控制过程如下:
1、 按一下下-S11按钮,PLC的I0.2输入一个脉冲信号,经过"SR"触发器(复位优先),"#fwd"为1,且"或"运算后的"#order"为1;
2、 "#order"的高电平启动延时定时器T10,延时10s后,"#run_order"为1;
3、 由于"#run_order"和"#fwd"同时为1,则"与"运算后的Q1.0也为1,正转命令发出,电机正转运行;
4、 在上述过程中的任何时候,停止按钮-S13按下,I0.4输入的脉冲信号会使"#fwd"变为0,此时,若电机正转,则电机停止运行;若仍处于计时状态,则计时器停止计时,直到下次有启动信号时,在重新计时。
================
需要注意的问题:
1、 由于在电气控制回路中已经对正、反转进行了互锁,所以在编程时不需要对正、反转按钮输入命令做额外的互锁处理;
2、 I0.0、I0.1分别为电机正、反转的状态反馈信号,当正转命令Q1.0=1时,若一定时间后I0.0仍不变为1,则说明正转启动失败,此时要强制令 Q1.0=0,且向系统报错。由于驼子太懒了,这部分功能就不做了,留到WinCC部分再一并加以讨论。
三、测试

