1、定时自动循环控制电路

说明:(技师一)
1、题图中的三相异步电动机容量为1.5KW,要求电路能定时自动循环正反转控制;正转维持时间为20秒钟,反转维持时间为40秒钟。
2、按原理图在配电板上配线,要求线路明快、工艺合理、接点牢靠。
3、简述电路工作原理。
注:时间继电器的延时时间不得小于15秒,时间调整应从长向短调。
定时自动循环控制电路电路工作原理:合上电源开关QF,按保持按钮SB2,中间继电器KA吸合,KA的自保触点与按钮SB2、KT1、KT2断电延时闭合的动断触点组成的串联电路并联,接通了起动控制电路。按起动按钮SB3,时间继电器KT1得电,其断电延时断开的动合触点KT1闭合,接触器KM1线圈得电,主触点闭合,电动机正转(正转维持时间为20秒计时开始)。同时KM1动合触点接通了时间继电器KT2,其串联在接触器KM2线圈回路中的断电延时断开的动合触点KT2闭合,由于KM1的互锁触点此时已断开,接触器KM2线圈不能通电。当正转维持时间结束后,断电延时断开的动合触点KT1断开,KM1释放,电动机正转停止。KM1的动断触点闭合,接触器KM2线圈得电,主触点闭合,电动机开始反转.同时KM1动合触点断开了时间继电器KT2线圈回路(反转维持时间为40秒计时开始)。
这时KM2动合触点又接通了KT1线圈,断电延时断开的动合触点KT1闭合,为下次电动机正转作准备。因此时串联在接触器KM1线圈回路中的KM2互锁触点断开,接触器KM1线圈暂时不得电。与按钮SB2串联的KT1、KT2断电延时闭合的动断触点是保证在电动机自动循环结束后,才能再次起动控制电路。 热继电器FR常闭触点,是在电动机过负载或缺相过热时将控制电路自动断开,保护了电动机。
2、顺序控制电路(范例)

顺序控制电路(范例)工作原理:图A:KM2线圈电路由KM1线圈电路起动、停止控制环节之后接出。按下起动按钮SB2,KM1线圈得电吸合并自锁,此时才能控制KM2线圈电路。停止按钮SB3只能控制M2电动机的停转,停止按钮SB1为全停按钮。本电路只有满足M1电动机先起动的条件,才能起动M2电动机。
图B:控制电路由KM1线圈电路和KM2线圈电路单独构成。KM1的动合触点作为一控制条件,串接在KM2线圈电路中,只有KM1线圈得电吸合,其辅组助动合触点闭合,此时才能控制KM2线圈电路。停止按钮SB3只能控制M2电动机的停转,停止按钮SB1为全停按钮。本电路只有满足M1电动机先起动的条件,才能起动M2电动机。
3、电动机顺序控制电路

说明:(技师二)
1、本电路起动顺序是先M1电动机,后M2电动机;停止顺序则相反。
2、PLC(三菱FX0N、FX1N),编程器连接及通电操作。
3、清零操作;程序写入操作;根据梯形图写出指令表。
4、主机上用导线连接电动机顺序控制。
电动机顺序控制电路工作原理:合上电源开关QS,按下起动按钮SB1,接触器KM1得电吸合并自保,M1电动机起动运转。KM1的另一动合触点闭合,为接触器KM2得电作准备。按下起动按钮SB2,接触器KM2得电吸合并自保,M2电动机起动运转。起动顺序是先KM1吸合,M1电动机起动运转;后KM2吸合,M2电动机起动运转。停车顺序是:只有先按下按钮SB4,使接触器KM2断电释放,KM2的动合触点断开,M2电动机停转后再按SB3,M1电动机才能停止运转。热继电器FR1、FR2常闭触点,是在电动机过负载或缺相过热时将控制电路自动断开,保护了电动机。
4、异步电动机可逆控制电路(范例)

可逆控制电路(范例)电路工作原理:
(图A)按下SB2,KM1得电吸合,电动机起动正转。按下SB1,KM1断电释放,电动机停转。按下SB3,KM2得电吸合,电动机起动反转。按下SB1,KM2断电释放,电动机停转。缺点:不能同时按下SB2 、SB3按钮,否则电源将短路,电动机无法工作。原因:主电路接触器KM1、KM2连接到电动机M的是两种相序的电源,若同时吸合,在接触器连接点上电源被短路。
(图B)原理同图A。在KM1线圈电路中串接了KM2的一个动断触点:同样,在KM2线圈电路中串接了KM1的一个动断触点。这两个动断触点称互锁触点,这种互锁称电气互锁。保证了任何时候只有一只接触器吸合,避免了电源短路。缺点:必须先按停止按钮SB1,电动机停转后,才能起动电动机的另一旋转方向。
(图C)在上图基础上增加了由起动按钮的动断触点构成的机械互锁。如:按下SB2,串接在KM2线圈电路中SB2动断触点断开了KM2线路。保证了两个接触器不能同时吸合,又能不按停止按钮直接起动电动机另一旋转方向。
5、双重连锁可逆控制电路

说明:(高级)
1、按原理图在配电板上配线,要求线路明快、工艺合理、接点牢靠。
2、简述电路工作原理
双重连锁可逆控制电路工作原理:按起动按钮SB2,KM1吸合并自保,电动机正转。与按钮SB2常触开点并联的KM1触点为自保触点。按起动按钮SB3,KM1断电释放,KM2吸合并自保,电动机反转。SB1为停止按钮。电路由按钮SB2、SB3的动断触点实现了机械联锁,串联在交流接触器线圈KM1、KM2中的KM2、KM1辅助动断触点实现了电气联锁。串联在控制电路中的FR动断触点,是在电动机过负载或缺相过热时热继电器将控制电路自动断开,保护了电动机。
6、限位开关控制自动往复电路(1)


限位开关控制自动往复电路
工作原理:按起动按钮SB2,KM1吸合并自保,电动机正转,带动机械设备左移。当撞块碰压行程开关SQ2时,KM1断电,KM2得电吸合并自保,电动机反转,机械设备右移。当撞块碰压行程开关SQ1时,KM2断电,KM1得电,电动机又正转左移。
SB1为停止按钮。电路由按钮SB2、SB3及行程开关SQ1、 SQ2的动断触点实现了机械联锁,串联在交流接触器线圈KM1、KM2中的KM2、KM1辅助触点实现了电气联锁。串联在控制电路中的FR常闭触点,是在电动机过负载或缺相过热时热继电器将控制电路自动断开,保护了电动机。
7、限位开关控制自动往复电路(2)


限位开关控制自动往复电路(2)电路工作原理:
按起动按钮SB2,KM1吸合并自保,电动机正转,带动机械设备左移。当撞块碰压行程开关SQ2时,KM1断电,KM2得电吸合并自保,电动机反转,机械设备右移。当撞块碰压行程开关SQ1时,KM2断电,KM1得电,电动机又正转左移。SB1为停止按钮。电路由按钮SB2、SB3及行程开关SQ1、 SQ2的动断触点实现了机械联锁,串联在交流接触器线圈KM1、KM2中的KM2、KM1辅助触点实现了电气联锁。串联在控制电路中的FR常闭触点,是在电动机过负载或缺相过热时热继电器将控制电路自动断开,保护了电动机。
SQ3、SQ4S是左移和右移的终端位置行程开关。
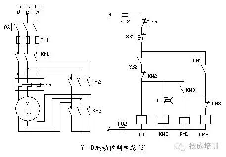
8、星形—三角形起动控制电路

星形—三角形起动控制电路工作原理:
按起动按钮SB2,接触器KM1、KM3和时间继电器KT线圈得电吸合并自保,电动机星形(Y)接法起动。当KT预定延时时间结束时,KM3线圈电路中的通电延时断开的动断触点断开,KM3断电释放,电动机星接(Y)起动结束。此时,KM2线圈电路中的通电延时闭合的动合触点闭合。KM2线圈得电吸合,电动机改为三角形(△)接法运转。串联在接触器线圈KM3、KM2电路中的KM2、KM3辅助动合触点实现了电气联锁。串联在控制电路中的FR动断触点,是在电动机过负载或缺相过热时热继电器将控制电路自动断开,保护了电动机。
星形—三角形起动控制电路(2)

星形—三角形起动控制电路(3)

星形—三角形起动控制电路(3)工作原理:
按起动按钮SB2,接触器KM3、KM1和时间继电器KT线圈得电吸合并自保,电动机星形(Y)接法起动。当KT预定延时时间结束时,KM3线圈电路中的通电延时断开的动断触点断开,KM3断电释放,电动机星接(Y)起动结束,KM2线圈得电吸合,电动机改为三角形(△)接法运转。串联在控制电路中的FR动断触点,是在电动机过负载或缺相过热时热继电器将控制电路自动断开,保护了电动机。
9、自耦变压器减压起动起动控制电路

自耦变压器减压起动控制电路工作原理:
合上电源开关,按起动按钮SB2,接触器KM1线圈得电吸合并自保,将自耦变压器T接入,电动机定子绕组经自耦变压器供电减压起动;同时,KT线圈得电吸合,计时开始。当KT整定延时时间结束时,其通电延时闭合的动合触点闭合,使中间继电器KA的线圈得电吸合并自保,KM1断电释放,其主触点断开;KM2线圈得电吸合,其主触点闭合,自耦变压器被切除,电动机全压运行。
自耦变压器减压起动起动控制电路(2)

10、时间原则能耗制动控制电路

时间原则能耗制动控制电路工作原理:
合上电源开关,按起动按钮SB2,接触器KM1线圈得电吸合并自保,电动机起动运转。当按停止按钮SB1时,KM1线圈断电释放,其主触点断开,定子绕组断电;同时,KM2、KT线圈得电吸合并,KM2主触点闭合,电动机二相定子绕组接入直流电源进行能耗制动。使电动机转速迅速下降,当机转接近零时,时间继电器KT延时时间到。其通电延时断开的动断触点断开,使KM2、KT线圈相继断电释放,制动过程结束。
RP为调节制动力大小的限流电阻。
时间原则能耗制动控制电路(2)

11、电动机电容制动制动控制电路

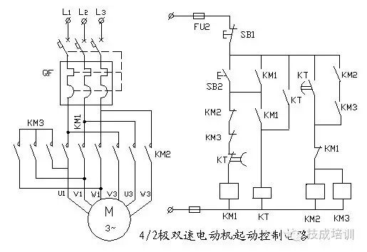
12、4/2极双速电动机起动电路

4/2极双速电动机起动控制电路工作原理:
图中KM1为三角形接法(△)接触器,KM2、 KM3为双星形接法(YY)接触器。
合上电源开关,按起动按钮SB2,接触器KM1、KT线圈相继得电吸合并自保,电动机定子绕组接成三角形接法(△)4极起动;经一定时间延时后,KT的通电延时断开的动断触点断开,KM1断电释放,KT的通电延时闭合的动合触点闭合,KM2、 KM3线圈得电吸合并自保,电动机定子绕组接成双星形接法(YY)2极运转。
由于双速电动机定子绕组的接线原因,换极的同时应改变电源的相序。
13、4/2极双速电动机起动电路(2)

4/2极双速电动机起动控制电路工作原理:
图中KM1为三角形接法(△)接触器,KM2、 KM3为双星形接法(YY)接触器。
合上电源开关,按起动按钮SB2,接触器KM1、KT线圈相继得电吸合并自保,电动机定子绕组接成三角形接法(△)4极起动;经一定时间延时后,KT的通电延时断开的动断触点断开,KM1断电释放,KT的通电延时闭合的动合触点闭合,KM2、 KM3线圈得电吸合并自保,电动机定子绕组接成双星形接法(YY)2极运转。
由于双速电动机定子绕组的接线原因,换极的同时应改变电源的相序。
串联在控制电路中的FR动断触点,是在电动机过负载或缺相过热时热继电器将控制电路自动断开,保护了电动机。
14、CW6140普通车床控制电路

CW6140普通车床控制线路分析与故障处理:
一、线路分析
1、主电路分析
主电路有两台电动机,M1为主电动机,M2为 冷却泵电动机,QS为电源开关。
接触器KM控制M1的启动和停止。转换开关Q1控制M2的工作状态。M2由FU1熔断器作短路保护,FR1、FR2分别作为电动机M1和1M2的热保护。
2、控制电路分析
控制电路采用380V交流电源供电。按启动按钮SB2,KM线圈得电吸合并自锁,M1电动机直接启动;M1运行后合上Q1,冷却泵电动机启动。按停止按钮SB1,
M1和1M2电动机同时停转。
3、助照明电路
机床照明采用380/36V安全变压器T,由转换开关Q2控制。FU2、FU3分别为
控制电路和照明线路的熔断器。
4、机床电路连接点上标注的数字和文字符号,是用作电气配线和维修使用。
二、电路故障分析
1、主轴电动机不能启动
1)电源部分:线路接线或电源开关接触不良。
2)电源正常,但按SB2时接触器不吸合,可能原因:
A、 控制电路熔断器熔断
B、SB1或SB2接触不良
C、FR1、FR2动作后未复位
D、接触器KM线圈断线
3)按SB2时接触器虽吸合,但MK振动声很大,电动机有嗡嗡响声。
故障现象为缺相。
原因:
(a)FR1烧坏
(b)KM触点烧损严重使某相接触不上
(c)电动机内部接线松脱或断线。
2、按停止按钮SB1机床不停车
原因:
(a)接触器衔铁被油垢粘连
(b) 接触器触点烧损粘连
(c)电磁机构失灵
3、机床运转中突然停车
M1或1M2电动机过热,使热继电器FR1或FR2动作。