头条号私信回复1,可免费获取海量资源*载下**链接












































往期文章:
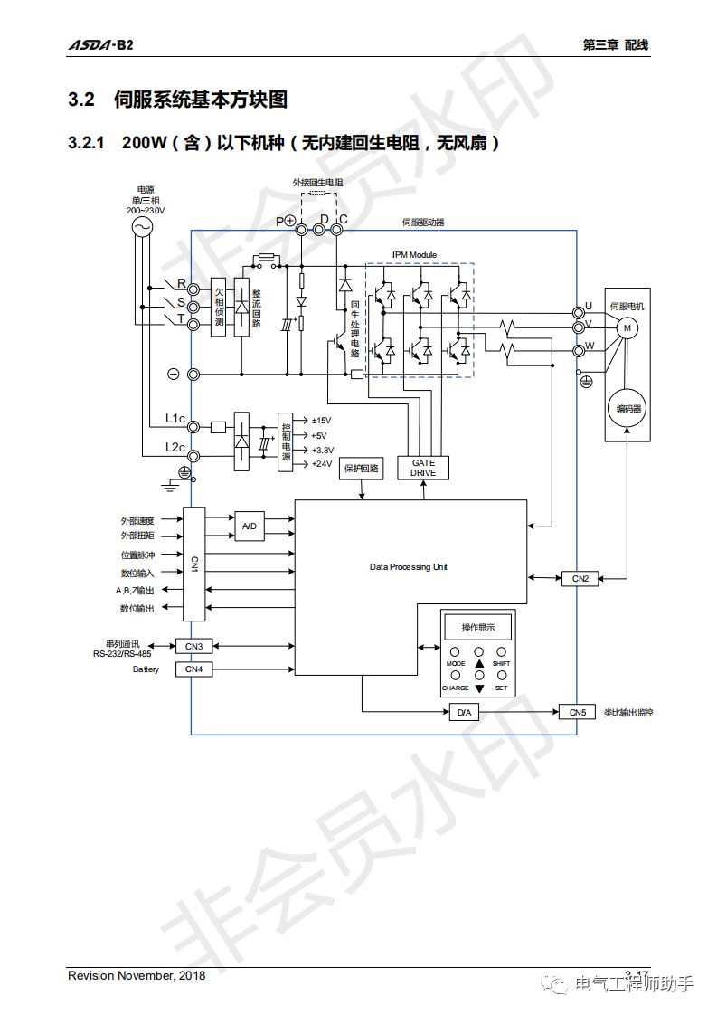
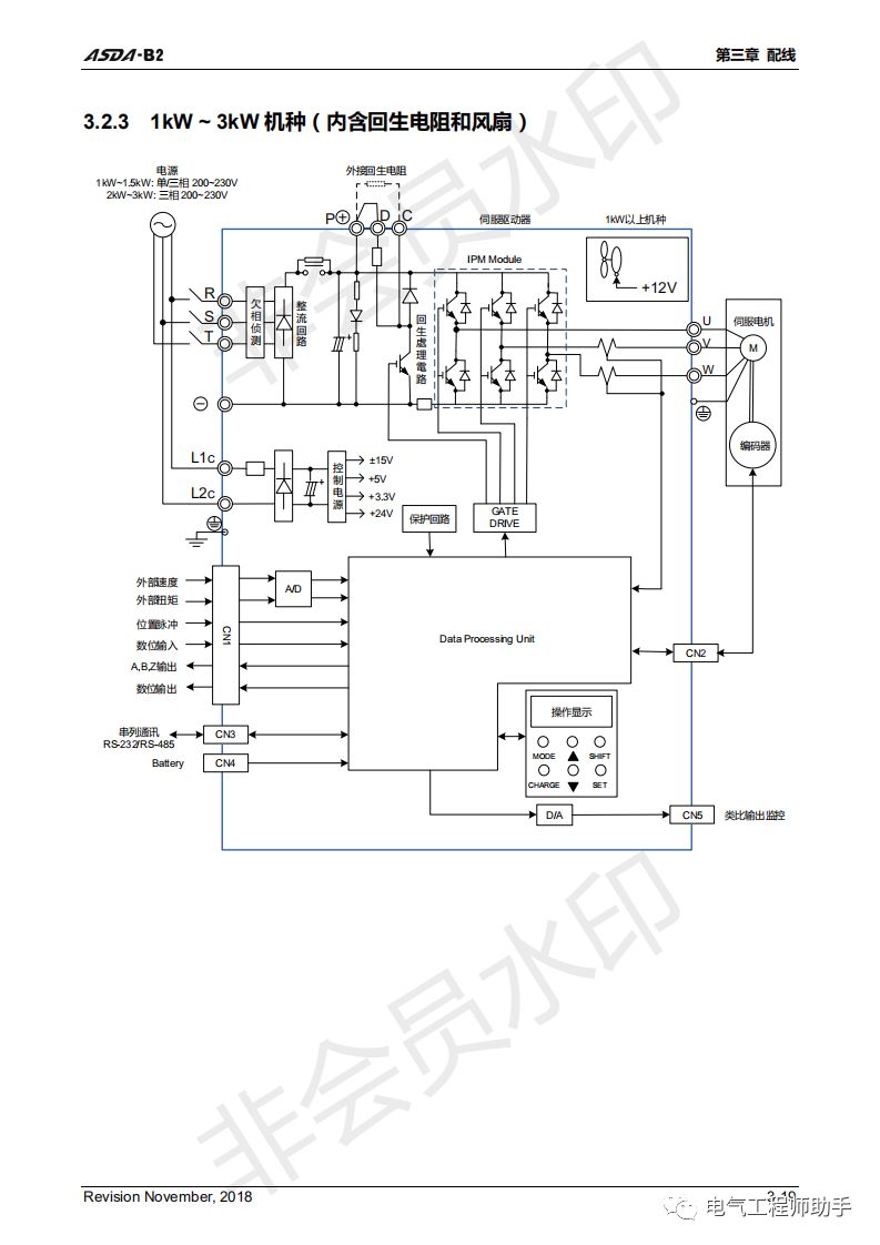
【伺服】台达ASDA-B2/B2L系列伺服应用及实例
【西门子1200PLC教程】20.PLC变量表的使用
【西门子1200PLC教程】19.S7-1200入门实例
【西门子1200PLC教程】18.使用Portal视图
【西门子1200PLC教程】17.硬件的组态
【西门子1200PLC教程】16.编程软件界面介绍
【西门子1200PLC教程】15.编程软件的安装及设置中文界面
【西门子1200PLC教程】14.程序结构
【西门子1200PLC教程】13.不同存储区的寻址
【西门子1200PLC教程】12.数据的存取方式
【西门子1200PLC教程】11.S7-1200支持的数据类型
【西门子1200PLC教程】10.PLC的工作原理
【西门子1200PLC教程】9.KTP系列HMI面板介绍
【西门子1200PLC教程】8.S7-1200的选型案例
【西门子1200PLC教程】7.CPU的扩展能力
【西门子1200PLC教程】6.CPU面板介绍
【西门子1200PLC教程】5.S7-1200与S7-300的比较
【西门子1200PLC教程】4.S7-1200与S7-200的比较
【西门子1200PLC教程】3.模块的安装
【西门子1200PLC教程】2.CPU家族及模块
【西门子1200PLC教程】1.功能与特点
【笔记】信捷plc应用,通讯篇
【笔记】信捷plc应用,指令篇
【笔记】信捷plc应用,编程前奏篇
【笔记】信捷plc应用,硬件篇
【笔记】三菱FX5U PLC基于ModbusTCP协议与视觉通讯
【笔记】网线制作图文详解
【笔记】两台PLC进行无线通讯
【笔记】西门子S7-200Smart与读卡器、温湿度传感器、扫码枪等设备通讯
【笔记】多台西门子S7-200 Smart通过以太网实现通信
【笔记】ABB机器人零基础编程步骤详解
【机器人篇】ABB、库卡、安川、发那科等工业机器人资源汇总
【电工基础篇】电工电子技术、常用仪器、维修等资源汇总
【触摸屏篇】Proface、威纶、三菱、松下、组态王等资源汇总
【PLC篇】西门子、三菱、松下、欧姆龙等品牌的软件、视频、资料*载下**
【相关软件篇】485参数配置软件、USB转485模块驱动程序等资源*载下**
头条号私信回复1,可免费获取海量资源*载下**链接