如果您喜欢古建筑,喜欢中国传统文化建筑,请关注作者头条号“古建筑设计师”后面长期更新中华民族建筑文化,如果您有古建筑设计项目,*物文**修缮设计,寺庙规划设计,仿古街改造项目,祠堂项目等仿古建设计及施工请关注并私信作者,请认准古建筑设计师,专项古建筑设计二十年!

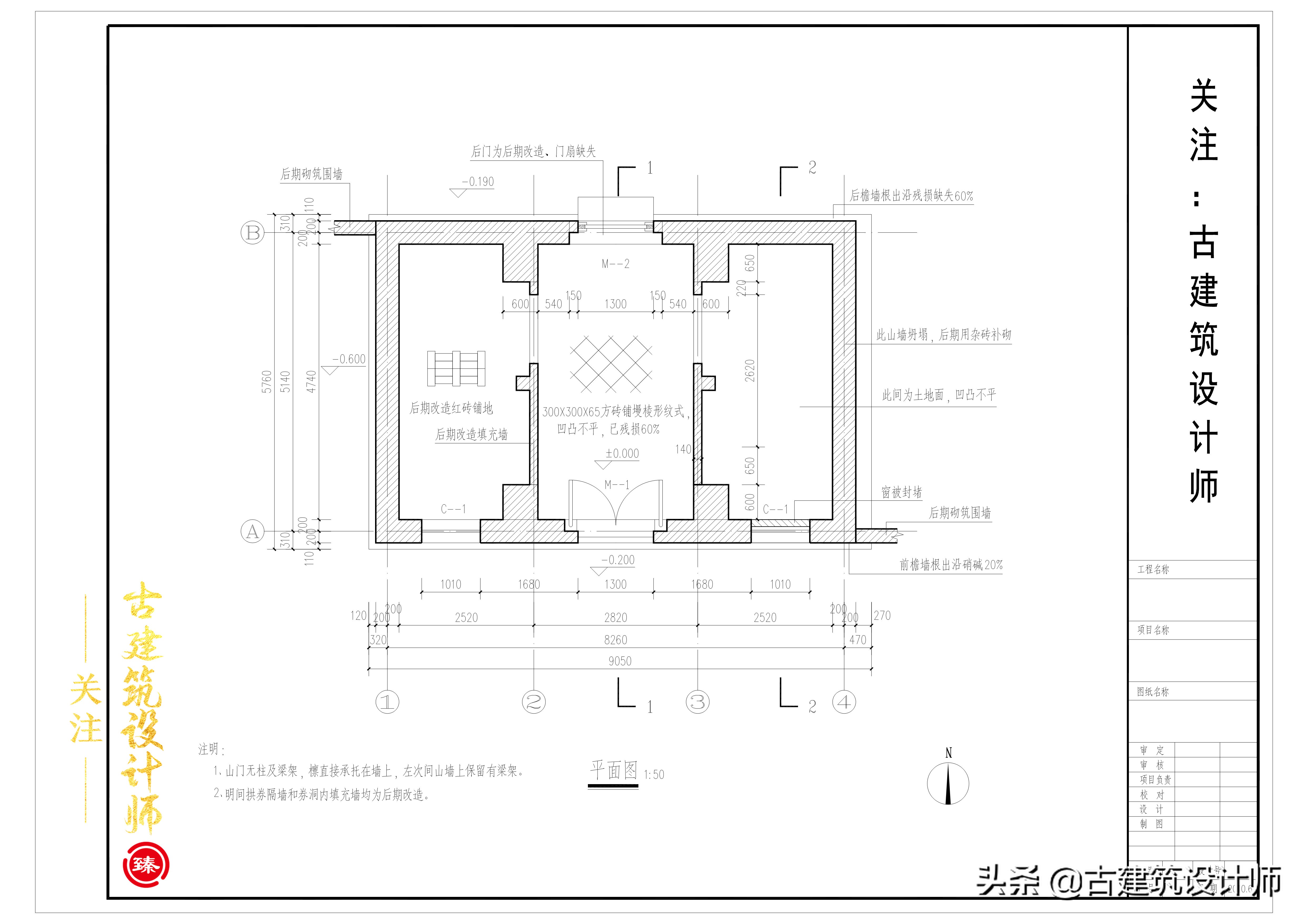
现状现状

现状

现状

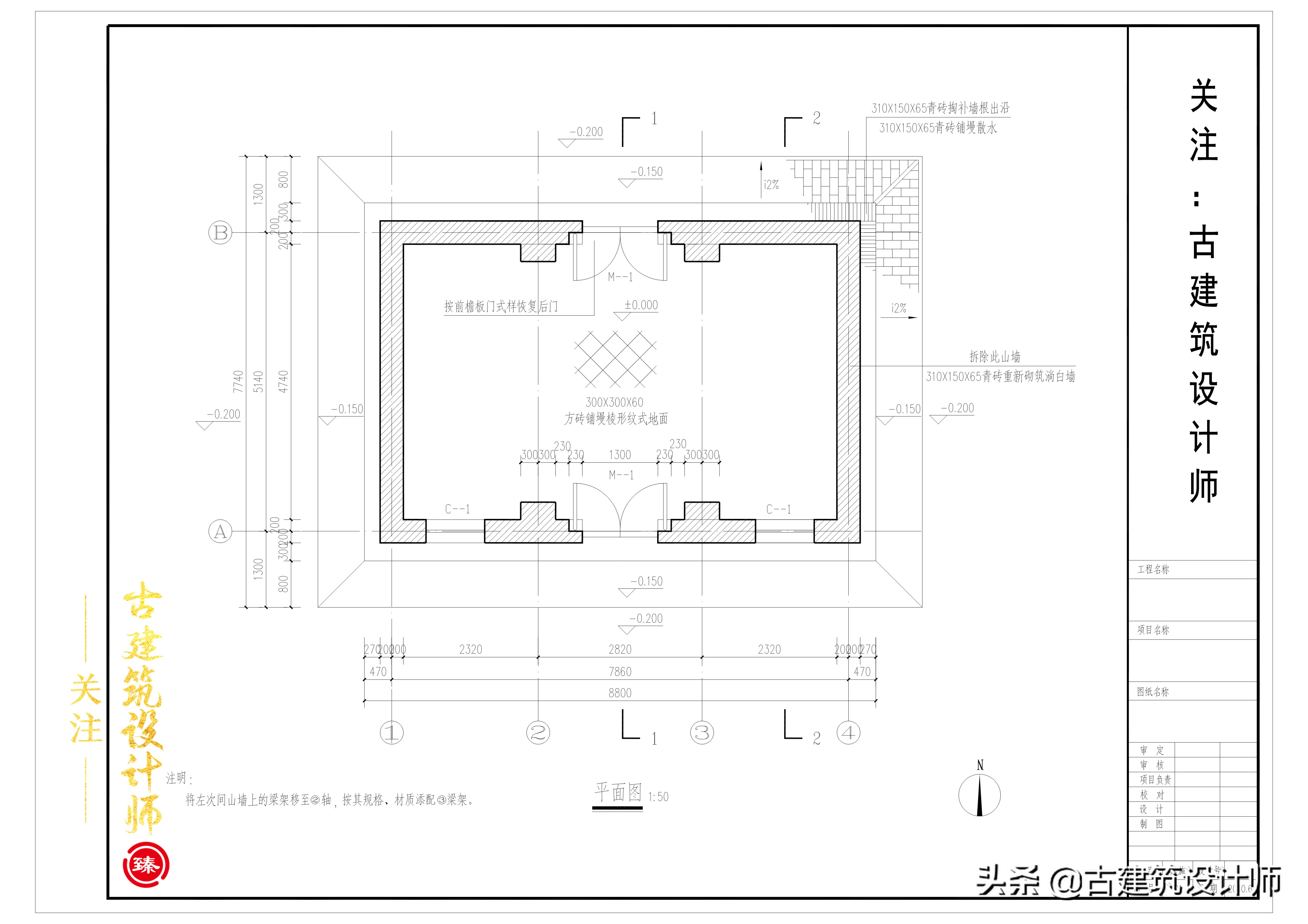
修缮效果
一、设计原则
坚持保护文化遗产的真实性和完整性,坚持依法和科学保护,正确处理经济社会发展与文化遗产保护的关系,统筹规划、分类指导、突出重点、分步实施。
按照《中华人民共和国*物文**保护法》对不可移动*物文**进行修缮、保养、迁移、必须遵守“不改变*物文**原状的原则”;尽最大可能利用原材料,保存原有构件,使用原工艺,延续*物文**的历史信息和时代特征。

现状

现状

现状

现状
二、工程目的
(1)、为了更好的保护历史建筑,使其能延年益寿。
(2)、便于管理、环境舒适、为保护*物文**本体、开发旅游事业而服务。
三、工程范围及内容
1、设计范围:
本次主要对重点保护区内的12 处本体建筑进行维修设计,具体内容包括地基基础、地面、木构架、木基层、砌体、抹灰、屋面、木装修、油漆彩画等九项内容。
(2)、整改范围:
对直接影响本体建筑环境的后期增建设施应拆除,即后殿前檐近年增加的外廊平房建筑、西庑北山墙外的小佛堂建筑、即藏经楼后檐墙外的临时库房、盘古殿东山墙外的临时水柜、后殿前院东侧的临时接檐;伽蓝殿东山墙外学校后建的教师厕所。

现状

现状

现状
四、维修设计方案
(一)、设计依据
1.《中华人民共和国*物文**保护法》
2.《中国*物文**古迹保护准则》
3.《古建筑木结构维护与加固技术规范》GB50165—92
4.《中古建筑修缮技术》
(二)、保护工程措施
1.屋面揭顶之前,应先对室内拱券及墙体必须采取支撑、加固的措施,对室内塑像必须采取安全保护措施,检查确实安全后,方可施工。
2.屋面、墙体、地面及基础维修,方法参见《古建筑木结构维护与技术加固》(GB50165-92)第七章第一节、第三节、第四节;《古建筑修建工程施工与质量验收规范》JGJ159-2008的相关规范与标准。
3.木装修整修见GB50165-92第七章第五节;
保护亭立面效果为仿唐建筑,四角重檐,攒尖顶灰陶筒瓦屋面;主体结构材质为木材,木构架及木基层、门窗均以铁红色为主;墙体内外设青砖碱墙,按古建筑规范淌白墙砌筑,其中室外碱墙距地面高为1.2米,室内碱墙距地面高为0.35米;其余墙面均抹灰为白色。

修缮图

修缮图
(三)、材料使用
本设计遵循“不改变*物文**原状的原则”,尽最大可能利用原材料,保存原有构件,使用原工艺的原则,在所需要添补构件的材料使用时应按下列标准采购;
(1)、屋面:以原建筑屋面使用瓦件、脊饰为依据,将旧构件拆卸编码、归类存放;统计残损部件后,按其规格、色泽、类型添配备用。
(2)、木构件:新添配的木构件材质尽可能与原构件相同,如难以采购,可采用东北红松、樟子松。木基层采用白松、东北红松;木装修采用进口白松。
(3)、青条砖、方砖:新添配的规格、色泽须与原部件相同。
(4)、石材:采用当地石材或青石。
(5)、屋面防水材料:采用4厚SBS 复合胎防水卷材。
(四)、主要技术措施
1.新添配木构架制做
(1)木构架的添配制做,一定要按照设计要求选用木材的树种和材质。
(2)古建筑施工木材消耗量较大,且一般情况材质选用要求较高,对节约木材应按下列要求和方法实施:
1编制配料单是计划用材的第一步;配料单必须经审定后方可使用,以避免编制失误,浪费材料。
2合理的加工余量是节约木材的重要措施。
3规格大的木构件采购困难,应首先大构件,然后从大到小进行配料。
4为使所配构件与原构件对号入位,避免错位导致浪费,每个构件应标注名称;按其规格特征进行下料。
(3)传统的木构架制作,使用丈杆丈量木构件,能取得构件长度的唯一性、尺度的统一性、使用方便。根据使用功能的不同丈杆有总丈杆、柱类分丈杆、梁、方类等分丈杆。在制作丈杆时应精心制作,制作要经二人以上校对无误后使用。
(4)用作承重构件或小木作工程的木材,使用前应经干燥处理,含水率应符合规定:梁、枋、柱、椽等其含水率不应大于20%。
(5)柱类构件在同一建筑不能有相同名称,其名称应标写在约定位置,其目的是防止构件错乱而影响正常施工及安装。
(6)木构架的稳定取决于榫卯节点,制做时须按古建筑技术规范操作,以保障柱与梁之间的有机组合和牢固性。
(8) 根据梁构件受弯的情况,将梁类构件起拱的要求和利用木材自然向上弯曲的条件,综合考虑以减少梁受力后的挠度,加强使用的安全感和校准视差。
(9)檩制作时中间加粗,且向上拱起,按设计要求、传统做法和规范进行操作。
2.木构架维修加固
(1)柱根墩接:依原构件材质、规格选好配料,先将原构件残损端头锯掉,锯口须平整,且应放在无糟朽、腐烂的位置,所墩接的榫卯长度不小于柱径2~3倍;根据柱的部位采用巴掌榫或抄手榫,榫卯对接时须涂抹热骨胶,且应在墩接榫卯部位最少加二道铁箍,铁箍紧固采用螺栓或倒刺钉的方法。
(2)柱根墩接高度:明柱不大于原柱高的1/5,暗柱不大于原柱高的1/3。
(3)梁加固:
1梁作为建筑的第二大承重构件,且一般都是原建筑的原始构建,具有历史价值,在维修时应确保其历史信息,轻易不作要更换的结论。
2对接加固法:如果梁的残损部位在端头,其残损、断裂长度不超过梁本身长度的1/3时,可采取搭接后再加辅助梁的方法,具体操作为:先选好与搭接梁相同的配料,在锯掉腐烂断裂的一端梁头,然后切割榫卯,榫卯搭接长度不小于梁直径2~3倍,榫卯切口应为阶梯形,榫卯口接缝方向应垂直于地面;打接成功后,按梁总长度选用辅助梁,辅助梁高度应不小于梁直径的1/3,宽度应大于梁径1/2,且无弯度,将制作好的辅助梁置于搭接梁底部,校订好各部线位,然后用铁箍加固,具体规格见前殿3轴五架梁加固方法。
3掺半加固法:具体指梁的一端残损、腐烂深度不大于梁直径1/2,长度不大于量身长度1/2时,采取的加固方法;先根据糟朽、腐烂部位长度锯好接头缝,接头缝须留有足够的榫卯搭接长度,然后切割取平搭接部的腐烂木屑,将选好的配料制做成原构件的形状,榫卯搭接口应吻合于切割取平好的梁头搭接部位,搭接好后,应根据对接加固法的要求,加设辅助梁,具体做法及铁件加固同上。
3.砌体工程
(1)古建筑的砌体材料大量使用天然石材和实心粘土砖。对于新型材料的施工和验收,除符合设计要求外,还应符合现行国家标准《砌体工程施工质量验收规范》GB50203的规定。
(2)新做砖基础、糙砖墙砂浆的强度等级按设计设计要求施工,保证砂浆强度合格。
(3)淌白墙用的粘结材料使用石灰膏加麻刀砌筑。
(4)拆除墙体前必须对木构架进行检查支撑,在保证建筑安全可靠的情况下拆除墙体,结合当地的成功经验,应在墙体解危后再行拆除修复。
(5)墙体的局部损坏采用掏补的方法,掏补面积不大于1平方米,且不会对周围其他墙体导致破坏。
(6)墙体发生细小裂缝,在不影响使用安全和外观的情况下,可采用嵌缝修补进行表面处理恢复原样 。如果裂缝深度大于墙体厚度1/3时,须掏补。否则,采取灌缝加固的方法对裂缝进行粘结,裂缝加固完成后,对面层进行修复,保持原样风貌。
物古建筑必须使用与原墙体相同的材料和施工方法进行修复,保持原样不变。
(7)对原有的砖、墙须尽量保留使用,保持古建筑的原有风貌,不得以抹灰覆盖。
(8)砖墙的修复质量要求,须达到设计要求,修复后的砖墙要与原建筑未修缮墙体色泽保持一致,保持原建筑的风貌。
(9)对墙体残损严重需拆砌的部位,应将砖块及条石逐层揭起,分类码放;砌筑时,应保持原墙尺寸和式样,并宜利用原件。对面层鼓闪,需挖补或拆除外皮时,应做到新旧砌体咬合牢固,灰缝平直,灰浆饱满,外观保持原样。
(10)对按设计要求须铲除的石墙面抹灰层,将灰缝石面清洗干净,用青油灰勾缝(清油灰kg/m2=石灰膏34:熟桐油1.8:糯米浆1.3:明矾1.3:麻刀1.8:铁黑3.2:水1.1)。
4.屋面工程:
(1)本次维修建筑的屋面按揭瓦亮椽施工,对拆卸的瓦件、脊饰须编号、归类存放。
(2)修缮遵循“修旧如旧”的原则,其材料、施工方法与原建筑相同,经修缮后的屋面
弧度、曲线应与原建筑屋面风貌一致。
(3)添换瓦件、饰件按原有部件规格添配。旧瓦件使用前必须进行清理、除灰分别堆放,应做到与原物一样使用。
(4)古屋面是修缮施工过程中一道关键工序,必须选择施工技术素质好,责任心强的专业施工人员来施工。
(5)各种新添配瓦件、脊饰应及早定货,提前一个月进场,检查色泽、规格、吻件等应拼装吻合,不合格的及早退货重制。
(6)审瓦:在铺瓦时应对瓦件逐块检查,瓦件挑选以敲打、声音清脆,不破不裂,没有隐残者为好,外观检查无明显曲折变形,无粘疤、缺陷,颜色差异较大者不得使用。
(7)铺底瓦:瓦瓦前应按屋面尺寸和瓦的尺寸进行分中号垄,底瓦坐中,在正脊、中腰和檐头位置拴“齐头线”、“楞线”、“檐线”,屋面所冲的瓦垄曲线平滑,均匀一致,底瓦搭接按“压六露四”进行操作,底瓦灰密实饱满,不得有空鼓现象,铺好底瓦后要将底瓦两侧的灰泥顺瓦翅用瓦刀抹齐,不足之处用灰泥补实,瓦完一路,由一人在远处冲线观察,发现张口瓦、走垄瓦、脱节瓦等现象及时修改。
(8)筒瓦捉节夹垄:捉节夹垄采用3:7掺灰泥,瓦瓦时应严格按照灰浆调制规定做驼背灰、抱头灰、夹垄灰等。筒瓦应从下往上依次排放,每块均放置中线上,防止出现一边齐的情况,瓦垄灰要饱满,不得有脱落和洞眼,且不得有“蛐蛐窝”和“嘟噜灰”,底瓦、筒瓦的勾滴出进应一致。
(9)调脊:首先砌脊座,然后安放脊件,正脊、围脊、垂脊等,灰口均匀一致,牢固稳定,左右对称,安装脊饰前应每隔2米下“脊桩”,用柏木、槐木等耐腐朽的木材,加工成50×50的小方木,长度为500左右,“脊桩”需固定在扶脊木上面。调脊须在未瓦屋面瓦之前施工。
(10)仰瓦屋面施工按传统规范做法进行施工,必须达到无“张口瓦”、 “无脱节瓦”、“无松动瓦”、“无走垄瓦”的四无标准。
6.地面工程:
(1)根据设计要求选用所需的材料品种、规格、质量、配合比、强度等级等。
(2)本工程地面的基层、垫层,找平层的施工,除应符合古建技术规范的要求外,还要符合设计要求和现行国家标准《建筑地面工程施工质量验收规范》GB50209的规定。
(3)青砖、方砖铺墁地面的分缝、形式,按设计要求执行。
(4)方砖施工前应逐块进行检查,须进行砖细加工(砍磨方正),定制产品时应比实际规格大2cm。
(5) 在施工中不应图省事,按标准弹好标高线。

修缮图

修缮图
五、工程做法
1、屋面
(1).按各单体建筑瓦件、脊饰规格,重新恢复屋面。
(2).80厚泼灰麦草泥苫背(分两次完成);
(3).15厚护板灰(熟桐油0.3:石灰膏2:麻刀0.3:明矾0.2)
(4).将原各单体屋面使用望砖、望瓦全部换成20厚木望板,柳叶缝铺设。
(5).椽规格、间距按各单体设计要求添配。
2、墙体
(1).所有按设计要求需要保留的青砖墙体,须将后期涂红或有其它色泽的面层清洗掉,恢复原青砖淌白墙。
(2).对需要拆除的墙体,外墙面全部用310×150×65青砖、石灰膏加麻刀砌筑淌白墙;内衬墙用240×115×55标准红机砖、M7.5混合砂浆砌筑。
(3).墙面抹灰按各单体设计要求施工。
3、地面
(1).按各单体设计要求重新细墁地面。
(2).30厚混合砂浆坐底灰。
(3).3:7灰土夯实垫层250厚。
(4).素土夯实。
(5).拆除垫层300厚。
(6).拆除面层。



六、施工中应注意的事项
1.可逆性、可再处理的*物文**理念:
修缮过程中,坚持修缮过程的可逆性,保证修缮后的可再处理性。尽量选择使用与原构件相同、相近或兼容的材料,使用原有工艺技术及做法,尽可能保留更多的历史信息。
2.尊重传统、保持地方风格的原则:
地方建筑风格与传统工艺手法,对于研究各地区建筑史和各地区传统建筑工艺具有极高的价值。在修缮过程中应加以识别,尊重传统工艺。保持地方建筑风格的多样性、传统工艺手法的地域性和营造手法的独特性。
3.注意安全:
安全第一是修缮工程的保障,*物文**的安全与人员的安全同等重要,施工中应设置防火、防雨设备,设置完善的安全设施,并对施工人员及周围群众做好安全宣传、教育工作,确保人员及*物文**建筑的安全。
*物文**的生命是不可再生的,施工中应对原有建筑的每一个构件及一砖一瓦视同*物文**对待,不可随意损坏。对于脊、吻、兽等易损瓦件拆卸时应轻拿轻放,堆放于安全的场所,避免一切不应有的损失。
4.保障质量
施工单位应严格按照设计文件和《古建筑木结构维护与加固技术规范》(GB50165-92)第八章:工程验收:各相关规范施工。现场监理人员应及时对隐蔽工程进行验收和档案记录。出现意外情况,应通知甲方,会同设计单位共同研究确定处理方案。
*物文**修缮的成功与否,关键是质量。施工单位必须选择有相应古建修缮资质的施工单位,修缮过程中必须要加强质量意识与管理工作。材料的采购,必须按照部标或国标选择优质产品,严禁以次充好,偷工减料等行为。修缮工艺,施工工序要符合国家古建筑修缮有关质量标准。
5.资料收集
拆除施工中对各重要隐蔽部位及其接点应拍照存档,以备修复施工中对照。竣工后施工单位应提交完整的竣工档案资料,并归档保存。